122621 (689200), страница 2
Текст из файла (страница 2)
Выходное сопротивление:
. (3.3.13)
Выходная ёмкость:
. (3.3.14)
В соответствие с этими формулами получаем следующие значения элементов эквивалентной схемы:
нГн;
пФ;
Ом;
А/В;
Ом;
пФ.
3.3.4 Расчёт цепей термостабилизации и выбор источника питания
Существует несколько вариантов схем термостабилизации. Их использование зависит от мощности каскада и от того, насколько жёсткие требования к термостабильности. В данной работе рассмотрены три схемы термостабилизации: пассивная коллекторная, активная коллекторная и эмиттерная.
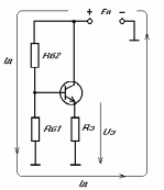
3.3.4.1 Пассивная коллекторная термостабилизация
Данный вид термостабилизации (схема представлена на рисунке 3.4) используется на малых мощностях и менее эффективен, чем две другие, потому что напряжение отрицательной обратной связи, регулирующее ток через транзистор подаётся на базу через базовый делитель.
Рисунок 3.5
Расчёт, подробно описанный в [3], заключается в следующем: выбираем напряжение
(в данном случае
В) и ток делителя
(в данном случае
, где
– ток базы), затем находим элементы схемы по формулам:
; (3.3.15)
, (3.3.16)
где
– напряжение на переходе база-эмиттер равное 0.7 В;
. (3.3.17)
Получим следующие значения:
Ом;
Ом;
Ом.
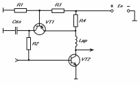
3.3.4.2 Активная коллекторная термостабилизация
Активная коллекторная термостабилизация используется в мощных каскадах и является очень эффективной, её схема представлена на рисунке 3.5. Её описание и расчёт можно найти в [2].
Рисунок 3.6
В качестве VT2 возьмём КТ916А. Выбираем падение напряжения на резисторе
из условия
(пусть
В), затем производим следующий расчёт:
; (3.3.18)
; (3.3.19)
; (3.3.20)
; (3.3.21)
, (3.3.22)
где
– статический коэффициент передачи тока в схеме с ОЭ транзистора КТ361А;
; (3.3.23)
; (3.3.24)
. (3.3.25)
Величина индуктивности дросселя выбирается таким образом, чтобы переменная составляющая тока не заземлялась через источник питания, а величина блокировочной ёмкости – таким образом, чтобы коллектор транзистора VT1 по переменному току был заземлён.
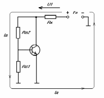
3.3.4.3 Эмиттерная термостабилизация
Принцип действия эмиттерной термостабилизации представлен на рисунке 3.6. Метод расчёта и анализа эмиттерной термостабилизации подробно описан в [3].
Рисунок 3.7
Расчёт производится по следующей схеме:
1.Выбираются напряжение эмиттера
и ток делителя
(см. рис. 3.7), а также напряжение питания
;
2. Затем рассчитываются
.
3. Производится поверка – будет ли схема термостабильна при выбранных значениях
и
. Если нет, то вновь осуществляется подбор
и
. Возьмём
В и
мА. Учитывая то, что в коллекторной цепи отсутствует резистор, то напряжение питания рассчитывается по формуле
В. Расчёт величин резисторов производится по следующим формулам:
; (3.3.25)
; (3.3.26)
. (3.3.27)
Для того, чтобы выяснить будет ли схема термостабильной производится расчёт приведённых ниже величин.
Тепловое сопротивление переход – окружающая среда:
, (3.3.28)
где
,
– справочные данные;
К – нормальная температура.
Температура перехода:
, (3.3.29)
где
К – температура окружающей среды (в данном случае взята максимальная рабочая температура усилителя);
– мощность, рассеиваемая на коллекторе.
Неуправляемый ток коллекторного перехода:
, (3.3.30)
где
– отклонение температуры транзистора от нормальной;
лежит в пределах
А;
– коэффициент, равный 0.063–0.091 для германия и 0.083–0.120 для кремния.
Параметры транзистора с учётом изменения температуры:
, (3.3.31)
где
равно 2.2(мВ/градус Цельсия) для германия и
3(мВ/градус Цельсия) для кремния.
, (3.3.32)
где
(1/ градус Цельсия).
Определим полный постоянный ток коллектора при изменении температуры:
, (3.3.33)
где
. (3.3.34)
Для того чтобы схема была термостабильна необходимо выполнение условия:
,
где
. (3.3.35)
Рассчитывая по приведённым выше формулам, получим следующие значения:
Ом;
Ом;
Ом;
Ом;
К;
К;
А;
Ом;
;
Ом;
А;
А.
Как видно из расчётов условие термостабильности выполняется.
Из всех рассмотренных выше типов термостабилизации была выбрана активная коллекторная термостабилизация, как наиболее подходящая для моего усилителя. Активным элементом был выбран транзистор КТ361A.
3.3.4.4 Выбор источника питания
П
ри выборе номинала источника питания нужно учитывать выбранный вид термостабилизации. При активной коллекторной термостабилизации на резисторе дополнительно будет падать 1 вольт. Таким образом номинал источника питания будет складываться из напряжения в рабочей точке транзистора и падения напряжения на . Тогда:
В
3.3.5 Расчет элементов ВЧ коррекции
В качестве ВЧ коррекции мною была выбрана межкаскадная корректирующая цепь 3-го порядка. Но после расчёта коэффициента усиления выходного каскада оказалось, что каскад даёт слишком малое усиление, а именно – около 2.5 дБ. После расчёта промежуточного каскада были получены примерно такие же результаты. В результате общее усиление, выдаваемое трёмя каскадами усилителя, вышло равным примерно 11 дБ, вместо 15 требуемых. Для увеличения коэффициента усиления третий каскад на транзисторе КТ916А был заменен каскадом со сложением напряжения, выполненным на транзисторе КТ948Б. Для активного элемента промежуточного каскада был выбран транзистор КТ913Б.
Схема каскада по переменному току приведена на рисунке 3.8.
Рисунок 3.8
Расчёт каскада полностью описан в [2].
При условии:
(3.3.36)
К
аскад выдает напряжение, равное входному, оставляя неизменным ток, отдаваемый предыдущим каскадом. Поэтому ощущаемое сопротивление нагрузки каскада равно половине сопротивления нагрузки, а его входное сопротивление также равно половине сопротивления нагрузки, вплоть до частот соответствующих . При выполнении условия (3.3.36) коэффициент усиления каскада в области ВЧ описывается выражением:
,
Где:
;
;
;
);
.
В случае получения оптимальной по Брауде АЧХ, значения
равны:
; (3.3.37)
. (3.3.38)
Так как был использован каскад со сложением напряжения, произошло смещение рабочей точки, рассчитанной ранее. Напряжение в рабочей точке транзистора КТ948Б будет равно 13.2 вольт. Ток останется неизменным, т.е. будет равен 0.5 ампер. Также можно поменять номинал источника питания - взять его равным 14.2 вольт.
Так как каскад со сложением напряжения осуществляет подъём АЧХ, т.е. улучшает её форму, будем считать, что каскад не вносит линейных искажений и не требует МКЦ. Тогда произведём пересчёт искажений: 2 дБ отдадим на промежуточный каскад и 1 дБ на входной.
Основные технические характеристики транзистора КТ948Б:
Э
лектрические параметры:
-
Граничная частота коэффициента передачи тока в схеме с ОЭ
МГц; -
Постоянная времени цепи обратной связи, при напряжении 10 вольт,
пс; -
Статический коэффициент передачи тока в схеме с ОЭ
; -
Ёмкость коллекторного перехода
пФ; -
Индуктивность вывода базы
нГн; -
Индуктивность вывода эмиттера
нГн.
Предельные эксплуатационные данные:
-
Постоянное напряжение коллектор-эмиттер
В; -
Постоянный ток коллектора
А; -
Температура перехода
К.
По формулам 3.3.6 3.3.9 получаем значения элементов модели Джиаколетто:
пФ
пФ
По формулам 3.3.10 3.3.14 получаем значения элементов ВЧ модели:
нГн;
пФ;
Ом;
А/В;
Ом;
пФ.
И
спользуя эти данные, вычисляем значения для элементов по формулам 3.3.37-3.3.38, а также значения элементов схемы термостабилизации, используя формулы 3.3.18 3.3.25.
Значения :
Значения элементов схемы термостабилизации:
,
,
,
,
,
,
.
Коэффициент усиления выходного каскада – 6 дБ.
3.4 Расчёт промежуточного каскада
3.4.1 Выбор рабочей точки
При расчёте требуемого режима транзистора промежуточных и входного каскадов по постоянному току, следует ориентироваться на соотношения, приведённые в пункте 3.3.1 с учётом того, что
заменяется на входное сопротивление последующего каскада. Так как выходной каскад является каскадом со сложением напряжения, то координаты рабочей точки у промежуточного каскада те же, что и у выходного.
3.4.2 Выбор транзистора
Выбор транзистора осуществляется в соответствии с требованиями, приведенными в пункте 3.3.2. Этим требованиям отвечает транзистор КТ913Б. Его основные технические характеристики приведены ниже.
Электрические параметры:
-
граничная частота коэффициента передачи тока в схеме с ОЭ
ГГц; -
Постоянная времени цепи обратной связи
пс, при напряжении 10 вольт; -
Статический коэффициент передачи тока в схеме с ОЭ
; -
Ёмкость коллекторного перехода при
В
пФ; -
Индуктивность вывода базы
нГн; -
Индуктивность вывода эмиттера
нГн.
Предельные эксплуатационные данные:
-
Постоянное напряжение коллектор-эмиттер
В; -
Постоянный ток коллектора
А; -
Температура перехода
К.
3.4.3 Расчёт эквивалентных схем транзистора
Используя формулы 3.3.6 3.3.9, получаем значения элементов модели Джиаколетто:
МГц;
пс;
;
пФ;
нГн;
нГн.
В;
А;
К.
ГГц;
пс, при напряжении 10 вольт;
В
пФ;
нГн;
нГн.
В;
А;
К.















