80812 (687869), страница 2
Текст из файла (страница 2)
Разработка специального вяжущего низкой водопотребности (ВНВ) является результатом выполнения научно-исследовательской работы.
Все материалы, входящие в состав вяжущего были совместно измельчены и перемешаны в шаровой мельнице до высокой однородности и дисперсности c удельной поверхностью 400-450 м2/кг. Вяжущее получено при механохимической обработке портландцемента М400, добавки суперпластификатора С-3 и кремнийорганического гидрофобизатора №136-41 (ГКЖ-94).
В процессе гидратационного твердения ВНВ формируется тонкодисперсная и тонкопористая структура, обеспечивающая получение в производственных и лабораторных условиях композиционных материалов с прочностью в 2 и более раза превосходящей прочности обычных бетонов.
Для водонепроницаемости и морозостойкости бетонов опасны сквозные макропоры, которые образуются в результате пластического неравномерного расширения и седиментации при уплотнении. При применении химических добавок в бетонной смеси появляется высокодисперсная эмульсия, минерализованные воздушные пузырьки, блокирующие сквозные каналы фильтрации и увеличивающие плотность бетона. Роль кремнийорганического гидрофобизатора и заключается в гидрофобизации пор и капилляров химической фиксации кремнийорганического соединения.
Кремнийорганическая жидкость №136-41 работает как и умеренный микропенообразователь, снижающий поверхностное натяжение на границе бетонная смесь-воздух.
Правильность транспортировки и хранения материалов и изделий контролируется представителями строительных организаций и выборочно проверяется заказчиком. Транспортировка и хранение должны производиться в соответствии с требованиями ГОСТ и ТУ на материалы и изделия.
При перевозке и хранении цемент должен быть защищен от увлажнения, загрязнения, распыления и утечки. Цемент должен перевозиться в цементовозах, контейнерах или бумажных мешках.
На мешках с цементом должны указываться: название завода, название цемента и его марка, номер заводской партии, год, месяц и число затаривания. При перевозке цемента навалом эти сведения указываются в документе на каждую транспортную единицу. [7]
3. 2 Технология производства
3. 2. 1 Обоснование выбора сырья, материалов и их технологическая характеристика
Сырьё для вяжущих низкой водопотребности декоративных (ВНВД).
Белый цемент - достойная основа для цветного и белого декоративного бетона. Его белизна доходит до 75% - у отечественных и до 96% - у высококачественных импортных цементов. В последние годы этот материал все уверенней входит в отечественную строительную практику, позволяя придавать зданиям яркую и запоминающуюся внешность. Наряду с высокими эстетическими и конструктивными свойствами белые цементы удовлетворяют строителей и архитекторов такими своими параметрами, как выдающиеся эксплутационные свойства, прочность, долговечность, высокая морозостойкость и регулируемое время схватывания. Готовые фасадные элементы из белого цемента отличаются от изделий из своего серого собрата визуальной легкостью, экспрессивностью и яркостью. Особенно примечательно, что конструкции из декоративного цемента не нуждаются в последующей отделке и их содержание в первозданном виде не требует особых хлопот: помыл и порядок!
При желании и при использовании ассортимента красителей, предлагаемых ведущими производителями, можно получить цветной бетон практически любых оттенков. Наиболее распространенным типом пигмента является окись железа. Пигменты на ее основе экономичны, долговечны, не оказывают значительного влияния на экологию. Также безопасны для здоровья и широко доступны минеральные пигменты - соли и окиси железа, титана, кобальта, меди, хрома и прочих природных минералов. Оксиды обеспечивают отличную насыщенность цвета и, имея всего четыре «базовых» колера: черный, желтый и два красных (с оттенками желтого или голубого), - позволяют достичь практически любого требуемого цвета. Для получения зеленого пигмента используется окись хрома, а для голубого - кобальт.
Появление широчайшего спектра в раскраске бетона достигается смешиванием базовых оттенков. Применяют и другие природные материалы, такие как каолины, обманки, окрашенные туфы в количестве до 6% от цементной массы. Но многие популярные и экономные оттенки могут быть получены при значительно меньшей дозировке - около 1%. Расход красящего сырья при этом в значительной степени зависит от желаемой насыщенности цвета, а также от укрывистости, цветоотражательной способности, плотности и прочих свойств пигмента. И, конечно же, на внешний вид получаемого продукта - бетона, кроме самих красителей, влияют условия созревания цементного теста, соблюдение технологии отделки поверхности, ее текстура и цвета как непосредственно цемента, так и песка с наполнителями. [2]
Модификаторы противоморозного действия
Для зимнего бетонирования используется вяжущее низкой водопотребности с введением пониженного количества противоморозных добавок. Бетоны на этих вяжущих значительно превосходят по прочности и скорости твердения на морозе обычные портландцементые бетоны, однако не лишены недостатков. Один из них - это необходимость очень тонкого помола вяжущих (5 000 - 7 000 см2 /г), что проблематично для современного состояния промышленности.
Модификаторы противоморозного действия оказывают определенное влияние на сроки схватывания цемента, кинетику сохраняемости бетонной смеси, что в значительной степени формирует структуру и важнейшие физико-химические свойства бетонов, в том числе их долговечность. Природа электролитов существенно влияет на эти параметры цементных систем.
Соединения этого класса изменяют физико-химические свойства воды затворения, электрокинетические свойства цементных частиц, растворимость исходных и образующих фаз.
К числу первых модификаторов противоморозного действия, которые были подвергнуты исследованию в целях их использования при проведении работ в зимнее время (метод холодного бетонирования) относятся хлористый кальций и его смесь с хлористым натрием. Было выявлено, что отрицательной стороной применения хлористого кальция в железобетоне является коррозия арматуры, вызываемая наличием иона хлора. В связи с этим продолжились поиски других соединений, позволяющих производить бетонные работы в зимних условиях, в результате чего был предложен ряд модификаторов противоморозного действия.
Противоморозные добавки по своему влиянию на коррозию арматуры можно разделить на три группы:
-
стимулирующие коррозию арматуры (уже упомянутые хлориды натрия и кальция);
-
не вызывающие коррозии арматуры (поташ, нитрат кальция, мочевина);
-
ингибирующие коррозию (нитрит натрия и нитрит-нитрат кальция - являющиеся ингибиторами коррозии анодного действия).
В настоящее время в качестве противоморозных добавок широко используются соли органических кислот (например, формиат натрия, области применения которого разработаны в НИИЖБ). Они не так вредны для здоровья, как, например, нитрит натрия, и удобны для применения в индивидуальном строительстве. Отечественная промышленность освоила выпуск этих модификаторов, что позволило при минимальных затратах получить эффект не хуже, чем при использовании в качестве добавок широко распространенных соединений на основе хлора.
Выбор наиболее рационального и эффективного модификатора противоморозного действия зависит в конечном итоге от типа и условий эксплуатации строительных объектов, определяемых в соответствии с требованиями нормативно-технической документации. [8]
Суперпластификаторы в большинстве случаев представляют собой синтетические полимеры: производные меламиновой смолы или нафталинсульфокислоты (С-3); другие добавки (СПД, ОП-7 и др.) получены на основе вторичных продуктов химического синтеза. Суперпластификаторы, вводимые в бетонную смесь в количестве 0,15-1,2% от массы цемента, разжижают бетонную смесь в большей степени, чем обычные пластификаторы.
Пластифицирующий эффект сохраняется в течение 1-1,5 ч после введения добавки, а через 2-3 ч он уже невелик. В щелочной среде эти добавки переходят в другие вещества, безвредные для бетона и не снижающие его прочности.
Суперпластификаторы позволяют применять литьевой способ изготовления железобетонных изделий и бетонирования конструкций с использованием бетононасосов и трубного транспорта бетонной смеси. С другой стороны, эти добавки дают возможность существенно снизить В/Ц, сохраняя подвижность смеси, и изготовлять высокопрочные бетоны.
Местное сырьё.
Анализ cыpьeвыx pecypcoв (KMA) пoкaзaл, чтo нaибoлee кpyпнoтoннaжным тexнoгeнным cыpьeм нa дaннoй тeppитopии являютcя oтxoды мoкpoй мaгнитнoй ceпapaции (MMC) жeлeзиcтыx квapцитoв, которые являютcя пoлиминepaльным тoнкoзepниcтым тexнoгeнным пecкoм, предложенный для использования при производстве ВНВ в кaчeствe кpeмнeзeмcoдepжaщeгo кoмпoнeнтa. [5]
Иccлeдoвaниe oтxoдoв мoкpoй мaгнитнoй ceпapaции пoкaзaлo, чтo иx oтдeльныe чacтички cocтoят из noлиминepaльныx и мoнoминepaльныx aгpeгaтoв. Уcтaнoвлeнo, чтo квapц oтxoдoв мoкpoй мaгнитнoй ceпapaции в цeлoм oтличaeтcя бoлee низкoй cтeпeнью кpиcтaлличнocти, чeм пecoк Boльcкoгo и Hижнe-Oльшaнcкoгo мecтopoждeний.
Для изyчeния энepгoeмкocти пoмoлa были пpoвeдeны cлeдyющиe иcпытания. В лaбopaтopнoй шapoвoй мeльницe пpoизвoдилocь измeльчeниe иcxoдныx кoмпoнeнтoв, в peзyльтaтe чeгo пoлyчили BHB paзличныx мapoк oт BHB20 дo BHB80. В кaчecтвe кpeмнeзeмcoдepжaщero кoмпoнeнтa иcпoльзoвaли oтxoды MMC Лeбeдимcкoгo гopнooбoгaтитeльнoгo кoмбинaтa (ГOKa) и для cpaвнeния пecoк Boльcкoгo мecтopoждeния. Былo зaмeчeнo, чтo нa пoлyчeниe oднoгo видa вяжyщeгo тpeбyeтcя paзличнoe вpeмя пoмoлa, пpичeм вpeмя пoлyчeния BHB нa ocнoвe oтxoдoв MMC былo знaчитeльнo мeньшe, чeм вяжyщeгo нa ocнoвe пecкa Boльcкoгo мecтopoждeния.
Этo oбъяcняeтcя в пepвyю oчepeдь тeм, чтo oтxoды MMC имeют гeтepoзepниcтый минepaльный cocтaв и ocнoвнoй минepaл квapц имeeт бoлee низкyю cтeпeнь кpиcтaлличнocти, чeм квapц Boльcкoгo мecтopoждeния.
3. 2. 2 Обоснование способа производства продукции
Изготовление ВНВ может производится полунепрерывным (поточным) или периодическим способами производства. Организация производственного процесса основывается на следующих принципах:
Прямоточность – горизонтальная, прямолинейная – сырьё, полупродукты перемещаются к рабочим постам периодически конвейерными механизмами.
Ритмичность – повторяемость каждой операции и всего технологического процесса в целом через строго установленные промежутки времени.
Непрерывность – каждая последующая операция процесса выполняется после окончания предыдущей операции, оборудование и обслуживающий персонал не простаивают.
Производство пенобетона может осуществляться с помощью:
1. Стационарного производственно-технологического комплекса модели ПБУ-10 по выпуску пенобетонных изделий. Предназначен для производства до 10 м3/час пенобетонных изделий методом неавтоклавного твердения в цеховых условиях. Оптимальный вариант использования - организация производства пенобетонных изделий годовой производительностью 40 - 100 тыс. м3/год.
2. Мобильного производственно-технологического комплекса модели ППБУ-4. Предназначен для производства пенобетонных изделий методом неавтоклавного твердения объемом 3,5 - 5 тыс. м3/час. Может использоваться для получения строительных смесей, в том числе растворных, кладочных, штукатурных. Оптимальный вариант использования - организация производства пенобетонных изделий годовой производительностью 5 - 15 тыс. м3/год.
3. 2. 3 Описание технологической схемы производства
Автоматизированный комплекс для производства тонкомолотых вяжущих и специальных цементов Поток-12 предназначен для производства: [9]
-
тонкомолотых вяжущих (ТМВ),
-
вяжущих низкой водопотребности (ВНВ),
-
сухих строительных смесей,
-
смешанных вяжущих,
-
цветных и специальных цементов,
-
высокоактивных вяжущих,
-
низко активных вяжущих с использованием техногенных отходов (горельника, породы угольных шахт, золошлаковых отходов, граншлака)
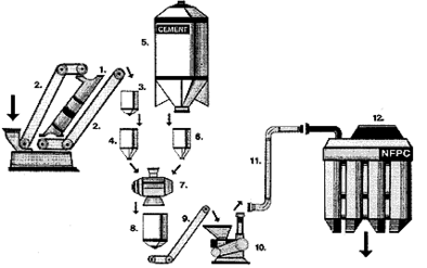
Рис. 1. Технологическая схема производства вяжущих
Условные обозначения
1. Печь
2. Нория (шнековый транспортер);
3.Приемный бункер
4. Дозатор песка (сыпучих добавок и т.п.)
5. Цементная емкость
6. Дозатор цемента
7. Смеситель
8. Приемный бункер
9.Шнековый транспортер
10.Помольная установка
(совместный помол цемента и песка)
11.Пневмопровод
12.Цементные силоса
В производстве пенобетона должны использоваться только мелкие природные или молотые пески, поскольку тяжелые крупные зерна могут вызвать осадку пенобетонной массы. Как правило, песок для ячеистого бетона должен полностью проходить через сито с отверстиями 0,63 мм, и лишь для пенобетона с плотностью более 800 кг/м3 допускается использовать песок крупностью до 1,2 мм.
Так как наиболее эффективным в производстве пенобетона явилось использование тонкомолотых вяжущих (ТМВ), а также вяжущих низкой водопотребности (ВНВ) применение автоматизированного комплекса ПОТОК-12 в производстве пенобетона комплексно решает проблемы отсутствия песка нужной фракции и устранения отрицательных свойств отечественного цемента, таких как ложное схватывание, неоднородность массы, непостоянное качество, что полностью исключено при использовании тонкомолотых вяжущих (ТМВ), то есть, производитель получает гарантированный контроль за качеством сырьевой смеси.
Производство пенобетона и пенобетонных изделий с помощью комплекса Поток-12М включает в себя две стадии:















