24962 (686688), страница 4
Текст из файла (страница 4)
Следует различать две причины, вызывающие изменение температуры деталей генератора: изменение температуры внешней среды и изменение температуры за счёт токов, которые обтекаются детали. Температура контурных деталей в основном определяется внешней температурой.
Прямые методы стабилизации главным образом сводятся к применению термостатов. Генератор помещается в термостат, и следовательно, его детали находятся под постоянной температурой. Более широкое применение находят косвенные методы, которые сводятся к компенсации температурных влияний. С этой целью применяют специальные компенсированные детали. Конденсаторы, или катушки индуктивности проектируются таким образом, что изменение температуры не оказывает влияния на их параметры. Например, конденсатор можно спроектировать так, что с изменением температуры будут одновременно изменяться размеры его пластин или расстояние между ними. Увеличение пластин конденсатора приводит к увеличению его ёмкости, а увеличение расстояния – к её уменьшению:
Можно так подобрать отдельные материалы при изготовлении, что в результате изменения температуры ёмкость конденсатора не будет изменяться. Следует отметить, что такую компенсацию удаётся получить в сравнительно узком диапазоне изменения температуры.
Для термокомпенсации также широко применяются конденсаторы с отрицательным температурным коэффициентом. Собственная частота контура, как указывалось, с увеличением температуры уменьшается, и следовательно, включение специального конденсатора с отрицательным температурным коэффициентом будет в некоторой степени компенсировать изменение частоты. Для термокомпенсации применяются биметаллические (композит материалов с разными коэффициентами теплового расширения) и керамические конденсаторы. В последнее время биметаллические конденсаторы почти полностью вытеснены керамическими конденсаторами. Чаще всего применяются тикондовые конденсаторы, т.е. конденсаторы, в которых диэлектриком служит тиконд. Его диэлектрическая постоянная имеет отрицательный температурный коэффициент, вследствие чего ёмкость такого конденсатора с увеличением температуры уменьшается.
При схемной термокомпенсации положительные температурные коэффициенты индуктивности и ёмкости контура компенсируют включением в контур конденсаторов небольшой ёмкости, но с большим отрицательным температурным коэффициентом. В результате общий температурный коэффициент всей ёмкости контура становится отрицательным и равным по абсолютному значению положительному температурному коэффициенту индуктивности, т.е. +αL = | -αC |.
В простой параллельной схеме термокомпенсационного контура, работающего в диапазоне частот (рис. 6.4), можно получить полную компенсацию только в одной точке диапазона.
Рис. 6.4. Примеры параллельной схемной термокомпенсации.
На этой схеме: C~ - переменная часть ёмкости конденсатора настройки СМАКС – СМИН ; С0 = СМИН + СМ + СL; СК – ёмкость конденсатора термокомпенсации. При большом коэффициенте перекрытия диапазона, когда
, рационально точку полной компенсации выбрать при fМАКС. Тогда в схеме рис. 8-13, б полагается C~ = 0 и расчёт производится по формулам:
, где C = C0 + CК – заданная суммарная ёмкость контура; αL – положительный ТКИ (должен быть измерен или взят приблизительно 20÷50∙10-6); αC – отрицательный ТКЕ. В результате такой компенсации получается, что в диапазоне частот контур будет иметь ТКЧ от α = 0 при fМАКС до
при fМИН. Т.е. во всех точках диапазона, кроме fМАКС, будет иметь место недокомпенсация (отрицательный ТКЧ).
Если kД < 1,5, то значительно лучшие результаты по термокомпенсации в диапазоне частот можно получить, если принять так называемую “оптимальную термокомпенсацию”, сущность которой заключается в том, что при fМАКС делают перекомпенсацию (ТКЧ положительный), а при fМИН – недокомпенсацию (ТКЧ отрицательный), причём абсолютные значения ТКС при fМАКС и fМИН должны быть равны (рис. 6.5).
Рис. 6.5. Подбор ёмкости.
В результате точка полной компенсации α = 0 будет лежать в промежутке между fМИН и fМАКС, а ТКЧ на концах диапазона будет найден из выражения:
.
Для получения оптимальной компенсации в схеме рис. 6.4 необходимо, чтобы температурный коэффициент всей минимальной ёмкости контура CМИН = СК + C0 был:
.
Рассмотренные меры стабилизации частоты не позволяют, однако, получить нестабильность лучше, чем ΔfГ / fГ ≈ 10-4. При необходимости получения более высокой стабильности вместо контуров LC в гетеродине используются кварцевые резонаторы. Кварцевые резонаторы наиболее полно отвечают требованиям стабилизации частоты гетеродина. Они обладают высокой фиксирующей способностью из-за весьма больших добротностей. Их добротность в сотни тысяч раз может превышать добротность контуров LC. При уменьшении температурной нестабильности кварца путём выбора среза, вида и вакуумной герметизации можно получить хорошую эталонность.
Применение таких резонаторов позволяет довести нестабильность частоты до ΔfГ / fГ = (1÷5)∙10-6÷10-7.
Заключение гетеродина в термостат (современные термостаты обеспечивают поддержание температуры внутри своего объёма с точностью до десятых долей градуса) и другие меры стабилизации обеспечивают нестабильность кварцевых гетеродинов в интервале 10-7-10-8.
2. Кварцевая стабилизация частоты
Наиболее эффективной мерой повышения устойчивости частоты автогенераторов является кварцевая стабилизация - используют пьезоэлектрический резонатор, представляющий собой кварцевую пластину с нанесёнными на её поверхность электродами. Если кварцевую пластинку сжать или растянуть, то на её противоположных гранях появляются равные по величине, но разные по знаку электрические заряды. Величина их пропорциональна давлению, а знаки зависят от направления силы давления. Это явление носит название прямого пьезоэлектрического эффекта. Если же к граням пластинки кварца приложить электрическое напряжение, то пластинка будет сжиматься или растягиваться в зависимости от полярности приложенного напряжения. Это явление называется обратным пьезоэлектрическим эффектом. Ценным свойством кварца является очень высокая стабильность частоты механических колебаний, которая определяется геометрическими размерами кварцевой пластинки и направлением деформации.
Для возбуждения механических колебаний к электродам резонатора подводят переменное напряжение. Пьезоэлемент начинает колебаться синхронно с приложенным напряжением. При совпадении частоты подводимого напряжения с собственной частотой колебания пьезоэлемента возникает механический резонанс. Кварцевый резонатор становится эквивалентен последовательному колебательному контуру с собственной частотой кварца:
, где LКВ – эквивалентная индуктивность кварца (от десятых долей до десятков миллигенри), CКВ – эквивалентная ёмкость кварца (десятые или сотые доли пикофарады). Собственная частота колебаний кварца зависит от среза и геометрических размеров пластины. Для различных срезов значение собственной частоты ƒКВ кварца (МГц) колеблется от 1,6/δ до 3,6/δ, где δ – толщина пластины, мм. Добротность резонатора определяется как отношение энергии, запасённой колебательной системой, к энергии потерь за период колебаний. Добротность серийных резонаторов на основной частоте несколько десятков тысяч, а прецизионных – несколько миллионов.
Для кварцевых резонаторов характерен эффект старения, т.е. необратимого изменения частоты в течение нескольких первых месяцев работы. Поэтому основным параметром, характеризующим работу кварцевого автогенератора, является стабильность частоты колебаний. Кроме того, на стабильность частоты влияют ударные и вибрационные нагрузки, влажность, температура, изменение напряжения питания и непостоянство нагрузки. Поэтому современный кварцевый автогенератор помимо активного элемента (транзистора, туннельного диода), кварцевого резонатора и элементов схемы автогенератора должен содержать: буферный каскад с высоким RВХ, обеспечивающий слабую связь автогенератора с нагрузкой и исключающий влияние нагрузки на его работу; систему амортизации для ослабления вибрационных и ударных нагрузок; устройство защиты от воздействия влаги; стабилизированный источник питания; систему термостатирования или термокомпенсации, стабилизирующую влияние частотно-температурных характеристик кварцевых резонаторов. В настоящее время применяют автогенераторы, в которых кварц используют как резистор либо как последовательный контур.
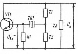
Рис. 6.6. Эквивалентная схема автогенератора с кварцем в цепи обратной связи.
Рассмотрим схему автогенератора, в которой кварцевый резонатор используют в качестве последовательного контура. Транзисторный автогенератор с кварцевым резонатором собран по трёхточечной схеме (рис. 6.6). В цепь обратной связи включён делитель, состоящий из кварцевого резонатора с полным сопротивлением ZQ1 и резонатора R1. Колебательная система выполнена из двух контуров: нагрузки коллектора Z1, Z2 и Z3 и цепи обратной связи R1, ZQ1 и Z2. Работа схемы основана на том, что сопротивление резонатора ZQ1 минимально на частоте последовательного резонанса ωКВ и резко увеличивается при отклонении от неё. В результате этого самовозбуждение возможно только в узкой области частот. При правильном выборе параметров добротность контура цепи обратной связи близка добротности кварцевого резонатора и значительно выше добротности коллекторного контура. Добротность колебательного контура - характеристика резонансных свойств системы, показывающая, во сколько раз амплитуда вынужденных колебаний при резонансе превышает амплитуду при его отсутствии. Чем выше добротность колебательной системы, тем меньше потери энергии в ней за период. Добротность колебательного контура:
, где L — индуктивность, C — емкость, R — сопротивление контура. Поэтому частота колебаний определяется контуром цепи обратной связи и близка частоте последовательного резонанса кварца, на которой коэффициент передачи делителя, состоящий из резистора R1 и контура ZQ1, имеет максимальное значение.
3. Механические деформации деталей
Механические деформации отдельных деталей генератора с самовозбуждением, как правило, приводят к изменению индуктивности и ёмкости его колебательного контура, а следовательно, и к изменению генерируемой частоты. Наиболее сильное влияние на частоту генератора оказывают деформации, происходящие в его контурных деталях – в конденсаторах и катушках индуктивности. Кроме того, частота в сильной степени зависит от деформаций, происходящих в экранах генератора. Деформация экранов, окружающих контурные детали, приводит к изменению реактивных сопротивлений, вносимых экранами в эти детали, а следовательно, и к изменению частоты генератора. Наконец, на частоту генератора оказывает также сильное влияние взаимное расположение монтажных проводов. Изменение места расположения этих проводов приводит к изменению их ёмкости по отношению к земле. Эта ёмкость, как известно, входит в колебательный контур генератора.
Различают остаточные и упругие механические деформации. Остаточные деформации могут происходить за счёт механических сотрясений, вибраций и вследствие коробления (искривления) деталей, которые являются результатом их старения. Влажность окружающей среды также иногда приводит к короблению отдельных деталей генератора. Остаточные деформации приводят к смещению градуировки передатчика. Упругие деформации обычно появляются в результате механического сотрясения передатчика, вследствие чего происходит вибрация отдельных деталей, что и приводит к периодическому изменению частоты генератора.
Прямые методы стабилизации частоты в рассматриваемом случае сводятся к правильному размещению передатчика, которое должно обеспечивать минимальное механическое сотрясение. К этим же методам стабилизации частоты относится применение амортизации как всего передатчика в целом, так и отдельных его частей. Косвенные методы стабилизации частоты сводятся к рациональному конструированию отдельных деталей генератора и к их монтажу. С этой точки зрения детали генератора должны обладать высокой механической прочностью. При конструировании катушек индуктивности необходимо следить прежде всего за тем, чтобы в результате тех или иных механических сотрясений не смещались отдельные витки. С этой целью весьма часто применяют так называемую горячую намотку катушек. Через провод пропускают большой ток и намотку производят под этим током. В качестве изолятора, на который наматывается катушка, выбирается материал, который не подвергался бы короблению в результате действия тех или иных внешний условий. Наиболее целесообразным для этого оказывается применение специальной высокочастотной керамики.
При конструировании контурных конденсаторов необходимо следить за тем, чтоб их пластины не вибрировали при механических сотрясениях. Элементарный расчёт показывает, что при высоких нормах стабильности (10-4) недопустимы даже такие маленькие смещения витков катушек индуктивности и пластин конденсаторов, как сотые доли миллиметра.
Экраны генератора должны быть спроектированы так, чтобы не было их смещения, прогибов. Для этого часто применяют литые экраны, механическая прочность которых исключительно велика. Монтаж генератора должен быть жёстким. Применение для монтажа гибких проводов не допускается. Для больше жёсткости монтажа в генераторе с самовозбуждением часто применяют медные трубки, которые обладают высокой механической прочностью. Отметим также, что чем короче волна передатчика, тем в большей степени механические деформации влияют на частоту генератора.
4. Непостоянство напряжений источника питания
В большинстве практических случаев частота генератора за счёт непостоянства питающих напряжений изменяется значительно быстрее, чем за счёт температурных влияний, и в ряде случаев даже быстрее, чем при механических упругих деформациях. Непостоянство напряжений источника питания приводит к целому ряду явлений, которые сопровождаются изменением частоты генератора. Отклонение напряжений от номинальных значений приводит, прежде всего, к изменению режима генератора, следовательно, к изменению токов, что приводит к изменению фазовых углов коэффициента обратной связи, а следовательно и к изменению частоты генератора. Изменение режима генератора приводит к колебаниям амплитуд высших гармоник, вследствие чего изменяется фазовый угол средней крутизны и, следовательно, частоты генератора. Далее непостоянство питающих напряжений приводит к изменению ёмкости переходов транзисторов. Кроме того, это приводит к изменению теплового режима отдельных деталей генератора. Если источники питания недостаточно хорошо заблокированы, то на частоту генераторы будут влиять провода, идущие к источникам питания. Перемещение этих проводов будет вызывать изменение частоты генератора.















