14112 (686030), страница 2
Текст из файла (страница 2)
Рисунок 6 - Схема воздушного водоподъемника (эрлифта).
1 - форсунка; 2 - водоподъемная труба; 3 - обсадная труба; 4 - водоотделитель; 5 - приемный бак; 6 - воздушная труба.
Ленточные (шнуровые) водоподъемники (рисунок 7) используют для сельскохозяйственного водоснабжения при подъеме воды из шахтных колодцев на пастбищах. Эти установки имеют привод от электродвигателя, двигателя внутреннего сгорания и ветродвигателей. Действие водоподъемников основано на смачивании ленты или шнура (32 x 12 мм) из эластичного материала. Лента (шнур) охватывает ведущий и ведомый шкивы и опущена в колодец с водой. При работе вода захватывается ведущей ветвью, движущейся со скоростью 2,5...5 м/с, поднимается на поверхность, где под действием центробежных сил отрывается от ленты (шнура) и отбрасывается в накопитель. Высота подъема воды 30…50 м, подача 4...5 м3/ч; КПД 0,25...0,6, мощность привода 3...4 кВт. Водоподъемники просты по конструкции и надежны в работе. Могут быть использованы также для подъема воды из дренажных колодцев.
Рисунок 7 - Схема ленточного водоподъемника.
1 - рама; 2 - крыша; 3 - ведущий шкив; 4 - ремень; 5 - двигатель; 6 - лента; 7 - натяжной шкив; 8 - груз.
Для подачи воды на производственные и хозяйственно-питьевые нужды животноводческие хозяйства должны быть оборудованы водопроводной сетью. Различают внешнюю и внутреннюю водопроводную сеть.
Внешняя водопроводная сеть - это та часть распределительной сети, которая расположена на территории комплекса или фермы за пределами помещений. Она может быть разветвленной или кольцевой.
Разветвленная, или тупиковая сеть (рисунок 8а), состоит из отдельных линий. Вода из водонапорной башни проходит по главной магистрали с ответвлениями, которые заканчиваются тупиками. Таким образом, вода поступает к потребителю только с одной стороны. Тупиковая сеть применяется лишь на небольших фермах.
Кольцевая сеть (рисунок 8б) обеспечивает движение воды по замкнутому кругу (кольцу) и подводит ее к потребителю с двух сторон. Кольцевая водопроводная сеть длиннее, чем соответствующая тупиковая, однако у нее имеется немало преимуществ: не застаивается вода, увеличивается пропускная способность сети и другие. Поэтому кольцевую сеть применяют чаще.
Внутренняя водопроводная сеть предназначена для непосредственного распределения воды между потребителями внутри зданий. Для бесперебойной подачи воды на производственные нужды эта сеть выполняется только кольцевой. В производственных зданиях крупных комплексов эту сеть присоединяют к кольцевой сети наружного водопровода двумя вводами раздельно.
Рисунок 8 - Схема водопроводных сетей.
а - тупиковый; б - кольцевой.
Расход воды в животноводческих хозяйствах в течение суток неравномерный, и приспособить работу насосных станций к изменениям потребления воды без дополнительных промежуточных резервуаров воды очень трудно. Поэтому при устройстве водопроводных сетей необходимо предусмотреть специальные сооружения для запаса воды на непрерывное питание потребителей.
По способу получения воды из этих сооружений они бывают напорно-регулирующие и безнапорные.
Напорно-регулирующие сооружения создают в водопроводной сети напор, необходимый для распределения нужного количества воды потребителям. К ним относят водонапорные башни и пневматические котлы. Водонапорные башни создают необходимый напор за счет поднятия водонапорного бака на необходимую высоту, а в пневматических котлах - за счет давления сжатого воздуха в пространстве, свободном от воды в герметически закрытом сосуде.
Безнапорные сооружения выполняют в виде подземных резервуаров, вода из которых подается насосами в водонапорную сеть, а затем потребителю.
Выбор конкретной схемы
Основываясь на исходные данные: водоснабжение комплекса по откорму свиней на 12 тыс. голов в год, шахтный колодец и башенная водокачка выбираем схему водоснабжения, включающую в себя также насосную станцию и водопроводную сеть.
Рисунок 9 - Схема водоснабжения при заборе воды.
1 - шахтный колодец; 2 - насосная станция; 3 - водопроводная сеть; 4 - водонапорная башня; 5 - место потребления воды (свинарник - откормочник)
Технологический расчет
Имеем следующие исходные данные:
1. Схема водопровода
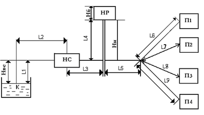
Рисунок 10 - Расчетная схема водопровода.
К - колодец (источник воды); НС - насосная станция (водоприемник); НР - напорно-регулирующее сооружение; П1, П2, П3, П4 - потребители, l1,l2 - линии всасывающего трубопровода; l3, l4 - линия напорного трубопровода; l5,l6,l7,l8,l9 - линия разводящего трубопровода; Нвс - высота всасывания геометрическая (расстояние по вертикали между уровнем воды в источнике и осью насоса); Нн - высота нагнетания геометрическая (расстояние по вертикали от центра насоса до уровня воды в напорном резервуаре); Нб - высота бока; Нг - геометрическая разность нивелирных отметок земли у башни и наиболее высоко расположенной точки водопотребления.
2. Источник имеет дебит Д = 280 м3/ч
3. Напорно-регулирующее сооружение - башенная водокачка или резервуар с Нб = 4,0 м
4. Геометрическая разность нивелирных отметок Нг = 0.
5. Время работы насосной станции Т = 13 часов (работает с 6 до 19 часов).
6. Потребители:
а) П1 - свинарник-откормочник №1
б) П2 - свинарник - откормочник №2
в) П3 - свинарник-откормочник №3
г) П4 - свинарник-откормочник №4
7. Линии водопровода,
а) l1 = Hвс = 5,5 м; l2 = 68 м.
б) l3 = 73 м; l4 = Нн.
в) l5 = 150 м; l6 = 135 м; l7 = 100 м; l8 = 110 м; l9 = 125 м.
8. Величина свободного напора в конечной точке водоразбора Нсвн = 4,8 м.
9. Насос центробежный (привод ременный).
10. Расход воды по часам суток в процентах от суточного:
| 24-1 | 1-2 | 2-3 | 3-4 | 4-5 | 5-6 | 6-7 | 7-8 | 8-9 | 9-10 | 10-11 | 11-12 | 12-13 | 13-14 | 14-15 | 15-16 | 16-17 | 17-18 | 18-19 | 19-20 | 20-21 | 21-22 | 22-23 | 23-24 |
| 0,5 | 2,5 | 1,5 | 2,0 | 3,0 | 6,0 | 5,0 | 4,5 | 3,0 | 6,0 | 6,0 | 11,5 | 5,0 | 5,5 | 5,5 | 5,5 | 5,5 | 4,5 | 4,0 | 7,0 | 2,0 | 1,0 | 1,5 | 1,5 |
Содержание работы и порядок ее выполнения
Под системой водоснабжения понимают весь комплекс сооружений и устройств на территории хозяйства, обеспечивающих все пункты потребления доброкачественной водой в требуемых количествах.
На животноводческих фермах вода расходуется на поение животных, а также на технологические, гигиенические, хозяйственные и противопожарные нужды. Расход воды на ферме зависит от вида животных, от выполняемых работ в течение суток и от времени года.
Согласно существующим нормам потребления воды различными группами животных и удовлетворения технологических нужд различных объектов фермы, рассчитывается средний суточный расход воды на ферме (комплексе) по формуле:
Qсут. ср. = m1 х q1 + m2 х q2 +…+ qn х mn, (1)
где Qсут. ср. - средний суточный расход воды на ферме, м3/сут.;
q1, q2,…,qn - среднесуточная норма потребления воды одним потребителем, м3/сут.;
m1, m2,…,mn - число потребителей, имеющих одинаковую норму потребления (голов, единиц и далее);
1, 2,…,n - число групп потребителей.
Согласно норме водопотребления принимаем:
для свиней на откорме q = 15 л/сут.
Тогда, имея число потребителей:
свинарник - откормочник № 1 m1 = 1200 голов
свинарник - откормочник № 2 m2 = 1200 голов
свинарник - откормочник № 3 m3 = 1200 голов
свинарник - откормочник № 4 m4 = 1200 голов
определяем по формуле (1) средний суточный расход воды:
Qсут. ср. = 15 х 4800 = 72 000 л/сут = 72 м3/сут
Среднесуточный расход воды летом выше, чем зимой. Неравномерность суточного водопотребления выражают коэффициентом суточной неравномерности. Тогда максимальный суточный расход воды на ферме или комплексе определяется по формуле:
Qсут. max = Qсут. ср. х k1, (2)
где Qсут. max - максимальный суточный расход, м3/сут.;
k1 - коэффициент суточной неравномерности, k1 = 1,3…1,5, принимаем k1 = 1,5
Тогда
Qсут. max= 72 х 1,5 = 108 м3/сут.
Для определения часовой потребности в воде необходимо учитывать, что в течение суток расход воды колеблется: в дневные часы он достигает максимума, а в ночное - минимума. При расчете максимального часового расхода воды принимается коэффициент k2 = 2,5 и формула:
Qч max = Qсут max х k2/24 (3)
Тогда получим
Qч max = 108 х 2,5/24 = 11,24 м3/ч.
(Число 24 - количество часов в сутках)
Максимальный секундный расход рассчитывается по формуле
Qс max = Qч max / 3600, (4)
где Qс max - максимальный секундный расход воды, м3/с.
(Число 3600 - количество секунд в одном часе).
Тогда
Qс max = 11,24/3600 = 0,003 м3/с.
Расход воды на тушение пожара на ферме зависит от степени огнестойкости зданий и их объема. При расчетах его можно принять на фермах равным 2,5 л. Запас воды должен обеспечить тушение пожара в течение 2...3 часов.
Таблица 1 - Расчетные данные потребности в воде для исходной схемы водопотребления
| Наименование одинаковых потребителей | Количество потребителей, mi | Суточная норма потребления воды qi, м3 | Суточный расход воды Qсут. ср., м3 | Максимальный суточный расход воды Qсут. max, м3 | Максимальный часовой расход воды Qr. max, м3 | Максимальный секундный расход воды | |
| Qc max, м3 | Qc max, л | ||||||
| свинарник- откормочник П1 | 1200 | 0,015 | 18 | 27 | 2,81 | 0,00075 | 0,75 |
| свинарник- откормочник П2 | 1200 | 0,015 | 18 | 27 | 2,81 | 0,00075 | 0,75 |
| свинарник- Откормочник П3 | 1200 | 0,015 | 18 | 27 | 2,81 | 0,00075 | 0,75 |
| свинарник- Откормочник П4 | 1200 | 0,015 | 18 | 27 | 2,81 | 0,00075 | 0,75 |
| Итого | - | - | 72 | 108 | 11,24 | 0,003 | 3,0 |
Для найденных Qч max и Qс max рассчитывают диаметры трубопроводов разводящей сети по формуле:















