13649 (685873), страница 4
Текст из файла (страница 4)
– номінальна потужність трансформатора (із завдання), ВА.
Повний результуючий опір до точки к.з. визначається:
. (28)
Активний опір враховується тільки в тому випадку, якщо Ri 1/3Xi .
Ом
Струм трифазного короткого замикання визначається за формулою [1с.188;3; 9]:
. (29)
кА
Потужність триполюсного к.з.:
. (30)
МВА
Ударний струм триполюсного к.з.:
(31)
де ку – ударний коефіцієнт, значення якого визначається в залежності від місця к.з.
кА
Струм двополюсного к.з. :
(32)
кА
Точка К2:
Zрез =12,9 Ом
Ік(3) = 450 кА
Sк(3) = 8,18 МВА
iу(3) = 636 кА
кА
Точка К3:
Zрез = 6,9 Ом
Ік(3) = 878 кА
Sк(3) = 16 МВА
iу(3) = 1241 кА
кА
9.2 Розрахунок струмів короткого замикання в мережі 0,38 кВ
а
) ПТП К4 К1
К2 Л1
Л2
К3
Л2
б) Хт К4 Rл1 Хл1 К1
Rл2 Хл2 К2
Rл3 Хл2 К3
Рисунок 7 – а) Розрахункова схема мережі 0,38 кВ;
б) Схема заміщення мережі 0,38 кВ.
Триполюсний струм к.з. на шинах 0,38 кВ ТП 10/0,4 кВ визначається:
(33)
Струм однополюсного к.з. визначається в найбільш віддаленій точці кожної лінії 0,38 кВ за формулою:
, (34)
де Zт – повний опір силового трансформатора струму к.з. на корпус, Ом;
Zn – повний опір петлі фазний – нульовий провід до точки к.з., Ом.
, (35)
де roфi, roнi – питомий активний опір, відповідно фазного і нульового проводів на і-й ділянці лінії, Ом/км ;
хфн – питомий індуктивний опір петлі «фаза–нуль» (для проводів із кольорового металу приймається хфн = 0,6 Ом/км).
Точка К1:
Ом
Точка К2:
Ом
А
Точка К3:
Ом
А
Точка К4:
Ом
А
Точка К4:
Триполюсний струм к.з. на шинах 0,38 кВ ТП 10/0,4 кВ:
А
10 ВИБІР АПАРАТУРИ 10 і 0,38 кВ
Згідно із ПУЕ всі електричні апарати вибирають за родом установлення, номінальним струмом і напругою, а також перевіряють їх на термічну і динамічну стійкість. Апарати захисту перевіряють на чутливість і селективність дії.
Розрахунок максимальних робочих струмів (тривалого режиму) виконується за формулою:
, (36)
де Sроз – максимальна розрахункова потужність відповідної ділянки лінії, кВА;
Uн – номінальна напруга мережі, кВ.
Рисунок 8 – Однолінійна схема лінії 10 кВ
А;
А;
А;
А;
А;
А.
Для керування відхідною лінією 10 кВ на РТП 35/10 кВ встановлюються роз'єднувачі (шинні і лінійні), високовольтний вимикач (масляний або вакуумний), трансформатори струму для живлення кіл обліку і релейного захисту.
З боку високої напруги проектованої ТП 10/0,4 встановлюється роз'єднувач, розрядники і запобіжники. На відхідних лініях 0,4 кВ, як правило, встановлюються автоматичні вимикачі, на вводі 0,38кВ – рубильник або автоматичний вимикач.
10.1 Вибір апаратури 10 кВ
Вибір і перевірку електричних апаратів 10 кВ зручно проводити табличним способом (Таблиця 6).
Таблиця 6.1 – Вибір високовольтного роз’єднувача
| Умови вибору | РВ-10/400 | Розрахункові дані |
|
| 10 кВ | 10 кВ |
|
| 400 А | 34,3 А |
| | 50 кА | 1,17 кА |
| |
| |
Таблиця 6.2 – Вибір високовольтного вимикача
| Умови вибору | ВМГ-10 | Розрахункові дані |
|
| 10 кВ | 10 кВ |
|
| 630 А | 34,3 А |
| | 20 кА | 1,17 кА |
| |
| |
Таблиця 6.4 – Вибір трансформатору струму
| Умови вибору | ТПЛ-10-05/Р-75/5 | Розрахункові дані |
|
| 10 кВ | 10 кВ |
|
| 75 А | 34,3 А |
| | 28,2 кА | 1,17кA |
| | 181 | 42,35 |
10.2 Вибір апаратури 0,38 кВ
Вибір апаратів 0,38 кВ виконуємо табличним способом, дані про вбрані апарати та розрахункові дані мережі заносимо в таблицю 7.
Таблиця 7.1 – Вибір роз’єднувача 0,38 кВ
| Умови вибору | РЛНДА | Розрахункові дані |
|
| 6 кВ | 0,4 кВ |
|
| 630 А | 144 А |
| | 29000 А | 3200 А |
| | 50000А | 6800 A |
| | 1000 | 14 |
Таблиця –7.2 – Вибір і перевірка автоматичних вимикачів 0,38 кВ
| Місце встановлення | Розрахункові дані | Параметри автомату | Тип | |||||||||
| Іроб. макс, А | кА | кА | кА | Ін.авт, А | Ін.р/Івідс | іmax | | | ||||
| Ввід | 144 | 3,2 | 6,8 | 250 | 10 | 74 | 1,5>1,25 | А3724Б | ||||
| ПЛ-1 | 60,6 | 0,272 | 0,38 | 0,112 | 63 | 3 | 3 | 1,7>1,4 | 5,12>3 | ВА51-31 | ||
| ПЛ-2 | 255,2 | 0,231 | 0,330 | 0,976 | 630 | 3 | 6 | 1,5>1,4 | 4,6>3 | А311-34 | ||
| ПЛ-3 | 57,7 | 0,0355 | 0,05 | 0,0172 | 63 | 3 | 3 | 1,7>1,4 | 5,12>3 | ВА51-31 | ||
| ПЛ-4 | 112,7 | 5,13 | 7,26 | 0,59 | 160 | 0,7 | 21 | 1,7>1,2 | ВА51-35 | |||
11 РОЗРАХУНОК РЕЛЕЙНОГО ЗАХИСТУ ПОВІТРЯНОЇ ЛІНІЇ 10 кВ
Релейний захист – це автоматичний пристрій, який складається із декількох приладів – реле, які реагують на зміну режиму на будь-якій ділянці мережі та подають імпульс на відключення даної ділянки комутаційними апаратами, або на сигналізацію. Для правильного та своєчасного виконання своїх функцій релейний захист повинен забезпечувати необхідну швидкість дії, чутливість, селективність та надійність.
Для ПЛ –10 кВ в якості основного захисту від міжфазних коротких замикань, як правило, застосовується максимальний струмовий захист (МСЗ), в якості додаткового – струмова відсічка (СВ) [1 с.300; 9 с. 263].
11.1 Розрахунок максимального струмового захисту лінії 10 кВ
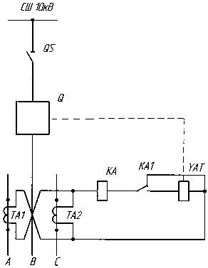
Розрахунок МСЗ необхідно починати з найпростішої однорелейної схеми на різницю струмів двох фаз.
Рисунок 9 – Однорелейна схема МСЗ
Струм спрацювання МСЗ повинен відстроюватися від робочого струму лінії з урахуванням можливих кидків струму самозапуску двигунів:
(37)
де kн – коефіцієнт надійності, приймається для реле типу РТ–85, РТ–40 kн = 1,2; для реле РТВ – kн = 1,3;
kс.зап– коефіцієнт самозапуску, для лінії сільськогосподарського призначення може бути прийнятий 1,2…1,3;
kп – коефіцієнт повернення реле, kп = 0,8…0,85.
Селективна дія МСЗ лінії 10 кВ і запобіжників ТП 10/0,4 кВ забезпечуються, якщо виконується умова
(38)
де Іпл.(5) – струм, при якому плавка вставка запобіжника (найбільш потужної ТП 10/0,4 кВ) згорає за 5 секунд, А.
7
2>8,4
Струм спрацювання реле визначається за формулою:
(39)
де Іс.з.. – найбільший, з отриманих за виразами (46) та (47), струм спрацювання захисту, А;
– коефіцієнт схеми;
– коефіцієнт трансформації трансформатора струму.
А
За умовою надійного спрацювання електромагніту вимикання зі струмом спрацювання 5А:
(40)
Найбільше із значень, округляється до струму уставки (ІУ) обраного типу реле, за умови, що
Іу Іс.р.
Іу = 7А>6,5А
Чутливість захисту визначається за формулою:
(41)















