94168 (681885), страница 2
Текст из файла (страница 2)
- невозможно сравнивать интенсивность окраски раствора в присутствии других окрашенных веществ;
- при длительном сравнивании интенсивности окраски глаз человека утомляется, и ошибка определения увеличивается;
- глаз человека не столь чувствителен к небольшим изменениям оптической плотности, как фотоэлектрические устройства, вследствие этого невозможно обнаружить разницу в концентрации примерно до пяти относительных процентов.
Фотоэлектроколориметрические методы
Фотоэлектроколориметрия применяется для измерения поглощения света или пропускания окрашенными растворами. Приборы, используемые для этой цели, называются фотоэлектроколориметрами (ФЭК).
Фотоэлектрические методы измерения интенсивности окраски связаны с использованием фотоэлементов. В отличие от приборов, в которых сравнение окрасок производится визуально, в фотоэлектроколориметрах приемником световой энергии является прибор – фотоэлемент. В этом приборе световая энергия преобразует в электрическую. Фотоэлементы позволяют проводить колориметрические определения не только в видимой, но также в УФ- и ИК-областях спектра. Измерение световых потоков с помощью фотоэлектрических фотометров более точно и не зависит от особенностей глаза наблюдателя. Применение фотоэлементов позволяет автоматизировать определение концентрации веществ в химическом контроле технологических процессов. Вследствие этого фотоэлектрическая колориметрия значительно шире используется в практике заводских лабораторий, чем визуальная.
На рис. 1 показан обычный порядок расположения узлов в приборах для измерения пропускания или поглощения растворов.
Рис .1 Основные узлы приборов для измерения поглощения излучения: 1 - источник излучения; 2 - монохроматор; 3 - кюветы для растворов; 4 - преобразователь; 5 - индикатор сигнала.
Фотоколориметры в зависимости от числа используемых при измерениях фотоэлементов делятся на две группы: однолучевые (одноплечие) - приборы с одним фотоэлементом и двухлучевые (двуплечие) - с двумя фотоэлементами.
Точность измерений, получаемая на однолучевых ФЭК, невелика. В заводских и научных лабораториях наиболее широкое распространение получил фотоэлектрические установки, снабженные двумя фотоэлементами. В основу конструкции этих приборов положен принцип уравнивания интенсивности двух световых пучков при помощи переменной щелевой диафрагмы, то есть принцип оптической компенсации двух световых потоков путем изменений раскрытия зрачка диафрагмы.
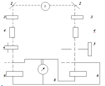
Принципиальная схема прибора представлена на рис. 2. Свет от лампы накаливания 1 с помощью зеркал 2 разделяется на два параллельных пучка. Эти световые пучки проходят через светофильтры 3, кюветы с растворами 4 и попадают на фотоэлементы 6 и 6', которые включены на гальванометр 8 по дифференциaльнoй схеме. Щелевая диафрагма 5 изменяет интенсивность светового потока, падающего на фотоэлемент 6. Фотометрический нейтральный клин 7 служит для ослабления светового потока, падающего на фотоэлемент 6'.
Рис.2. Схема двухлучевого фотоэлектроколориметра
Определение концентрации в фотоэлектроколориметрии
Для определения концентрации анализируемых веществ в фотоэлектроколориметрии применяют:
- метод сравнения оптических плотностей стандартного и исследуемого окрашенных растворов;
- метод определения по среднему значению молярного коэффициента светопоглощения;
- метод градуировочного графика;
- метод добавок.
Метод сравнения оптических плотностей стандартного и исследуемого окрашенных растворов
Для определения готовят эталонный раствор определяемогo вещества известной концентрации, которая приближается к концентрацииисследуемого раствора. Определяют оптическую плотность этого раствора при определенной длине волны Dэт. Затем определяют оптическую плотность исследуемого раствора Dх при той же длине волны и при той же толщине слоя. Сравнивая значения оптических плотностей исследуемого и эталонного растворов, находят неизвестную концентрацию определяемого вещества.
Метод сравнения применим при однократных анализах и требует обязательного соблюдения основного закона светопоглощения.
Метод градуировочноro графика. Для определения концентрации вещества этим методом готовят серию из 5-8 стандартных растворов различной концентрации. При выборе интервала концентраций стандартных растворов руководствуются следующими положениями:
* он должен охватывать область возможных измерений концентрации исследуемого раствора;
* оптическая плотность исследуемого раствора должна соответствовать примерно середине градуировочной кривой;
* желательно, чтобы в этом интервале концентраций соблюдался основной закон светопоглощения, то есть график зависимости был прямолинейным;
* величина оптической плотности должна находиться в пределах 0,14… 1,3.
Измеряют оптическую плотность стандартных растворов и строят график зависимости D(С). Определив Dх исследуемого раствора, по градуировочному графику находят Сх (рис. 3).
Этот метод позволяет определить концентрацию вещества даже в тех случаях, когда основной закон светопоглощения не соблюдается. В таком случае готовят большое количество стандартных растворов, отличающихся по концентрации не более чем на 10 %.
Рис. 3. Зависимость оптической плотности раствора от концентрации (калибровочная кривая)
Метод добавок - это разновидность метода сравнения, осно-ванный на сравнении оптической плотности исследуемого раствора и того же раствора с добавкой известно количества определяемого вещества.
Применяют его для устранения мешающего влияния посторонних примесей, определения малых количеств анализируемого вещества в присутствии больших количеств посторонних веществ. Метод требует обязательного соблюдения основного закона свето-поглощения.
Спектрофотометрия
Это метод фотометрического анализа, в котором определение содержания вещества производят по поглощению им монохроматического света в видимой, УФ- и ИК-областях спектра. В спектрофотометрии, в отличие от фотометрии, монохроматизация обеспечивается не светофильтрами, а монохроматорами, позволяющими непрерывно изменять длину волны. В качестве монохроматоров используют призмы или дифракционные решетки, которые обеспечивают значительно более высокую монохроматичность света, чем светофильтры, поэтому точность спектрофотометрических определений выше.
Спектрофотометрические методы, по сравнению с фотоколориметрическими, позволяют решать более широкий круг задач:
* проводить количественное определение веществ в широком интервал длин волн (185-1100 нм);
* осуществлять количественный анализ многокомпонентных систем (одновременное определение нескольких веществ);
* определять состав и константы устойчивости светопоглощающих комплексных соединений;
* определять фотометрические характеристики светопоглощающих соединений.
В отличие от фотометров монохроматором в спектрофо-тометрах служит призма или дифракционная решетка, позволяя-ющая непрерывно менять длину волны. Существуют приборы для измерений в видимой, УФ- и ИК-областях спектра. Принципи-альная схема спектрофотометра практически не зависит от спектральной области.
Спектрофотометры, как и фотометры, бывают одно- и двулучевые. В двулучевых приборах световой поток каким-либо способом раздваивают или внутри монохроматора, или по выходе из него: один поток затем проходит через испытуемый раствор, другой - через растворитель.
Однолучевые приборы особенно удобны при выполнении количественных определений, основанных на измерении оптической плотности при одной длине волны. В этом случае простота прибора и легкость эксплуатации представляют существенное преимущество. Большая скорость и удобство измерения при работе с двулучевыми приборами полезны в качественном анализе, когда для получения спектра оптическая плотность должна быть измерена в большом интервале длин волн. Кроме того, двулучевое устройство легко приспособить для автоматической записи непрерывно меняющейся оптической плотности: во всех современных регистрирующих спектрофото-метрах для этой цели используют именно двулучевую систему.
И одно-, и двулучевые приборы пригодны для измерений видимого и УФ-излучений. В основе ИК-спектрофотометров, выпускаемых промышленностью, всегда лежит двулучевая схема, поскольку их обычно используют для развертки и записи большой области спектра.
Количественный анализ однокомпонентных систем проводится теми же методами, что и в фотоэлектроколориметрии:
- методом сравнения оптических плотностей стандартного и исследуемого растворов;
- методом определения по среднему значению молярного коэффициента светопоглощения;
- методом градуировочного графика,
и не имеет никаких отличительных особенностей.
Спектрофотометрия в качественном анализе
Качественный анализ в ультрафиолетовой части спектра. Ультрафиолетовые спектры поглощения обычно имеют две-три, иногда пять и более полос поглощения. Для однозначной идентификации исследуемого вещества записывают его спектр поглощения в различных растворителях и сравнивают полученные данные с соответствующими спектрами сходных веществ известного состава. Если спектры поглощения исследуемого вещества в разных paстворителях совпадают со спектром известного вещества, то можно с большой долей вероятности сделать заключение об идентичности химического состава этих соединений. Для идентификации неизвестного вещества по его спектру поглощения необходимо располагать достаточным количеством спектров поглощения органических и неорганических веществ. Существуют атласы, в которых приведены спектры поглощения очень многих, в основном органических веществ. Особенно хорошо изучены ультрафиолетовые спектры аромати-ческих углеводородов.
При идентификации неизвестных соединений следует также обратить внимание на интенсивность поглощения. Очень многие органические соединения обладают полосами поглощения, максимумы которых расположены при одинаковой длине волны λ, но интенсивность их различна. Например, в спектре фенола наблюдается полоса поглощения при λ = 255 нм, для которой молярный коэффициент поглощения при максимуме поглощения εmах = 1450. При той же длине волны ацетон имеет полосу, для которой εmах = 17.
Качественный анализ в видимой части спектра. Идентификацию окрашенного вещества, например красителя, также можно проводить, сравнивая его спектр поглощения в видимой части со спектром сходного красителя. Спектры поглощения большинства красителей описаны в специальных атласах и руководствах. По спектру поглощения красителя можно сделать заключение о чистоте красителя, потому что в спектре примесей имеется ряд полос поглощения, которые отсутствуют в спектре красителя. По спектру поглощения смеси красителей можно также сделать заключение о составе смеси, особенно если в спектрах компонентов смеси имеются полосы поглощения, расположенные в разных областях спектра.
Качественный анализ в инфракрасной области спектра
Поглощение ИК-излучения связано с увеличением колебательной и вращательной энергий ковалентной связи, если оно приводит к изменению дипольного момента молекулы. Это значит, что почти все молекулы с ковалентными связями в той или иной мере способны к поглощению в ИК-области.
Инфракрасные спектры многоатомных ковалентных соединений обычно очень сложны: они состоят из множества узких полос поглощения и сильно отличаются от обычных УФ- и видимых спектров. Различия вытекают из природы взаимодействия поглощающих молекул и их окружения. Это взаимодействие (в конденсированных фазах) влияет на электронные переходы в хромофоре, поэтому линии поглощения уширяются и стремятся слиться в широкие полосы поглощения. В ИК -спектре, наоборот, частота и коэффициент поглощения, соответствующие отдельной связи, обычно мало меняются с изменением окружения (в том числе с изменением остальных частей молекулы). Линии тоже расширяются, но не настолько, чтобы слиться в полосу.
Обычно по оси ординат при построении ИК-спектров откладывают пропускание в процентах, а не оптическую плотность. При таком способе построения полосы поглощения выглядят как впадины на кривой, а не как максимумы на УФ-спектрах.
Образование инфракрасных спектров связано с энергией колебаний молекул. Колебания могут быть направлены вдоль валентной связи между атомами молекулы, в таком случае они называются валентными. Различают симметричные валентные колебания, в которых атомы колеблются в одинаковых направлениях, и асиммeтpичныe валентные колебания, в которых атомы колеблются в противоположных направлениях. Если колебания атомов происходят с изменением угла между связями, они называются деформационными. Такое разделение весьма условно, потому что при валентных колебаниях происходит в той или иной степени деформация углов и наоборот. Энергия деформационных колебаний обычно меньше, чем энергия валентных колебаний, и полосы поглощения, обусловленные деформационными колебаниями, располагаются в области более длинных волн.
Колебания всех атомов молекулы обусловливают полосы поглощения, индивидуальные для молекул данного вещества. Но среди этих колебаний можно выделить колебания групп атомов, которые слабо связаны с колебаниями атомов остальной части молекулы. Полосы поглощения, обусловленные такими колебаниями, называют характеристическими полосами. Они наблюдаются, как правило, в спектрах всех молекул, в которых имеются данные группы атомов. Примером характеристических полос могут служить полосы 2960 и 2870 см-1. Первая полоса обусловлена асимметричными валентными колебаниями связи С-Н в метильной группе СН3, а вторая - симметричными валентными колебаниями связи С-Н этой же группы. Такие полосы с небольшим отклонением (±10 см-1) наблюдаются в спектрах всех насыщенных углеводородов и вообще в спектре всех молекул, в которых имеются СН3- группы.
Другие функциональные группы могут влиять на положение характеристической полосы, причем разность частот может составлять до ±100 см-1, но такие случаи немногочисленны, и их можно учитывать на основании литературных данных.
Качественный анализ в инфракрасной области спектра проводится двумя способами.
1. Снимают спектр неизвестного вещества в области 5000-500 см-1 (2 - 20 мк) и отыскивают сходный спектр в специальных каталогах или таблицах. (или при помощи компьютерных баз данных)
2. В спектре исследуемого вещества отыскивают характеристические полосы, по которым можно судить о составе вещества.
















