50331 (666516), страница 2
Текст из файла (страница 2)
Перед оперативною пам'яттю (RAM - Random Access Memory) поставлена задача за вимогою процесора (CPU) надавати будь-яку інформацію, що зберігається в ній, причому робити це потрібно досить швидко, аби уникнути тривалого простою CPU. Особливістю RAM є те, що вона належить до сімейства динамічної пам'яті, тобто її вміст повинен перезаписуватися через визначений час, інакше інформація буде втрачена. Запам'ятовуючим елементом динамічної пам'яті (будь-якої, не тільки оперативної) є конденсатор, що може знаходитися або в зарядженому, або у розрядженому стані. Вважається, що в першому випадку в комірці пам'яті записана логічна одиниця (1), а в другому логічний нуль (0). В ідеальному конденсаторі заряд повинен зберігатися як завгодно довго. У реальному ж конденсаторі існує втрати потенціалу, й як наслідок записана інформація буде втрачена, тому інформацію треба постійно відновлювати (регенерувати).
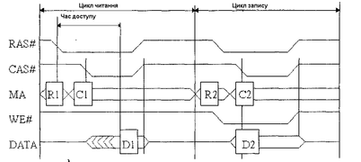
Уявити собі функції інтерфейсної логіки в найпростішому випадку можна, якщо розглянути звертання до пам'яті (рисунок 1.). Воно складається з декількох етапів. Спочатку вказується характер майбутньої операції (читання чи запис), потім передається адреса, за якою потрібно зробити обмін даними. Зовнішні (інтерфейсні) адресні лінії у чипів динамічної пам'яті загальні для рядків і стовпців. У зв'язку з тим, що адреси рядків і стовпців не використовуються одночасно, таке об'єднання дозволяє майже без втрат скоротити (ледве не вдвічі) кількість ніжок у ІC, а виходить, знизити вартість мікросхеми - адже вона не в останню чергу залежить від кількості ніжок! Таким чином, передача повної адреси відбувається в два етапи: спочатку передається одна адреса (рядка), а потім інша (стовпця). Для стробування кожної частини адреси служать, відповідно, сигнали RAS (Row Access Strobe) і CAS (Column Access Strobe; іноді розшифровують інакше - Column Access Select), їх активний (стробуючий) рівень звичайно низький. Для забезпечення надійного стробування ці сигнали подаються з затримкою, достатньою для завершення перехідних процесів у ланцюгах, у яких використовуються ці адреси. Оскільки контролер пам'яті, керуючий усім цим процесом, - пристрій синхронний, тобто спрацьовує винятково по тактових імпульсах, то на кожну операцію потрібно як мінімум такт.
Рис.1. Схема звертання до пам’яті
Якщо виконується цикл запису, то подається сигнал WR (Write) і інформація надходить на шину стовпця не з регістра, а з інформаційного входу пам'яті через комутатор, визначений адресою стовпця. Таким чином, проходження даних при записі визначається комбінацією сигналів адреси стовпця і рядка і дозволу запису даних у пам'ять. При записі дані з регістра рядка на вихід не надходять.
Важливою характеристикою елементів пам'яті є час доступу, що характеризується інтервалом часу, протягом якого інформація записується в пам'ять чи зчитується з неї. Час доступу в оперативній пам'яті виміряється в наносекундах. Сьогоднішні мікросхеми пам'яті мають час доступу близько 10 нс. У принципі, на материнську плату можна установити елементи пам'яті з трохи відмінним часом доступу, але це може привести до нестабільної роботи системи чи взагалі до її відсутності. У цьому випадку варто в CMOS Setup (енергетична пам’ять) установити параметри, які відповідають більш повільній пам'яті.
У процесі розвитку комп'ютерної індустрії з'явилися наступні основні типи мікросхем оперативної пам'яті:
6. Динамічна пам’ять (DRAM)
Буква "D" у найменуванні цієї пам'яті говорить про те, що вона динамічна, більшість застосовуваної в PC пам'яті, у тому числі й оперативної, є динамічною.
На дуже старих материнських платах (для CPU 8088 і 80286) мікросхеми DRAM встановлюються окремими DIP-мікросхемами (у виді жука), однак пізніше були розроблені SIP - і SIMM (однорядні) - модулі, що одержали більш широку популярність, у вигляді окремих плат із уже встановленою на них пам'яттю. Згодом SIMM-модулі також витиснули SIP-модулі, тому що ніжки SIP-модулів при їхній установці і вилученню часто обламувалися. Зрозуміло, що DRAM застаріла і знайти приклади її мікросхем для більш детального розгляду дуже складно.
7. SDRAM (Synchronous DRAM)
За увесь час не було іншої пам'яті, що набула таку велику популярність. Основна відмінність SDRAM від інших видів пам'яті полягає в тому, що всі операції в мікросхемах пам'яті синхронізовані з тактовою частотою CPU, тобто пам'ять і процесор працюють синхронно. Це досягається шляхом використання внутрішньої триступінчастої конвеєрної архітектури мікросхеми і чергуванням адрес. Технологія SDRAM дозволяє скоротити час, затрачуваний на виконання команд і передачу даних, за рахунок виключення циклів очікування. Існують модулі з SDRAM (вони називаються DІMM-модулями і мають 168 контактів, тоді як пам'ять типу EDO/BEDO/FPM DRAM трапляється в основному у вигляді 72-контактних SIMM-модулів), призначені для роботи на частотах 66, 100 і 133 MHz.
Відповідно пам'ять може відповідати специфікаціям РС66, PC 100 чи PC 133, причому перші дві вже не зустрічаються. До кінця 2000-го року для високопродуктивних комп'ютерів було стандартним поєднання Pentium ПІ/133 MHz - РС133 SDRAM, але, коли в 2006-у почали набирати обертів процесори Pentium IV і AMD Athlon с частотами вище 1 GHz, стало остаточно ясно, що технологія SDRAM іде зі сцени. Але в системах категорії Hi-End пам'ять типу SDRAM, яка стала за час свого існування настільки широко розповсюдженою, пальму першості вже поступилася. Далі будуть розглянуті дві порівняно нові технології, що претендують на місце в сучасному PC.
8. RDRAM (Rambus DRAM)
Одна з таких технологій - технологія пам'яті RDRAM), розроблена компанією Rambus і активно просувається на ринок компанією Intel, яка розробляє усі свої останні продукти з розрахунком на цю пам'ять. На відміну від SDRAM, RDRAM використовує більш вузьку (малорозрядну) магістраль даних. Це дозволило в кілька разів підвищити частоту, на якій функціонує пам'ять. Дані передаються двома пакетами за такт. У результаті пропускна здатність RDRAM у багато разів перевищує цей параметр у SDRAM.
9. DDR SDRAM (Double Data Rate SDRAM)
Новий тип пам'яті DDR SDRAM з'явився внаслідок покращення архітектури SDRAM, тому інша назва цього типу пам'яті - SDRAM II. Лідерство в розробці DDR SDRAM належить корпорації Samsung. Пам'ять типу DDR SDRAM може передавати і приймати дані по висхідному і спадному рівню сигналу шини.















