30988-1 (663193), страница 2
Текст из файла (страница 2)
Изобразим схему заданного АДС:
Задача№3
Синтез синхронного двоичного счётчика, выполняющего обратный счёт, с модулем счёта равным 14, используя триггеры типа JK и логику И-НЕ.
Решение
Используем триггеры типа JK.
Определим количество триггеров.
M = log2 14 = 4
Строится таблица переходов счётчика. При этом ипсользуется таблица переходов соответствующего триггера.
| Qt | Qt+1 | J | K |
| 0 | 0 | 0 | * |
| 0 | 1 | 1 | * |
| 1 | 0 | * | 1 |
| 1 | 1 | * | 0 |
Для счётчика с к = 14 таблица переходов будет выглядеть следующим образом:
| Q3 | Q2 | Q1 | Q0 | Q3' | Q2' | Q1' | Q0' | J3 | K3 | J2 | K2 | J1 | K1 | J0 | K0 |
| 0 | 0 | 0 | 0 | 1 | 1 | 0 | 1 | 1 | * | 1 | * | 0 | * | 1 | * |
| 1 | 1 | 0 | 1 | 1 | 1 | 0 | 0 | * | 0 | * | 0 | 0 | * | * | 1 |
| 1 | 1 | 0 | 0 | 1 | 0 | 1 | 1 | * | 0 | * | 1 | 1 | * | 1 | * |
| 1 | 0 | 1 | 1 | 1 | 0 | 1 | 0 | * | 0 | 0 | * | * | 0 | * | 1 |
| 1 | 0 | 1 | 0 | 1 | 0 | 0 | 1 | * | 0 | 0 | * | * | 1 | 1 | * |
| 1 | 0 | 0 | 1 | 1 | 0 | 0 | 0 | * | 0 | 0 | * | 0 | * | * | 1 |
| 1 | 0 | 0 | 0 | 0 | 1 | 1 | 1 | * | 1 | 1 | * | 1 | * | 1 | * |
| 0 | 1 | 1 | 1 | 0 | 1 | 1 | 0 | 0 | * | * | 0 | * | 0 | * | 1 |
| 0 | 1 | 1 | 0 | 0 | 1 | 0 | 1 | 0 | * | * | 0 | * | 1 | 1 | * |
| 0 | 1 | 0 | 1 | 0 | 1 | 0 | 0 | 0 | * | * | 0 | 0 | * | * | 1 |
| 0 | 1 | 0 | 0 | 0 | 0 | 1 | 1 | 0 | * | * | 1 | 1 | * | 1 | * |
| 0 | 0 | 1 | 1 | 0 | 0 | 1 | 0 | 0 | * | 0 | * | * | 0 | * | 1 |
| 0 | 0 | 1 | 0 | 0 | 0 | 0 | 1 | 0 | * | 0 | * | * | 1 | 1 | * |
| 0 | 0 | 0 | 1 | 0 | 0 | 0 | 0 | 0 | * | 0 | * | 0 | * | * | 1 |
| 1 | 1 | 1 | 0 | 0 | 0 | 0 | 0 | * | 1 | * | 1 | * | 1 | 0 | * |
| 1 | 1 | 1 | 1 | 0 | 0 | 0 | 0 | * | 1 | * | 1 | * | 1 | * | 1 |
Строим диаграмму Вейча-Карно для функции управления J и K каждого из триггеров, используя таблицу переходов счётчика.
По диаграммам выполним минимизацию соответствующих функций, то есть получаем минимальные дизъюнктивные нормальные формы для всех сигналов J и K.
| OO | O1 | 11 | 1O | OO | O1 | 11 | 1O | OO | O1 | 11 | 1O | OO | O1 | 11 | 1O | |||||||||||||||
| OO | 1 |
|
|
| OO | * | * | * | * | OO | 1 |
|
|
| OO | * | * | * | * | |||||||||||
| O1 |
|
|
|
| O1 | * | * | * | * | O1 | * | * | * | * | O1 | 1 |
|
|
| |||||||||||
| 11 | * | * | * | * | 11 |
|
|
| 1 | 11 | * | * | * | * | 11 | 1 |
| 1 | 1 | |||||||||||
| 1O | * | * | * | * | 1O | 1 |
|
| 1 | 1O | 1 |
|
|
| 1O | * | * | * | * | |||||||||||
| J3 = Q2*Q1*Q0 | K3 = Q2*Q1*Q0 Q1*Q0 | J2 = Q1*Q0 | K2 = Q1*Q0 Q3*Q1 | |||||||||||||||||||||||||||
| OO | O1 | 11 | 1O | OO | O1 | 11 | 1O | OO | O1 | 11 | 1O | OO | O1 | 11 | 1O | |||||||||||||||
| OO |
|
| * | * | OO | * | * |
| 1 | OO | 1 | * | * | 1 | OO | * | 1 | 1 | * | |||||||||||
| O1 | 1 |
| * | * | O1 | * | * |
| 1 | O1 | 1 | * | * | 1 | O1 | * | 1 | 1 | * | |||||||||||
| 11 | 1 |
| * | * | 11 | * | * | 1 | 1 | 11 | 1 | * | * |
| 11 | * | 1 | 1 | * | |||||||||||
| 1O | 1 |
| * | * | 1O | * | * |
| 1 | 1O | 1 | * | * | 1 | 1O | * | 1 | 1 | * | |||||||||||
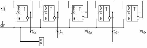
| J | K | J | K0 = 1 | |||||||||||||||||||||||||||
По полученным выражениям можно построить схему заданного счётчика:















