24947 (654543), страница 2
Текст из файла (страница 2)
Раздел 2. Исследование технического состояния аварийных участков набережной р. Омь
Исследование технического состояния аварийных участков набережной р. Омь проводилось с использованием нового диагностического оборудования, разработанного в СибАДИ при участии отв. исполнителя данной темы с. н. с. П.А. Самосудова, "Гром-103" и "Звук РС-5-5". Исследование набережной, согласно календарного плана, проводилось у причалов прогулочных судов по р. Омь (длина участка 400 м) и в районе дома № 23 по Иртышской набережной (длина участка 90м), прил.2.
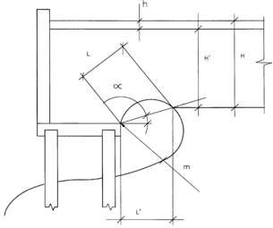
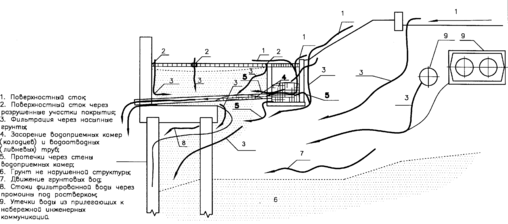
Исследование участков обрушении грунтов и разрушении конструкций проводилось от обреза Юбилейного моста до здания пассажирского речного порта по р. Омь шириной охвата 30-40 м. в сторону сквера и шагом поперечных профилей 1,5-2 м. В результате прозвучивания грунтов и конструкций удалось установить причины их разрушений, представленных на рис.2.1-2.6 Основными причинами разрушений явились ливневые водостоки и зазоры между шпунтовыми ограждениями набережной. На рис.2.1 показана схема перераспределения напряжений в грунте в процессе его вымывания. На рис.2.1 дана схема образования провала грунта на поверхности земли, показаны основные причины обрушения грунтов и их сдвижки при высоком и низком ростверке, что позволяет понять процессы разрушения набережной р. Омь. К ним относятся ливневые водостоки, движения воды, вызванные препятствиями и движение водных потоков, связанные с вращением гребных винтов прогулочных судов.
Рис 2.1 Схема перераспределений напряжений в грунте над вымытым грунтом.
Рис. 2.2 Схема к определению возможности образования провала на поверхности земли.
Рис. 2.3 Схема образования зон сдвижения грунтов над "низким" ростверком
Рис.2.4 Схема пневматического и прибойного разрушения грунтового основания
Рис.2.5 Схемы фильтрационного механизма разрушения грунтового основания при изменении уровня воды в реке
Рис. 2.6 Схема размыва грунта набережной на участке "опущеного" ростверка от поверхностного и подземного стока.
Раздел 3. Методы реконструкции набережной р. Омь
В таблице 2.1 предложены 7 вариантов восстановления набережной р. Омь с устройством грунтозащиты за шпунтом под ростверком, грунтозащиты перед шпунтом из сборных ж/б элементов, заделкой прозоров в шпунте со стороны акватории вяжущими полимерами, устройством заднего грунтозащитного экрана, шпунтом, навешанным на ростверк и грунтозащитным экраном парусного типа (рис.1-7). На рис.0 таблицы 2.1 дано существующее конструктивное решение набережной с высоким ростверком.
Заключение
В результате проведенного обследования были выявлены аварийные участки набережных р. Иртыша и р. Оми и определена очередность проведения работ по их реконструкции. Считаем целесообразным организовать инженерный контроль за состоянием набережных во все сезоны года, что позволит установить динамику процесса разрушения и своевременно принять меры профилактического характера.
После проведения инженерного контроля заказчику необходимо принять решение о выдаче проектному институту задания на разработку чертежей реконструкции набережных с использованием материалов данного обследования.
Таблица 2.1 Возможные способы восстановления поврежденных участков набережной на участке от моста "Юбилейный" до речного вокзала
Продолжение табл.2.1
Продолжение табл.2.1
Продолжение табл.2.1
Литература
-
Костерин Э.В., Тюменцева О.В. Методические указания к контрольным работам по дисциплине "Инженерная геология, дорожное грунтоведение и механика грунтов"
-
Маслов Н.Н. Основы инженерной геологии и механики грунтов. -М.: Высшая школа, 1982. - 341 с.
-
ГОСТ 25100-82. Грунты. Классификация.
-
Цытович Н.А. Механика грунтов. -М.: Высшая школа, 1983. - 288 с.
-
Костерин Э.В. Основания и фундаменты. - М.: Высшая школа, 1978. - 375 с.
-
Градостроительный кодекс РФ. - М.: "Проспект", 2001. - 72 с.















