85221 (630718), страница 3
Текст из файла (страница 3)
tx=Ux/Vмин
N=tx/T0=fotx=f0/Vмин*Ux
Причины возникновения погрешности:
-нестабильность ЛИН
-Настабильность частоты ГОЧ
-погрешность дискретности (Δ+-t0; δ=1/N)
20. ЦВ, исп. Метод двойного интегрирования.
Utx
T1*Ux=U0*T2
Ux=T2/T1*U0=N2*T0/N1*T0=U0/N1*N2
Uвып=∫Uxdt=Uxt
Прибор помехоустойчив
Причины возникновения погрешностей:
-интегратор не идеален.
-СУ имеет порог чувствительности
21. Цифровые интегрирующие вольтметры(с частотно-импульсными преобразованиями)
UxfxN
Fx=k*Ux
N=Tизм/Tx=Тизм*Fx=Tизм*K*Ux
Причины погрешности:
-неидеальность интегратора
-порог чувствительности СУ
-нестабильность U0
-нестабильность Тизм
-стандартная погрешность дискретности
Общие погрешности дост-т порядка 10-4 – 10-5
22. ЦВ уравновешивающего преобр-я
Погрешности: погрешности ЦАП и порог чувствительности СУ.
23. Структура и принцип действия универсального электронного осциллографа. Основные характеристики.
Универсальные С1-…
Для исследования периодических сигналов в полосе частот до 500 мГц. Амплитуда от мВ до 100В. Длительность сигнала от мс до с. Осциллограф в реальн. масштабе времени.
Y – канал вертикального отклонения:
1)ВУ обеспечивает высокое входное напряжение, коммутирующий емк-ть, открытый и закрытый вход, тут же стоит делитель.
2)ПУ- предварительный уселитель.
3)ЛЗ – линия задержки(не во всех приб.=0,1 мкс) для возможности просмотра переднего фронта импульса.
4)Вых У – выходной усилитель для усиления сигнала до полн.отклонения луча экрана.
Х – канал горизонтального отклонения:
ГР – генератор развертки. Для формирования пилообразного напряжения развертки, обеспеч. Линейного перемещения луча.
Тр=nTс, n=1,2,3
Tp=tпр+tобр
Изменяет масштаб изображения по горизонтали.
Требование:
-высокая линейность напряжения
-большой диапазон частоты
БС- блок синхронизации и запуска. Для получения устойчивого изображения сигнала.
УГО – усилитель горизонтального отклонения, увеличивает сигнал развертки, чтобы луч мог двигаться полностью по экрану.
Канал Z предназначен для установки яркости изображения.
КА и КД –калибраторы амплитуды(длительности). Для повешения точности измерения путем поминального значения коэффициента развертки.
Режим работы осциллографа:
1. Автоколебательный – режим непрерывной развертки. Для анализа периодических сигналов с небольшой скважностью.
2. Ждущий. Для исследования импульсов с большой скважностью.
3. Однократный(не во всех)
4. Растягивание во времени путем измен.коэф-та УГО.
5. Быстрой/медленной развертки(не во всех)
Виды развертки: Линейная развертка, круговая, спиральная.
Основные хар-ки:
1.АЧХ
2.Переходная – отклик на экране осциллографа на скачок напряжения на входе У
3. Коэффициент отклонения
Kо=1/Sч, Sч=Кус*Sэлт
Ко=U/ly [В/дел]-масштаб по У
4.Коэффициент развертки
Кр=tпр/lx [c/дел]
V=lx/tпр – скорость движения луча.
5. Zвх
НЧ Rвх>=1 МОм; Свх=30-50 пФ
ВЧ Rвх>=0,5 МОм; Свх = 3-5 пФ.
24. Осциллографические методы измерения параметров сигналов. Погрешности измерений.
1) U=Kотк[V/дел]*ly[дел]*Mo; Мо=1;10
2) t=Кр[c/дел]*lx[дел]*Мр
Погрешности
Систематические:
1)
Uизм*b=Uдейст
2)
3) случайная визуальная погрешность
Δобщ = 0,4*q/l
q – ширина луча(из пасп. данных)
25. Цифровые осциллографы
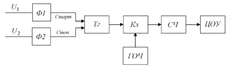
26. Времяимпульсный измеритель временных интервалов. Принцип действия, структура, погрешности.
tN
структурная схема:
Эпюр напряжения:
Погрешности:
-относительная нестабильность ГОЧ
-погрешность дискретности. Определяется значением периода счетных импульсов То.
-погрешность δф преобразования(нестабильность порога срабатывания формирователей)
27. Нониусный измеритель временных интервалов.
Данный метод позволяет уменьшить обе составляющие погрешности – в начале измеряемого интервала и в конце.
Реализация метода:
Импульс «старт» запускает генератор ГОЧ1. Импульсы с периодом Т1 поступают на счетчик СЧ1, где подсчитываются. Импульс «стоп» запускает ГОЧ2 с периодом повторения нониусных импульсов Т2 = Т1 - ΔT = Т1 -Т1/р, обычно р = 10,100. Число этих импульсов подсчитывает СЧ2. Импульсы с ГОЧ1 и ГОЧ2 поступают на входы схемы совпадения СС, на выходе которой при совпадении счетных и нониусных импульсов возникает импульс «останов», срывающий работу обоих генераторов. При этом количество импульсов N1 и N2 фиксируется счетчиками. Арифметическое устр-во АУ рассчитывает величину временного интервала
tx = (N1 -1)Т1 - (N2-1)Т2 =T1(N1-N2) + Т1/р(N2-1)
где величину ΔT =T1/p, определяющую шаг дискретизации, называют шагом нониуса.
Видно, что дискрет измерения tx уменьшается в р раз. Но выбирать большие значения р нецелесообразно, так как начинают преобладать другие виды погрешностей (нестабильность управляемых ГОЧ, погрешности определения момента совпадения импульсов и т. д.).
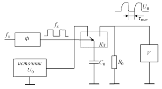
28. Электронные аналоговые частотомеры(в том числе резонансные)
1)Аналоговые электронные частотомеры применяются для измерений в более широком диапазоне частот (от 10 Гц до нескольких МГц). В основном используют преобразование частоты в напряжение, которое затем измеряется магнитоэлектрическим прибором.
Схема:
Формирователь Ф из входного сигнала формирует последовательность импульсов частотой fx, управляющем переключателем Кл. Работа основана на заряди емкости Со от источника образцового напряжения Uо с последующим разрядом через сопротивления Ro. На Ro формируются импульсы с постоянной площадью, среднее значение которых
Измеряется вольтметром V. Погрешность определяется в основном стабильностью Ro, Co, Uo и вольтметром. Классы точности 0,5-2,5.
2)Резонансные частотомеры
Работа прибора основана на явление резонанса в колебательном контуре.
Справедливо при резонансе, а значит fx=fp.
Метод в основном используется в диапазоне высоких и сверхвысоких частот (от МГц до десятков ГГц). Погрешность определяется добротностью контура, чувствительностью индикатора, точностью градуировки шкалы, температурой и влажностью окружающей среды. Классы точности частотомеров 0,05-0,5.
29. Цифровые частотомеры
В настоящее время нашли наиболее широкое распространение. Основаны на том, что для измерения частоты fx периодического сигнала достаточно сосчитать число его
периодов за известный интервал времени То . Результат измерения определяется соотношением
Схема:
Формирователь Ф из Uвх формирует импульсы с частотой fx. Устройство управления УУ формирует из стабильных колебаний генератора образцовой частоты ГОЧ с помощью делителя частоты ДЧ строб-импульс длительностью То, открывающий ключ Кл. За время То на счетчик Сч проходит N импульсов с периодом Тх. Обычно берут T = 10-к с (К = 0, 1, 2 . . .), тогда fx= N*10-k Гц. Значение множителя 10-k учитывается положением запятой или включением соответствующей надписи (Гц, кГц, МГц и т. д.) на цифровом отсчетном устройстве ЦОУ.
Погрешности:
-нестабильность ГОЧ
-погрешности дискретности
30. Цифровые фазометры с времяимпульсным преобразованием
Этот метод нашел широкое распространение, т. к. позволяет несколько уменьшить погрешность измерения по сравнению с рассмотренными ранее вилами фазовых измерения. При этом различают:
а) Фазометры с измерением за один период (фазометры мгновенных значений фазового сдвига).
Формирователь Ф и устройство управления УУ из входных сигналов создают последовательность импульсов с длительностью ΔТ. Ключ КЛ1 открывается на время Т, а КЛ2 на время ΔТ. Пропуская на счетчики СЧ1 и СЧ2 импульсы с частотой fo с генератора образцовой частоты ГОЧ. Счетчик СЧ1 осуществляет подсчет числа счетных NT, соответ периоду Т, а счетчик СЧ2- числа счетных импульсов NΔT, соответ. периоду ΔT. В АЛУ осуществляется вычисление величины фазового сдвига
которое отображается в цифровом отсчетном устр-ве ЦОУ.
Погрешность:
-нестабильность ГОЧ
-дискретность кодирования интервала
б) Фазометры с постоянным временем измерения (фазометры с усреднением ).
Формирователь Ф формирует импульсы длительностью ΔТ, пропорциональной измеряемому фазовому сдвигу. Ключ КЛ1 открывается на время ΔТ и пропускает N счетных импульсов частотой fо с генератора образцовой частоты ГОЧ. Ключ КЛ2 открыт на длительное время измерения Тизм , формируемое устройством управления УУ с помощью делителя частоты ДЧ из импульсов высокостабильного ГОЧ. При этом время Тизм для постоянной частоты входного сигнала обычно выбирается кратным периоду входных сигналов, т. е. Тизм = m-Т . Тогда счетчик за время Тизм подсчитает число импульсов:
n- коэффициент деления делителя частоты.
Недостаток: большое время измерения , зависящее от частоты исследуемого сигнала и необходимой точности измерений.
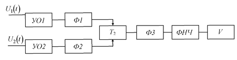
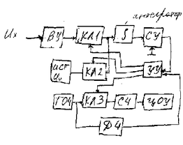
31.Фазометры с промежуточным преобразованием сдвига фаз в напряжение.
Структурная схема и эпюр:
Усилители - ограничители превращают входные синусоидальные сигналы в прямоугольные (меандры). Формирователи Ф1 и Ф2 получают последовательности коротких
импульсов, совпадающих во времени с моментами перехода входных напряжении через нуль с одинаковой, например, положительной производной. На выходе триггера создаются импульсы длительностью ΔT, характеризующей величину измеряемого фазового сдвига. Формирователь Ф3 стабилизирует размах Uм этого импульсного напряжения. Фильтр нижних частот ФНЧ выделяет среднее значение напряжения, которое измеряется вольтметром. При этом может быть использован как аналоговый, так и цифровой вольтметр. Постоянная составляющая импульсной последовательности:













