166284 (624974), страница 2
Текст из файла (страница 2)
Электролиз водных растворов хлорида натрия. При электролизе водных растворов хлорида натрия получают хлор, водород и едкий натр (каустическая сода).
Хлор – при атмосферном давлении и обычной температуре газ желто-зеленого цвета с удушливым запахом. при атмосферном давлении температура кипения хлора –33,6° С, температура замерзания -102° С. Хлор растворяется в воде, органических растворителях и обладает высокой химической активностью.
Хлор потребляется прежде всего химической промышленностью для производства различных органических хлорпроизводных, идущих для получения пластических масс, синтетических каучуков, химических волокон, растворителей, инсектицидов и т.п. В настоящее время более 60% мирового производства хлора используется для органического синтеза. Помимо этого хлор используют для производства соляной кислоты, хлорной извести, хлоратов и других продуктов. Значительные количества хлора идут в металлургию для хлорирования при переработке полиметаллических руд, извлечения золота из руд, а также его используют в нефтеперерабатывающей промышленности, в сельском хозяйстве, в медицине и санитарии, для обезвреживания питьевой и сточных вод, в пиротехнике и ряде других областей народного хозяйства. В результате развития сфер использования хлора, главным образом благодаря успехам органического синтеза, мировое производство хлора составляет более 20 млн. т/год.
Едкий натр, или каустическая сода, – кристаллическое непрозрачное вещество, хорошо растворимое в воде, имеющее при атмосферном давлении температуру плавления 328° С. В промышленности выпускается твердый едкий натр и его водные растворы. Едкий натр широко используется во многих отраслях промышленности – целлюлозно-бумажной, химических волокон, нефтеперерабатывающей, органического синтеза, мыловаренной, лакокрасочной и в ряде других.
Водород – газ, температура кипения которого при атмосферном давлении –252,8 °С. Водород используют для синтеза важнейших неорганических и органических продуктов: аммиака, метанола и других спиртов, для гидрогенизации жиров, твердых и жидких топлив, очистки нефтепродуктов и др.
Сырьем для производства хлора и щелочи служат, главным образом, растворы поваренной соли, получаемые растворением твердой соли, или же природные рассолы. Растворы поваренной соли независимо от пути их получения содержат примеси солей кальция и магния и до того, как они передаются в цеха электролиза, подвергаются очистке от этих солей. Очистка необходима потому, что в процессе электролиза могут образовываться плохо растворимые гидроокиси кальция и магния, которые нарушают нормальный ход электролиза. Очистка рассолов производится раствором соды и известковым молоком. Помимо химической очистки, растворы освобождаются от механических примесей отстаиванием и фильтрацией. Электролиз растворов поваренной соли производится в ваннах с твердым железным (стальным) катодом и с диафрагмами и в ваннах с жидким ртутным катодом. Промышленные электролизеры, применяемые для оборудования современных крупных хлорных цехов, должны иметь высокую производительность, простую конструкцию, быть компактными, работать надежно и устойчиво.
Электролиз растворов хлорида натрия в ваннах со стальным катодом и графитовым анодом позволяет получать едкий натр, хлор и водород в одном электролизере. При прохождении постоянного электрического тока через водный раствор хлорида натрия можно ожидать выделения хлора, а также кислорода:
2OH- – 2ē→1/2О2+Н2О
или
2Cl- – 2ē→Cl2
Нормальный электродный потенциал разряда OH – – ионов составляет +0,41 В, а нормальный электродный потенциал разряда ионов хлора равен +1,36 В. В нейтральном насыщенном растворе хлорида натрия концентрация гидроксильных ионов около 1·10-7 г-экв/л. При 25° С равновесный потенциал разряда гидроксильных ионов будет φар=0,82 В. Равновесный потенциал разряда ионов хлора при концентрации NaCl в растворе 4,6 г-экв/л равен φар=1,32 В. Следовательно, на аноде с малым перенапряжением должен в первую очередь разряжаться кислород. Однако на графитовых анодах перенапряжение кислорода много выше перенапряжения хлора и поэтому на них будет происходить в основном разряд ионов Cl- с выделением газообразного хлора по реакции (а). Выделение хлора облегчается при увеличении концентрации NaCl в растворе в следствии уменьшения при этом равновесного потенциала. Это является одной из причин использования при электролизе концентрированных растворов хлорида натрия, содержащих 310–315 г./л. На катоде в щелочном растворе происходит разряд молекул воды по уравнению
H2O + ē→H + OH-
Атомы водорода после рекомбинации выделяются в виде молекулярного водорода:
2H→H2
Разряд ионов натрия из водных растворов на твердом катоде невозможен в следствии более высокого потенциала их разряда по сравнению с водородом. Поэтому остающиеся в растворе гидроксильные ионы образуют с ионами натрия раствор щелочи. Процесс разложения NaCl можно выразить следующими реакциями:
2Cl- – 2ē→Cl2
Н2О + ē=2Н + ОН-
2H→H2
Просуммировав уравнения получим:
2Н2О + 2Cl-→ Cl2 + H2 + 2ОН-
или
2Н2О + 2NaCl→ Cl2 + H2 + 2NaOH
То есть на аноде идет образование хлора, а у катода – водорода и едкого натра. При электролизе наряду с основными описанными процессами могут протекать и побочные, один из которых описывается уравнением (б). Помимо этого, хлор, выделяющийся на аноде, частично растворяется в электролите и гидролизуется по реакции
Cl2 + Н2О↔НОCl + НCl
В случае диффузии щелочи (ионов ОН-) к аноду или смешения катодных и анодных продуктов хлорноватистая и соляная кислоты нейтрализуются щелочью с образованием гипохлорита и хлорида натрия:
НОC + NaOH=NaOC + Н2О
HCl + NaOH=NaCl + Н2О
Ионы ClO – на аноде легко окисляются в ClO3- Следовательно, из-за побочных процессов при электролизе будут образовываться гипохлорит, хлорид и хлорат натрия, что снижает выход по току и коэффициент использования энергии. В щелочной среде облегчается выделение кислорода на аноде, что также будет ухудшать показатели электролиза. Чтобы уменьшить протекание побочных реакций, следует создать условия, препятствующие смешению катодных и анодных продуктов. К ним относятся разделение катодного и анодного пространств диафрагмой и фильтрация электролита через диафрагму в направлении, противоположном движению ОН – – ионов к аноду. Такие диафрагмы называются фильтрующими диафрагмами и выполняются из асбеста.
4. Описание электролизера с твердым катодом
Электролизеры БГК-17 рассчитаны на номинальную нагрузку 25 кА. Она выпускается для работы при 750 и 900 А/м3, но могут работать и при более высокой плотности тока. Электролизеры этого типа предназначены в основном для цехов электролиза мощностью 25–100 тыс. т хлора в год.
В электролизерах типа БГК-17 применена конструкция разветвленного катода, состоящего из узких плоских катодных пальцев, выполненных из стальной сетки и расположенных в виде четырех или шести гребенок. Катоды электролизеров имеют стальной каркас, что обеспечивает ток по поверхности катода. При правильном соотношении объемов катодного и анодного пространства в этих электролизерах можно значительно увеличить рабочую высоту электродов без опасения снизить выход по току.
Конструкция катодного блока предусматривает повышенное газонаполнение в катодном пространстве и исключает возможность снижения давления фильтрации через диафрагму в нижней части. В электролизерах применен нижний подвод тока к анодам. Верхняя часть анодного пространства свободна от анодов и моет быть достаточно развита в высоту.
Электролизеры БГК-17 отличаются большой высотой, что обеспечивает компактность конструкции и высокие съемы продукции с единицы площади производственного здания при сравнительно невысокой плотности тока, пониженные удельные расход электроэнергии и затраты цветных металлов по сравнению с электролизерами других типов. Достигнута хорошая герметичность в местах соединений катодного блока с анодным комплексом и крышкой.
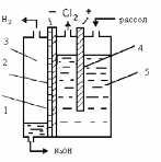
Схема устройства электролизера БГК-17 на нагрузку 25 кА показана на рис. 1.
1 – перфорированный катод, 2 – диафрагма, 3 – катодное пространство, 4 – анод, 5 – анодное пространство.
Рис. 1. – Электролизер вертикального типа
Катодный блок представляет собой стальной корпус, внутри которого в четыре ряда вмонтированы гребенки катодных пальцев представляющих собой сплющенные полые карманы, выполненные из металлических каркасов с натянутой на них стальной проволочной сеткой. Толщина катодных пальцев 20 мм. Крайние каркасы катодных гребенок приварены к продольным стенкам корпуса катода, два средних образуют двухстороннюю гребенку, приваренную к торцевым стенкам корпуса.
Внутреннее пространство катодных элементов в электролизере сообщается между собой, образуя общее катодное пространство, заполненное католитом, а в верхней части – водородом. Между двумя соседними катодными гребенками сохраняется циркуляционное пространство, свободное от электродов.
На сетчатую поверхность катода насасывается асбестовая диаграмма. В корпусе катода предусмотрен штуцер для присоединения к вакуумной линии при насасывании диафрагмы.
Анодный блок состоит из графитовых плит толщиной 50 мм и шириной 250 мм, монтируемых на стальном анодном днище, которое одновременно используется для подвода тока к анодным плитам с помощью специальных контактных устройств (без применения свинца).
Днище электролизера вместе с контактной частью анода для защиты от действия хлорсодержащего анолита заливают битумной массой специального состава, поверх которой наносят тонкий слой бетона. Битумная масса имеет температуру плавлении, удобную для ее нанесения и удаления. При комнатной температуре масса достаточно хрупка и легко удаляется пневматическим инструментом. Во время работы электролизера масса размягчается и заполняет все пустоты, поры и возможные трещины. При этом повышается ее адгезия к графиту и металлу и увеличивается надежность защиты анодного контакта.
Ток к анодного днищу подводится с помощью контактных пластин, приваренных к днищу электролизера, а ток к катоду – через пластины, приваренные к катодному корпусу.
При установке катодного блока на анодный комплект графитовые плиты располагаются в промежутках между пальцами катодных гребенок. При новых анодах расстояние между электродами составляет около 12 м. щелочь из катодного пространства сливается по нижнему штуцеру, соединенному сифонной трубой с капельницей. Уровень жидкости в катодном пространстве можно регулировать, меняя положение подвижной трубы для слива щелочи. Водород отводится из электролизера по верхнему штуцеру катодного блока.
Стенки корпуса катода подняты несколько выше катодных карманов и образуют надкатодную камеру и раструб для устранения крышки. Для защиты от действия хлора внутренние стенки раструба покрывают слоем бетона.
Бетонная крышка электролизера типа БГК-17 изготавливается в металлических формах. Для предотвращения от разрушения при действии кислого анолита и влажного хлора крышку выполняют из кислотобетона, стойкого в условиях работы электролизера. При использовании таких крышек исключается загрязнение анолита солями кальция и магния, как это происходит в результате коррозионного разрушения крышки в случае применения обычного бетона на портланд-цементе.
Крышка электролизера снабжена отверстиями для отвода хлора, подачи свежего рассола, установки термометра, измерителя уровня рассола и отбора проб анолита. После установки в раструбе катода крышка уплотняется специальной замазкой.
В последнее время в электролизерах БГК-17 с успехом стали применяться стальные гуммированные крышки, что облегчает конструкцию электролизеров, их монтаж и обслуживание.
Уплотнение между анодным комплектом и катодным блоком достигается за счет собственной тяжести катода с крышкой и с помощью дополнительной болтовой стяжки. Особая конструкция уплотнительного устройства в электролизере позволяет легко и надежно герметизировать стык между анодной и катодной частями электролизера и обеспечивает точность расположения анодов между катодными пальцами при сборке. Устройство для уплотнения исключает возможность течи электролита, что позволяет поддерживать чистоту и опрятный вид серии электролизеров во время их работы.
При примени сдвоенного сварного катода достигается максимальное развитие активной катодной поверхности и интенсивная естественная циркуляция электролита. Графитовые аноды с трех сторон окружены катодами, что также увеличивает рабочую анодную поверхность.
Надежный токопровод к анодам без применения свинца, подвод тока к катодной сетке через корпус катода и приваренный к нему каркас обеспечивают в электролизерах БГК назначенный перепад напряжения в контактах и подводе тока к электродам. Возможность при монтаже точного регулирования и фиксации положения анодов позволяет точно установить расстояние между электродами и снизить напряжение на электролизере.
Конструкция электролизера дает возможность работать при высокой температуре анолита – до 95–100 °С, что в свою очередь способствует снижению рабочего напряжения на электролизере и увеличению выходов по оку. Для уменьшении потерь тепла и улучшения санитарных условий работы в цехе электролиза наружные поверхности катода электролизера покрываются слоем тепловой изоляции. Электролизер компактен и полностью герметичен, что устраняет утечки электролитов и газов.









