165941 (624913), страница 4
Текст из файла (страница 4)
В данной работе использовались следующие эвристики:
-
Выбрать вариант теплообмена между потоками i и j, для которых начальные температуры максимальны.
-
Выбрать вариант теплообмена между потоками, который обеспечивает максимальное количество передаваемого тепла.
Выбор конкретной эвристики на каждом этапе синтеза осуществлялся с помощью равномерно распределенных в интервале [0,1] псевдослучайных чисел. Если выбранное псевдослучайное число А входило в интервал [0;0,5], то выбиралась 1-я эвристика, если оно входило в интервал [0,5;1], то выбиралась 2-я эвристика.
Синтез тепловой системы осуществлялся с применением электронных таблиц Excel на основе Задания и таблицы 3. Таблица исходных потоков приведена в таблице 5.
Таблица 5. Основные технологические потоки
| Холодные потоки | Горячие потоки | ||||||
| № | tхн, К | tхк, К | W, кВт/К | № | tгн, К | tгк, К | W, кВт/К |
| 1 | 333 | 688 | 46,024 | 1 | 858 | 733 | 44,413 |
| 2 | 773,1 | 693 | 44,068 | ||||
| 3 | 702,4 | 453 | 43,953 | ||||
| 2 | 324,6 | 688 | 41 | 4 | 698,7 | 678 | 40,923 |
| 5 | 678,3 | 448 | 40,923 | ||||
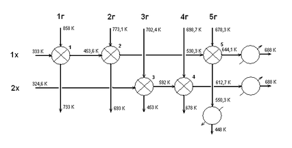
Разработанная тепловая система имеет следующий вид:
Площади поверхности теплообмена аппаратов приведены ниже.
-
Теплообменник 1: F=625,2 м² .
-
Теплообменник 2: F=663,1 м².
-
Теплообменник 3: F=4165 м².
-
Теплообменник 4: F=445,9 м².
-
Теплообменник 5: F=8967,9 м².
-
Холодильник: F=1055,7 м².
-
Нагреватель 1: F=1225,5 м².
-
Нагреватель 2: F=1578 м².
Приведенные затраты, связанные с эксплуатацией синтезированной тепловой системы составили 148919,3 ус.д.ед./год.
Выводы
В данной курсовой работе был проведен синтез ХТС с использованием различных методов обработки экспериментальных данных, а также принятых математических моделей аппаратов (РИВ). Синтез тепловой системы осуществлялся с помощью эвристического метода.
Расчеты реакторов РИВ показали, что равновесие в 1-м реакторе наступает достаточно быстро, и почти половина объема реактора не работает. Поэтому целесообразно было бы уменьшить объем 1-го реактора до V=45 м³, что привело бы к существенной экономии материалов. Среди недостатков данной ХТС можно указать также крайне низкую эффективность работы реакторов 4 и 5, а также абсорбера 2, что, в свою очередь, связано с низкой концентрацией компонента А в реакционной смеси и связанными с ней низкими скоростями процесса в реакторах и малым содержанием целевого компонента С в смеси, поступающей во 2 абсорбер. В то же время в смеси, выходящей из абсорбера 2, велико содержание компонента В, что весьма нежелательно. Устранить эти недостатки можно, увеличив концентрацию компонента А в свежей реакционной смеси либо обеспечив рециркуляцию реакционной смеси, содержащей избыток В с добавлением в нее свежих компонентов А и В до нужной концентрации, указанной в Задании.
Список используемой литературы
-
Саутин С.Н., Шибаев В.А., Левин В.Л. Исследование на ЭВМ кинетических закономерностей химических реакций. Метод. указ. - Л.: ЛТИ им. Ленсовета, 1988.
-
Холоднов В.А., Вениаминова Г.Н., Иванова Е.Н., Чепикова В.Н. Программные продукты Microsoft Office в химии и химической технологии. Обработка экспериментальных данных с использованием электронных таблиц Excel. Метод указ. – СПб.: СПГТИ(ТУ), 2002.
-
Кузичкин Н.В., Саутин С.Н., Холоднов В.А., Хартманн К. Синтез оптимальных тепловых систем. Метод. указ. – Л.: ЛТИ им. Ленсовета, 1985.
-
Химическая энциклопедия. В 5-и т.Тт.4,5/гл. ред. Зефиров. – М.: Изд-во «Большая Российская энциклопедия», 1995-1998.












