151847 (621991), страница 2
Текст из файла (страница 2)
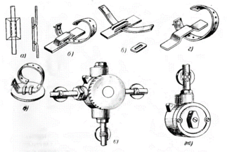
а) полоса монтажная; б) профиль U - образный; в) профиль С - образный; г) угольник неравнобокий; д) профиль Z - образный: е) рейка; ж) пряжка к перфорированным полоскам.
Распорные дюбеля и дюбеля, забиваемые ручной или пиротехнической оправкой и встреливаемые пистолетом, позволяют крепить детали с минимальной затратой времени. Помимо распорных металлических дюбелей с волокнистым заполнителем и с конической гайкой, используют капроновые дюбеля. Преимущество капроновых дюбелей устойчивость к динамическим нагрузкам и вибрации, высокая устойчивость против коррозии, возможность применения во влажных и химически активных средах.
Изделиями из полимерных материалов для крепления открыто прокладываемых проводов и небронированных кабелей по основаниям являются полиэтиленовые эластичные скобы и полиэтиленовые закрепы с зубчатыми полосками, пряжками. Эластичность скобки позволяет закладывать под неё провод или кабель как до, так и после её установки на дюбеле.
Рис.1.3.3. Пластмассовые закрепы и скобы, зубчатые полоски и их применение
а) закреп; б) зубчатая полоска; в) установка закрепа; г) бандажирование пучка проводов зубчатой полоской; д) крепление пучка проводов на закрепе зубчатой полоской; е) полиэтиленовая скоба и её применение.
Кабель закладывают под отогнутую скобку, предварительно закреплённую дюбелем к основанию. Скобка при этом защелкивает кабель и прижимает его к основанию благодаря своим пружинящим свойствам. Полиэтиленовый закреп к основанию закрепляют забиваемым оправкой дюбель-гвоздем, а на закрепе в свою очередь с помощью монтажных лент и полосок с пряжками бандажируют и закрепляют провода и небронированные кабели.
Эти бандажные полоски и ленты создают удобный и производительный способ крепления проводов и небронированных кабелей к предварительно заготовленным и закрепленным непосредственно к основанию металлическим полосам, струнам, лентам.
Рис.1.3.4 Крепление кабелей на металлических полосках и лентах.1 - полоса; 2 - дюбель-гвоздь; 3 - кабель; 4 - полоска с пряжкой.
С помощью бандажных лент и полосок производится также крепление проводов и небронированных кабелей к специальным полимерным деталям-держателям, приклеиваемым к строительному основанию клеящим составом на основе акриловой смолы с наполнителем из каолина — БМК-5к. Плоские провода закрепляют путем насаживания на держатель с кнопкой.
Рис.1.3.5 Крепление электроустановочных изделий приклеиванием и детали для приклеивания.
а) металлическая или пластмассовая деталь; б) деталь с перфорированной пластмассовой лентой; в) скобка с полоской; г) скобка с перфорированной лентой; д) пластмассовая штампованная деталь; е) крепление коробки приклеивания;
ж) крепление выключателя приклеиванием.
Лотки и короба в виде легких металлических конструкций для прокладки проводов и кабелей обладают преимуществами по сравнению со стальными трубами. Они удобны в монтаже, обеспечивают возможность прокладки по сложным трассам, свободный доступ и легкую замену проводов и кабелей.
Лотки комплектуются разделительными уголками, прижимами для крепления их к кабельным полкам, подвесками с пряжками для укладки кабелей и проводов на лотках и крепления их пучками бандажной лентой. Сборные кабельные конструкции стойки, полки и профили с закладными подвесками — предназначены для прокладки на них горизонтальных рядов кабелей и в вертикальной плоскости.
2. Электромонтажные приспособления и механизмы
2.1 Механизмы инструменты для пробивных и крепежных работ
При производстве электромонтажных работ в мастерских и непосредственно на объектах монтажа используют механизмы, инструменты и приспособления как общестроительного применения, так и специализированные электромонтажные.
Все машины, механизмы и средства механизации, применяемые в электромонтажном производстве, можно разделить на пять групп: механизированный и ручной инструмент, приспособления и другие средства малой механизации (электрифицированные, пневматические и пиротехнические инструменты, слесарномонтажный и режущий инструмент, монтажные инвентарные приспособления); сварочное оборудование (сварочные трансформаторы и генераторы постоянного тока, полуавтоматы для дуговой сварки в среде защитных газов, оборудование для газовой сварки и резки); специализированные автомашины и автоприцепы и передвижные мастерские; металлообрабатывающие станки и механизмы, сосредоточенные главным образом в мастерских на поточных технологических линиях и в ремонтных цехах (ножницы, прессы, шинотрубогибы, пальцы, листогибочные, сверлильные, обдирочные, заточные, токарные, фрезерные и строгальные станки); монтажные механизмы для разгрузочно-погрузочных и монтажных работ (автомобильные краны, краны на пневмоколесном ходу, трубоукладчики и тракторные краны, гидроподъемники и телескопические вышки, буровые и бурильно-крановые машины, кранПалки и электротали, аккумуляторные и автомобильные погрузчики, башенные краны и краны-погрузчики, тали и лебедки, блоки и полиспасты), а также общестроительные механизмы (тракторы, бульдозеры и др.).
В качестве средств механизации пробивных работ используют злектромагнитобуры, электросверлильные машины и электромолотки с рабочим инструментом (сверлами, буриками, шлямбурами, коронками), оснащенным пластинами из твердых сплавов, а также перфораторы, пневматический и пороховой инструмент.
2.2 Инструменты и механизмы для соединения и оконцовки кабелей
Клещи КСИ-1, предназначенные для снятия изоляции с концов проводов сечением 0,75...4 мм² и их перекусывания, состоят из трех частей, связанных между собой шарнирно: рычага для зажатия проводов, рычага с ножами для надреза изоляции и рычага с ползунком-эксцентриком, перемещающим прижим и фасонный нож в губках клещей.
Модернизированные клещи КСИ-2 с двумя ручками более производительны и удобны в работе. Перекусывание проводов производится ножами кусачек. Ножи сменяются по мере необходимости.
Инструмент МБ-2 предназначенный для снятия изоляции с двужильных плоских проводов с одновременным разрезанием перемычки между ними, выполняется в виде клещей с двумя ручками.
Пресс-клещи ПК-3 предназначены для опрессовки жил алюминиевых проводов с суммарным сечением 7,5; 13 и 20 мм² в гильзах марок ГАО-4, ГАО-5, ГАО-6 и медных жил сечением 4... 6 мм² в наконечниках типа Т и гильзах типа ГМ, а также для оконцовки медных многопроволочных жил сечением 1,5 и 2,5 мм² в кабельных кольцевых наконечниках П.
Пресс-клещи ПК-4 предназначены для опрессовки алюминиевых наконечников и соединительных гильз на проводах и кабелях сечением 16...35 мм² и гильз марок ГАО-5, ГАО-6, ГАО-8. Эти пресс-клещи имеют блокирующее устройство, которое не позволяет раскрывать их во время работы и снимать наконечник или гильзу до окончания опрессовки на требуемую глубину.
Пресс-клещи ПК-1 состоят из удлиненных рукояток с вилками, двух рычагов и блокирующего устройства. На рычагах закрепляются сменные пуансоны и матрицы. Блокирующее устройство не позволяет раскрывать клещи во время опрессовки и снимать наконечник или гильзу до ее окончания.
Пресс-клещи ПК-2М состоят из рычага, двух рукояток, головки, штока , двух тяг и блокирующего устройства. На штоке закрепляется пуансон, а на головке клещей устанавливается матрица.
Ручные механические прессы типов РМП-7 и РМП-22 предназначены для опрессовки алюминиевых и медных наконечников и соединительных гильз на проводах и кабелях, а также скругления секторных однопроволочных алюминиевых жил. Работают с использованием наборов инструментов НИСО и НИОМ.
Пресс гидравлический ручной типа ПГР-20М1 предназначен для опрессовки алюминиевых и медных наконечников и соединительных гильз на проводах и кабелях, а также скругления секторных однопроволочных и комбинированных алюминиевых жил с использованием набора инструментов типа НИСО и НИОМ.
Пресс пороховой типа ППО предназначен для выполнения оконцевания однопроволочных алюминиевых жил проводов и кабелей путем выштамповки контактной площадки с одновременной пробивкой отверстия.
Ножницы кабельные (секторные) типов НУСК-50, НУСК-ЗООм, НС-2, НС-3 предназначены для перерезания проводов и кабелей с медными и алюминиевыми жилами.
Наборы инструментов типов НИОМ и НИСО предназначены для выполнения оконцеваний и соединений алюминиевых и медных жил способом опрессовки в комплекте с прессами типа ПГР-20М1, РМП-7, РМП-22. Наборы состоят из комплектов матриц и пуансонов.
3. Линии заготовки и технологической обработки элементов осветительных электроустановок
Большую роль в индустриализации электромонтажных работ играют мастерские электромонтажных заготовок (МЭЗ) — производственная база электромонтажных организаций. В мастерских выполняют сборку укрупненных монтажных блоков, заготовку трубных трасс и шин, сборку ошиновки, заготовку электропроводок, комплектных линий и элементов заземляющих устройств, ревизию и зарядку светильников, сборку их в блоки, а также изготавливают нестандартные изделия и конструкции.
Предварительная сборка оборудования, конструкций и изделий в укрупненные блоки и увеличение выпуска электромонтажных заготовок определяют получение значительного экономического эффекта. Работы выполняются в мастерских с применением механизмов и приспособлений заблаговременно, еще до готовности к монтажу строительных сооружений. Для монтажа электрических конструкций, оборудования и сетей, предварительно скомплектованных в укрупненные блоки, требуется меньшее число рабочих и более короткие сроки.
Заготовительные сварочные работы в МЭЗ выполняются на механизированных поточных технологических линиях, оснащенных высокопроизводительными инструментами и приспособлениями. Кроме обработки проводов и кабелей и маркировки заготовок бирками на технологических линиях или стендах (при малом объеме работ) производится комплектация узлов электропроводок и целых линий в контейнеры вместе с крепежными деталями, конструкциями и изделиями, которые затем транспортируются к месту производства работ.
Основным направлением в индустриализации монтажа электросетей является централизованная стендовая заготовка элементов электропроводок и кабельных линий. Заготовленные линии электропроводок вместе с установочными изделиями и приборами, крепежными деталями и конструкциями заводского изготовления укладывают в контейнеры и доставляют к месту монтажа.
Предварительная заготовка труб и сборка трубных блоков производится в мастерских отдельных монтажных организаций централизованно для всех монтажных объектов по замерам или чертежам рабочего проекта и журналам заготовки труб.
Блоки значительной протяженности для удобства транспортировки на машинах собирают из разборных секций. Отдельные трубные участки изготавливают и собирают в комплекте с соединительными ответвительными коробками и затянутыми проводами.
Одиночные шины, элементы ошиновки и комплектные шинные устройства заготавливаются и собираются в мастерских по чертежам проекта или по снятым с натуры замерам. Элементы ошиновки собираются вместе с опорными конструкциями, изоляторами, шинодержателями и другими деталями. Комплектные шинные устройства, например ошиновки трансформаторов, состоят из смонтированных на каркасе разъединителей с приводом, самой ошиновки на опорных изоляторах и проходной плиты.
Открытые шинные магистрали для канализации электроэнергии от внутрицеховых подстанций до распределительных пунктов цехов заготавливаются в мастерских, наматываются на кассеты и транспортируются на монтаж в комплекте с натяжными устройствами, компенсаторами и другими деталями.
Многопанельные щиты собираются укрупненными блоками по несколько панелей в блоке, исходя из условий транспортировки и монтажа на месте (размеров щитовых помещений, монтажных проемов, необходимости использования подъемных механизмов), с полностью законченной ошиновкой, вторичными проводками и предварительной наладкой.
В местах разъема блоков все стыки шин и связи вторичных цепей на время перевозки маркируются и разъединяются. Монтаж блоков и сборка их в щиты производятся на закладных металлоконструкциях, заранее установленных при строительстве помещения, и сводятся только к установке, восстановлению межблочных связей по маркировке и присоединению проводов и кабелей внешней связи.
Панели магнитных станций собираются на конструкциях, укомплектованных необходимыми скобами, бирками и оконцевателями для отходящих фидеров. Ящики сопротивлений устанавливаются на конструкциях, и по монтажным рейкам прокладываются провода связи между ними и панелями магнитных станций.
В мастерских выполняются и другие заготовки: блоки для силовых и осветительных электроустановок (например, блоки магнитных пускателей, собираемые вместе с пусковыми кнопками на конструкциях из перфорированного профиля, с выполненными внутри соединениями, маркировкой и надписями); элементы заземления с опорными и закладными деталями; кабельные заготовки в виде пакетов контрольных и специальных кабелей; блоки цеховых троллеев, в состав которых входят опорные конструкции с установленными на них золяторами, троллеедержателями и компенсаторами; окрашенные токопроводы длиною 6 м; вспомогательные уголки для сварки соседних участков троллеев встык и планки для подсоединения питания к троллеям и др.
Централизованная заготовка и обработка электропроводок и комплектных осветительных линий производится на стендах и технологических линиях в монтажных мастерских. Заводами также выпускаются специальные механизмы, которыми комплектуются эти линии.
4. Правила пользования электромонтажными механизмами и инструментами
Правильная эксплуатация механизированного инструмента и средств малой механизации заключается в регулярном уходе за ними, соблюдении установленных режимов работы и смазывании.
Электрические машины и электрифицированный инструмент. Перед выдачей электрических машин для производства работ проверяются специальными приборами на стенде или мегомметром исправность их электрической (сопротивление изоляции, наличие и исправность заземления, целость изоляции кабеля и др.), а также механической частей (надежность крепления резьбовых соединений, исправность редуктора, наличие смазки в подшипниках и зубчатых передачах, правильность заточки и установки рабочего инструмента). Перед началом работы необходимо убедиться в соответствии напряжения машины напряжению сети, исправности заземления и проверить работу машины на холостом ходу.
Правильная эксплуатация электрифицированного инструмента обеспечивается также соблюдением установленной продолжительности его включения и чистотой содержания, т. е. своевременным удалением стружки, пыли, строительной мелочи. В процессе эксплуатации необходимо следить за состоянием смазки всех узлов машин и при необходимости заменять ее. Смазку электросверлильных машин обычно меняют через каждые 200 ч работы. Постоянное смазывание шарикоподшипников и шестерен обеспечивается запасом среднеплавкой смазки УС-3, находящейся в гнездах подшипников и редукторе и добавляющейся один раз в два месяца.















