299573 (621942), страница 5
Текст из файла (страница 5)
На НС встановлені синхронні двигуни ВДС-325\29-24, таким чином регулюючи струм збудження – компенсуємо реактивну потужність. Тож розрахунок непотрібний.
Крім компенсації реактивної потужності в розподільних мережах з використанням статичних конденсаторів, економію електроенергії можна забезпечити проведенням наступних організаційних і технічних заходів:
1 Удосконалення технології виробництва з ціллю забезпечення
завантаження електродвигунів в межах 70-80% їх номінальної потужності, що відповідає максимальним значенням ККД ЕД при роботі.
-
Комплексній автоматизації технологічних процесів, що забезпечує зниження витрати електроенергії на 5-10%.
-
Обґрунтований вибір потужності ЕД з урахуванням дійсного режиму роботи (тривалого S1, короткочасного S2 тощо) і завантаження в приводі технологічного обладнання.
-
Прийняття мір по зниженню тривалості роботи на холостому ході ЕД, силових і зварювальних трансформаторів.
5 Застосування енергозберігаючих асинхронних ЕД, що мають високий ККД і коефіцієнт потужності, наприклад АД з частотою обертання 3000 об/хв.
6 Застосування регульованого електропривода робочих машин і механізмів і раніш всього насосів, вентиляторів і компресорів.
7 Застосування замість асинхронних синхронних електродвигунів з використанням їх можливостей по компенсації реактивної потужності.
8 Використання електронагрівальних установок з акумуляцією тепла, а також їх роботи за принципом теплової насосної установки (ТНУ).
9 Забезпечення суворого обліку витрати електроенергії з використанням багато тарифних електронних лічильників з класом точності не більше 1,0.
6 ОХОРОНА ПРАЦІ ТА ДОВКІЛЛЯ
6.1 Обґрунтування вибору і призначення пристроїв технічної безпеки
Аналіз небезпечності враження людини електричним струмом може бути найбільш повним у тому випадку, коли будуть враховані по можливості усі об'єктивні фактори, які впливають на електротравму. Тільки в цьому випадку можна найбільш правильно визначити профілактичні і захисні міри в електроустановках.
Аналіз електротравматизму людей в сільськогосподарському виробництві показав, що електротравматизм переважає при експлуатації електроустановок напругою до 1000 В. Найбільше небезпечне випадкове торкання людей до струмоведучих частин електроустановок у вологих, особливо вологих і особливо вологих з хімічно активним середовищем, а також торкання до струмоведучих частин електроустановок, встановлених під навісом або на відкритому повітрі. В такій аварійній ситуації людина попадає під фазну напругу 220 В, а струм через її тіло досягає максимальної величини і значно перевищує допустимий невідпускаючий струм 5,5-15 мА. [16]
Для захисту персоналу у виробничому цеху від враження електричним струмом наряду з захисним залученням, заземленням, застосуванням автоматичних вимикачів і запобіжників використовується пристрій захисного відключення.
Пристрій призначений для захисту людей і тварин. Він забезпечує швидке автоматичне відключення електроустановки при виникненні умов враження електричним струмом.
Такі умови виникають при одно- або двофазному замкненні на корпус чи на землю; при зниженні опору ізоляції електрообладнання нижче небезпечного рівня; при торканні людини безпосередньо до струмоведучих частин, які знаходяться під напругою.
Система захисного відключення по струму витоку автоматично контролює
стан ізоляції і зменшує можливість виникнення пожеж.
Захисне відключення - найбільш ефективний вид захисту при самих небезпечних ситуаціях: випадковому торканні людиною або твариною струмоведучих частин електроустановки, при якому ні захисне занулення, ні заземлення не може забезпечити захист від враження електричним струмом. Плавкі вставки запобіжників і автоматичні вимикачі, які вибираються по струмам навантаження і короткого замкнення, спрацьовують і вимикають електроустановку при струмах, які у багато разів перевищують максимально допустимі по критеріям безпечності.
Таким чином, основні переваги захисного відключення - швидкодія і автоматичне спрацьовування в аварійних ситуаціях.
Найбільше поширення отримали пристрої захисного відключення типу РУД-022, РУД-024, РУД-05УЗ і ЗОУП-25, але пристрій DFS4 більш сучасний і надійний.
Сучасні стандарти більшості світу, пред'являють все більш високі вимоги до підвищення безпеки роботи персоналу і зростанню економічної ефективності. Ці фактори обумовлюють потребу в захисті і спостереженні за електрообладнанням. Ці функції виконує прилад УЗДР-8.
При всій універсальності реле контролю фаз перевіряє параметри тільки живлячої мережі. Але можливі такі ситуації, кили вони відповідають нормі, а навантаження знаходиться в аварійному або перед аварійному стані, наприклад перегрів електродвигуна при перевантаженні. Крім цього при зниженні опору ізоляції, можливо ураження обслуговуючого персоналу струмом. Пристрій захисту слідкує не тільки за станом живлячої мережі, але і за навантаженням.
Прилад УЗДР-8 являється малогабаритним сигнально-командним пристроєм, призначений для захисту електродвигунів або іншого навантаження шляхом їхнього аварійного вимикання.
Прилад видає команду на вимикання при виникненні наступних ситуацій:
1) Невірний порядок чередування фаз;
2) Обрив фази;
3) Вихід напруги за встановлені межі;
4) Перекіс напруги на фазах;
5) Перекіс по струму споживання на фазі;
6) Перевищення номінального струму споживання;
7) Перегрів обмотки статора електродвигуна або захищаючого об’єкта.
Прилад формує попередню команду на заборону включення навантаження (блокування пуску) в наступних випадках:
1) Неправильний порядок чередування фаз;
2) Підвищений струм витоку ізоляції обмотки статора електродвигуна або кабелю, з’єднуючого магнітний пускач з електродвигуном або навантаженням;
3) Обрив фаз;
4) Вихід напруги за встановлення межі;
5) Перекіс напруги на фазах;
6) Перегрів обмотки статора електродвигуна або захищаючого об’єкта.
Прилад застосовується в поєднанні з магнітними пускачами з котушками вмикання на напругу 220-380 В, 50 Гц.
Таблиця 6.1-Технічні характеристики пристрою УЗДР8
| Напруга живлення | ~180-240В, 50-60Гц |
| Споживана потужність, не більше | 2 Вт |
| Максимальна потужність захищає мого навантаження з трансформаторами струму ASM-100 | 60Вт |
| Навантаження на контакти внутрішнього реле при напрузі 200/380В, не більше | 2,5/1,5А |
| Час підготовки пристрою до роботи, не більше | 5 сек. |
| При повторних пусках після спрацювання захисту, не більше | 10 сек. |
| Максимальна довжина дротів між приладом і датчиком температури | 5 м. |
| Між приладом і датчиком струму | 1,5 м. |
| Температура аварійного відключення навантаження | Регулюється, 10-125˚С |
| Робочий опір ізоляції, не менше | 500 кОм |
| Час спрацювання приладу:
| 0,5 сек. Залежить від величини перевантаження 0-10 сек. 0-10 сек. |
| Умови експлуатації:
| -25…+50˚С 95% 86-106,7 кПа |
| Маса приладу, не більше | 120 г. |
| Точність показання приладу, не більше | ±5% |
| Габаритні розміри (висота ×ширина×глибина) | 90×67×65 мм. |
6.2 Технічні дані пристроїв захисного відключення
В таблиці 6.2 наводимо технічну характеристику професійного пристрою захисного відключення DFS4.
Таблиця 6.2- Технічні дані DFS4.
| Полюса | Чотирьох полюсний |
| Номінальна напруга | 230V~/400V~ |
| Номінальна частота | 50 Hz |
| Максимальна робоча напруга | Uм+10% |
| Діапазон робочих напруг для випробовування обладнання. | 100V~/250V~ |
| Стійкість до імпульсних струмів | 10 кА |
| Розрахунковий струм к.з. | 250 А струм головного розряду блискавки 8120 |
| Температура навколишнього середовища | Від -25˚С до +40˚С |
| Вид захисту | ІР40 |
| Мінімальний переріз з'єднувального кабелю | 50 мм2 |
| Термін служби (механічний) | 5000 спрацювань |
| Монтаж | Відповідно DIN VDE 0664, EN 61008, IEC 1008 |
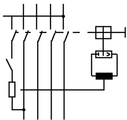
Рисунок 6.1—Схема електрична принципова, підключення пристрою DFS4
6.3 Опис конструкції
Пристрої захисного відключення являються високочутливими реле, які відключають через комутаційний апарат електроустановку в трифазних чотирьохпровідних мережах з глухозаземленою нейтраллю, при виникненні струмів витоку небезпечної величини.
Виконавчий орган пристрою має чотирьохполюсне виконання, яке дозволяє здійснювати розрив фазного і нульового проводів, що виключає занос електричних потенціалів через мережі занурення з других об'єктів. Для пристроїв захисного відключення побутових об'єктів і однофазних виробничих установок застосовується двохполюсний виконавчий орган.
Чутливий командний орган пристрою має практично не залежні від температури і вологості навколишнього середовища захисні характеристики, допускає відхилення напруги мережі від номінального у межах від -15 до +10% і повністю відстроєний від несиметричних навантажень або струмів небалансу, які можуть викликати помилкові спрацьовування.
Датчиком струму утікання на землю для мереж з глухозаземленою нейтраллю служить диференційний трансформатор струму (ДТС), реагуючий на різницю струмів нульової послідовності.
Пристрої захисного відключення у даний час виготовляють як для самостійної установки з відповідними комутаційними апаратами, так і вмонтовані.
УЗДР-8 являє собою пристрій захисту електродвигуна, він розділений на два модуля: датчиків струму і електронний. Модуль датчиків містить в своєму складі три трансформатора струму і схему, яка передає інформацію в електронний модуль. Крім цього сигналу до електронного модулю підключаються дроти живлячої, контролюючої мережі, термодатчика, контролю опору ізоляції і виконавчого пристрою, на лицевій панелі пристрою захисту електродвигуна розміщується кнопки керування індикаторна панель, яка відображає режими роботи і причини аварійних станів системи.
6.4 Електрична схема і принцип дії
При відсутності замкнень або витоку струму на землю на вторинній обмотці трансформатора напруга не індукується, а в разі замкнення рівновага струмів порушується і частина струму (по землі або спеціальному п'ятому проводу) в нейтраль силового трансформатора. У вторинній обмотці диференціального трансформатора індукується напруга, яка після підсилення подається на проміжне реле, а з нього на котушку розчіплювача або котушку дистанційного керування комутаційним апаратом. Пошкоджена електроустановка миттєво відключиться, якщо величина вторинного струму перевищує струм спрацьовування уставки. Електричну схему підключень пристроїв захисного відключення наводимо на аркуші 6 графічної частини проекту.
6.5 Місце встановлення і особливості експлуатації















