151597 (621823), страница 3
Текст из файла (страница 3)
Здесь
;
;
.
На предприятии цеха №8 имеют большие тепловыделения. Для цехов с большими тепловыделениями относительная нагрузка определяется по зависимости:
Для цеха №8
;
Система отопления отключается при температуре наружного воздуха:
Для цеха №8
;
При чисто качественном регулировании нагрузки этих цехов температуры сетевой воды имели бы значения
и
. Если организовать только центральное регулирование, будет иметь место так называемый "перетоп" помещений цеха №8.
Для снижения отопительной нагрузки в этих условиях следует ввести местное количественное регулирование – уменьшение расхода сетевой воды на этот цех по мере повышения наружной температуры вплоть до полного отключения подачи воды при
, соответственно для цеха №8.
Закономерность снижения расхода для водяной системы отопления:
,
Для цеха №8
;
Температура обратной воды в местной отопительной системе
при этом определяется по формуле:
.
Для цеха №8
;
Примем минимальную температуру
. при
<
расход корректируется по формуле:
Тогда
Для определения расхода сетевой воды определим расчетный расход на цеха №8 и остальные объекты предприятия:
;
Для цеха №8:
;
.
Для остальных объектов предприятия:
.
Расчетные температуры сетевой воды для вентиляционных калориферов берутся из отопительного графика при
, т.е.
,
;
Определение температуры сетевой воды за вентиляционными калориферами
определяется по формуле:
Уравнение решается последовательным приближением по
т.о.,
Расчетный расход сетевой воды на вентиляцию:
.
Расход воды при данной температурах наружного воздуха:
.
Относительный расход воды в системе вентиляции
.
Расход сетевой воды на системы отопления при центральном качественном регулировании по отопительной нагрузке будет постоянным:
Максимальный суммарный расход сетевой воды:
Температура сетевой воды в обратной линии тепловой сети определяется как температура смеси:
Графики регулирования представлены на рис. 3.
3. Гидравлический расчёт
3.1 Гидравлический расчёт водяной тепловой сети
Исходными данными для расчета являются: схема тепловой сети, длины участков и расходы воды у потребителей. Эти данные приведены на рис. 4. Помимо задвижек и вентилей, указанных на схеме сети, на каждые 100 м трубопроводов сети в среднем установлено по одному сальниковому компенсатору и по сварному трехшовному колену.
Расходы воды у потребителей определяются тепловыми нагрузками потребителей, температурным графиком сети, схемой подключения потребителей к сети и способом регулирования.
Рис. 4. Схема водяной тепловой сети
Гидравлический расчет сети выполняется на максимальный расход сетевой воды.
Так, при параллельном подключении к водяной тепловой сети систем водяного отопления и вентиляции и центральном качественном регулировании по отопительной нагрузке, максимальный расход в сети, будет при температуре наружного воздуха, равной расчетной температуре для вентиляции tно (из графиков регулирования) и определяется как
.
Для цеха №2
;
Для цеха №3
;
Для цеха №5
;
Для цеха №6
;
Для цеха №9
.
Расчёт главной магистрали.
За направление главной магистрали выбираем направление О-5.
Участок Г-5:
Длинна участка Г-5
; расход воды
.
-
Определение диаметра участка.
Предварительная оценка диаметра участка выполняется по формуле:
.
- удельное падение давления на участке; предварительно принимаем на основе рекомендаций.
Ближайший стандартный внутренний диаметр
.
-
Действительное удельной падение давления определяется по формуле:
.
-
Определение эквивалентной длины местных сопротивлений
где
.
На участке имеются задвижка, вентиль, тройник, 3 компенсатора, 3 трёхшовных колена. Их коэффициенты местных сопротивлений имеют следующие значения:
-
Падение давления на участке:
.
Результаты расчёта остальных участков магистрали сведены в таблицу 6.
Расчёт ответвлений.
Ответвление Г-4:
Длина ответвления Г-4
; расход воды
.
-
Падение давления на ответвлении:
.
-
Удельное падение давления
, где
(предварительно оценивается).
-
Диаметр ответвления:
Ближайший стандартный внутренний диаметр
.
-
Эквивалентная длина местных сопротивлений ответвления:
-
Действительное удельной падение давления определяется по формуле:
.
-
Уточнение падения давления на ответвлении:
.
Результаты расчёта остальных ответвлений сведены в таблицу 6.
Пьезометрический график представлен на рис. 5.
| Участок | Длина участка l, м | Расход теплоносителя G, кг/с | Результаты | |||||||
| предварительного расчёта | окончательного расчёта | |||||||||
| Rл,Па/м | d, м | dГОСТ, м | Rлд,Па/м | lэ, м | lп, м | ΔР, Па | ||||
| Магистраль | ||||||||||
| ОА | 450 | 42,93 | 80,000 | 0,216 | 0,259 | 30,32 | 116,8 | 566,8 | 17187,9 | |
| АБ | 50 | 39,35 | 80,000 | 0,209 | 0,259 | 25,48 | 10,3 | 60,3 | 1537,1 | |
| БВ | 100 | 25,01 | 80,000 | 0,176 | 0,184 | 61,95 | 12,9 | 112,9 | 6993,4 | |
| ВГ | 100 | 16,76 | 80,000 | 0,151 | 0,175 | 36,20 | 12,4 | 112,4 | 4068,1 | |
| Г-5 | 350 | 10,05 | 80,000 | 0,124 | 0,125 | 76,14 | 41,6 | 391,6 | 29819,3 | |
| Ответвления | ||||||||||
| Г-4 | 200 | 6,71 | 112,96 | 0,099 | 0,100 | 109,53 | 42,0 | 242 | 26503,8 | |
| В-3 | 150 | 8,25 | 132,53 | 0,104 | 0,125 | 51,31 | 52,3 | 202,3 | 10379,1 | |
| Б-8 | 100 | 14,34 | 272,54 | 0,112 | 0,125 | 155,03 | 56,0 | 156,0 | 24188,2 | |
| А-9 | 50 | 3,58 | 565,57 | 0,057 | 0,70 | 202,81 | 23,1 | 73,1 | 14832,6 | |
Таблица 6 Результаты гидравлического расчёта водяной сети промпредприятия
Рис. 5. Пьезометрический график
3.2 Гидравлический расчёт паровой сети
Пар поступает к потребителям в насыщенном состоянии. Параметры пара у абонентов
,
. От источника пар отпускается с параметрами
,
.
Расчет главной магистрали.
Расчет участка Г-5.
Длина участка Г-5
, расход пара на технологические нужды цехом 5
, расход пара для систем горячего водоснабжения
. Расход пара на участке
.
-
Определение средней плотности на участке.
Среднее давление на участке
.
Удельное падение давления на участке
принимаем в первом приближении как среднее для магистрали:
;
.
Средняя температура на участке
.
Средняя плотность на участке
.
-
Определение диаметра участка
;
при
, рекомендуется для паропроводов.
;
.
.
Ближайший стандартный внутренний диаметр
.
-
Действительное удельное падение давления
.
-
Определение эквивалентной длины местных сопротивлений.
На участке имеются задвижка, вентиль, тройник, 2 компенсатора, 2 трёхшовных колена.
Их коэффициенты местных сопротивлений имеют следующие значения:
.
-
Падение давления на участке
-
Давление в узловой точке
.
Результаты расчётов остальных участков магистрали сведены в таблицу 7.
Расчёт ответвлений.
Ответвление Г-4.
Длина участка Г-4 l=200 м; расход пара на технологические нужды цехом 5
, расход пара для систем горячего водоснабжения
.Расход пара на участке
.
-
Падение давления на ответвлении
.
-
Удельное падение давления
.
-
Средние параметры на ответвлении
-
Средняя плотность на участке
кг/м3. -
Определение диаметра ответвления
;
.
-
Действительное удельное падение давления
.
-
Определение эквивалентной длины местных сопротивлений
.
-
Падение давления на участке
.
-
Давление у абонента.
.
Как правило, лучше иметь некоторый экономический запас по давлению у потребителя, который всегда может быть сдросселирован. Остальные ответвления считаются аналогично, и приводится в таблице 7.
| Участок | Длина участка l, м | Расход теплоносителя G, кг/с | Результаты | Давление в конце участка Рк, Па | ||||||||
| предварительного расчёта | окончательного расчёта | |||||||||||
| Rл,Па/м | Рср,Па | t, ºС | p, кг/м3 | d, м | dГОСТ, м | Rлд,Па/м | lэ, м | ΔР, Па | ||||
| Магистраль | ||||||||||||
| ОА | 450 | 3,672 | 86,32 | 852022,7 | 165,5 | 3,67 | 0,231 | 0,300 | 21,66 | 191,77 | 13903,8 | 761881,1 |
| АБ | 50 | 3,188 | 82,69 | 755208,8 | 160,5 | 3,33 | 0,225 | 0,250 | 46,84 | 11,00 | 2857,71 | 747977,3 |
| БВ | 100 | 2,743 | 84,69 | 760801,5 | 159,0 | 3,18 | 0,214 | 0,250 | 36,33 | 44,7 | 5257,5 | 745119,6 |
| ВГ | 100 | 1,154 | 94,72 | 749908,3 | 157,0 | 3,03 | 0,150 | 0,150 | 98,63 | 62,2 | 15999,5 | 739862,0 |
| Г-5 | 350 | 0,290 | 63,49 | 716666,7 | 152,5 | 2,67 | 0,099 | 0,100 | 59,36 | 52,0 | 22862,4 | 723862,5 |
| Ответвления | ||||||||||||
| Г-4 | 200 | 1,589 | 79,54 | 719931 | 156,0 | 2,95 | 0,200 | 0,200 | 42,30 | 61,61 | 11070 | 728792,0 |
| В-3 | 150 | 0,869 | 177,16 | 711931,2 | 154,5 | 2,81 | 0,125 | 0,125 | 154,93 | 29,60 | 2782,02 | 705379,1 |
| Б-8 | 100 | 0,0445 | 300,79 | 722559,8 | 159,0 | 3,13 | 0,080 | 0,080 | 379,41 | 33,82 | 50774,7 | 708944,1 |
| А-9 | 50 | 0,484 | 639,69 | 723988,6 | 160,5 | 3,33 | 0,080 | 0,080 | 427,78 | 21,62 | 30640,9 | 717336,4 |
Таблица 7 Результаты гидравлического расчёта паровой сети промпредприятия
4. Тепловой расчёт тепловых сетей промпредприятия
4.1 Расчёт потерь тепла с утечками
-
Объем всей сети:
Определяем объём внутреннего трубопровода:
, где
- удельный объем внутренних трубопроводов промпредприятия;
и
- расходы тепла на отопление и вентиляцию всех цехов завода (см. табл.5).
Определяем суммарный объём участков и ответвлений:
.
-
Расход утечек:
.
-
Потери от утечек:
,
где
- температура воды в подающей магистрали
- температура воды в обратной магистрали
- температура холодной воды .
4.2 Расчёт толщины изоляции при надземной прокладке трубопроводов
Рассмотрим участок Г – 5:
Длина участка Г-5
, средняя за отопительный период температура воды в подающей линии
оС, в обратной линии
оС. Глубина заложения труб
м, канал уложен в грунт средней влажности, температура которого составляет
. По [5, табл.1] определяем теплоизоляционный материал: Плиты из стеклянного штапельного волокна полужёсткие, технические марки ППТ – 75.
Определяется средняя температура теплоизоляционного слоя:
- подающего трубопровода
- обратного трубопровода
-
Определяем теплопроводность теплоизоляционного материала:
- для подающего трубопровода:
- для обратного трубопровода:
.
По табл. 14 выбирается нормированная плотность теплового потока для подающего трубопровода
, для обратного трубопровода -
.
-
Предварительно определяется наружный диаметр теплоизоляционного слоя:
- подающего трубопровода
- обратного трубопровода
-
Тогда размеры канала составят:
- ширина
- высота
- эквивалентный диаметр
По табл. 12 выбирается коэффициент теплопроводности для маловлажного грунта
-
Вычисляется термическое сопротивление теплоотдаче от воздуха внутри канала к внутренней стенке канала по формуле (18)
-
Определяется термическое сопротивление грунта по формуле (19)
-
Рассчитывается по формуле (22) температура воздуха в канале
.
-
По формулам (23)-(24) определяются величины В:
- для подающего трубопровода
откуда
- для обратного трубопровода
откуда
-
По формуле (4) определяется толщина теплоизоляционного слоя:
- для подающего трубопровода
- для обратного трубопровода
Согласно табл. 7 принимается толщина теплоизоляционного слоя для подающего трубопровода
для обратного трубопровода
4.3 Расчёт потерь тепла через теплоизоляционную конструкцию
Расчёт участка Г-5.
Длина участка l=350 м. Температура теплоносителя в начале участка в подающей линии
, в обратной линии -
; расход теплоносителя G = 10,05 кг/с. Диаметр трубопроводов
мм. Теплоизоляционный слой выполнен из Плиты из стеклянного штапельного волокна полужёсткие, технические марки ППТ – 75, толщина теплоизоляционного слоя подающего трубопровода
обратного -
. Температура грунта на глубине залегания теплопровода
. Коэффициент теплопроводности грунта
-
Определяется средняя температура теплоизоляционного слоя для:
- подающего трубопровода
- обратного трубопровода
-
Рассчитывается по формуле (16) коэффициент теплопроводности теплоизоляционного материала:
- для подающего трубопровода
- для обратного трубопровода
-
Вычисляются диаметры теплоизоляционной конструкции:
- подающего трубопровода
- обратного трубопровода
По табл. 12 для заданного диаметра трубопроводов определяются минимальные расстояния в свету между строительными конструкциями и трубопроводами: а=80 мм; b=140 мм; с=50 мм; d=150 мм.
-
Рассчитываются размеры поперечного сечения канала:
высота
ширина
По табл. 13 выбирается стандартный железобетонный короб с поперечным сечением
эквивалентный внутренний диаметр
-
По формуле (11) определяется термическое сопротивление:
- подающего трубопровода
-
обратного трубопровода
-
По формуле (18) вычисляется сопротивление теплоотдаче от воздуха внутри канала к внутренней стенке канала
-
Определяется термическое сопротивление грунта
по формуле (19)
-
Рассчитывается температура воздуха в канале по формуле (25)
-
Вычисляются по формулам (27)-(28) удельные потери тепла:
- подающего трубопровода
- обратного трубопровода
-
Суммарные потери тепла на расчетном участке тепловой сети
-
Тепловые потери на участке подающей линии
-
Температура теплоносителя в конце расчетного участка определяется по формуле (14):
-
Тепловые потери на участке обратной линии
-
Температура теплоносителя в конце расчетного участка:
Расчет остальных участков производится аналогично. Результаты расчетов представлены в таблице 12.
Таким образом, суммарные потери через изоляцию
Таблица 12 Результаты теплового расчета тепловой сети при прокладке трубопроводов в непроходных каналах.
| Участок | Магистраль | Ответвления | |||||||||
| О-А | А-Б | Б-В | В-Г | Г-5 | А-9 | Б-2 | В-7 | Г-4 | |||
| Длина участка l,м | 450 | 50 | 100 | 100 | 350 | 50 | 100 | 150 | 200 | ||
| Расход на участке G, кг/с | 42,93 | 39,35 | 25,01 | 18,30 | 10,05 | 3,58 | 14,34 | 8,25 | 6,71 | ||
| Эквивалентный диаметр dэ, мм | 800 | 800 | 720 | 720 | 600 | 600 | 600 | 600 | 600 | ||
| Термическое сопротивление подающего трубопровода R п, мК/Вт | 0,835 | 0,836 | 1,098 | 1,098 | 1,455 | 1,705 | 1,454 | 1,454 | 1,682 | ||
| Термическое сопротивление обратного трубопровода R о, мК/Вт | 0,715 | 0,716 | 1,256 | 0,955 | 1,293 | 1,942 | 1,292 | 1,292 | 1,513 | ||
| Термическое сопротивление канала R вк, мК/Вт | 0,050 | 0,050 | 0,050 | 0,055 | 0,066 | 0,066 | 0,066 | 0,055 | 0,066 | ||
| Термическое сопротивление грунта R гр, мК/Вт | 0,267 | 0,267 | 0,267 | 0,281 | 0,306 | 0,306 | 0,306 | 0,281 | 0,306 | ||
| Термическое сопротивление канала и грунта R к-гр, мК/Вт | 0,317 | 0,317 | 0,317 | 0,337 | 0,372 | 0,372 | 0,372 | 0,337 | 0,372 | ||
| Темпрература воздуха в канале t k, С | 51,0 | 51,0 | 42,8 | 45,6 | 41,1 | 36,3 | 41,1 | 38,8 | 37,7 | ||
| Удельные потери тепла через изоляцию прямого трубопровода q п, Вт/м | 118,5 | 118,4 | 97,6 | 95,1 | 74,8 | 66,7 | 74,9 | 76,4 | 66,7 | ||
| Удельные потери тепла через изоляцию обратного трубопровода q о, Вт/м | 83,4 | 83,4 | 63,5 | 63,4 | 47,9 | 40,8 | 47,9 | 47,9 | 41,4 | ||
| Суммарные удельные потери qи, Вт/м | 201,9 | 201,8 | 161,1 | 158,5 | 122,7 | 107,5 | 122,7 | 124,3 | 108,1 | ||
| Потери тепла через изоляцию трубопровода Q и, кВт | 173,0 | 19,2 | 31,0 | 30,4 | 83,0 | 10,5 | 23,7 | 36,1 | 42,0 | ||
| Потери тепла через изоляцию подающего трубопровода Q ип, кВт | 64,0 | 7,1 | 11,7 | 11,4 | 31,4 | 4,0 | 9,0 | 13,8 | 16,0 | ||
| Температура в конце участка τ к п | 149,6 | 149,6 | 149,5 | 149,3 | 148,6 | 149,4 | 149,5 | 149,1 | 148,8 | ||
| Потери тепла через изоляцию обратного трубопровода Q ио, кВт | 109,0 | 12,1 | 19,3 | 19,0 | 51,5 | 6,5 | 14,7 | 22,4 | 26,0 | ||
| Температура в конце участка τ к о | 69,4 | 69,3 | 69,1 | 68,9 | 67,7 | 69,0 | 69,1 | 68,5 | 68,0 | ||
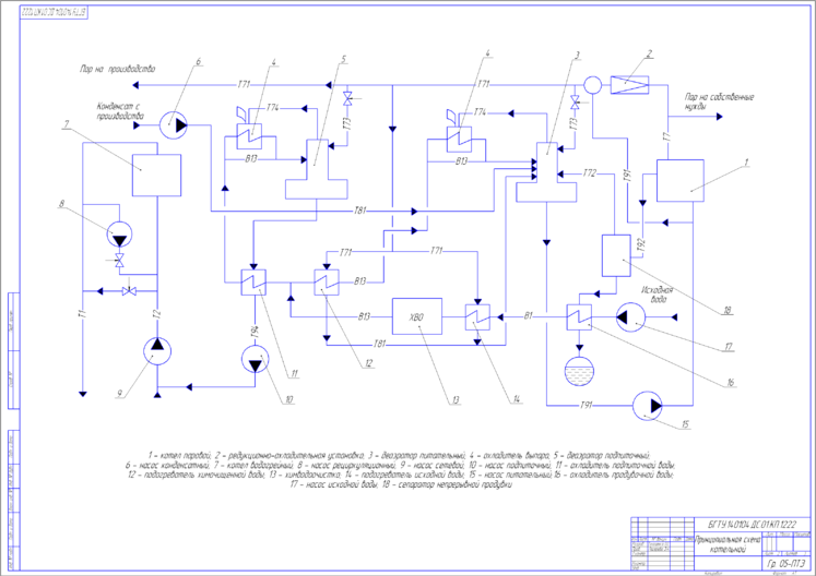
5. Расчёт тепловой схемы котельной с паровыми и водогрейными котлами
5.1 Исходные данные
Котельная предназначена для централизованного теплоснабжения промышленного комплекса, а именно систем отопления, вентиляции, горячего водоснабжения и пароснабжения промышленных предприятий.
Технологическим потребителям отпускается пар с параметрами:
p=0,8 МПа, t=175 оС в количестве Dт=14,76 т/ч
Расчетные нагрузки отопления и вентиляции
Qо=5604 кВт, Qв=8787,6кВт.
Нагрузка горячего водоснабжения
Qт=9264 кВт.
Температурный график отопительной тепловой сети – 150/70 оС.
Подогрев сырой воды перед химводоочисткой производится до 20 оС.
Деаэрация питательной и подпиточной воды осуществляется в атмосферных деаэраторах при температуре 104 оС, питательная вода имеет температуру 104 оС, подпиточная – 70 оС.
Величина непрерывной продувки котлов pпр=4% паропроизводительности котельной.
Коэффициент возврата конденсата от технологических потребителей φ=65%, его температура tвк=85 оС.
Котельная работает на мазуте. Возврат конденсата греющего пара с мазутного хозяйства φм.х.=80%, его температура tвкм.х.=60 оС.
Расчет выполнен для максимально-зимнего периода.
-
Расчёт водогрейной части котельной.
-
1.Общая тепловая нагрузка водогрейной части котельной по внешним потребителям.
Утечки в тепловых сетях
принимаются равными 0,75% от объема воды в трубопроводах теплосетей:
где
- объем воды в трубопроводах теплосетей
, м3.
,
- объемы воды в наружных теплосетях и внутренних трубопроводах, рассчитывается по фактической протяженности подающего и обратного водоводов и их диаметрам.
,
где
- длина i-го участка трубопровода, км;
- удельная емкость i-го участка трубопровода в зависимости от внутреннего диаметра, м3 /км.
,
где
- расчетная тепловая нагрузка отопления-вентиляции, МВт;
- удельный объём внутренних трубопроводов, м3/МВт.
Для промышленных предприятий
м3/МВт, тогда объем воды в наружных теплосетях:
.
Объем воды во внутренних трубопроводах
.
Объем воды в трубопроводах теплосетей
Утечки в тепловых сетях составят:
Потери тепла с утечкой сетевой воды:
,
где
- утечки в тепловых сетях, кг/с;
- теплоемкость воды, кДж/(кг К);
,
- температура сетевой воды в подающей и обратной линиях сети;
- температура исходной воды,
= 5°С.
Тогда потери тепла с утечками:
-
Расход сетевой воды на максимально зимнем режиме.
-
Расход подпиточной воды.
-
Расход воды на рециркуляцию определяется из условия обеспечения на выходе из котла t1к=70оС. На максимально зимнем режиме τ1=150 оС=t11к, следовательно, Gрец=0.
-
Расход сетевой воды, поступающей в котел из обратной линии сети.
-
Расход воды через котел.
-
Проверка расхода сетевой воды на выходе из котельной.
-
Тепловая производительность водогрейных котлов.
Данная производительность можно обеспечить четырьмя водогрейными котлами КВ-ГМ4,65 теплопроизводительность 4,65 МВт номинальный расход воды Gном=49,5 т/ч
10.Проверка расхода воды через котел.
-
для данного типа котлов, следовательно для обеспечения номинального расхода воды через котлы следует увеличить расход по линии рециркуляции на величину
11.Температура воды на входе в котел.
5.2 Расчёт паровой части котельной
Предварительная оценка суммарной производительности паровых котлов с учетом расхода пара на собственные нужды (деаэраторы, подогреватели) и мазутное хозяйство, а также потерь внутри котельной.
, здесь b=0,22; c=0,18; φ=0,65
Уточнение расхода пара на мазутное хозяйство котельной (паровые и водогрейные котлы)
- расход пара на разогрев мазута для паровых котлов; здесь
- удельный расход пара на разогрев мазута на 1 тонну вырабатываемого пара.
- расход пара на разогрев мазута для водогрейных котлов; здесь
- удельный расход пара на разогрев мазута на 1 Гкал. отпущенного тепла
Уточненная оценка паропроизводительности котельной с учетом 3% потерь внутри котельной.
Расчет узла непрерывной продувки.
количество воды, удаляемое из котла с продувкой
Количество пара образующегося в сепараторе непрерывной продувки.
здесь h’пр. – энтальпия продувочной воды на входе в расширитель – сепаратор (в барабане котла)
h’’пр. – энтальпия продувочной воды на выходе из расширителя
Количество продувочной воды, выходящей из расширителя.
Расход химочищенной воды, восполняющей потери теплоносителей
Потери конденсата.
Расход сырой воды.
Температура сырой воды после охладителя продувки.
Расход пара на пароводяной подогреватель сырой воды
Температура химочищенной воды, поступающей в деаэратор подпиточной воды (после охладителя подпитки)
Принимаем как 10% от Gподп
Расход пара на деаэратор подпиточной воды
С учетом количества пара, идущего на подогрев воды, фактический расход химочищенной воды, поступающей в подпиточный деаэратор.
уточняем
Расход пара на пароводяной подогреватель химочищенной воды.
здесь
- расход химочищенной воды, поступающей в деаэратор.
Суммарное количество воды и пара, поступающих в деаэратор питательной воды, за исключением греющего пара:
Средняя температура поступивших потоков:
Расход пара на деаэратор питательной воды:
Суммарный расход пара на собственные нужды котельной:
Паропроизводительность котельной с учетом внутренних потерь:
Проверка расчета:
Проведенный расчет показывает, что данная котельная может быть укомплектована тремя паровыми котлами ДЕ-6,5-14 и четырьмя водогрейными КВ-ГМ 4,65.
5.3 Расчёт водоводяного подогревателя
К расчету принимаем водоводяной охладитель подпиточной воды в котельной и производим его поверочной расчет. Исходными данными к расчету являются: - температуры нагреваемой химически очищенной воды на входе и выходе:
ее расход
- температуры охлаждения подпиточной воды на входе и выходе:
ее расход
.
1.Тепловая мощность теплообменника:
.
2.Средний по поверхности температурный напор:
-средняя температура подпиточной воды, которая движется в межтрубном пространстве;
- средняя температура химически очищенной воды, которая движется в трубах.
3.Необходимая поверхность теплообмена при ориентировочно принимаемом значении коэффициента теплопередачи
=1500 Вт/(м2∙К):
4. Площадь сечения трубок при принятой скорости в трубках wтр=1,5м/с:
,
Где
-плотность воды при температуре
.
5. Площадь сечения межтрубного пространства при принятой скорости wм.тр =0,5м/с:
, где
-плотность воды при температуре
.
Теперь делаем выбор теплообменника. Ближайшим подходящим будет водяной подогреватель типоразмера ОСТ 34-588-68-04, имеющий следующие параметры:
- поверхность теплообмена – F=1,31 м2;
- диаметр корпуса – Dн/Dвн=76/69 мм/мм;
- диаметр трубок - dн/dвн=16/14 мм/мм;
- число трубок в одной секции – n =7 шт;
- площадь сечения трубок – Fтр =0,00108 м2;
- площадь сечения межтрубного пространства – Fм.тр=0,00233 м2;
- эквивалентный диаметр межтрубного пространства – dэкв=16,4 мм.
Поверочный расчет теплообменника:
1.Скорость водя в трубках и между трубками:
;
.
2. Коэффициент теплоотдачи:
где
- приведены в таблице 4.1 [5, c.76];
- при
- трубках;
- при
- в межтрубном пространстве;
;
3. Расчетный коэффициент теплопередачи:
,где
- средний коэффициент теплопроводности латуни.
4.Температурный напор в противоточной схеме:
.
5.Необходимая расчетная поверхность теплообмена:
6.Выбранный теплообменник имеет запас поверхности:
,
что является приемлемым результатом, поскольку не превышает допустимых 15-20% запаса поверхности.
Заключение
Годовой расход тепла станкостроительным заводом составил 304625,1 ГДж/год. Для покрытия тепловых нагрузок отопления, вентиляции, горячего водоснабжения и технологических нагрузок спроектирована котельная. Котельная укомплектована тремя паровыми котлами ДЕ-6,5-14 и четырьмя водогрейными КВ-ГМ 4,65.
Выбран водоводяной подогреватель. Поверочный расчёт теплообменника показал, что он подходит для данных условий эксплуатации.
Рассмотрен вопрос регулирования тепловых нагрузок, что обеспечивает комфортные условия работы персонала предприятия, сокращает перерасход тепловой энергии и топлива. Производится качественное централизованное регулирование. Для цеха №8 (цех с большими тепловыделениями) осуществляется местное количественное подрегулирование.
Проведенный гидравлический расчет позволил выбрать необходимые для рассчитанных расходов теплоносителей диаметры труб магистральных трубопроводов и ответвлений. Тепловой расчет сетей позволил определить потери тепла через теплоизоляционные конструкции.
Список используемой литературы
-
Расчет тепловых нагрузок промышленного предприятия: Методические указания к курсовому и дипломному проектированию для студентов дневной формы обучения специальности 100700- "Промышленная теплоэнергетика"
-
Регулирование централизованного теплоснабжения промпредприятия: Методические указания к курсовому и дипломному проектированию для студентов дневной формы обучения специальности 100700- "Промышленная теплоэнергетика"
-
Гидравлический расчет тепловых сетей: Методические указания к курсовому и дипломному проектированию для студентов дневной формы обучения специальности 100700- "Промышленная теплоэнергетика"
-
Тепловой расчет тепловых сетей промпредприятия: Методические указания к курсовому и дипломному проектированию для студентов дневной формы обучения специальности 100700- "Промышленная теплоэнергетика"
-
Тепловые схемы центральной котельной, их расчет и выбор оборудования: Методические указания к курсовому и дипломному проектированию для студентов дневной формы обучения специальности 100700- "Промышленная теплоэнергетика".
-
Соколов Е. Я. Теплофикация и тепловые сети: Учебник для вузов. – 7-е изд., стереот. – М.: Издательство МЭИ, 2001. – 472 с.: ил















