151595 (621821), страница 3
Текст из файла (страница 3)
∆Uв – 1,03 В – падение напряжения на вентиле
Расчет производится для одного режима работы трехфазного управляемого выпрямителя для углов управления а=30,60,90 градусов.
- угол коммутации с увеличением тока нагрузки не меняется
Расчетная формула для первого режима:
Таблица 9 - расчет внешних характеристик тиристорного преобразователя
| № | Ud, В | a | cos a | Ud*cos a, В | Id, А | | | 2*∆U, В | |
| 1 2 3 | 437,94 432,8 422,5 | 0 0 0 | 1 1 1 | 440 440 440 | 0 11,4 34,2 | 1,57 1,57 1,57 | 0,471 0,471 0,471 | 2,06 2,06 2,06 | 0 10,9 32,6 |
| 1 2 3 | 379 373,8 363,6 | 30 30 30 | 0,87 0,87 0,87 | 381,05 381,05 381,05 | 0 11,4 34,2 | 1,57 1,57 1,57 | 0,471 0,471 0,471 | 2,06 2,06 2,06 | 0 10,9 32,6 |
| 1 2 3 | 217,9 212,8 202,5 | 60 60 60 | 0,5 0,5 0,5 | 220 220 220 | 0 11,4 34,2 | 1,57 1,57 1,57 | 0,471 0,471 0,471 | 2,06 2,06 2,06 | 0 10,9 32,6 |
Рисунок 5 - внешние характеристики тиристорного преобразователя
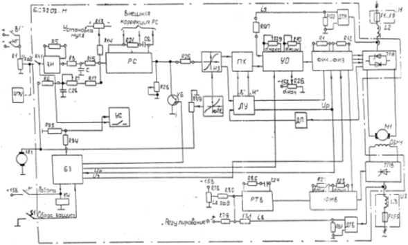
2.4. Выбор функциональных блоков и устройств системы управления
Для построения функциональной схемы автоматического регулирования тока возбуждения ДПТ в проекте предусматривается выбор типовых функциональных блоков, на базе которых проектируется схема.
Типовые блоки определяются функциональным значением. Выбор блоков и устройств сводится в таблицу:
Таблица 10 – выбор функциональных блоков и устройств системы управления
| № | Обозна-чение | Наимено-вание | Функциональное значение | Основной принцип действия |
| 1 | СБ | Силовой блок | Для преобразования переменного напряжения в постоянное регулируемое напряжение, поступающее на якорь двигателя | Характеризуется работой управляемой схемой выпрямления |
| 2 | УЗСП | Устройство задания скорости | Для задания скорости ДПТ при помощи тахогенератора | Сигнал задания изменяется при изменении нагрузки на валу двигателя. |
| 3 | УОС | Устройство обратной связи | Для измерения сигналов по току статора и току возбуждения | Используются датчики тока: трансформаторы тока |
| 4 | РТ | Регулятор тока | Для регулирования тока возбуждения ДПТ | Непрерывное сравнение сигналов задания и сигнала обратной связи по току статора двигателя |
| 5 | СИФУ | Система импульсно-фазового управления | Обеспечивает формирование сигналов управления, по которым создаются отпирающие импульсы | В основе принципа работы используется вертикальный метод сравнения трех напряжений. Фаза импульса определяется Uу, частота определяется Uоп |
| 6 | ЯПУ | Ячейка пуска и управления | Контроль пуска ДПТ | При подаче питания на преобразователь, происходит преобразование напряжения, и в работу включается СИФУ и двигатель запускается в работу. |
| 7 | ЯР | Ячейка регулирования | Для автоматического регулирования тока возбуждения | Измеряются сигналя по току и напряжению двигателя и сравниваются с заданными установками. Отклонение сигналов регулируется. |
| 8 | БЗ | Блок защиты | Для защиты от аварийных режимов | Отключение аварийных устройств при повышении уставок |
Рисунок 6 – Функциональная схема однозонного электропривода с реверсом тока
якоря и обратной связью по скорости ЭПУ 1-2…М
2.5. Выбор электрических аппаратов управления и защиты
Таблица 11 - выбор электрических аппаратов управления
| № | Обозначение на схеме | Наименование электроаппарата | Кол-во | Условия выбора | Расчетные параметры | Тип | Технические данные | |||||||||||||||
| 1 | 2 | 3 | 4 | 5 | 6 | 7 | 8 | |||||||||||||||
| 1 | QF1 | Автоматический выключатель в силовой цепи | 1 | Uн≥Uс Iн≥Iр Iн.э.р≥Iр.э.р Iн.т.р≥Iр.т.р по числу пол. по исп-нию tотк. | Uс=380В Iр=78,9А Iр.э.р=157,8А Iр.т.р=82,8А 3х полюсные закрытое tотк=10 мс | ВА52-39 | Uс=380В Iр.э.р=300А Iр.т.р=80А Iотсеч=3А Iн=100А | |||||||||||||||
| 2 | QF2 | Автоматический выключатель в цепи управления | 1 | Uн≥Uу Iн≥Iу.р Iн.э.р≥Iр.э.р по числу пол. по исполн. tотк | Uу=220В Iр=Iу=4А 2-х полюсный Закрытое Tотк=10мс | ВА51Г-25 | Iр=4А Iном=25А Uном=220В | |||||||||||||||
| 3 | QF3 | Автоматический выключатель в цепи двигателя | 1 | Uн≥Uу Iн≥Iу.р Iн.э.р≥Iр.э.р по числу пол. по исполн. tотк | Uу=220В Iр=Iу=114А 2-х полюсный Закрытое Tотк=10мс | ВА51-31 | Iр=125А Iном=160А Uном=220В | |||||||||||||||
| 4 | КМ1 | Контактор | 1 | Uн≥Uc Iн≥Iр Uн.к≥Uy по числу контактов по исполнению | Uс=380В Iр=Id=78,9A Uу=220В 3 главных 2з+2р б/к Защищен | МК3-20Е | Uн=380В Iн=100А Число включений = 1200 вкл/час | |||||||||||||||
| 1 | 2 | 3 | 4 | 5 | 6 | 7 | 8 | |||||||||||||||
| 5 | КМ2 | Контактор постоянного тока в цепи двигателя | 1 | Uн≥Uc Iн≥Iр Uн.к≥Uy по числу контактов по исполнению | Uс=220В Iр=Id=114A Uу=220В 3 главных 2з+2р б/к Защищен | КТ6023Б | Uн=220В Iн=120А Руд=50Вт Рвтяг=580Вт Число включений = 1200 вкл/час | |||||||||||||||
| 6 | SB1, SB2 | Кнопка управления | 2 | Uн≥Uу Iн≥Iк.мах по числу конт. по исполн. | Uу=220(110)В Iк.мах=90-140мА 2з+2р Закрытое | КУ-120 | Uн=220В Iн=4А | |||||||||||||||
| 7 | SA | Ключ управления | 1 | Uн≥Uу Iн≥Iк.мах по числу положений по числу конт. по исполнен. | Uу=220В Iк.т=0,14А На 3 полож. 1-0-1 6з+4р защищен | ППГ-64 | Uу=220В Iн=15А | |||||||||||||||
| 8 | KV | Реле напряжения | 1 | Uн≥Uу Iн≥Iк.м. по числу конт. по исполнен. | Uу=220В Iк=40мА 1з+1р Защищен | РЭВ-200 | Uу=220В Iнк=60мА | |||||||||||||||
| 9 | КТ1, КТ2 | Реле времени | 2 | Uн≥Uу Uнк=Uу Iн≥Iк t сраб. по числу конт. по исполн. | Uу=220В Uк=220В Iк=0,03А tсраб=1-9с 1з+1р Защищен | ЭВ-200 | Uн=220В Uнк=220В Tсраб=0,1-10с 1з+1р Iн=3А | |||||||||||||||
| 1 | 2 | 3 | 4 | 5 | 6 | 7 | 8 | |||||||||||||||
| 10 | КК1, КК2 | Тепловое реле | 2 | Uн≥Uс Iн≥Iр Iн.т.р≥Iр.т.р по числу контаков по исполнению | Uс=380(220)В Iр=114А Iр.т.р=119,7А 2р Защищен | ТРН-10А | Uн=220В Uнк=220В tсраб=0,1-10с 1з+1р Iн=3А Iн.т.р=125А | |||||||||||||||
| 11 | КА1, КА2 | Реле максимального тока | 2 | Uн≥Uс Iн≥Iр Iн.уст≥Iр.уст по числу конт. по исполн. | Uс=380(220)В Iр=114А Iр.уст=136,8А 2р Защищен | РЭВ-570 | Iн=1,5-600А Iр.уст=318А 2р Защищен | |||||||||||||||
| 12 | НL | Лампа сигнальная | 1 | Uнл≥Uру Iнл≥Iрл Rн.доб≥Rр | Uр.у=24В Iрл=120мА Rр=2200Ом | АС2000 лампа КМ-90 | Uнп=24В Iн=90мА Rн=2200Ом | |||||||||||||||
| 13 | FU | Плавкие предохранители | 2 | Uн≥Uу Iн≥Iу Iн.вст≥Iр.вст | Uу=220В Iу=ΣIкат=3,6А Iр.вст=9А | ППТ-10 | Iн=10А Uн=220В Iв.ст=9А | |||||||||||||||
2.6. Краткий принцип работы системы электропривода















