151515 (621755), страница 2
Текст из файла (страница 2)
Сопротивление системы, приведенное к напряжению 10 кВ, вычислим по формуле:
, где:
− сопротивление системы;
− коэффициент трансформации.
3.3 Сопротивления трансформаторов
3.3.1 Сопротивление трёхобмоточных трансформаторов Т1, Т2
Сопротивление трёхобмоточного трансформатора находится как сумма сопротивлений его обмоток ВН и CН по формулам:
На стороне 110 кВ, приведенное к напряжению линии 10 кВ:
, где:
На стороне 10 кВ:
где:
Полное сопротивление трёхобмоточного трансформатора:
3.3.2 Сопротивление трансформатора Т3, Т4, Т5, Т6
3.4 Сопротивление АД М1
4. Определение токов короткого замыкания
Схема замещения
4.1 Определение токов короткого замыкания в точке К1
Вычисляем суммарные сопротивления до точки К1:
Определяем ток при трехфазном и двухфазном КЗ в точке К1:
где
– ЭДС энергосистемы (принимается равным
сети).
4.2 Определение токов короткого замыкания в точке К2
Вычисляем суммарные сопротивления до точки К2:
Определяем ток при трехфазном и двухфазном КЗ в точке К2:
4.3 Определение токов короткого замыкания в точке К3
Вычисляем суммарные сопротивления до точки К3:
Определяем ток при трехфазном и двухфазном КЗ в точке К3:
4.4 Определение токов короткого замыкания в точке К4
Вычисляем суммарные сопротивления до точки К3:
Определяем ток при трехфазном и двухфазном КЗ в точке К4:
4.5 Определение токов короткого замыкания в точке К5
Вычисляем суммарные сопротивления до точки К3:
Определяем ток при трехфазном и двухфазном КЗ в точке К5:
4.6 Определение токов короткого замыкания в точке К6
Вычисляем суммарные сопротивления до точки К3:
Определяем ток при трехфазном и двухфазном КЗ в точке К6:
4.7 Определение токов короткого замыкания в точке К7
Вычисляем суммарные сопротивления до точки К3:
Определяем ток при трехфазном и двухфазном КЗ в точке К7:
4.8 Определение токов короткого замыкания в точке К8
Вычисляем суммарные сопротивления до точки К3:
Определяем ток при трехфазном и двухфазном КЗ в точке К8:
4.9 Определение токов короткого замыкания в точке К9
Вычисляем суммарные сопротивления до точки К3:
Определяем ток при трехфазном и двухфазном КЗ в точке К9:
4.10 Определение токов короткого замыкания в точке К10
Вычисляем суммарные сопротивления до точки К3:
Определяем ток при трехфазном и двухфазном КЗ в точке К10:
5. Расчет релейных защит
Исходными данными для расчета МТЗ являются схема линии и основные параметры:
1) сопротивление питающей энергосистемы
;
2) длина и тип проводов линии и ответвлений;
3) параметры трансформаторов;
4) тип и характеристики существующей токовой защиты.
5.1 Расчет защиты асинхронного двигателя М1 (АК5)
Исходные данные:
тип двигателя – асинхронный;
мощность
;
коэффициент мощности
;
напряжение
;
кратность пускового тока
;
схема питания двигателя − от шин
назначение защиты − от многофазныхных к.з. на выводах и обмотках статора и от перегрузок;
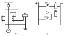
Схема защиты электродвигателя токовой отсечкой с одним токовым реле мгновенного действия:
а – цепи тока, б – цепи оперативного постоянного тока
Применяем схему на постоянном оперативном токе
Наиболее простой является однорелейная схема на разность токов двух фаз с индукционным реле типа РТ-84.
У реле этого типа два независимых контакта:
КА1.2 − электромагнитного элемента, мгновенного действия, рассчитан на ток до 150 А
КА1.1 − индукционного элемента, зависимой от тока выдержкой времени, маломощный. Этот контакт коммутирует обмотку промежуточного реле KL типа РПУ-2.
Определяем ток срабатывания отсечки:
,
где:
− номинальный ток двигателя;
− коэффициент надежности отстройки для выбранного типа реле;
Следовательно
Ток срабатывания электромагнитного элемента реле:
Ток срабатывания МТЗ от перегрузки выбирается из условия отстройки от номинального тока двигателя:
Ток срабатывания реле:
Ближайшая уставка на реле
3 А:
Следовательно:
.
Кратность токов срабатывания электромагнитного и индукционного элементов реле
соответствует параметрам реле (табл. П. 19, кратность 2–8).
Чувствительность МТЗ двигателя не проверяется, поскольку она не предназначена для защиты от коротких замыканий. Время срабатывания МТЗ выбирается несколько больше времени пуска двигателя при эксплуатационном возможном понижении напряжения. Для двигателя мощностью 600кВА принимаем выдержку времени в независимой части характеристики реле тока равной 12 с.
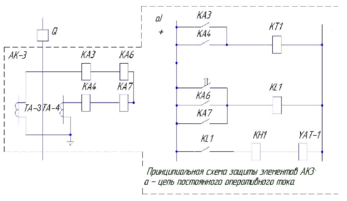
5.2 Расчет защиты трансформаторов Т3, Т4 (АК3)
Принципиальная схема защиты приведена на рисунке.
Выбрана двухфазная двухрелейная защита с реле тока типа РТ-40, реле времени типа РВ. Токи срабатывания защиты и реле определяются:
Кн – коэффициент надежности (учитывает разброс значений токов срабатывания реле), Кв – коэффициент возврата реле;
– коэффициент самозапуска,
– максимальный рабочий ток.
Значения Кн лежат в диапазоне 1,1÷1,2 для реле типа РТ-40;
Кв принимает значения 0,8÷0,85 для реле типа РТ-40.
Коэффициент самозапуска определяется долей электродвигателей в суммарной нагрузке и их типами. Для промышленной нагрузки преимущественно с двигателями напряжением 0,4 кВ Ксзп
2,0 ÷ 3,0; для промышленной нагрузки с высокой долей (более 50%) двигателей 3–10 кВ Ксзп
3,5 ÷ 5,0.
Максимальный рабочий ток линии определяем как сумму номинальных токов всех трансформаторов, питающихся от защищаемой линии:
Таким образом ток срабатывания защиты определяется как:
Ток срабатывания реле:
Ксх – коэффициент схемы при симметричном режиме; Кт – коэффициент трансформации трансформатора тока.
Коэффициент схемы показывает, во сколько раз ток в реле защиты больше, чем вторичный ток трансформатора тока. Для схем соединения трансформаторов тока в «звезду» Ксх = 1
Проводится проверка чувствительности защиты с учетом действительной токовой погрешности трансформаторов тока. Коэффициент чувствительности определяется по выражению:
-минимальное значение тока при двухфазном к.з. в конце защищаемого участка.
Проводится проверка чувствительности защиты с учетом действительной токовой погрешности трансформаторов тока после дешунтирования электромагнитов отключения YAT-1 и YAT-2. Коэффициент чувствительности определяется по выражению:
f – токовая погрешность трансформаторов тока при токе к.з., обеспечивающем надежное срабатывание защиты;
- ток срабатывания защиты;
Кв – коэффициент возврата (для РТ-40 Кв=0,8). Для определения значения погрешности f воспользуемся графиком зависимости f=φ(A), приведённым на рис. П. 12. Обобщённый коэффициент А вычисляется по формуле
,
где
– это отношение максимального первичного тока при к.з. в начале защищаемой зоны к первичному номинальному току трансaформатора тока.
Переходное сопротивление контактов обычно принимают равным Zпер =0, l Ом. Сопротивление проводов можно определить по формуле
где
– длина провода от трансформатора тока до реле, м; s – сечение провода, мм2;
– удельная проводимость (для меди
для алюминия
).В рассматриваемом примере Zпр= 0,06 Ом. В соответствии с табл. П. 13 для схемы «неполная звезда» и двухфазного к.з. расчетное сопротивление нагрузки в нашем случае равно:
Zн.расч. =2*0,06+0,01+2*0,1 +0,1=0,43 Ом.
По графику 1 (рис. П. 14) находим значение
соответствующее нагрузке 0,43 Ом, которое составляет приблизительно 16. Таким образом,
, что по графику (рис. П. 12) даёт значение погрешности f=50%, т.е. необходимая чувствительность обеспечивается.
Проводится проверка трансформатора тока (Т.Т.) на 10%-ю погрешность. Для этого используются кривые предельной кратности.
Расчетный ток выбирается на 10% превышающим ток срабатывания защиты т.е.:
Коэффициент предельной кратности определяется по формуле:
По графику кривой предельной кратности для трансформатора ТПЛ-10 (рис. П. 13) этому значению К10 соответствует нагрузка трансформатора ZH.ДОП=6 Ом, что существенно больше расчётного значения Zн.расч =0,43 Ом. Следовательно, до и после дешунтирования электромагнита отключения погрешность трансформатора тока не превышает 10%.
Проверка надежности работы контактов реле РТ-40 проводится в связи с тем, что при к.з. в начале защищаемой зоны резко повышается токовая погрешность и искажается форма кривой вторичного тока Т.Т. (становится несинусоидальной). Надежное замыкание контактов реле РТ-40 обеспечивается при токовой погрешности Т.Т. f<60%. Таким образом, надежное замыкание контактов обеспечено.
Расчет напряжения па выводах вторичной обмотки Т.Т. при к.з. в начале защищаемой
Полученное значение существенно ниже предельно допустимого значения
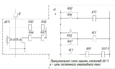
5.3 Расчет защиты АК1
Принципиальная схема защиты приведена на рисунке.
Выбрана двухфазная двухрелейная защита с реле тока типа РТ-40, реле времени типа РВ. Токи срабатывания защиты и реле определяются:
Кн – коэффициент надежности (учитывает разброс значений токов срабатывания реле), Кв – коэффициент возврата реле;
– коэффициент самозапуска,
– максимальный рабочий ток.
Значения Кн лежат в диапазоне 1,1÷1,2 для реле типа РТ-40;
Кв принимает значения 0,8÷0,85 для реле типа РТ-40.
Коэффициент самозапуска определяется долей электродвигателей в суммарной нагрузке и их типами. Для промышленной нагрузки преимущественно с двигателями напряжением 0,4 кВ Ксзп
2,0 ÷ 3,0; для промышленной нагрузки с высокой долей (более 50%) двигателей 3–10 кВ Ксзп
3,5 ÷ 5,0.
Максимальный рабочий ток линии определяем как сумму номинальных токов всех трансформаторов, питающихся от защищаемой линии:














