151458 (621717), страница 4
Текст из файла (страница 4)
Формування мнемосхеми виконуємо за допомогою генератора схем на основі файлу вхідних даних у внутрішньому форматі. Спочатку перетворюємо RЕС-файл вхідних даних у файл графічного представлення типу DAT. Далі перетворюємо DAT – файл у файл внутрішнього формату типу GRP. Цей файл завантажуємо за допомогою кнопки «Схема», переходимо на рівень мнемосхеми і виконуємо остаточну корекцію зображення. Таким чином було отримано схему ЕС, подану на рисунку 4.1.
На основі створеного файлу вхідних даних було виконано розрахунок усталеного режиму ЕС результати якого подані у додатку, та оптимального режиму (додаток А). Результати розрахунку були нанесені на схему натисненням на кнопку «Оновити інформацію».
З результатів розрахунків видно, що дана ЕС характеризується невеликими втратами потужності ∆Р = 38,74 МВт порівняно із сумарною потужністю навантаження вузлів ЕС Рнав = 1926 МВт. Рівні напруги у вузлах ЕС з номінальною напругою 330 кВ знаходяться у припустимих межах, оскільки максимальне відхилення напруги в них не перевищує 5%. У вузлах 110 кВ відхилення напруги не перевищує 5%, тобто знаходиться у припустимих межах.
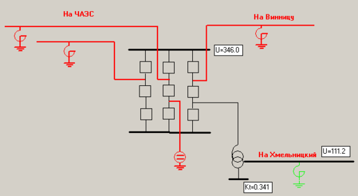
Використовуючи вбудований редактор схем підстанцій було отримано графічне представлення головної схеми трансформаторної підстанції 10–11 (рисунок 4.2), що є третім рівнем представлення диспетчерських схем. Трирівневе представлення схеми істотно спрощує її сприйняття оперативним персоналом та робить більш зручною роботу з нею.
Рисунок 4.2 – Укрупнена головна схема підстанції у вузлі 10
Рисунок 4.3 – Укрупнена головна схема підстанції у вузлі 1.
5. Розрахунок і вибір складу керувальних пристроїв
З метою визначення складу керуючих пристроїв, що забезпечує найбільшу ефективність керування виконується ранжування пристроїв за мірою впливу на втрати активної потужності в ЕС.
Ранжування керуючих пристроїв за допомогою АЧП виконується на основі залежностей втрат потужності від коефіцієнтів трансформації трансформаторів. Дані залежності визначаються при виконанні оптимізації усталеного режиму ЕС для кожного трансформатора, що помічений у файлі вхідних даних як регулюючий пристрій і відображаються у вікні програми оптимізації, та більш детально у вікні «Ранжування трансформаторів за пріоритетом управління». Дане вікно може бути відкрите лише за умови, якщо завантажено схему ЕС. Вказані залежності міри впливу регулюючих пристроїв для ЕС, що аналізується подані на рисунку 5.1.
Рисунок 5.1 – Результати ранжування регулюючих пристроїв за допомогою ПК АЧП
Ранжування регулюючих пристроїв виконується у відповідності із нахилом їх характеристик, оскільки більший нахил відповідає більшій зміні втрат потужності в ЕС за одне перемикання РП.
Як видно з графіка залежності dP=f(Kt), що криві залежності ефективності перемикань трансформаторів в вітках 50–49 та 40–30 найбільш пологі тому пропоную РПН цих трансформаторів вивести зі складу регулювальних пристроїв.
Але графічний метод вибору оптимального складе регулювальних пристроїв не є абсолютно точним, особливо, враховуючи можливість отримання не досконалих залежностей зниження втрат від коефіцієнта трансформації для деяких РП. Тому для одержання однозначного рішення щодо оптимізації складу РП необхідно застосувати аналітичний метод. Він побудований на методі перебору варіантів і полягає у виконанні оптимізаційних розрахунків з почерговим вилученням певних РП. В якості критерію вибору оптимального складу трансформаторів приймається середня ефективність одного перемикання, тобто відношення сумарного зниження втрат до необхідної кількості перемикань РП. Враховуючи кількість трансформаторів з РПН (5) та вимогу щодо необхідності вилучення двох з них, формується 5 варіантів складу керувальних трансформаторів. Вказані варіанти та узагальнені показники для оцінки їх ефективності подано в таблиці 5.1. У першому рядку таблиці для порівняння наведено основні результати розрахунку оптимального режиму ЕС у разі залучення всіх РП. Більш детальні результати оптимізації режиму ЕС з різним складом регулювальних пристроїв подано в додатку В.
Таблиця 5.1 – Результати розрахунків з визначення оптимального складу регулювальних пристроїв ЕС
| Вилучений тр-р | Поточні втрати | Оптимальні втрати | Зниження втрат | Кількість перем | Середня ефективність |
| 1–2 | 40,76 | 37,76 | 3,0 | 11 | 0,273 |
| 10–11 | 40,76 | 39,53 | 1,24 | 12 | 0,103 |
| 26–25 | 40,76 | 37,24 | 3,52 | 13 | 0,271 |
| 40–30 | 40,76 | 37,91 | 2,85 | 8 | 0,357 |
| 50–49 | 40,76 | 37,16 | 3,6 | 14 | 0,257 |
Як видно з результатів розрахунків оптимальний склад регулювальних пристроїв відповідає вилученню з регулювання трансформаторів 40–30 і 1–2.
Отже в якості оптимального складу РП приймається наступний: 10–11, 26–25, 50–49.
6. Визначення налагоджувальних параметрів САК потоками потужності в замкнених контурах ЕС
Важливим параметром САК ЕС є зона нечутливості, оскільки даний параметр узгоджує витрати на регулювання із зменшенням витрат на експлуатацію ЕС за рахунок зниження втрат потужності і від правильності його визначення залежить ефективність оптимального керування.
З метою визначення відповідного значення даного параметра було виконано ряд розрахунків оптимального режиму ЕС із різними значеннями зони нечутливості, яку змінювали в межах від 0 до14. Результати розрахунків подані у додатку. Основні результати подані у таблиці 6.1.
Таблиця 6.1 – Результати розрахунків по визначенню зони нечутливості
| Зона нечутливості | dPрек, МВт | ddP, МВт | Кількість перемикань | Ефективність перемикань МВт/пер |
| 0 | 38,3 | 2,5 | 7 | 0,356 |
| 1 | 38,3 | 2,4 | 4 | 0,606 |
| 3 | 38,7 | 2,1 | 3 | 0,607 |
| 6 | 39,9 | 0,9 | 1 | 0,879 |
| 9 | Режим | близький | до | оптимального |
В результаті визначено залежність середньої ефективності одного перемикання регулюючих пристроїв від величини зони нечутливості, графічне представлення якої подано на рисунку 6.1.
Зона нечутливості має бути встановлена таким чином, щоб забезпечити достатньо високий регулювальний ефект за рахунок меншої кількості регулювальних впливів. Отже, спираючись на таблицю 6.1 та рисунок 6.1 можна зробити висновок, що доцільно встановити зону нечутливості на рівні 1%, адже це призведе до значного зменшення втрат при меншій кількості перемикань РПН трансформаторів.
Рисунок 6.1 – Залежність середньої ефективності одного перемикання РП від зони нечутливості
Рисунок 6.2 – Графік залежності зони нечутливості від зниження втрат
7. Оптимальне керування режимом ЕС в темпі процесу
Керування потоками потужності в ЕС виконується за допомогою трансформаторів з РПН. Інформація про стан системи, що включає параметри режиму та регулюючих пристроїв отримується з бази даних оперативного інформаційно-керуючого комплексу (ОІКК). На основі поточної інформації про режим ЕС за допомогою спеціальних програм визначаються оптимальні значення коефіцієнтів трансформації регулюючих пристроїв з урахуванням їх складу та зони нечутливості системи керування (дивись розділи 5 та 6). Реалізація даних параметрів забезпечує оптимальний потокорозподіл в ЕС і таким чином мінімальні втрати потужності в системі.
У програмному комплексі АЧП функціонування ОІКК відтворюється за допомогою імітатора ОІКК, який запускається з меню «Модель ОІКК». Перед запуском імітатора необхідно налаштувати систему керування. Для цього у файлі вхідних даних видаляємо властивість РП з рядків з кодом 0302 для віток з трансформаторами 1–2 та 40–30. У вікні ранжування трансформаторів за пріоритетом керування встановлюємо зону нечутливості САК 1%
Після активізації імітатора ОІКК із заданим інтервалом часу, в нашому випадку це 20 с, починають надходити дані про параметри режиму ЕС (навантаження, рівні напруг і т.д.). Зміни параметрів режиму автоматично відображаються на мнемосхемі ЕС. Графік зміни сумарного активного навантаження в часі Рсум=f(t) подано на рисунку 7.1.
Контроль втрат потужності у системі виконується за графіком ∆Р = f(t), який показано на рисунку 7.2. На даному графіку відображаються поточні значення втрат потужності в ЕС, а також значення втрат потужності у оптимальному та рекомендованому режимах ЕС.
Рисунок 7.1 – Графік зміни сумарного активного навантаження ЕЕС у часі
Якщо значення втрат потужності у поточному режимі ЕС виходить за межі втрат у рекомендованому режимі, то необхідно визначити та впровадити керуючі впливи за допомогою РП, з метою зменшення ∆Р. Визначення оптимальних значень коефіцієнтів трансформації здійснюємо за допомогою ПК АЧП.
Команду на впровадження визначених оптимальних значень віддаємо у вікні «Ранжування трансформаторів за пріоритетом керування» шляхом подвійного натиснення на рекомендовані значення відпайок трансформаторів.
Рисунок 7.2 – Графік зміни втрат активної потужності ЕС у часі
Як видно з рисунку 7.2 введення оптимальних керуючих впливів за рахунок корекції потокорозподілу в ЕС зменшує втрати активної потужності та вводить їх у межі рекомендованого режиму ЕС. Але впровадження керуючих впливів не завжди ефективно знижує значення втрат потужності у ЕС. Це зумовлено швидкою зміною режиму навантаження ЕС (дивись рисунок 7.1) та несвоєчасністю впровадження дій з керування режимом.
Засоби поточного контролю параметрів поточного режиму у часі є необхідною умовою ефективного керування режимом ЕС. Контроль зміни напруги та навантаження вузлів ЕС, а також потоків потужності у вітках виконується засобами вікна аналізу даних. Приклад графіку зміни напруги для вузла 99 (вузла з мінімальною напругою) подано на рисунку 7.4, з якого видно, що оптимальне керування ЕС при зміні навантаження у даному вузлі (дивись рисунок 7.5) дозволило не тільки зменшити втрати активної потужності в ЕС але й покращити режим напруги в ЕС.
8. Техніко-економічний ефект оптимального керування
В разі впровадження електроощадних заходів у ЕЕС економічний ефект досягається за рахунок того, що збільшується прибуток від експлуатації об’єкта.
В процесі роботи оптимізаційної програми комплексу АЧП я отримав наступні техніко-економічні показники оптимального режиму:
Потеpи P: в исходном pежиме:=40.76 МВт; в оптимальном pежиме:=38.27 МВт.
В pезультате pеализации оптимального pежима достигается снижение потеpь на 2.49 МВт или на 6.12%














