151197 (621610), страница 3
Текст из файла (страница 3)
Аналогичным образом производим расчёт центра нагрузки для второй зоны и получаем, что Х2 = 393м и Y2 = 348м
3. Определение допустимых потерь напряжения и оптимальных надбавок трансформатора
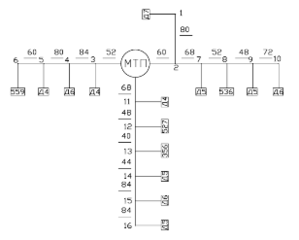
Cоставим расчетную схему низковольтной сети. Привяжем ее к плану населенного пункта и намеченным трассам низковольтных линий. Нанесем потребители, укажем их мощность, обозначим номера расчетных участков и их длину.
Определим нагрузки на участках низковольтной линии. Результаты расчета сводим в таблицу 3.1.
Рис. 1. Расчётная схема ВЛ 0,38 кВ для ТП1
Рис.2. Расчётная схема ВЛ 0,38 кВ для ТП2
ТП-1
Участок 9-10
Активная нагрузка для:
• дневного максимума
кВт,
• вечернего максимума
кВт.
Коэффициент мощности на участке для:
• дневного максимума
• вечернего максимума
Полная нагрузка для:
• дневного максимума
кВ·А,
• вечернего максимума
кВ·А.
Участок 8-9
Активная нагрузка для:
• дневного максимума
кВт,
• вечернего максимума
кВт.
Коэффициент мощности на участке для:
• дневного максимума
,
• вечернего максимума
.
Полная нагрузка для:
• дневного максимума
кВ·А,
• вечернего максимума
кВ·А.
Участок 7-8.
Активная нагрузка для:
• дневного максимума
кВт,
• вечернего максимума
кВт.
Коэффициент мощности на участке для:
• дневного максимума
,
• вечернего максимума
.
Полная нагрузка для:
• дневного максимума
кВ·А,
• вечернего максимума
кВ·А.
Участок 2-7.
Активная нагрузка для:
• дневного максимума
кВт,
• вечернего максимума
кВт.
Коэффициент мощности на участке для:
• дневного максимума
,
• вечернего максимума
.
Полная нагрузка для:
• дневного максимума
кВ·А,
• вечернего максимума
кВ·А.
Участок 2-1.
Активная нагрузка для:
• дневного максимума
кВт,
• вечернего максимума
кВт.
Коэффициент мощности на участке для:
• дневного максимума
,
• вечернего максимума
Полная нагрузка для:
• дневного максимума
кВ·А,
• вечернего максимума
кВ·А.
Участок ТП-2.
Активная нагрузка для:
• дневного максимума
кВт,
• вечернего максимума
кВт.
Коэффициент мощности на участке для:
• дневного максимума
,
• вечернего максимума
.
Полная нагрузка для:
• дневного максимума
кВ·А,
• вечернего максимума
кВ·А.
Участок 5-6
Активная нагрузка для:
• дневного максимума
кВт,
• вечернего максимума
кВт.
Коэффициент мощности на участке для:
• дневного максимума
,
• вечернего максимума
Полная нагрузка для:
• дневного максимума
кВ·А,
• вечернего максимума
кВ·А.
Участок 4-5.
Активная нагрузка для:
• дневного максимума
кВт,
• вечернего максимума
кВт.
Коэффициент мощности на участке для: дневного максимума
,
• вечернего максимума
.
Полная нагрузка для:
• дневного максимума
кВ·А,
• вечернего максимума
кВ·А.
Участок 3-4.
Активная нагрузка для:
• дневного максимума
кВт,
• вечернего максимума
кВт.
Коэффициент мощности на участке для:
• дневного максимума
,
• вечернего максимума
Полная нагрузка для:
• дневного максимума
кВ·А,
• вечернего максимума
кВ·А.
Участок ТП-3
Активная нагрузка для:
• дневного максимума
кВт,
• вечернего максимума
кВт.
Коэффициент мощности на участке для:
• дневного максимума
,
• вечернего максимума
.
Полная нагрузка для:
• дневного максимума
кВ·А,
• вечернего максимума
кВ·А.
Участок 15-16
Активная нагрузка для:
• дневного максимума
кВт,
• вечернего максимума
кВт.
Коэффициент мощности на участке для:
• дневного максимума
,
• вечернего максимума
Полная нагрузка для:
• дневного максимума
кВ·А,
• вечернего максимума
кВ·А.
Участок 14-15
Активная нагрузка для:
• дневного максимума
кВт,
• вечернего максимума
кВт.
Коэффициент мощности на участке для:
• дневного максимума
• вечернего максимума
.
Полная нагрузка для:
• дневного максимума
кВ·А,
• вечернего максимума
кВ·А.
Участок 13-14
Активная нагрузка для:
• дневного максимума
кВт,
• вечернего максимума
кВт.
Коэффициент мощности на участке для:
• дневного максимума
• вечернего максимума
.
Полная нагрузка для:
• дневного максимума
кВ·А,
• вечернего максимума
кВ·А.
Участок 12-13
Активная нагрузка для:
• дневного максимума
кВт,
• вечернего максимума
кВт.
Коэффициент мощности на участке для:
• дневного максимума
• вечернего максимума
.
Полная нагрузка для:
• дневного максимума
кВ·А,
• вечернего максимума
кВ·А.
Участок 11-12
Активная нагрузка для:
• дневного максимума
кВт,
• вечернего максимума
кВт.
Коэффициент мощности на участке для:
• дневного максимума
• вечернего максимума
.
Полная нагрузка для:
• дневного максимума
кВ·А,
• вечернего максимума
кВ·А.
Участок ТП-11
Активная нагрузка для:
• дневного максимума
кВт,
• вечернего максимума
кВт.
Коэффициент мощности на участке для:
• дневного максимума
• вечернего максимума
.
Полная нагрузка для:
• дневного максимума
кВ·А,
• вечернего максимума
кВ·А.
Аналогичным образом рассчитываем оставшийся участки для ТП-2, полученные результаты занесем в таблицу 3.1
Таблица 3.1. Расчетная нагрузка на участках ВЛ 380/220 В. ТП1
| Номер участка | Расчётная мощность Рр.д., кВт | Расчётная мощность Рр.в., кВт | Коэффициент мощности cosφд | Коэффициент мощности cosφв | Максимальная полная мощность Sуч.д., кВ*А | Максимальная полная мощность Sуч.в., кВ*А | К-o одновременн | Надбавка ∆Pд кВт | Надбавка ∆Pв кВт | Наружное освещение кВТ |
| 9-10 | 2,1 | 6,9 | 0,9 | 0,93 | 2,333333 | 7,419355 | - | - | - | 0,4 |
| 8-9 | 2,9475 | 9,75 | 0,9 | 0,93 | 3,275 | 10,48387 | 0.75 | - | - | 0,3 |
| 7-8 | 5,8 | 12,15 | 0,957575 | 0,950364 | 6,056969 | 12,78458 | - | 1.8 | 2.4 | 0,3 |
| 2-7 | 6,9 | 15,8 | 0,943766 | 0,943557 | 7,311136 | 16,74514 | - | 1.1 | 3.65 | 0,4 |
| 2-1 | 2,27 | 6,1 | 0,9 | 0,93 | 2,522222 | 6,55914 | - | - | - | 0,4 |
| ТП-2 | 8,2 | 19,4 | 0,932932 | 0,939781 | 8,789496 | 20,64311 | - | 1.3 | 3.6 | 0,43 |
| 5-6 | 3 | 3 | 0,83 | 0,83 | 3,614458 | 3,614458 | - | - | - | 0,43 |
| 4-5 | 3,95 | 7,18 | 0,854348 | 0,8942 | 4,62341 | 8,029519 | - | 0.95 | 1.8 | 0,5 |
| 3-4 | 5,2 | 11,28 | 0,870194 | 0,911744 | 5,975679 | 12,37189 | - | 1.25 | 4.1 | 0,5 |
| ТП-3 | 6,15 | 14,38 | 0,877207 | 0,91764 | 7,010886 | 15,67064 | - | 0.95 | 3.1 | 0,3 |
| 15-16 | 1,83 | 6,1 | 0,9 | 0,93 | 2,033333 | 6,55914 | - | - | - | 0,4 |
| 14-15 | 2,9475 | 9,75 | 0,9 | 0,93 | 3,275 | 10,48387 | 0.75 | - | - | 0,5 |
| 13-14 | 3,583125 | 11,8875 | 0,9 | 0,93 | 3,98125 | 12,78226 | 0.75 | - | - | 0,3 |
| 12-13 | 7,15 | 14,8875 | 0,830095 | 0,885588 | 8,613468 | 16,81086 | - | 2.15 | 3 | 0,2 |
| 11-12 | 10,15 | 23,3875 | 0,842402 | 0,878034 | 12,04888 | 26,63622 | - | 3 | 8.5 | 0,2 |
| ТП-11 | 11,1 | 26,5375 | 0,850245 | 0,887752 | 13,05506 | 29,89291 | - | 0.95 | 3.15 | 0,4 |
Таблица 3.1. Расчетная нагрузка на участках ВЛ 380/220 В. ТП2
| Номер участка | Расчётная мощность Рр.д., кВт | Расчётная мощность Рр.в., кВт | Коэффициент мощности cosφд | Коэффициент мощности cosφв | Максимальная полная мощность Sуч.д., кВ*А | Максимальная полная мощность Sуч.в., кВ*А | К-т одновременн | Надбавка ∆Pд кВт | Надбавка ∆Pв кВт | Наружное освещение кВТ |
| 18-19 | 1,6 | 5,38 | 0,9 | 0,93 | 1,777778 | 5,784946 | - | - | - | 0,5 |
| 17-18 | 2,775 | 9,21 | 0,9 | 0,93 | 3,083333 | 9,903226 | 0.75 | - | - | 0,5 |
| ТП-17 | 3,78375 | 12,585 | 0,9 | 0,93 | 4,204167 | 13,53226 | 0.75 | - | - | 0,4 |
| 23-24 | 1,83 | 6,1 | 0,9 | 0,93 | 2,033333 | 6,55914 | - | - | - | 0,3 |
| 22-23 | 3,075 | 10,2525 | 0,9 | 0,93 | 3,416667 | 11,02419 | 0.75 | - | - | 0,41 |
| 21-22 | 5,8 | 12,6525 | 0,956537 | 0,918774 | 6,063539 | 13,77107 | - | 1.8 | 2.4 | 0,53 |
| 20-21 | 6,75 | 15,8025 | 0,944313 | 0,922123 | 7,148055 | 17,13708 | - | 0.95 | 3.15 | 0,2 |
| ТП-20 | 6,75 | 15,8025 | 0,944313 | 0,922123 | 7,148055 | 17,13708 | - | - | - | 0,72 |
| 29-30 | 2,1 | 6,9 | 0,9 | 0,93 | 2,333333 | 7,419355 | - | - | - | 0,41 |
| 28-29 | 2,9475 | 9,75 | 0,9 | 0,93 | 3,275 | 10,48387 | 0.75 | - | - | 0,37 |
| 27-28 | 11,8 | 10,35 | 0,807318 | 0,936512 | 14,6163 | 11,05165 | - | 1.8 | 0.6 | 0,2 |
| 26-27 | 22,3 | 15,15 | 0,820013 | 0,96419 | 27,19469 | 15,71266 | - | 7.3 | 4.8 | 0,4 |
| 25-26 | 23,55 | 19,25 | 0,826897 | 0,953491 | 28,47996 | 20,18896 | - | 1.25 | 4.1 | 0,5 |
| ТП-25 | 25,95 | 21,65 | 0,822992 | 0,942568 | 31,53129 | 22,96916 | - | 2.4 | 2.4 | 0,4 |
| 5.84 | ||||||||||
Зная расчётную нагрузку на участках линии, уточним суммарную нагрузку на шинах ТП. Она получается путём суммирования расчётных нагрузок отходящих от ТП линий (для ТП1 участки ТП1-2, ТП1-3, ТП1-11; для ТП2 участки ТП2-17, ТП2-20, ТП2-25).















