150848 (621463), страница 2
Текст из файла (страница 2)
При КЗ унаслідок збільшення струму зростає спадання напруги в елементах системи, що приводить до зниження напруги у всіх точках мережі. Найбільше зниження напруги відбувається в місці КЗ і в безпосередній близькості від нього. У точках мережі, вилучених від місця ушкодження, напруга знижується в меншому ступені.
Збільшення струму може викликати ушкодження ізоляції і струмоведучих частин, тому що проходячи по неушкодженому устаткуванню і лініям електропередач струм КЗ нагріває їхній вище припустимої межі.
Зниження напруги при КЗ порушує роботу споживачів і порушує стійкість рівнобіжної роботи генератора. Другий наслідок від зниження напруги може привести до розпаду системи і припиненню живлення всіх її споживачів. Розглянуті наслідки КЗ підтверджують, що вони є важким і небезпечним видом ушкодження, що вимагає швидкого відключення.
2.2.2 Ненормальні режими
Перевантаження устаткування, викликане збільшенням струму сверхномінального значення. Номінальним називається максимальний струм, що допускається для даного устаткування протягом необмеженого часу. Якщо струм, що проходить по устаткуванню, перевищує номінальне значення, то за рахунок виділюваного їм додаткового тепла температура струмоведучих частин і ізоляції через якийсь час перевершує припустиму величину, що приводить до прискореного зносу ізоляції і її ушкодженню. Для попередження ушкодження устаткування при його перевантаження необхідно прийняти міри до розвантаження або відключення устаткування.
Хитання в системах виникають при виході із синхронізму працюючих паралельно генераторів (або електростанцій). При хитаннях у кожній точці системи відбувається періодична зміна («хитання») струму і напруги. Тік у всіх елементах мережі коливається від 0 до максимального значення, у багато разів перевищуючу нормальну величину. Напруга падає від нормального до деякого мінімального значення. Зростання струму викликає нагрівання устаткування, а зменшення напруги порушує роботу всіх споживачів системи.
Підвищення напруги небезпечно для ізоляції. Воно може виникнути при однобічному відключенні або включенні довгих ліній електропередач з великою ємнісною провідністю, а також виникає, як правило, на гідрогенераторах при раптовому відключенні їхнього навантаження.
2.2.3 Основні вимоги, пропоновані до захисту
а) від ненормальних режимів.
Ці захисти, також як і захисту від КЗ, повинні володіти селективністю, достатньою чутливістю і надійністю. Але швидкості дії від цих захистів, як правило не потрібно. Часто ненормальні режими носять короткочасний характер і ліквідуються самі. У таких випадках швидке відключення не тільки не є необхідним, але може завдати шкоди споживачам. Тому відключення устаткування при ненормальному режимі повинне вироблятися тільки тоді, коли настає дійсна небезпека для устаткування, що захищається, тобто в більшості випадків з витримкою часу. У тих випадках, коли усунення ненормальних режимів може зробити черговий персонал, захист від ненормальних режимів може виконуватися з дією тільки на сигнал.
б) від КЗ
Селективність – це здатність захисту відключати при КЗ тільки ушкоджена ділянка мережі. Таким чином, якщо підстанція зв'язана з мережею декількома лініями, то селективне відключення КЗ на одній з ліній дозволяє скоротити зв'язок цієї підстанції з мережею, забезпечивши тим самим безперебійне харчування споживачів. Селективне відключення є основною умовою для забезпечення надійного електропостачання споживачів.
Швидкість дії потрібна для обмеження розмірів руйнування устаткування, підвищення ефективності автоматичного повторного включення ліній і збірних шин, зменшення тривалості зниження напруги в споживачів і збереження стійкості рівнобіжної роботи генераторів, електростанцій і енергосистеми в цілому. Як наближений критерій необхідності застосування швидкодіючих захистів ПУЭ рекомендують визначати залишкова напруга на шинах електростанцій і вузлових підстанцій при трифазних КЗ у цікавлячій нас крапки мережі. Якщо залишкова напруга виходить менше 60% номінального, то для збереження стійкості варто застосовувати швидкодіючий захист.
Чутливість потрібна для того, щоб захист реагував на відхилення від нормального режиму, що виникають при КЗ. Чутливість захисту повинна бути такий, щоб вона діяла при КЗ наприкінці встановленої для неї зони в мінімальному режимі системи і при замиканнях через електричну дугу.
Надійність – це вимога полягає в тому, що захисту повинна безвідмовно працювати при КЗ у межах установленої для неї зони і не повинна працювати неправильно в режимах, при яких її робота не передбачається.
3 Попередній вибір типів захистів застосовано до захищаємого об’єкту
3.1 Захист трансформатора
Для трансформаторів потужністю 6,3 МВ-А з напругою на високій стороні 220 кВ низкою 6 кВ повинні бути передбачені пристрої релейного захисту від наступних видів ушкоджень і ненормальних режимів роботи:
- багатофазних КЗ в обмотках і на виводах;
- однофазних коротких замикань на землю в обмотках і на виводах, приєднаних домережі з глухозаземленою нейтралью;
-
виткових замикань в обмотках;
-
струмів в обмотках, обумовлених зовнішнім КЗ;
-
струмів в обмотках, обумовлених перевантаженням:
-
зниження рівня олії;
- однофазних замикань на землю на стороні 6 кВ.
Згідно для захисту від ушкоджень на виводах, а також від внутрішніх ушкоджень для трансформаторів потужністю 6,3 МВ-А і вище передбачається подовжній диференціальний струмовий захист без витримки часу. Подовжній диференціальний захист здійснюється з застосуванням реле струму, що володіють поліпшеним відбудуванням від кидків що намагнічує, перехідних і сталих струмів небалансу. Рекомендується використовувати реле з гальмуванням типу ДЗТ-11. Диференціальний захист трансформатора з реле ДЗТ-11 виконується так, щоб при внутрішніх ушкодженнях у трансформаторі гальмування було мінімальним або зовсім було відсутнє. Тому гальмова обмотка реле звичайно підключається до ТС, установленим на стороні НН трансформатора.
Для захисту трансформатора від ушкоджень усередині кожуха від зниження рівня олії згідно передбачений газовий захист, що реагує на утворення газів, що супроводжують ушкодження усередині кожуха трансформатора, у відсіку перемикача відпайок пристрою РПН. У якості реле захисту використовуються газові реле. Цей захист приймається як основний захист трансформатора. Він реагує на всі пошкодження в середині бака трансформатора, міжвіткові, міжфазні замикання та замикання на корпус трансформатора. Принцип дії даного типу захисту засновано на явищі газоутворення в баку пошкодженого трансформатора, інтенсивність якого залежить від вигляду пошкодження, що дає можливість виконати газовий захист, здатний розрівнювати ступень пошкодження та в залежності від цього діяти на сигнал або вимкнення.
Основним елементом газового захисту є газове реле, що встановлюється в трансформаторі, типу ВF-80/Q і реле пристрою РПН RS-1000.
Достоїнства захисту:
-
Висока чутливість;
-
Порівняно невеликий час спрацювання;
-
Простота використання;
-
Здатність захищати трансформатор при недоступному рівні масла по будь-яких причинах.
Недоліки захисту:
-
Нереагування захисту на пошкодження поза баком, в зоні між трансформатором та вимикачем.
-
Захист може подіяти при попаданні повітря в бак трансформатора.
Як захист від струмів в обмотках, обумовлених зовнішніми багатофазними КЗ, передбачається максимальний струмовий захист із комбінованим пуском напруги чи без нього.
Від струмів, обумовлених перевантаженням на трансформаторах потужністю 0,4 МВ-А і вище в залежності від імовірності і значення можливого перевантаження передбачають максимальний струмовий захист із дією на сигнал, а на підстанціях, ще» не обслуговуються, на розвантаження і відключення.
3.2 Захист лінії
Відповідно до ПУЕ для ліній у мережах 110-500 кВ з ефективно заземленої нейтралю повинні бути передбачені пристрої РЗ від багатофазних замикань і від замикань на землю. Для цього використовується:
– на одиночних лініях з однобічним живленням від багатофазних замикань варто встановлювати східчасті токові захисти.
1–а ступінь – струмова відсічка. Виконується без витримки часу. Діє при КЗ на лініях і резервує частину обмоток трансформатора.
2–а ступінь – МСЗ з витримкою часу. Діє при КЗ на лініях, замиканні обмоток трансформатора на стороні ВН.
Від замикань на землю повинна бути передбачений ступінчатий токовий спрямований або неспрямований захист нульової послідовності .
Захист повинен бути встановлений тільки з тих сторін, відкіля може бути подане живлення.
Даний захист складається з наступних ступіней:
1–а ступінь – спрямована або неспрямована струмова відсічка;
2–а ступінь – МСЗ нульової послідовності.
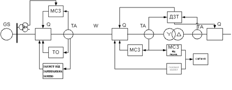
На підставі вище викладеного складаємо структурну схему захистів, що приведена на рис 3.1. шихтованими лініями зазначено на відключення яких вимикачів діє захист.
Рисунок 3.1 – Схема роботи захисту
4 Розрахунок уставок, вибір типів реле та з’ясування типів захисту
4.1 Розрахунок подовжнього диференціального захисту трансформатора
Диференціальні захисти силових трансформаторів виконують в основному на реле серії РНТ і ДЗТ. Розрахунок захисту складається у визначенні струмів спрацьовування захисту і реле, числа витків обмоток реле і коефіцієнта чутливості.
Первинний струм спрацьовування захисту з реле РНТ-565 вибирають за умовами відбудування від кидка струму намагнічування при включенні ненавантаженого трансформатора під напругу і максимальний струм небалансу при перехідних режимах зовнішніх КЗ. Диференціальний захист, струм спрацьовування якого обраний за умовою відбудування від струму небалансу, найчастіше виявляється грубим і малоефективним. Тому для захисту трансформаторів напругою 110 кВ і вище доцільніше застосовувати реле серії ДЗТ, що завдяки наявності гальмової обмотки забезпечує неспрацьовування захисту від струмів небалансу при зовнішніх КЗ.
Порядок розрахунку.
Знаходимо первинний струм на сторонах трансформатора, що захищається, відповідно його номінальній потужності
Коефіцієнт схеми з'єднання трансформаторів струму на високій стороні
а на низькій стороні –
Прийняті коефіцієнти трансформації трансформаторів струму
.
Визначимо вторинні струми в плечах захисту, що відповідають номінальній потужності трансформатора
Тому що
= 4,56 А >
= 2,88 А, то вища сторона є основною стороною.
Визначаємо первинний струм спрацьовування захисту з умови відбудування від кидка струму намагнічування
Знаходимо розрахунковий струм спрацьовування реле, приведений до основної сто рони ВН.
Для розрахунку числа витків гальмової обмотки реле визначимо струм небалансу
де
- складова, обумовлена різницею намагнічуючих струмів трансформаторів в плечах захисту;
- складова, обумовлена наявністю РПН у трансформаторів;
- складова, обумовлена відмінністю числа розрахункових і прийнятих витків реле на неосновній стороні.
де
=1 — коефіцієнт однотипності трансформаторів струму;
- коефіцієнт, що враховує перехідний режим;















