150536 (621281), страница 2
Текст из файла (страница 2)
Находим мощность общую расчетную.
Находим мощность общую табл. и делаем проверку.
Выбираем тип лампы.
Тип лампы Б215-225-150 Фл=2100 лм Рл=150 Вт
Расчет ведем методом коэффициентного использования.
Этот метод применяем в помещениях, где: а) нормируется горизонтальное освещение.
б) отсутствуют крупные затеняющие предметы.
в) имеются светлые заграждающие конструкции.
Рассчитаем этим методом пятое помещение 5 (ветобработки животных).
S=19.34 м2 Eн=20 лк
Выбираем светильник:
а) по назначению
в) по степени защиты (2. стр. 55-58) (IP20).
г) по экономическим показателям (2. стр. 59-64).
Выбираем светильник марку и мощность, количество ламп. (НСО-02-1*100) Д-1 КПД=65%
Определим рабочую высоту.
где H-высота помещения (м), hсв - высота свеса светильника от потолка (м), hр.п. - высота рабочей поверхности (м).
Определяем количество светильников по сторонам (А и В).
где Z-коэффициент неравномерности, N-количество светильников в рассчитываемом помещении, КПДоу - какая часть светового потока светильников используется на рабочей поверхности (2. стр. 16).
КПДоу=35%
pпот=70% pстен=50% pраб=30%
Вычитываем индекс помещения (2. стр. 68).
Выбираем тип лампы Б215-225-100 Фтабл=1350 лм
Проверяем, пройдет ли выбранная лампа по световому потому.
Точечный метод для ламп накаливания
Точечный метод применяется для расчета общего равномерного и локализованного освещения помещений и открытых пространств, а так же местного при любом расположении освещаемых плоскостей. Метод позволяет определить световой поток светильников, для создания требуемой освещенности в расчетной точке при известном размещении светильников и условий, что отражение от стен, потолка и рабочей поверхности не играет существенной роли.
Рассчитаем этим методом пятое помещение 8 (тамбуры).
S=19.34 м2 Eн=20 лк
Выбираем светильник:
а) по назначению
в) по степени защиты (2. стр. 55-58) (IP54).
г) по экономическим показателям (2. стр. 59-64).
Выбираем светильник марку и мощность, количество ламп. (НПП-04-1*60) Д-1 КПД=50%
Определим рабочую высоту.
где H-высота помещения (м), hсв - высота свеса светильника от потолка (м), hр.п. - высота рабочей поверхности (м).
Определяем количество светильников по сторонам (А и В).
Определяем условие освещенности в точке под светильником (так как светильник в этом помещении один то расчет упрощается, считаем только под светильником).
По полученным данным выбираем из Айзурбенга стр.176 выбираем тип лампочки: Б215-225-60 Фн=715 лм
Наружное освещение принимаем такое же, как и в помещении, номер восемь.
Рассчитываем помещение прожекторным методом.
Сводная таблица по тем помещениям, которые не вошли в примеры расчетов.
| № | Наименование помещения. | Источник света. | Марка светильника. | Тип выбранной лампы. |
| 1 | Пом. для телок на 116 мест с 6 до 12 мес. возраста. | ЛЛ | ЛСП 18-1*15 | ЛДЦ-15 |
| 2 | Пом. для быков на 24 места с 6 до 12 мес. возраста. | ЛЛ | ЛСП18-1*15 | ЛДЦ-15 |
| 3 | Вент камера. | ЛН | НСО-02-100 | БК215-225-100 |
| 4 | Инвентарная. | ЛЛ | ЛПО-02-2*65 | ЛБ-65 |
| 5 | Помещение для вет. обработки. | ЛН | НСО-02-200 | Б215-225-200 |
| 6 | Машинное отделение. | ЛЛ | ЛПО30-2*20 | ЛДЦ-20 |
| 7 | Пом. перегрузки навоза. | ЛН | НСП01-1*200 | Б215-225-200 |
| 8 | Тамбуры | ЛН | НПП-04-1*60 | Б215-225-60 |
| 9 | Электрощитовая. | ЛЛ | ЛПО-21-2*40 | ЛБ-40 |
| 10 | Коридор. | ЛЛ | ЛПО25-2*40 | ЛБ-40 |
| 11 | Выгул быков | ГЛВД | ---------- | ------------ |
| 12 | Выгул телок | ГЛВД | ||
| 13 | Наружное освещение. | ЛН | НПП-04-1*60 | Б215-225-60 |
3. Электрическая часть
Расчет электрических осветительных сетей включает определение сечений проводов и кабелей, при которых рабочий ток линий не создает нагрева проводов и кабелей, при которых рабочий ток не создает перегрева проводов, обеспечиваются требуемые уровни напряжения у ламп и достаточная механическая прочность у проводов.
Выбор схемы электроснабжения и напряжения осветительной установки.
Питание осветительной сети осуществляется от трансформаторов. При напряжении силовых приемников 380 В питание установок осуществляется, как правило, от трансформаторов 380/220 В, общих для силовой и осветительной нагрузки.
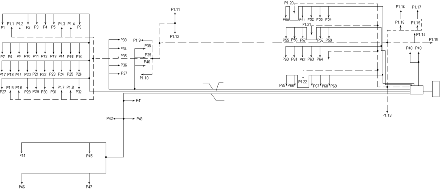
Рис. 2 Электрическая схема№1.
Осветительные щиты напитываются через силовой осветительный щит. На каждый осветительный щит силовом распределительном пункте предусматривается отдельная группа.
В сельскохозяйственном производстве в основном применяются осветительные сети переменного тока с заземленной нейтралью напряжением 380/220 В. Сети с изолированной нейтралью используются в специальных установках с повышенным требованием электробезопасности, а постоянный ток - для резервного питания особо ответственных осветительных приемников и в специальных электроустановках.
Ниже приведены мощности осветительных установок:
Расчетная схема осветительной сети.
Расчет сечения проводов на min проводников материал не считают. Для того чтобы сосчитать сечение проводов надо найти моменты всех ветвей и участков на приведенной сх.1. Ниже приведен полный расчет для одной группы светильников, а все остальные расчеты будут сведены в табл.№4.
4. Расчет технико-экономических показателей осветительной установки
Проектирование освещения является многовариантной задачей. Каждый из возможных вариантов, создающий одинаковые условия освещения, может отличаться типом используемых светильников, проводов, видов проводки и т.п. Вследствие этого будут различными капитальные затраты, эксплутационные расходы и долговечность установки.
1. Экономическую эффективность осветительной установки оценивают приведенными затратами:
где З- приведенные затраты по рассматриваемому варианту, руб.
Ен=0,15 – нормативный коэффициент эффективности капитальных вложений.
К- капитальные вложения на сооружение осветительной установки, руб.
Э- годовые эксплутационные расходы на систему искусственного освещения, руб.
2. Капитальные затраты на изготовление осветительной установки рассчитываются по формуле:
где N – общее число одного типа в осветительной установке, шт.
Кл – цена одной лампы, руб.
n- число ламп в одном светильнике, шт.
Кс – цена одного светильника, руб.
Км – стоимость монтажа одного светильника, руб.
коэффициент, учитывающий потери энергии в ПРА, принимается 1,2 при люминесцентных лампах и 1,1 при лампах ДРЛ и ДРИ.
Рл – мощность одной лампы, Вт.
Кмэ – стоимость монтажа электротехнической части осветительной установки (щитки, сеть и др.) на 1 кВт установленной мощности ламп с учетом потерь в ПРА, ориентировочно принимается 100 руб./кВт.
Стоимость монтажа светильника определяют по ценникам на электромонтажные работы или ориентировочно принимается равной 25% стоимости светильника.
Эксплуатационные расходы складываются из стоимости электроэнергии, затрачиваемой на освещение, стоимости заменяемых ламп, стоимости чистки светильников и автоматизированных отчислений, которое для светильников, электрооборудование и осветительных сетей принимаются в размере 10% капитальных затрат.













