150469 (621272), страница 3
Текст из файла (страница 3)
Комплексы данных напряжений запишем из условия, что вектор
совмещен с действующей осью комплексной плоскости;
В;
В;
В.
2) Вычислить комплексы фазных сопротивлений.
Ом,
где ZAB=2 Ом, φAB=19,9º;
Ом,
где ZBC=4,82 Ом, φBC=30º;
Ом,
где ZCA=4,03 Ом, φCA=39,5º.
3) Определить фазные токи:
А,
модуль IAB=19 А, ψAB=-19,9º;
,
модуль IBC=7,88 А, ψBC=-90º;
А,
модуль ICA=9,43 А, ψCA=80,5º.
4) Находим линейные токи из уравнений, записанных по первому закону Кирхгофа для узлов A, B, C.
А,
модуль IА=22,69 А, аргумент ψА=44º;
А,
модуль IB=17,93 А, аргумент ψB=-4,5º;
A,
модуль IC=17,25 А, аргумент ψC=84,9º.
5) Вычислить мощность каждой фазы и всей цепи:
ВּА,
где SAB=722 BּA, PAB=679,89 Вт, QAB=-245,75 вар;
ВּА,
где SВС=299,44 BּA, PBС=-259,32 Вт, QAB=149,72 вар;
ВּА,
где SCA=360,24 BּA, PCA=-337,43 Вт, QAB=-126,16 вар;
где S=236,89 BּA, P=82,14 Вт, QAB=-222,19 вар.
6) Строим в масштабе векторную диаграмму напряжений и токов.
Векторы фазных токов
,
,
строятся под углами ψAB, ψBC, ψCA к действительной оси. К концам векторов
,
,
пристраиваются отрицательные фазные токи согласно уравнениям:
,
,
.
Замыкающие векторные треугольники векторов
,
,
представляют в выбранном масштабе линейные токи.
Выбираем масштаб: MI=3 А/см.
см;
см;
см.
рис 2.5
2.3 Исследование переходных процессов в электрических цепях, содержащих конденсатор и сопротивление
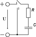
Цепь с последовательно включенными конденсатором емкостью С = 50 мкФ и сопротивлением R = 10 КОм подсоединяется к источнику постоянного напряжения U = 50 В (переключатель в положении 1). Определить законы изменения переходных напряжений и тока при заряде конденсатора и построить их графики. Затем цепь отключается от источника и одновременно переключатель переводится в положение 2. Определить законы изменения переходных напряжений и тока при разряде конденсатора и построить их графики. Определить фактическую длительность заряда и разряда конденсатора и энергию электрического поля при 1 = Зτ. Схема цепи приведена на рис.2.6
1) Переключатель в положении 1 (заряд конденсатора)
τ =RּC=104ּ50ּ16-6=0,5c
На основании второго закона коммутации получены законы, характеризующие напряжение и ток при заряде конденсатора.
где U - напряжение источника
uуст=U - установившееся значение напряжения при заряде конденсатора
- свободная составляющая напряжения при заряде конденсатора.
Зарядный ток равен свободной составляющей, т.к ток установившегося режима равен 0 (iуст=0).
Длительность заряда конденсатора:
t=5τ=5ּ0,5=2,5 с.
Вычисляем значение напряжения на конденсаторе при его заряде для значений времени t=0, τ, 2τ, 3τ, 4τ, 5τ.
t=0,
В;
t=τ,
B;
t=2τ,
B;
t=3τ,
B;
t=4τ,
B;
t=5τ,
B.
Аналогично вычисляем значения зарядного тока согласно закону изменения переходного тока при заряде конденсатора для значений времени t=0, τ, 2τ, 3τ, 4τ, 5τ.
| t, c | 0 | τ | 2τ | 3τ | 4τ | 5τ |
| i, мкА | 25 | 9, 19 | 3,38 | 1,24 | 0,46 | 0,17 |
Согласно полученным результатам строим графики зарядного напряжения и тока в зависимости от τ. (рис 2.7)
Из построенных графиков u (t) и i (t) можно для любого момента времени определить значение u и i, а также рассчитать запасенную энергию в электрическом поле заряженного конденсатора. Например, при t=3τ:
Дж.
2) Переключатель в положении 2 (разряд конденсатора).
Быстрота разряда конденсатора также зависит от параметров цепи и характеризуется постоянной времени, разряда конденсатора:
τ =RC=104ּ50ּ10-6=0,5 с
На основании второго закона коммутации получены законы, характеризующие напряжение и ток при разряде конденсатора:
где U - напряжение заряженного конденсатора до начала разряда.
Разрядные напряжения и ток равны их свободным составляющим, т.к напряжение и ток установившегося режима после разряда равны 0 (uc уст=0, iуст=0).
Длительность разряда конденсатора:
t=5τ=0,5ּ5=2,5 с.
Вычисляем значения напряжения конденсатора при его разряде для, значений времени
t=0, τ, 2τ, 3τ, 4τ, 5τ.
t=0,
В;
t=τ,
B;
t=2τ,
B;
t=3τ,
B;
t=4τ,
B;
t=5τ,
B.
Аналогично вычисляем значения разрядного тока согласно закону изменения переходного тока при разряде конденсатора для тех же значений времени.
А.
Знак "-" говорит о том, что разрядный ток имеет обратное направление зарядному.
t=0,
мкА;
t=τ,
мкА;
t=2τ,
мкА;
t=3τ,
мкА;
t=4τ,
мкА;
t=5τ,
мкА.
Согласно полученным расчетам строим графики разрядного напряжения и тока в зависимости от τ (рис 2.8).
рис 2.8
Энергия электрического поля конденсатора в момент времени t=3τ:
Дж.
Литература
-
Галицкая Л.Н. "Теоретические основы электротехники. Курсовое проектирование" - Минск 1997г.
-
Попов В.С. "Теоретическая электротехника" - Москва 1990г.
-
Евдокимов Ф.Е. "Теоретические основы электротехники". Издательство "Высшая школа" - Москва 2002г.
-
Вычисляем токи ветвей исходной цепи, выполняя алгебраическое сложение частных токов, учитывая их направления.















