150222 (621240), страница 2
Текст из файла (страница 2)
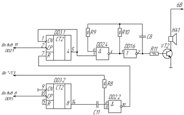
Рисунок 5 - Модифікація схеми для уникнення хибного спрацювання
Сигнал тривоги пролунає лише в тому випадку, якщо на вхід СР лічильника DD3.1 надійдуть чотири відбитих імпульси. Але відбутися це повинно на часовому інтервалі тривалістю 16Т (3,2 с), оскільки спадом кожного шістнадцятого імпульсу генератора, лічильник DD3.1 повертається в нульовий стан (імпульс скидання тривалістю 20 мкс формується на виході елемента DD2.2). Тобто, якщо на одному з таких часових інтервалів датчик зафіксує чотири відбитих імпульси, він включить тривожну сигналізацію. Час її звучання - tтр.
Пристрій може ввійти в охоронну систему в якості одного з її давачів. Для неї буде становити інтерес лише сигнал, що виникає на виході елемента DD2.1 [5].
5. Розробка методики розрахунку давача наближення
Розглянемо залежність параметрів схеми від номіналів її елементів. ІЧ діод, періодично збуджується імпульсами струму, амплітуда яких Iімп=(Uживл-3,5)/R5. Саме від цього параметра залежить чутливість схеми й дальність її спрацьовування. Однак, залежність відстані від амплітуди є нелінійною й не може бути обчислена аналітично, тому встановлюється експериментально шляхом зміни резистора R5. Відстань спрацьовування при певних значеннях величини резистора R5 записані в таблиці 2. Виміри проводилися при напрузі живлення 6В. Мінімальне значення Dлюд відповідає людині в темному халаті.
Таблиця 2 Залежність чутливості схеми від амплітуди імпульса
| Iімп, А (R5, Ом) | Dлюд, м | Dст, м |
| 0,04 (62) | 0,5..0,9 | 1,5 |
| 0,16 (16) | 1..1,6 | 3 |
| 0,64 (3,9) | 1,8..2,5 | 4,3 |
Графік залежності відстані спрацювання схеми від амплітуди імпульсу зображений на рисунку 6.
Рисунок 6 – Залежність відстані спрацювання від амплітуди імпульсу
Тривалість генерованих схемою імпульсів може бути полічена по формулі 3.1:
tімп=0,7R3C2, (3.1)
де R3 – номінал резистора R3 з схеми в додатку А
С2 – номінал конденсатора С2 з схеми в додатку А
Період появи імпульсів 3.2:
T=1,4R2C1, (3.2)
де R2 – номінал резистора R2 з схеми в додатку А
С1 – номінал конденсатора С1 з схеми в додатку А
При спрацьовуванні схеми на виході виникає імпульс тривалістю 3.3:
Tзв=0,7R8C7, (3.3)
де R8 – номінал резистора R8 з схеми в додатку А
С7 – номінал конденсатора С7 з схеми в додатку А
ВИСНОВКИ
В даній курсовій роботі були розглянуті різні типи давачів наближення: інфрачервоні, радіохвильові ( об'ємні та лінійні ), ультразвукові, магнітоконтактні. Кожен із цих типів має свої переваги і свої недоліки, а також свою галузь застосування. Так, для виявлення рухомих об’єктів, якими можуть бути, наприклад злодії, широкого використання набули інфрачервоні давачі, через простоту та надійність. Саме через це такий давач і був обраний для розробки та розрахунку в курсовій роботі.
При розробці принципової схеми були дані практичні рекомендації по полагодженню проблем, які можуть виникнути при роботі з приладом. Також для випадків коли не потрібна велика чутливість наведена схема, що дає змогу зменшити її до необхідного рівня.
Після розробки принципової схеми була розроблена методика розрахунку номіналів її елементів. Розроблена методика включає в себе розрахунок номіналів схеми для отримання бажаної величини таких параметрів:
-
амплітуди генерованих імпульсів;
-
довжини генерованих імпульсів;
-
період генерації імпульсів;
-
тривалість вихідного імпульсу.
Було встановлено, що хоча відстань виявлення об’єкту і залежить від амплітуди, але є нелінійною і не може бути встановлена аналітично. По експериментально встановленим точкам за допомогою інтерполяції була побудована функція, що дає уявлення про характер залежності.
За розробленою методикою розрахунку був складений алгоритм та розроблена програма, що розраховує номінали схеми таким чином, щоб вони співпадали із введеними користувачем. Програма розрахунку написана на мові C++ в середовищі Visual C++ 6.0.
Через те, що досить складно отримати необхідний результат із першого разу, після проведення розрахунків користувачу пропонується повторити введення даних, якщо користувач погоджується, то програма починається спочатку, інакше вона завершується.
Принципова схема давача наближення наведена в додатку А, перелік елементів схеми – в додатку Б. Приклад розрахунку давача приведений в додатку В, алгоритм роботи програми – в додатку Г. Текст програми розрахунку та результати її роботи наведені в додатках Д та Е відповідно.
ПЕРЕЛІК ПОСИЛАНЬ
-
Электронная библиотека (18.12.2007) –
http://www.avto.oglib.ru/bgl/3367/90.html
-
Фрайден Дж. Современные датчики. Изд-во Техносфера, 2005 – 592 с.
-
Джексон Р.Г. Новейшие датчики. Изд-во Мир электроники, 2007 – 380 с.
-
Котюк А.Ф. Датчики в современных измерениях. Изд-во "Радио и связь", 2006 - 96 с.
-
Инфракрасный датчик присутствия (10.10.2007) –
http://www.guarda.ru/guarda/data/infra_red/txt_06.php
-
Каталог елементів (20.12.2007) –
http://www.voltmaster.ru/cgi-bin/qweryv.pl?pg=1&group=10605
-
Васюра А.С. "Електромагнітні елементи та пристрої систем управління і автоматики", ч. ІІ. "Електромагнітні елементи цифрової техніки". Навчальний посібник. – Вінниця, ВДТУ, 2001. – 162 с.
-
Васюра А.С., Компанець М.М., Кривогубченко С.Г., Кулік А.Я., МізернийВ.М. Принципи проектування електронних засобів автоматики. / Навчальний посібник. – Вінниця, ВДТУ, 1999. – 121 с.
-
Васюра А.С. „Електромагнітні елементи та пристрої систем управління і автоматики", ч.I. „Електромагнітні елементи аналогових пристроїв"/Навчальний посібник – Вінниця:, ВДТУ, 2000.
-
Мікроелектронні сенсори фізичних величин: Науково-навчальне видання. В 3 томах. Том 1./ Вуйцин В.В., Гонта З.Ю., Григор'єв В.В., Калита В.М., Мельник О.М. За редакцією З.Ю. Гонти, – Львів: Ліга-Прес,2002. – 475с.
Додатки
Додаток В – Приклад розрахунку давача наближення
Розрахувати давач наближення з амплітудою генерованих імпульсів 0,25А, довжиною генерованих імпульсів 10,5 мкс, періодом генерації імпульсів 0,16 с, тривалістю вихідного імпульсу 0,08 с.
Напругу живлення можна обрати рівною 6В. Далі розрахунок проводиться за методикою, розробленою в розділі 3.
.
Решта елементів беруться з такими номіналами, які вказані в додатку Б.
Додаток Г – Алгоритм розрахунку давача наближення
Додаток Д – Лістинг програми розрахунку давача наближення
#include
#include
#include
void findRC( double &r, double &c, double res, double delta = 0.0, double step = 0.00000000001 )
{
int sign = 1;
if ( ( r * c ) > res )
{
sign = -1;
}
double minDelta = fabs( res - r * c );
while ( minDelta > delta )
{
r += step * sign;
c += step * sign;
if ( fabs( res - r * c ) > minDelta )
{
r -= step * sign;
c -= step * sign;
break;
}
minDelta = fabs( res - r * c );
}
}
void main( )
{
double inpVolt;
double iImp;
double tImp;
double T;
double tZv;
char choose;
do
{
printf( "Enter input voltage: ");
scanf( "%lf", &inpVolt );
printf( "Enter impulse amplitude: ");
scanf( "%lf", &iImp );
printf( "Enter generated impulses length: ");
scanf( "%lf", &tImp );
printf( "Enter impulses period: ");
scanf( "%lf", &T );
printf( "Enter output impulse length: ");
scanf( "%lf", &tZv );
double r5 = ( inpVolt - 3.5 ) / iImp;
printf( "R5 = %.3lf Ohm\n", r5 );
double r3 = 10 * pow( 10, 3 );
double c2 = 1000 * pow( 10, -12 );
findRC( r3, c2, tImp / 0.7 );
printf( "R3 = %.2e Ohm, C2 = %.2e Farad\n", r3, c2 );
double r2 = 300 * pow( 10, 6 );
double c1 = 0.047 * pow( 10, -6 );
findRC( r2, c1, T / 1.4 );
printf( "R2 = %.2e Ohm, C1 = %.2e Farad\n", r2, c1 );
double r8 = 300 * pow( 10, 6 );
double c7 = 0.047 * pow( 10, -6 );
findRC( r8, c7, tZv / 0.7 );
printf( "R8 = %.2e Ohm, C7 = %.2e Farad\n", r8, c7 );
printf( "\n TESTING:\n" );
printf( "Iimp = (V - 3.5) / R5 = ( %.2e - 3.5 ) / %.2e = %.2e\n", inpVolt, r5, ( inpVolt - 3.5 ) / r5 );
printf( "timp = 0.7*R3*C2 = 0.7 * %.2e * %.2e = %.2e\n", r3, c2, 0.7 * r3 * c2 );
printf( "T = 1.4*R2*C1 = 0.7 * %.2e * %.2e = %.2e\n", r2, c1, 1.4 * r2 * c1 );
printf( "Tzv = 0.7*R8*C7 = 0.7 * %.2e * %.2e = %.2e\n", r8, c7, 0.7 * r8 * c7 );
while( kbhit( ) )
{
getche( );
}
printf( "\nDo you want to repeat calculation (y/n)? " );
choose = getche( );
printf( "\n\n" );
} while( choose != 'n' );
}
Додаток Е – Результати роботи програми розрахунку давача наближення
Enter input voltage: 6
Enter impulse amplitude: 0.25
Enter generated impulses length: 0.0000105
Enter impulses period: 0.16
Enter output impulse length: 0.08
R5 = 10.000 Ohm
R3 = 1.00e+004 Ohm, C2 = 1.50e-009 Farad
R2 = 3.00e+008 Ohm, C1 = 3.80e-010 Farad
R8 = 3.00e+008 Ohm, C7 = 3.80e-010 Farad
TESTING:
Iimp = (V - 3.5) / R5 = ( 6.00e+000 - 3.5 ) / 1.00e+001 = 2.50e-001
timp = 0.7*R3*C2 = 0.7 * 1.00e+004 * 1.50e-009 = 1.05e-005
T = 1.4*R2*C1 = 0.7 * 3.00e+008 * 3.80e-010 = 1.60e-001
Tzv = 0.7*R8*C7 = 0.7 * 3.00e+008 * 3.80e-010 = 7.98e-002
Do you want to repeat calculation (y/n)? n













