146920 (621154), страница 2
Текст из файла (страница 2)
, (3.3)
де t3 - температура зовнішнього повітря, °С;
tB - температура в середині вагона, °С.
Температура в середині рефрижераторного вагона дорівнює середній темпе-ратурі швидкопсувного вантажу, шо перевозиться:
-
охолоджений при 0...-3 °С.
Вт.
Теплонадходжтіня від сонячної радіації
Розрізняють теплонадходження від прямої сонячної радіації та теплонад-ходження від розсіяної радіації.
Інтенсивність прямої сонячної радіації на площадку перпендикулярну сонячним променям, кДж/м2·год:
, (3.4)
де Р - коефіцієнт прозорості атмосфери, (Р = 0,7...0,8);
h - кут стояння сонця.
, (3.5)
де δ - кут нахилу сонця, (δ = 20°);
φ - широта місцевості, град;
γ - часовий кут, град (γ =30°).
.
кДж/м2·год.
Інтенсивність прямої радіації на дах, кДж/м2 ·год:
(3.6)
кДж/м2·год.
Інтенсивність прямої радіації на вертикальну стінку:
, (3.7)
де αс – азимут сонця, град,
;
- кут між меридіаном та напрямком руху поїзда, град (північ – південь
= 00 ).
,
кДж/м2 · год.
Інтенсивність розсіяної радіації на дах, кДж/м2 · год:
, (3.8)
кДж/м2 · год.
Інтенсивність розсіяної радіації на вертикальну стінку, кДж/м2 · год:
, (3.9)
кДж/м2 · год.
Сумарна інтенсивність радіації, кДж/м2 · год:
, (3.10)
, (3.11)
кДж/м2 · год,
кДж/м2 · год.
Умовне еквівалентне підвищення температури зовнішнього повітря за рахунок сонячної радіації, град:
, (3.12)
де ρ - коефіцієнт поглинання променевої енергії, (ρ = 0,6...0,8);
- відносне значення освітлення сонцем поверхонь,
.
,
,
.
Теплонадходження за рахунок сонячної радіації складає, Вт:
, (3.13)
Вт,
Вт.
4. ОПИС ПРИЙНЯТОЇ ХОЛОДИЛЬНОЇ МАШИНИ ТА СИСТЕМИ ОХОЛОДЖЕННЯ
Парова компресійна холодильна установка
Вантажний вагон рефрижераторної секції має паро-компресійну холодильну установку, яка фреонова, автоматизована, одноступеневого стиснення, з безпосередньою системою охолодження та повітряним способом охолодження. Холодильна установка має моноблочну конструкцію і складається з компресорно-конденсаторного агрегата і повітроохолоджувача (випарника). Компресорно-конденсаторний агрегат розміщений в машинному відділенні, повітроохолод-жувач в вантажному приміщені вагона.
До складу холодильної установки входять (рис. 4.1): компресор-поршневий, фреоновий з повітряним охолодженням, конденсатор повітряний; ребристо-змієвиковий примусової циркуляції повітря від вентилятора; ресивер лінійний, має два запірні вентилі на вході і виході. Механічний фільтр сітчатий, фільтр осушувач ціолітовий. Соленоїдний вентиль рідинної лінії подає чи закінчує подачу рідкого фреона на дроселювання в залежності від режиму роботи холодильної установки. Терморегуляційний вентиль дроселює рідкий фреон в повітроохолоджувач в залежності від температури перегріва пари фреона на виході з повітроохолоджувача. Регулятор тиску всмоктування регулює тиск всмоктування пара фреона в компресор. Пресостат захисту по високому тиску випробування вимикає компресор при високому тиску нагнітання. Термостат вимикання компресора при низькій температурі картера вмикає підігрівач масляної ванни і вмикає компресор при підвищенні температури картера. Термостат закінчення відтайки відключає процес відтайки снігової шуби з випарника при температурі парів фреона на виході з випарника +14°С. Пресостат управління конденсатора відключає і включає вентилятори компресора.
Робота холодильної машини в режимі холод
В випарнику (повітроохолоджувачі) кипить рідкий фреон при низькому тиску кипіння і низькій температурі відводячи теплоти від повітря, яке циркулює у приміщенні вантажного вагона.
Утворені при кипінні пари фреону відсмоктуються компресором із повітроохолоджувача через регулятор тиску всмоктування. В компресорі пари фреону стискуються до тиску конденсата і нагнітаються в конденсатор. В конденсаторі пари фреону охолоджуються і конденсуються при тиску і температурі конденсації, віддаючи теплоту повітрю, яке продувається через конденсатор вентиляторами. Рідкий фреон із конденсатора потрапляє в ресивер (де накопичується), а із ресивера через механічний фільтр, фільтр-осушувач, відкритий соленоїдний вентиль рідинної лінії до терморегулювального вентиля.
Терморегулювальний вентиль дроселює рідкий фреон в повітроохолоджувач в залежності від температури парів фреона на виході із повітроохолоджувача. В повітроохолоджувачі рідкий фреон знову кипить, відводячи теплоту від охолоджуваного вантажу в вагоні.
Робота холодильної машини в режимі відтайки снігової шуби
Снігова шуба з повітроохолоджувача відтаює гарячими парами фреону.
При відтайці не працюють вентилятори конденсатора і повітроохолоджувача, закритий соленоїдний вентиль рідинної лінії і відкритий соленоїдний вентиль лінії відтайки.
При роботі компресора пари фреону відсмоктуються із повітроохолоджувача через регулятор тиску всмоктування. Компресор стискує пари фреону до високого тиску і температури, і гарячі пари фреону через відкритий вентиль лінії відтайки поступають в повітроохолоджувач.
Процес відтайки продовжується до тих пір, доки температура пари фреону на виході із повітроохолоджувача не досягне +14°С, при досягненні цієї температури спрацьовує термостат закінчення відтайки, і переключає машину в режим холод, при цьому вмикаються вентилятори повітроохолоджувача і конденсатора, відкривається соленоїдний вентиль рідинної лінії і закривається соленоїдний вентиль лінії відтайки, компресор продовжує працювати.
5 ПОБУДОВА В Id-ДІАГРАМІ ПРОЦЕСІВ ОБРОБКИ ПОВІТРЯ В СИСТЕМІ ОХОЛОДЖЕННЯ
При розгляданні процесів зміни параметрів повітря у вантажному приміщеній рефрижераторного вагона вважають, що процес повністю встановився, тобто вантаж не виділяє вологи і відносна вологість повітря на виході з повітроохолоджувача знаходиться в межах φ = 85...95%.
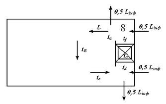
Рисунок 5.1 – Система охолодження рефрижераторного вагона:
tB - середня температура повітря у вантажному приміщенні вагона. °С;
tC - температура повітря на виході з вантажного приміщення вагона, °С;
td - температура повітря на вході повітроохолоджувача, °С;
to - температура кипіння рідкого холодоагенту в повітроохолоджувачі, °С;
tf - температура повітря на виході повітроохолоджувача, °С;
tа - температура повітря на вході до вантажного приміщення вагона. °С;
L - сумарні витрати повітря через вагон;
Lінф - кількість інфільтраційного повітря.
Рисунок 5.2 - Процеси обробки повітря в системі охолодження в Id-діаграмі
Лінія (а-с) - підігрів повітря у вантажному приміщенні вагона за рахунок охолодження вантажу;
лінія (с-d) - переміщення повітря з вантажного приміщення вагону з інфільтраційним повітрям перед повітроохолоджувачем;
лінія (d-f) - охолодження повітря у повітроохолоджувачі;
лінія (f-а) - переміщення повітря на виході з повітроохолоджувача з інфільтраційним повітрям.
Під час руху у вантажне приміщення вагона потрапляє інфільтраційне повітря через різноманітні отвори.
При розрахунках умовно вважають, що інфільтраційне повітря надходить до вантажного приміщення двома шляхами: безпосередньо перед повітроохолоджувачем і одразу після повітроохолоджувача.
Температурний режим у вантажному приміщенні вагона при перевезенні вантажу задається нижньою та верхньою межею.
. (5.1)
, (5.2)
де
- перепад температур повітря на вході та виході з вантажного приміщення вагона (
=4...6 С).
°С,
°С.
Параметри повітря на вході до вантажного приміщення вагона в Id-діаграмі відповідають точці а, яка знаходиться на перетині ізотерми ta = соnst та лінії відносної вологосіі φ = соnst = 85...95%.
У вантажному приміщенні вагона повітря підігрівається при постійному вологовмісті da = соnst до температури tс. Точка с, що відповідає параметрам повітря на виході з вантажного приміщення вагона, знаходиться на перетині лінії постійного вологовмісту da = соnst та ізотерми tс.
По Id-діаграмі визначаємо ентальпії повітря на вході ( Ia, кДж/кг) та на виході (Iс, кДж/кг) з вантажного приміщення вагона.
Визначаємо сумарні витрати повітря через вагон, кг/год:
, (5.3)
де Qсум - сумарна кількість тепла, яка надходить до вантажного приміщення рефрижераторного вагона, Вт.
кг/год.
Визначаємо кількість інфільтраційного повітря, кг/год:
, (5.4)
де Vінф - об'єм інфільтраційного повітря, Vінф = 40 м3/год;
ρ3 - густина зовнішнього повітря, кг/м3.
, (5.5)
де Рб - тиск зовнішнього повітря, Рб= 105 Па;
R - газова стала повітря, R = 287 Дж/кг·К;
Т3 - абсолютна температура зовнішнього повітря, (T3 = 273 + t3) K.
кг/м3,
кг/год.
ІІовітря з параметрами на вході до вантажного приміщення, точка а, є результатом переміщення порції повітря, що пройшло через повітроохолоджувач та половини інфільтраційного повітря.
Точка з , що відповідає на діаграмі параметрам зовнішнього повітря, знаходиться на перетині ізотерми t3 = соnst та лінії відносної вологості φ3 = соnst.
З'єднаємо відрізки точки з та а. На продовженні прямої з-а буде знаходитись точка Т, параметрами повітря на виході з повітроохолоджувача до змішування і інфільтраційним повітрям.













