144602 (620653), страница 2
Текст из файла (страница 2)
кН
Определим требуемый момент сопротивления:
м
= 2240 см
Оптимальную высоту балки можно найти из условия жесткости:
Из данной формулы выразим I
:
м
= 68000 см
Отсюда:
м
Значение h
удовлетворяет условию: h
Принимаем h
= 0.6 м
Тогда толщина стенки двутавра:
Принимаем
= 9 мм
Высота полочки:
Примем
мм
Примем 18 мм
мм
мм
Выразим b
из данного выражения:
см
Необходимо выполнение условия: b
200 мм. Поэтому, принимаем b
= 24 см.
Определим геометрические характеристики сечения:
см
см
см
6. Основные проверки
1) Проверка прочности опорного сечения по касательным напряжениям:
Производится по формуле:
, где
R
- расчетное сопротивление стали сдвигу
, где
- коэффициент надежности по материалу (
= 1.025)
= 245 МПа
МПа
Rs*1.1=138.63*1.1=152.46МПа
МПа
83,3<152.46
Условие выполняется. Следовательно, сечение подобрано верно.
2) Проверка прочности среднего сечения по нормальным напряжениям:
Производится по формуле:
, где
R
- расчетное сопротивление стали сжатию
см
МПа
Условие прочности выполняется.
3) Проверка прочности по местным напряжениям:
В данном случае проверяется точка, принадлежащая стенке балки, непосредственно под балкой настила по формуле:
, где
F – сила давления от балки настила на главную балку.
- условная длина распределения локальной нагрузки.
Для двутавра № 24 b = 115 мм.
мм
кН
МПа
Условие прочности выполняется.
4) Проверка общей устойчивости балки:
Данная проверка производится по формуле:
, где (1)
- коэффициент, определяемый по приложению 7 СНиПа II–23–81 «Стальные конструкции».
W
- следует определять для сжатого пояса.
Если выполняется неравенство:
, то условие (1) можно не проверять.
Величину
примем по таблице 8 СНиПа II–23–81 «Стальные конструкции» из расчета, что нагрузка приложена к верхнему поясу:
, где
b – ширина сжатого пояса
t – толщина сжатого пояса
h – расстояние между осями поясных листов
Определим отношение
:
должно составлять не менее 15. Следовательно, принимаем
.
Подставим данное значение в формулу для нахождения предельной величины:
- коэффициент, определяемый по п. 5.20. СНиПа II–23–81 «Стальные конструкции» по формуле:
, где
, если выполняется условие
(условие не выполняется).
С1=1,05*Вс
С1=1,05*0,924=0,97 Принимаем с1=1
Подставим полученные значения в формулу для δ:
Найдем
:
Условие выполняется. Проверку по формуле (1). приложения 7 СНиПа II–23–81 «Стальные конструкции» проверять не требуется
5) Проверка местной устойчивости полки:
Производится по неравенству:
, где значение предельной величины определяется по таблице 30 СНиПа II–23–81 «Стальные конструкции».
Сначала проверим условие:
Данное условие выполняется, следовательно, выбираем формулу для граничного значения из примечания к таблице 30:
см
мм = 11,55 см
Условие
см выполняется.
6) Проверка местной устойчивости стенки:
Устойчивость стенок балок не требуется проверять, если соблюдается следующее неравенство:
, где
- условная гибкость стенки.
2.5 – коэффициент, значение которого не должна превышать условная гибкость стенки при наличии местного напряжения в балках с двусторонними поясными швами.
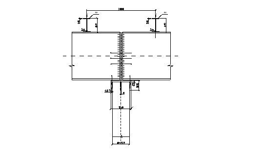
Следовательно, расстановку ребер проведем конструктивно.
Согласно правилам расстановки ребер жесткости этажных сопряжений балок в зоне образования пластического шарнира ребра жесткости устанавливаются под каждой балкой настила. На остальных участках ребра жесткости устанавливают под балками настила с шагом, не превышающим предельно допустимый.
Выявим зону образования пластического шарнира:
м
Согласно п. 7.10. СНиПа II-23-81* «Стальные конструкции», расстояние между основными поперечными ребрами в случае, если
, не должно превышать 2.5
, т.е 2.5∙56,4 = 141 см.
Допускается превышать указанное выше расстояние между ребрами до значений
3
, т.е 3∙56,4 = 169,2 см при условии, что стенка балки удовлетворяет проверкам по пп. 7.4* ( в нашем случае данную проверку проводить не нужно, так как
), 7.6* (проверку проводить не нужно, так как
), 7.7 (проверка не нужна, так как в нашей системе отсутствует продольное ребро жесткости), 7.8 (проверка не нужна, так как в нашей системе отсутствуют короткие поперечные ребра жесткости), 7.9 ( проверка не выполняется, так как в данном пункте описывается расчет на устойчивость стенок балок ассиметричного сечения) и общая устойчивость балки обеспечивается выполнением требований п. 5.16*,а или 5.16*,б ( см проверку общей устойчивости балки).
Таким образом, определим максимальный шаг расстановки ребер жесткости:
см
Также по п. 7.10, в стенке, укрепленной только поперечными ребрами, ширина их выступающей части
для одностороннего ребра должна быть не менее
( принимаем
= 0.5 м) , а толщина ребра
должна быть не менее
-
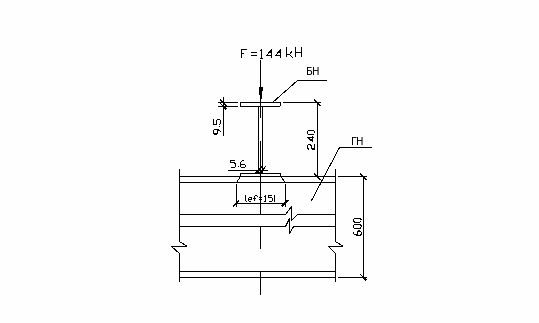
Расчет опорной части балки.
Запишем условие прочности на смятие торца ребра:
, где
- расчетное сопротивление стали смятию боковой поверхности, определяющееся по таблице 1* СНиПа «Стальные конструкции»:
, где
- временное сопротивление стали разрыву, принимаемое равным минимальному значению
по государственным стандартам и техническим условиям на сталь по таблице 52* СНиПа «Стальные конструкции»
- коэффициент надежности по материалу, принимаемый по таблице 2.
МПа
Зададимся шириной ребра
= 24 см (
см). Определим толщину ребра:
, где
Q – поперечная сила на опоре, равная 305.76 кН
мм
Принимаем толщину ребра
= 8 мм.
Проверим опорный участок балки на устойчивость:
=16,88 см
Запишем условие прочности:
, где
= 1
А=24*0,8+16,88*0,9=34,39 м
кН
- коэффициент продольного изгиба, определяющийся через условную гибкость
:
, где
- радиус инерции, определяющийся по формуле:
, где
см
см
Определим
по таблице 72 СНиПа «Стальные конструкции»:
Подставим полученные значения в формулу условия прочности:
Условие выполняется.
Определим величину выпуска ребра за нижнюю полку:
мм
8. Подбор сечения сплошной центрально сжатой колонны.
Определим усилие на колонну:
кН
Определим расчетную длину колонны:
, где
ОВН – отметка верха настила
- высота балки настила, м
- высота главной балки, м
- выступающая часть опорного ребра главной балки, м
- толщина настила, м
Закрепление колонны по обоим концам шарнирное, следовательно,
= 1.
м
Запишем условие устойчивости:
Зададимся значением условной гибкости
в диапазоне от 70 до 100.
Примем
= 100. Тогда по таблице 72 СНиПа «Стальные конструкции»
= 0.542.
Из условия устойчивости выразим требуемую площадь сечения колонны:
Определим требуемый радиус инерции:
мм
Подберем профиль сплошной центрально сжатой колонны по сортаменту учебника Е.И.Беленя «Металлические конструкции»( приложение 14 таблица 8).
Принимаем трубу со следующими параметрами:
D = 219 мм
t = 8 мм
А = 53 см
i = 7,47 см
Вычислим фактическую гибкость колонны:
Подставим полученные значения в условие устойчивости:
Условие выполняется. Следовательно, профиль сплошной центрально сжатой колонны подобран верно.
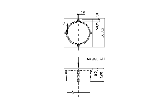
9. Оформление оголовка колонны.
Толщина плиты принимается в пределах от 20 до 25 мм. Примем
= 25 мм. Ширину плиты вычислим по следующей зависимости:
см
Вычислим ширину ребра:
мм
Толщину ребра определим из условия прочности ребра на смятие:
, где
- условная длина смятия, определяющаяся по формуле:
мм
Подставим полученное значение в условие прочности ребра на смятие:
мм
Принимаем
=12 мм.
Высоту ребра
найдем из условия прочности сварных швов на срез по металлу шва:
, где
- расчетное сопротивление угловых швов срезу по металлу шва, принимаемое по таблице 56 СНиПа «Стальные конструкции».
Выразим
из данного выражения:
Для электрода типа Э42 значения величин будут следующими:
Значение
определим из таблицы 34 СНиПа «Стальные конструкции». Для автоматической сварки при диаметре сварочной проволоки 4 мм и нижнего положения шва
= 0.9.
Таким образом:
м
Примем
Проведем проверку прочности ребра на срез:
Rs=0.58Ry=0.58*240=139.2
Условие выполняется.
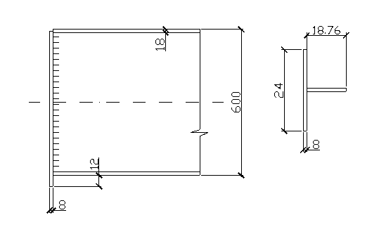
10. Оформление базы колонны.
Роль траверсы могут выполнять консольные ребра. Для компоновки базы колонны берутся значения основных параметров в следующих диапазонах:
= 20…40 мм
= 10…16 мм
, где
Ширина плиты вычисляется следующим образом:
, где
определяется из условия прочности фундамента на сжатие.
Примем
= 7 МПа. Тогда:
м
Примем
мм.
Также примем
= 25 мм,
= 10 мм,
= 5 мм,
мм.
Определим выступ ребра:
мм
11. Узел опирания балки настила на главную балку.
12. Узел опирания главной балки на оголовок колонны.
Список использованной литературы:
-
СНиП 2.О1.О7-75. Нагрузки и воздействия. Нормы проектирования.- М.: Стройиздат, 1987.
-
СНиП II-23-81*. Стальные конструкции. Нормы проектирования.- М.: Стройиздат, 1990.
-
Инженерные конструкции / Под ред. проф. В.В.Ермолова. – М.: Высшая школа, 1991.
-
Металлические конструкции / Под общ. ред. проф. Е.И.Беленя. - М.: Стройиздат,1976.- 576 с.
-
К.К.Муханов. Металлические конструкции.-М.:Стройиздат, 1978.- 576 с.
-
Металлические конструкции. Справочник проектировщика/Под ред. акад. Н.П.Мельникова.- М.:Стройиздат,1980.- 776 с.
















