144339 (620520), страница 2
Текст из файла (страница 2)
Aw = hef ·tw = 106.8·0.8 = 85.14 cм²,
тогда
А = 85.14 + 2•44.35 =174.14 cм²,
Iy = tw·hef3/12 + 2·( bf · tf3/12 + bf · tf ·(h/2 - tf /2)2) (3.2.12)
Iy = 0.8·106.83/12 + 2· ( 30· 1.63/12 + 30·1.6·(110/2 – 1.6 /2)2) = 363200 cм4,
тогда
Wy = Iy / (h/2), (3.2.13)
Wx = 363200·2/110 = 6604 cм³,
Wy = 6604 cм³ > Wтр = 6351 см³
Sy = bf · tf · h0/2 + (hef · tw/2·hef/4) (3.2.14)
Sy = 30·1.6·108.4/2 + (106.8·0.8/2·106.8/4) = 3742 cм³.
Прочность сечения проверяем, исходя, из предположения упругой работы стали:
σ = Mmax·γn / Wx Ry·γc, (3.2.15)
по СНиПу II-23-81*: Ry = 240 МПа,
σ = 1604.366·103·0.95/6604·10-6 = 230.8 МПа<240 МПа
Проверка по касательным напряжениям:
τ = Qmax·Sy·γn/Iy·tw Rs·γc (3.2.16)
τ = 629.163·103·0.95/363200·10-8·0.008 = 76.98 МПа
τ = 76.98 МПа < 139.2 МПа
Проверка прочности стенки на совместное действие σy и τ yz:
σy² + 3· τ yz² 1.15·Ry·γc , (3.2.17)
σy = Mmax·γn· hef / 2· Iy , (3.2.18)
σy = 1604.366·103·0.95·1.068 / 2·363200·10-8 = 224.1 МПа;
τyz = Qmax·γn / tw·hef (3.2.19)
τyz =629.163·103·0.95/0.008·1.068 =69.96 МПа;
224.1² + 3·69.96² 1.15·240·1,
254.763 МПа < 276 МПа.
3.2.3 Изменение сечения главной балки
В однопролетных шарнирно опертых балках целесообразно изменять ее сечение в соответствии с эпюрой изгибающих моментов. Следуя рекомендациям, изменение сечения производим путем уменьшения bf, оставляя без изменения h, tf, tw.
Для этого ширину пояса bf1 в концевой части балки назначаем равной (0.5 – 0.75)•bf, принятой для сечения с расчетным моментом Мрасч. При этом, соблюдая условия:
bf1 0.1·h и bf1 160 мм (3.2.20)
bf1 = (0.5÷0.75) ·bf = 220 мм,
220 > 110 мм,
bf1 = 220 мм.
Для назначенной ширины пояса bf1 = 22 см, дополнительные условия выполняются.
После назначения bf1 находим геометрические характеристики Iy1, Wy1, Sy1.
Iy1=Iw+2· If1 = tw·hef3/12 + 2·( bf1· tf3/12 + bf1· tf ·(h/2 - tf /2)2)
Iy1= 0.8·106.83/12 + 2·( 22·1.63/12 + 22·1.6 ·(110/2 – 1.6 /2)2) =292700 cм4;
Wy1 = 2·Iy1/h = 292700·2/110 = 5321.82 cм3;
Sy1 = hef · tw /2·hef/4 + bf1 · tf · h0/2 = 106.2·0.8/2·106.2/4 + 22·1.6·108.4/2 = 3092 cм3;
Изгибающий момент, который может быть воспринят измененным сечением, определяется по формуле:
M1 = Wx1·Ry·γc, (3.2.21)
где γс = 1.
M1 = 5321.82·10-6·240·106·1 = 1224 кНм.
Далее находим расстояние от опоры балки до ординаты М1.
M1 - VA· x + 2·F· x – 713.052 = 0;
Решаем уравнение относительно x:
1224 – 629.163· x + 2·209.721· x – 713.052 = 0;
x = 2.436 м → x = 2.4 м.
Стык поясов в балках относим от сечения с ординатой М1 в сторону опор на 300 мм.
x – 300 = 2.4 – 0.3 = 2.1 м. Принимаем: x = 2.1 м.
Изгибающий момент в полученном сечении, будет равен:
Mрасч = VA·2,1 - F· 1.25 = 629.163·2,1 – 209.721·1.25 = 1059 кНм.
В месте изменения сечения балки проводим проверки:
σ = Mрасч·γn / Wy1 Ry·γc, (3.2.22)
σ = 1059·103·0.95 / 5231.82·10-6 = 189 МПа < 240 МПа;
τ = Qрасч·Sy1·γn / Iy1·tw Rs·γc, (3.2.23)
Qрасч = VA - F = 629.163 –209.721 = 419.442 кН,
τ = 419.442·103·3092·10-6·0.95 / 292700·10-8·0.008 = 52.62 МПа < 139.2 МПа.
-
Проверка общей устойчивости и деформативности балок
f/l = Mmaxn·L / 9.6·EIy [f/L] = 1/211.667 (по СНиПу II-23-81*) (3.2.24)
Mmaxn =Mmax / k, (3.2.25)
где k = (p+q) р/(p+q) н, (3.2.26)
k = 18.95/15.92 = 1.19 > 1;
Mmaxn = 1604.366/1.19 = 1348.21 кНм;
f/l = 1348.21·103·10.2 / 9.6·2.06·105·106·363200·10-8 = 2.278·10-3 < 4.724·10-3
-
Проверка местной устойчивости балок
Стенки балок для обеспечения их местной устойчивости следует укреплять поперечными ребрами, поставленными на всю высоту стенки. Ребра жесткости нужны в том случае, если значение условной гибкости стенки:
λw = hef/tw· Ry/E > 3.2, (3.2.27)
при отсутствии подвижной нагрузки
λw = 106.8/0.8· 240/2.06·105= 4.557 > 3.2.
При этом расстояние между поперечными ребрами вдоль балки принимаем, а=1,7м, которое не должно превышать, а 2·hef. Поперечные ребра также устанавливаться в местах приложения неподвижных сосредоточенных нагрузок, от вспомогательных балок и на опорах.
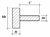
Ширина выступающей части ребра:
bh hef/30 + 40мм, (3.2.28)
bh 1068/30 + 40 = 75.6 мм,
после округления до размера кратного 10 мм, получим bh = 100 мм.
Толщина ребра:
ts 2·bh · Ry/E, (3.2.29)
ts = 2·100· 240/2.06·105 = 6.827 мм,
принимаем по сортаменту ts = 7 мм.
Расчет на устойчивость стенки проверяем по формуле:
(σ/σcr)² + (τ/τcr)² 1, (3.2.30)
σcr = Ccr·Ry/λw², (3.2.31)
Ccr = 35.5,
σcr = 35.5·240·106 / 4.557² = 410.281 МПа;
τcr = 10.3· (1 + (0.76/μ²))·Rs/λef², (3.2.32)
μ – отношение большей стороны отсека балки к меньшей, т.е.:
μ = a/hef = 1.7/1.068 = 1.59,
λef = (d/tw) ·Ry/E, (3.2.33)
d – меньшая из сторон отсека балки, т.е. hef = 106.8 cм;
λef = (106.8/0.8) ·240/2.06·105 = 4.557,
τcr = 10.3·(1 + (0.76/1.59²))·0.58·240·106/4.557² = 89.799 МПа;
σ = (Мср·γn /Iy)·y, (3.2.34)
τ = Q·γn /(tw·hef), (3.2.35)
y = hef/2=106.8/2=53.4 см.
На устойчивость проверим 2-ой отсек:
Мср = 891.314 кНм,
Q = 419.442 кН,
σ = (891.314·103·0.95/292700·10-8)·0.534 = 154.5 МПа;
τ = 419.442·103· 0.95/(0.008·1.068) = 46.64 МПа;
(154.5/410.281)² + (46.64/89.799)² = 0.642 1;
На устойчивость проверим 1-ой отсек:
Мср = 267.395 кНм,
Q = 629.163 кН,
σ = (267.395·103·0.95/292700·10-8)·0.534 = 46.34 МПа;
τ = 629.163·103· 0.95/(0.008·1.068) = 69.96 МПа;
(46.34/410.281)² + (69.96/89.799)² = 0.787 1;
На устойчивость проверим 3-ой отсек:
Мср = 1426.103 кНм,
Q = 209.721 кН,
σ = (1426.103·103·0.95/363200·10-8)·0.534 = 199.2 МПа;
τ = 209.721·103· 0.95/(0.008·1.068) = 23.32 МПа;
(199.2/410.281)² + (23.32/89.799)² = 0.551 1;
На устойчивость проверим 4-ой отсек:
Мср = 1604.366 кНм,
Q = 0 кН,
σ = (1604.366·103·0.95/363200·10-8)·0.534 = 224.1 МПа;
τ = 0·103· 0.95/(0.008·1.068) = 0 МПа;
(224.1/410.281)² + (0/89.799)² = 0.546 1;
-
Расчет поясных швов, опорных частей балок, узлов сопряжений балок
Расчет поясных швов сводится к определению требуемого катета углового сварного шва kf. В балках, проектируемых, из одной марки стали, при статической нагрузке требуемый катет шва равен:
kf (Qрасч·Sf)/(2·Iy·βf·Rwf·γwf·γc), (3.2.36)
где Sf – статический момент полки балки;
βf = 1.1 – коэффициент, для автоматической сварки стали с Ry до 580 МПа;
γwf = 1 – коэффициент условия работы шва;
Rwf = 180 МПа – расчетное сопротивление сварного углового шва условному срезу, γс = 1.
kf (419.442·103·0.95·3092·10-6)/(2·292700·10-8·1.1·180·106·1·1) = 1.06 мм,
Принимаем kf = 6 мм.
Участок стенки составной балки над опорой должен укрепляться опорным ребром жесткости и рассчитываться на продольный изгиб из плоскости как стойка высотой ls = h, нагруженная опорной реакцией Vr. В расчетное сечение включается, кроме опорных ребер и часть стенки.
Площадь опорного ребра определим из условия смятия торца по формуле:
As = bh·ts = Vr·γn /Rp, (3.2.37)
Rp = Run / γm по СНиПу II-23-81*: Run = 370 МПа, γm = 1.025,
Rp = 370/1.025 = 368.975 МПа,
As = 629.163·103·0.95/368.975·106 = 17.05 м2
Находим ts:
ts = As /bh=17.05/22 = 0.758 см ≈ 8 мм → ts = 12 мм.
Тогда
δ 1.5· ts = 1.5·12 = 18 мм.
Проверка устойчивости опорной стойки относительно оси x-x производится по формуле:
σ = Vr·γn /φ·A Ry·γc, (3.2.38)
где А – расчетная площадь стойки, равная:
A = bh·ts + 0.65·tw² ·E/Ry, (3.2.39)
A = 22·1.2+ 0.65·0.8²·2.06·105/240 = 39.188 см²;
φ – коэффициент продольного изгиба, определяемый по СНиПу II-23-81*, в зависимости от гибкости:
λ = lef/ix, lef = h = 110 см
ix = Ix/A,
где Ix – для расчетного сечения:
Ix = (ts·bh³)/12 + (0.65·tw·E/Ry·tw³)/12 =
= (1.2·22³)/12 + (0.65·0.8·2.06·105/240·0.8³)/12 = 1140 см4,
тогда:
ix = 1140/39.188 = 5.394 см, λ = 110/5.394 = 20.393,
принимаем: φ = 0,96,
σ = 629.163·103·0.95/0.96·39.188·10-4 = 158.9 МПа < 240 МПа.
Сопряжение вспомогательных балок с главными, по условиям задания рассчитываем для случая примыкания вспомогательной балки к поперечному ребру жесткости главной балки. Сопряжение производим на сварке.
Расчет сопряжения заключается в назначении требуемого катета шва kf. Длина шва lω, определяется высотой стенки вспомогательной балки lω = hef –1см, где hef = 0.85·h – высота стенки прокатной балки до закругления. При проектировании ребер главных и вспомогательных балок из одной стали катет шва, равен:
kf V·γn /(βf ·lω·Ry·γωf ·γc), (3.2.40)
где V – реакция вспомогательной балки;
hef = 0.85·30 = 25.5 см,
lω = 25.5 – 1 = 24.5 см,
kf 99.867·103·0.95/(1.1·0.245·240·106·1·1) = 1.467 мм.
Принимаем kf = 6 мм.
4. Расчет и конструирование колонн
-
Выбор расчетной схемы
Определение расчетной сжимающей силы на колонну производим суммированием опорных реакций главных балок:
N = 2·k·V, (4.1.1)
где k = 1.03 – 1.05 – коэффициент, учитывающий собственный вес колонны;
N = 2·(1.03–1.05)·629.163 = 1309 кН.
Условия опирания колонн на фундаменты и схема связей по колоннам определяется следующими требованиями. Необходимо обеспечить геометрическую неизменяемость сооружения в плоскости и из плоскости главных балок. Из плоскости главных балок геометрическая неизменяемость, как правило, обеспечивается установкой вертикальных связей по колоннам. В плоскости главных балок путем прикрепления их к неподвижным точкам (каркасу здания).
При этом необходимо стремиться к обеспечению равно устойчивости колонн: ix/iy = lef,x/lef,y. Это достигается путем рационального выбора типа сечения и правильной ориентации его в плане сооружения.
-
Компоновка сечения колонны
Стержень колонны конструируем в виде прокатного швеллера.
Требуемую площадь сечения колонны, определяем по формуле:
Aтр = N·γn /2 ·φ·Ry·γc, (4.2.1)
где φ – коэффициент, на этапе компоновки определяем по предварительно заданной гибкости λз, значение которой принимаем по графику [1], рис.7. При N = 1309 кН, λз = 80, тогда φ = 0.686.
Атр = 1309·103·0.95/2·0.686·240·106·1 = 37.77 см².
Используя сравнительно постоянную зависимость между радиусом инерции и габаритами сечения, оцениваем ориентировочные размеры швеллера.
ix,тр = Lef,x/ λз, (4.2.2)
где Lef,x = Lef,y = lг
lг = H к + 0.5м = 7.8 + 0.5 = 8.3 м,
















