144282 (620477), страница 5
Текст из файла (страница 5)
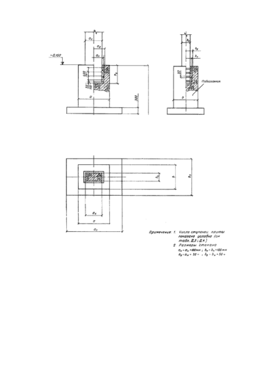
Таблица 3.4. Спецификация фундаментов.
| Вид конструкции и эскиз | Марка фундамента | Сечение колонны | Размеры стакана и подколонника | |||
| ав | hc | а3в3 | Расход бетона, м3 | |||
| См. рис. 3.4. | ФА9-1 | 300х400 | 30002400 | 800 | 21001500 | 3,8 |
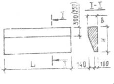
3.3.3 Фундаментные балки
Размеры длин фундаментных балок соответствуют принятому шагу колонн и принимаются в зависимости от размеров подколонников и способов опирания. Ширина поверху соответствует толщине стены.
Узлы опирания балок на фундаменты и опирания стены на фундаментную балку, привязка к уровню пола показаны на рисунках 3.5 и 3.6. Подобранные фундаментные балки приведены в таблице 3.5.
Таблица 3.5.Спецификация фундаментных балок.
| Вид, конструкции и эскиз | Марка | Размеры, мм. | Масса, кг | ||
| L | A | B | |||
| См. рис. 3.5, 3.6. | ФБН2 | 10700 | 400 | 600 | 5100 |
| ФБН2-к | 10200 | 4900 | |||
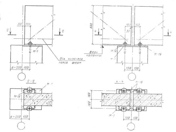
3.3.4 Фермы покрытия
В соответствии с заданием принимаются ж.б. фермы покрытия. Фермы разработаны для применения в скатных и малоуклонных покрытиях одноэтажных промышленных зданий с фонарями при пролетах 18 м и шаге колон 12 м. На рисунке 3.8. показаны узлы опирания фермы.
Таблица 3.6. Спецификация ферм покрытия.
| Вид конструкции и эскиз | Марка | Размеры, мм | Кол-во | Масса, кг | ||||
| L | B | H | ||||||
| Ж.б. ферма (см. рис. 3.7) | ФБ181-1 | 17940 | 240 | 3000 | 63 | 600 | ||
3.3.5 Связи жесткости
Для повышения устойчивости здания в продольном направлении предусматривается система вертикальных и горизонтальных связей между колоннами каркаса и в покрытии.
Связи изготавливают из уголков и крепятся к железобетонным конструкциям сваркой.
В пролетах с фонарями в торцах фонарных проемов устанавливают горизонтальные связи.
Крайние подстропильные фермы связываются стальными распорками с верхними поясами стропильных ферм дополнительно к связи, обеспечиваемой диском покрытия.
Горизонтальные усилия от подвесных кранов передаются системой жестких связей на колонны или специальные конструкции.
Узлы крепления связей к колоннам показаны на рис. 3.9.
3.4 Описание и выбор ограждающих конструкций
3.4.1 Наружные стены
Материал и конструкция стены принимаются по зданию (крупные однослойные панели длиной 12 м с утеплителем из керамзитобетона толщиной 200 и240 мм).
Основные узлы крепления и сопряжения панелей приведены на рисунках 3.10 и 3.11. Спецификация стеновых панелей сведена в таблицу 3.7.
Таблица 3.7. Спецификация панелей ограждения.
| Название и эскиз | Марка | Размеры, мм | Кол-во | Масса, т | ||||
| L | H | B | ||||||
| ПС120.12.30-I П-1 ПС120.18.30-I П-1 | 11970 | 1180 1780 | 300 | 40 20 | 5,4 8,2 | |||
| 2. Панели карнизные | ПК 60.7-л | 5980 | 700 | 240 | 20 | 1,3 | ||
3.4.2 Плиты покрытия
В соответствии с заданием принимаются железобетонные ребристые плиты покрытия. Тип плиты определяется в соответствии с весом конструкции покрытия, а также нагрузок от подвесного транспорта, ветра, снега. Схема плиты в плане и её сечение показано на рисунке 3.12. Узел сопряжения плиты показан на рисунке 3.13.
Таблица 3.8. Спецификация плит покрытия.
| Вид конструкции | Марка | Размеры, мм | Кол-во | Масса, кг | ||||||
| L | B | H | ||||||||
| Плита покрытия глухая | 2ПГ12-18рПТ | 11960 | 2980 | 455 | 140 | 7400 | ||||
| Плита покрытия с отверстием | 2ПВ12-18рПТ-7 | 40 | 7900 | |||||||
3.4.3 Кровля и система водоотвода
Поскольку в качестве покрытия используются ж.б. плиты принимается кровля из рулонных материалов с битумной пропиткой, уклоном 3 %. Конструкция кровли приведена на рисунке 3.14.
В связи с обширной площадью водосбора принимается внутренний водоотвод. На рисунке 3.15 представлена схема размещения воронок в плане. Воронка и связывающие её с канализацией внутренние водостоки из патрубков диаметром 100 мм. В местах установки водосточных воронок и деформационных швах основной водоизоляционный ковер усиливается двумя слоями стеклоткани. Конструкция кровли в месте деформационного шва и устройство водосточных воронок представлены на рисунках 3.16 и 3.17.
Сопряжение кровли со стеной решается в виде парапета с выступающими над кровлей парапетными панелями.
3.5 Прочие элементы промышленных зданий
3.5.1 Окна, фонари
Размеры окон определяются на основе светотехнического расчета. Высота оконного проема в соответствии с требованиями унификации принимается кратной 600 мм.
В проекте принято ленточное остекление. В среднем пролёте приняты зенитные фонари с круглым куполом из стеклопластика, диаметром 1500 мм (горизонтальная проекция площади одного фонаря составляет порядка 7 м2). Всего фонарей 20 шт. расположенных в шахматном порядке. Принятые виды заполнения оконных проемов представлены в таблице 3.9. Внешний вид и основные узлы показаны на рисунках 3.18, 3.19 и 3.20.
Таблица 3.9. Спецификация оконных проемов
| Марка ПОЗ | Обозначение | Наименование | Размер проема, мм | Размер блока, мм | Кол. |
| ОК-1 | ГОСТ 21096-75 | ДГ-180 ленточный | 1820х6050 | 1800х6000 | 20 |
| ОК-2 | ГОСТ 21096-75 | ДО-180 ленточный | 1820х6050 | 1800х6000 | 20 |
3.5.2 Двери и ворота
Спецификация заполнения дверных проемов приведена в таблице 3.10. Внешний вид и узлы дверей показаны на рисунках 3.21 и 3.22 соответсвено.
Таблица 3.10.Спецификация ворот и дверных проемов.
| Марка | Обозначение | Наименование | Размер проема, мм | Размер блока, мм | Кол-во |
| 1 | ГОСТ 14624-84 | ДВГ 21-13 | 1310х2070 | 1272х2071 | |
| 2 | ГОСТ 14624-84 | ДНГ 24-10 | 1010х2370 | 984Х2385 | |
| 3 | ГОСТ 14624-84 | ДНО 24-10 | 1010х2370 | 984Х2385 |
3.5.3 Полы
В проекте приняты бетонные полы. Экспликация полов представлена в таблице 3.11.
Таблица 3.11.Экспликация полов.
| Наименование помещения | Тип пола | Схема пола | Элементы пола и их толщина | Площадь пола, м2 |
| Все производственные помещения | Бетонный | | 1) Цементная стяжка М200 (20 мм.); 2) Бетонный подстил М100 (130 мм.); 3) Уплотненное грунтовое основание | 6480 |
3.5.4 Перегородки
В проекте принимаются сборно-разборные панельные железобетонные перегородки марок ПГ 60.30-2-Л и ПГ 60.30-2-Л-Д1.
4. Технико-экономические показатели
Основные технико-экономические показатели приведены в таблицах 3.12 и 3.13.















