49917 (609395), страница 2
Текст из файла (страница 2)
| Устаткування | Характеристики | Ціна, грн |
| Модем | Факс-модем D-Link DFM-562IS(зовнішній, PCI, до 56KB/s(V.90, k56flex),факс до 14.4KB/s,G3,голосовий, Conexant HSFi CX11252) | 320 |
| Джерело безперебійного живлення | APC Back-UPS 500CS VA (300W) | 400 |
| Принтер | CANON Pixma-1500 | 600 |
| Сканер | EPSON PERFECTION V10/V100 PHOTO/V350 PHOTO | 425 |
| Музичний центр | LG | 1200 |
| Осцилограф | LG | 960 |
| Разом | 3905 |
Загальна вартість устаткування: 21221 грн.
Для проектування складних систем необхідно мати альтернативи, тобто варіанти вибору. Для здійснення оптимального вибору з декількох варіантів, за критеріями оптимальності, було спроектовано два варіанти комп'ютерного устаткування.
Другий варіант
Таблиця1.3. Устаткування (2варіант)
| Комплектуючі | Характеристики | Ціна, грн |
| Материнська плата | ASUS K8V-MX; Socket 754; VIA K8M800+VT8237R; 2DDR; 3xP, 1xA; Video; Sound-6ch; Lan; 2xSATA; 2xATA133 | 390 |
| Процесор | Athlon 64 3000+ Trey Socket-939 | 499 |
| Оперативна пам'ять | DDR 512 Mb DDR 400 PC3200 BRAND HYNIX | 200 |
| HDD | 1000.0 Gb; WESTERN DIGITAL; WD.G1NC10000My Book World Edition | 956 |
| FDD | Дисковод 3,5" Mitsumi 1,44Mb,black | 65 |
| Оптичний привід | DVD+RW/-RW & CDRW NEC ND-7173S Silver S-ATA (OEM) | 350 |
| Відео карта | 125 Mb GeForce 9500GT; HDCP+DVI; Palit | 560 |
| Вентилятори | COOLER GLACIALTECHIGLOO 7520 LIGHT/EB AMD | 120 |
| Шлейф | SATA | 20 |
| Корпус | DELUX DLC-SF473 silver/black; Midi Tower; ATX; 440W P4, 20+4 pin; 5.25"x3, 3.5"x1e+6i; ATX w/USB | 500 |
| Клавіатура | Logitech Internet 350,USB,OEM | 110 |
| Миша | A4TECH OP-3D-1 Red; 2x button; optical; PS/2; (RET) | 95 |
| Акустика | Genius SP-I201U вихід на наушники, чорний лак, USB | 200 |
| Монітор | 19" SAMSUNG SM 2032BW; Black glossy; 16:10; 2 мс; 1680x1050; 300 кд/м2; у/о 170; 1000:1 (DC 3000:1); | 1699 |
| Коврік | POD MISHKU | 15 |
| Разом | 5779 |
Вартість 3 комп'ютерів – 17337 грн.
Таблиця 1.4. Додаткове устаткування (1 варіант)
| Устаткування | Характеристики | Ціна, грн |
| Модем | D-Link DSL-2540U/RU ADSL2+Ethernet 4 port switch (w/splitter) | 390 |
| Джерело безперебійного харчування | APC Back UPS ES 525 (BE525-RS)(525 VA / 300W) (AVR, Диап.раб.напряж.: 160-280V(47/53Гц);розетки Shuko: 3(живлення від батареї) и 1 (фільтр), USB порт, с кабелем, зах. Комун. устаткування; в комплекті ПО, підзарядка 3-5 годин) | 400 |
| Принтер | XEROX Phaser 3117; A4; 600 dpi ; 16 ppm; 8 Mb; USB 1.1; GDI; (картр.3000(1000 ст.) стр.; мес. ресурс | 550 |
| Сканер | Canon CanoScan LiDe 25 | 500 |
| Музичний центр | KENWOOD | 1500 |
| Осцилограф | LG | 1250 |
| Разом | 4590 |
Загальна вартість устаткування: 21927 грн.
Для проектування офісу, ми приймаємо перший план, тому що в другому плані вартість устаткування більше чим у першому. По застосуванню устаткування із першої таблиці ні чим не уступає другому й гарантія на експлуатацію дається однакова.
1.5. Опис проектування офісу та його інтер’єрів
План офісу розроблявся, виходячи з кількості співробітників, корисної площі офісу і заданого встаткування (3 комп'ютери, 2 принтери, 2 сканери, 1 блок безперебійного живлення, музичний центр, осцилограф). На плані показанні меблі, комп’ютери, електротехнічні арматури (розетки, вимикачі, світильники), вікна і двері.
1.5.1 План офісу з указівкою розмірів
Розробляємо два плани офісів, щоб на основі отриманих даних вибрати оптимальний план (рис. 1.1) та (рис. 1.2).
Рисунок 1.1 – 2D план офісу А
Рисунок 1.2 – 2D план офісу Б
План офісу розроблявся, виходячи з кількості співробітників, корисної площі офісу і заданого встаткування (2 комп'ютери, 2 принтера, 2 блоки безперебійного живлення, 1 сканер, модем, телевізор, кондиціонер і муз. центр). Враховуючи ці критерії ми обираємо план Б, як оптимальний і подальша розробка буде вестися на основі цього плану (рис. 1.2).
Рисунок 1.3 – 2D план офісу із розмірами
На плані показанні меблі, комп'ютери, електротехнічні арматури (світильники, вимикачі, розетки), вікна й двері (рис 1.4).
Рисунок 1.4 – 2D план офісу із меблями та необхідним устаткуванням
1.5.2 Об’ємне проектування будинку
Рисунок 1.5 –3D вид створеного офісу
1.5.3 Інтер’єр усіх кімнат
Рисунок 1.6 – Кімната менеджера
Рисунок 1.7 – Кімната спеціалістів по ремонту ЕОМ
Рисунок 1.8 – Туалетна кімната
1.5.4. Територія проектного будинку
Рисунок 1.9 – 2D план ландшафту
Рисунок 1.10 – План офісу в аксонометрії
Рисунок 1.11 – План офісу в аксонометрії
1.6 Електропостачання офісу
Для встановлення електротехнічної апаратури (світильників, вимикачів, розеток, електричних сполучних коробок та розподільчого щиту треба урахувати, що розподільчий щит треба розміщувати біля дверей для економії електропроводу та функціональності його використання.
1.6.1 Місце розміщення і офісі електротехнічних арматур
Електричні сполучні коробки треба встановлювати так, щоб максимально скоротити довжину кабелю та встановлювати на місцях розриву електропроводу.
Рис 1.12 – Розміщення електротехнічної арматури
1. Розподільчий щит.
2. З’єднувальні коробки.
3. Вимикачі.
4. Розетки.
5. Світильники.
1.6.2 Схема електропостачання
Наступний етап, полягає в необхідності, показати на плані офісу електротехнічні арматури (світильники, вимикачі, розетки, електричні сполучні коробки).
Наступний етап, полягає в необхідності, показати на плані офісу електротехнічну арматуру (світильники, вимикачі, розетки, електричні сполучні коробки).
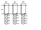
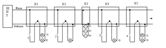
На рис.1.13 показана схема підключення світильників і розеток моделі офісу.
Рис 1.13 – Схема електропостачання офісу (продовження)
Пояснення:
Л1, Л2 – Люстра 1 у холі, ставиться до коробки 1.
Л3 – Люстра 3, у кімнаті менеджера, ставиться в коробці 2
Л4 – Люстра 4, у вбиральні, ставиться в коробці 4.
Л5, Л6 – Люстра 5, у інформаційному відділі, ставиться в коробці 5.
Р1, Р2, Р3 – Розетки у кімнаті менеджера для особистих потреб менеджера.
Р4, Р5, Р6, Р7 - Розетки 1 у інформаційному відділі для комп’ютерного устаткування (комп’ютера, сканера, модему).
Р8, Р9, Р10, Р11 - Розетки 1 у інформаційному відділі для комп’ютерного устаткування (комп’ютера, сканера, принтера та осцилографа).
Р12, Р13, Р14, Р15 - Розетки 1 у інформаційному відділі для комп’ютерного устаткування (комп’ютера, сканера, принтера, блоку безперебійного живлення).
К1 - Коробка 1
К2 - Коробка 2
К3 - Коробка 3
К4 - Коробка 4
К5 - Коробка 5
















