49872 (609349), страница 7
Текст из файла (страница 7)
Чувствительные элементы: Pt100, Pt1000, Ni1000, Ni1000 TK5000, NTC 1,8кОм, KTY81-210, NTC 10К, 20K, 30K, 50K и 10K Precon, LM235Z
Латунная (ETF01) или стальная гильза (ETF02)
Посадочная резьба гильзы 1/2 дюйма
Подключение - по двухпроводной схеме (трехпроводные и четырехпроводные варианты - под заказ)
Измерительный ток - 1 мА
Клеммник - до 1,5 кв. мм
Температура эксплуатации - от -20 до +100 градусов Цельсия
Корпус - пластик. Класс защиты - IP43
Защёлкивающаяся крышка
Размеры 65*59*36 мм
9.8 Промышленный контроллер Modicon 984 - 685
Промышленные контроллеры от Modicon серии 984 являются совместимыми между собой устройствами с широкой функциональностью, каждое из которых имеет свой круг задач. Каждая система на основе такого контроллера состоит из ПЛК (программируемый логический контроллер, от английского PLC - Programmable Logic Controller), соединенного с модулями ввода и вывода. Эти модули, в свою очередь, подключаются к датчикам и исполнительным устройствам. На основании полученных от них данных, контроллер и управляет производственным процессом. Модули ввода преобразовывают сигналы от датчиков в вид, необходимый для обработки их в ЦП. Модули вывода получают сигналы от ЦП и преобразовывают в напряжение или ток, необходимые для управления исполнительными устройствами.
Системная память контроллеров 984-й серии основана на технологии CMOS (complementary metal-oxide semiconductor или комплиментарный метало - оксидный полупроводник) с резервным элементом питания для обеспечения сохранности информации при отключении питания. В контроллере используется два типа памяти: ПЗУ, для хранения системной информации, и ОЗУ, защищенная резервным элементом питания, для хранения пользовательской программы.
Периферийные устройства, к которым можно отнести и ведущий ПК, могут подключаться непосредственно к ПЛК 984-й серии через встроенные порты Modbus. Modbus это коммуникационный протокол, основанный на RS232, использующийся для сбора данных, редактирования программ и загрузки их в ПЛК.
Промышленный контроллер 984-685 предназначен для построения средних и больших систем управления. Он поддерживает до 5 локальных модулей ввода вывода 800й серии и до 31 модуля удаленного ввода-вывода. Для обеспечения удаленного ввода-вывода необходим дополнительный процессор S908.
ПЛК 984-685 оснащен двумя порами Modbus и одним портом Modbus Plus.
Таблица 9.1 – Технические характеристики контроллера
| Архитектура | ||||||
| Память | ||||||
| Пользовательская логика | 16к | |||||
| Регистры | 9999 | |||||
| Всего | 26к | |||||
| Система Ввода-вывода | ||||||
| Макс. цифровых каналов | 8192 вх./8192 вых | |||||
| Макс. аналоговых каналов | 1088 вх./1088 вых | |||||
| Локальный ввод-вывод | ||||||
| Максимальное кол-во бит вв/выв | 1024 вх/1024 вых | |||||
| Максимальное кол-во блоков вв/выв | 5 | |||||
| Удаленный ввод-вывод | ||||||
| Максимальное кол-во бит вв/выв | 1024 вх/1024 вых или 1024 вх/1024 вых | |||||
| Максимальное кол-во блоков вв./выв | 31 | 16 | ||||
| Быстродействие | 1 мс/к | |||||
| Коммуникационные порты | 2 Modbus | |||||
| 1 Modbus Plus | ||||||
| Электрические характеристики | ||||||
| Энергопотребление | 115В или 230В постоянного, 24В переменного тока | |||||
| Климатические характеристики | ||||||
| Допустимая температура окружающего воздуха | 0…60 С | |||||
| Допустимая влажность окружающего воздуха | 0…95% | |||||
| Допустимые перегрузки | 10 G (11 мс) | |||||
| Физические характеристики | ||||||
| Габариты | ||||||
| W x H x D | 39,4 x 266 x 203 мм | |||||
Таблица 9.2 – Технические характеристики модуля дискретных входов
| ТХ AS-B825-016 | |
| Тип | 24В Дискретный ввод |
| Активный уровень | Высокий |
| Количество входов | 16 |
| Рабочее напряжение | 20…28В |
| Количество групп входов | 1 |
| Количество входов в группе | 16 |
| Максимальное входное напряжение | |
| импульс | 500В < 3мс |
| постоянное | 30В |
| Ток обтекания | 6 мА (24 В) |
| Номинальное время переключения | 2.5 мс |
| Питание | |
| +5 В | 27мА |
| +4.3 В | 2мА |
| 5В | 15мА |
| Внешний источник питания | 24В 200мА |
| Габариты | |
| занимаемое место | 1 разъем |
| Вес | 1.25 кг |
Таблица 9.3 – Технические характеристики модуля дискретных выходов
| ТХ AS-B826-032 | |
| Тип | 24В Дискретный выход |
| Активный уровень | Высокий |
| Количество входов | 32 |
| Рабочее напряжение | 20…28В |
| Количество групп входов | 1 |
| Количество входов в группе | 32 |
| Выходной ток | |
| макс. на один выход | 0.25 А |
| макс. на одну группу | 8 А |
| макс. на модуль | 8 А |
| Ток обтекания | 0.1 мА (24 В) |
| Питание | |
| +5 В | 90мА |
| +4.3 В | 1мА |
| 5В | 0мА |
| Внешний источник питания | 24В, 600мА |
| Габариты | |
| занимаемое место | 1 разъем |
| Вес | 1.16 кг |
Таблица 9.4 – Технические характеристики модуля аналоговых входов
| ТХ AS-B872-200 | |
| Тип | Ц/А; 10В, ± 5В, 0…10В, 0…5В |
| Количество каналов | 4 |
| Диапазон входного напряжения | -10…10В, -5…5В, 0…5В, 0…10В |
| Разрядность | 12 Бит |
| Точность | 0.1% при 25С |
| 0.17% при 0-60С | |
| Линейность | 0-60С, ±1 МЗР |
| Частота обновления | <1мс все 4 канала |
| Питание | |
| +5 В | 750мА |
| +4.3 В | 5мА |
| 5В | 0мА |
| Габариты | |
| занимаемое место | 1 разъем |
| Вес | 1.4 кг |
9.9 Консольный насос К 200-150-250/4-5
Консольный насос представляет собой, с точки зрения гидравлики, характерный тип центробежного насоса, рабочим органом которого является центробежное колесо.
Центробежное колесо состоит из двух дисков, между которыми, соединяя их в единую конструкцию, находятся лопасти, плавно изогнутые в сторону, противоположную направлению вращения колеса.
При вращении колеса на каждую частицу жидкости, находящуюся внутри колеса, действует центробежная сила, прямо пропорциональная расстоянию частицы от центра колеса и квадрату угловой скорости вращения колеса.
Под действием этой силы жидкость выбрасывается в напорный трубопровод из рабочего колеса, в результате чего в центре колеса создается разряжение, а переферийной его части - повышенное давление.
Движение жидкости по всасывающему трубопроводу происходит вследствие разности давлений над свободной поверхностью жидкости в приемном резервуаре и в центральной области колеса, где имеется разрежение.
В насосах типа К подвод крутящего момента от вала электродвигателя на вал насоса происходит через упругую муфту. В насосах типа КМ рабочее колесо установлено на конце удлиненного вала электродвигателя.
Назначение и технические характеристики насосных частей К и КМ идентичны, при этом насосные агрегаты типа КМ имеют меньшие габаритные размеры и массу.
Технические характеристики двигателя:
-
мощность двигателя – 30 кВт;
-
номинальная подача – 315 м3/ч;
-
частота вращения – 1450 об/мин;
-
номинальный напор – 20 м.
10. Выбор и описание контура регулирования
Схема используемого цифрового ПИД – регулятора представлена в соответствующем документе (структурная схема – на рисунке 10.1). На его вход подаются два сигнала: задающий, и сигнал обратной связи, приведенные к условному максимуму в 5 В. Для выделения ошибки, сигнал ОС предварительно инвертируется, после чего уже идет на сумматор. Ошибка проходит на три параллельно соединенных усилителя, отвечающих за отработку пропорционального, интегрального и дифференциального коэффициентов усиления.
Рисунок 10.1 – Структурная схема цифрового ПИД – регулятора
Для реализации схем задержек типа
и
используются развязки, изображенные на рисунке 10.2 (схемы соответствуют порядку следования передаточных функций в тексте).
В качестве звена задержки используется интегральная микросхема, позволяющая задерживать аналоговый сигнал, дискретный, представляемый в последовательном или параллельном виде. Микросхема также позволяет программно менять время задержки.
Рисунок 10.2 – Способы реализации передаточных функций звеньев задержки
Как видно, вся принципиальная схема строится на операционных усилителях (используются для реализации усилителей, сумматоров и инверторов), интегральных микросхемах задержки и резисторах.
На принципиальной электрической схеме также изображена схема дистанционного управления электроприводом регулирующего устройства (например, автоматического клапана, для отключения насосов от водопроводной сети).
Схема обеспечивает движение регулирующих устройств только во время подачи командных сигналов. Ограничение хода регулирующих устройств в конечных положениях обеспечивается соответствующими конечными выключателями.
Для предотвращения одновременного включения обеих катушек реверсивного магнитного пускателя, помимо механической блокировки, которой снабжен пускатель, в схеме предусмотрена электрическая блокировка с помощью размыкающих блок -контакторов ПМЗ и ПМО.
Электропривод снабжен потенциометрическим датчиком ПД, движок которого механически связан с редуктором привода. Датчик ПЛ подключается к устанавливаемому на щите управления блоку указателя положения БУП, состоящему из трансформатора питания, выпрямителей, подгоночного резистора и стрелочного прибора УП, шкала которого имеет градуировку 0 – 100%, пропорционально напряжению, снимаемому с потенциометрического датчика. Контакторы используются для отключения цепей управления при воздействии на привод ручным способом с помощью маховика.
11. Расчет параметров настройки контура регулирования
Поскольку вывод передаточной функции трехфазного двигателя достаточно громоздкий, предположим, что в погружных насосах скважин используются двигатели постоянного тока. Рассчитаем параметры цифрового ПИД - регулятора такого двигателя.
Двигатель постоянного тока как динамическая система описывается следующими уравнениями в операторной форме:
, (11.1)
где
- напряжение питания двигателя;
- ток якоря;
- активное сопротивление якоря;
- среднее значение ЭДС вращения;
- индуктивность обмоток двигателя;
- мощность двигателя.
,(11.2)
- коэффициент, зависящий от конструктивных параметров двигателя;
- круговая частота вращения двигателя.
Выражения для электромагнитного момента:
,(11.3)
,(11.4)
где
- внешний момент, или момент нагрузки;
- момент инерции двигателя.
На основании этих уравнений может быть построена структурная схема двигателя как динамической системы (рисунок 11.1). Входным сигналом для этой системы является напряжение питания, выходным – круговая частота вращения двигателя. Дополнительное возмущение системы вноситься внешним моментом.
Рисунок 11.1 – Структурная схема двигателя
Из структурной схемы можно получить передаточные функции двигателя относительно круговой частоты вращения или тока:
,(11.5)
,(11.6)
где
- коэффициент передачи;
- постоянная времени якоря;
- электромеханическая постоянная времени.
Рассчитаем коэффициенты цифрового ПИД - регулятора, управляющим пуском или остановом двигателя постоянного тока с конструктивными параметрами, аналогичными параметрам двигателя погружного насоса (таблица 11.1).
Таблица 11.1 – Паспортные данные двигателя постоянного тока
| Характеристика | Значение | ед. изм. |
| Номинальная мощность | 30 | кВт |
| Номинальное напряжение | 380 | В |
| Номинальный ток | 85 | А |
| Сопротивление обмотки якоря | 30 | Ом |
| Индуктивность обмотки якоря | 0,5 | Гн |
| Частота вращения | 152 | рад/с |
| Момент инерции | 0,3 | кг/см2 |
| Конструктивный параметр | 2,5 | Вс |
| Эм. постоянная времени | 6,5 |
|
Переход к передаточной функции приведенной непрерывной части двигателя осуществляется по следующей формуле:
,(11.7)
где
- исходная передаточная функция двигателя.
С учетом технических характеристик двигателя, его передаточные функции примут вид:
,(11.8)
.
Передаточная функция цифрового ПИД регулятора имеет следующий вид:
,(11.9)
где
- коэффициент усиления пропорциональной составляющей;
- коэффициент усиления интегральной составляющей;
- коэффициент усиления дифференциальной составляющей;
- период дискретизации (принимаем равным 0,2 с).
Интегральная составляющая определяется из следующего соотношения:
,(11.10)
где
- коэффициент добротности по скорости (выбирается произвольно в рамках от 1 до 10. В данном случае примем равным 1,2);
- передаточная функция скорректированной системы.
,(11.11)
.(11.12)
Остальные коэффициенты усиления цифрового ПИД регулятора можно получить из следующей системы уравнений:
, (11.13)
где B и С – коэффициенты, выбираемые из
.
Эта система, с учетом уже известных переменных может быть представлена в виде:
, (11.14)
откуда получаем
,
. Переходные характеристики двигателя без регулятора и с ним, представлены на рисунке 11.2. Окончательные значения коэффициентов усиления цифрового ПИД регулятора сведены в таблицу 11.2.
Рисунок 11.2 – Переходные характеристики двигателя с регулятором и без
Таблица 11.2 – Значения коэффициентов цифрового ПИД регулятора
| Коэффициент | Обозначение | Рассчитанное знач. | Результирующее знач. |
| Пропорциональный | Kp | 19,3852 | 19,3852 |
| Интегральный | Ku | 3,0023 | 0,30023 |
| Дифференциальный | Kd | -0,56 | -2,8 |
11.1 Расчет параметров узлов принципиальной схемы
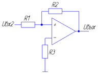
Структурная схема цифрового ПИД регулятора содержит как минимум три усилителя (для реализации пропорционального, интегрального и дифференциального коэффициентов усиления), и два сумматора. Типовая схема усилителя представлена на рисунке 11.3, активные сопротивления резисторов – в таблице 11.3.
Рисунок 11.3 – Типовая схема усилителя
Коэффициент усиления можно рассчитать по следующей формуле:
,(11.15)
здесь R3 используется для уменьшения дрейфа нуля, и принимается равным:
.(11.16)
Таблица 11.3 - Сопротивления резисторов усилителей
| Элемент | Коэффициент | Сопротивление (КОм) | В соответствии с рядом Е192 |
| R1 | Kp | 1 | 1 |
| R2 | Kp | 19,3852 | 19,3 |
| R3 | Kp | 0,95 | 0,96 |
| R1 | Ku | 1 | 1 |
| R2 | Ku | 0,3 | 0,301 |
| R3 | Ku | 0,231 | 0,232 |
| R1 | Kd | 1 | 1 |
| R2 | Kd | 2,8 | 2,8 |
| R3 | Kd | 0,736 | 0,732 |
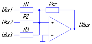
Типовая схема сумматора представлена на рисунке 11.4. Его выходное напряжение можно рассчитать по следующей формуле:
,(11.17)
если принять R1=R2=R3=Rос, то получим:
.(11.18)
Рисунок 11.4 – Типовая схема сумматора
12. Разработка АРМ
Требования к компьютеру связаны с большим объемом обрабатываемой информации и необходимостью представления информации графически. LAN связывает АРМ операторов и АРМ главных специалистов (Главный инженер, агроном, начальник службы).
Выбрав нужное отделение, оператор или другой пользователь системы имеет возможность переключиться на режим контроля. Оператор переключается на него после выбора необходимого ему отделения.
Журнал системных сообщений необходим при проведении повторных запусков системы, при ее настройке и наладке. Он позволяет отслеживать в режиме реального времени включение датчиков и других устройств системы, производить анализ отказов устройств и их диагностику.
Из окна журнала сообщений пользователь может распечатать все системные сообщения за указанный период времени.
Режим настройки системы параметров регулирования используется при проведении пусконаладочных работ, а также при проведении профилактической работы специалистами службы. Он позволяет учесть технологические особенности конкретных исполнительных устройств и устанавливать необходимые поправочные коэффициенты для улучшения качества регулирования. Вход в это окно доступен только для специалистов фирмы и для службы Заказчика.
Таким образом, основными достоинствами информационно-управляющего комплекса АСУКК ТХ являются:
уменьшение на 15-20% расхода тепло- и энергоносителей;
точность поддержания температуры воздуха в теплице ± 0,5°С;
поддержание оптимального микроклимата в теплице и увеличение возможности влияния на урожайность культивируемых культур;
высокая надежность;
возможность проведения замеров температуры и влажности возле контрольных растений.
Рекомендуется проводить поэтапную реконструкцию тепличных хозяйств. Это позволит уменьшить первоначальные затраты на проект. Первый этап - диспетчеризация. На этапе диспетчеризации собирается аналитическая и статистическая информация о работе теплицы. После окончания работ по диспетчеризации и анализа информации, полученной при работе с комплексом, выдаются рекомендации по "термодинамике" и гидродинамике в теплице. Это необходимо для обеспечения равномерного теплового поля в теплице и создания оптимальных условий роста растений. Второй этап - поэтапный переход на автоматический контроль и регулирование. Постепенный переход на автоматический контроль и регулирование позволит более гибко подходить к каждой конкретной теплице.
Заключение
В данном курсовом проекте была синтезирована двухуровневая АСУТП, которая осуществляет дискретное регулирование влажности воздуха и контроль расхода воды на распыление в теплице. По заданным параметрам ОУ путём моделирования были определены параметры настройки ПИ-регулятора, который обеспечивает необходимую точность регулирования и качество отработки входных воздействий (здесь – задание величины влажности). Используя алгоритмы первичной обработки, исследовалось влияние их параметров на характеристики сигнала с датчика влажности. Исходя из условия величины погрешности вычисления кода управления, были рассчитаны разрядности элементов ЦУУ (АЦП, ЦАП и АЛУ микроконтроллера) и произведен выбор комплекса технических средств.
1>














