48896 (608834), страница 4
Текст из файла (страница 4)
Регістр CLOCKF використовується в випадку коли тактова частота відмінна від 24,576 МГц.
Регістр DECODE_TIME при обробці потоку зберігає поточний час декодування в секундах.
В бітах 8-0 регістра AUDATA зберігається швидкість потоку даних в кілобітах за секунду.
З допомогою регістрів WRAM, WRAMADDR, AIADDR можливо завантажувати та запускати в мікросхемі додатки, написані користувачем, наприклад змішування каналів, стереоефекти та ін.
Регістри HDAT0 і HDAT1 зберігають у собі інформацію про назву даних що надходять з поточного потоку.
Регістр VOL призначений для регулювання гучності.
2.3 Принцип роботи пристрою згідно схеми електричної принципової
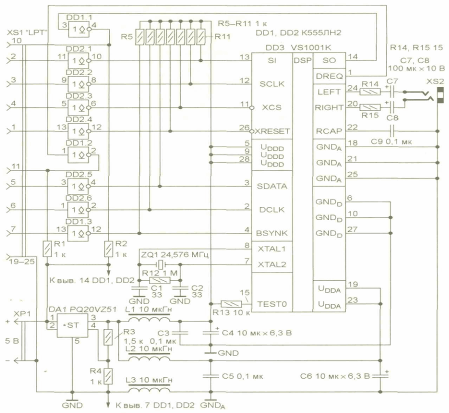
Схему електричну принципову створюваного пристрою зображено на рисунку 2.3.1.
Рисунок 2.3.1 – Схема електрична принципова MP3-програвача – приставки до ПК
Розглянемо схему електричну принципову. Основним вузлом, зображеним на ній є цифровий сигнальний процесор для апаратного декодування MPEG layer 1, 2, 3, VS1001k. В якості стабілізатора напруги використано мікросхему PQ20VZ51 фірми SHARP.
Для розділення кіл живлення аналогової і цифрової частин використано фільтруючі дроселі L1-L3 і конденсатори C3 – C6. Мікросхема має вбудовану функцію ввімкнення/вимкнення живлення, яка може бути використана в портативному варіанті приладу.
3 Експлуатаційний розділ
3.1 Ініціалізація програмуємих ВІС
Програма ініціалізації мікросхем виконує налагодження портів вводу-виводу мікросхем та встановлює параметри дільника та входів мікросхеми по яким буде виконуватися переривання. Також налагоджуються переривання по таймеру. Всі інші переривання забороняються.
3.2 Тест перевірки окремих вузлів або пристроїв
Так як проектуємий пристрій підключається до ноутбука (або стаціонарного комп’ютера) та керується ним, пристрій перевірки не потребує.
3.3 Розрахунок надійності пристрою
Надійність – властивість пристрою виконувати задані функції в заданих режимах і умовах застосування, обслуговування, ремонту, збереження, транспортування на протязі необхідного інтервалу часу.
Показники надійності:
-
Безвідмовність.
-
Довговічність.
-
Ремонтопридатність.
-
Збереження.
Безвідмовність – властивість безупинно зберігати працездатність до граничного стану, після настання, якого подальша експлуатація виробу економічно недоцільна.
Ремонтопридатність – пристосованість пристрою до попередження відмовлень, до можливості виявлення та усунення несправностей шляхом проведення ремонту і технічного обслуговування.
До термінів ремонтопридатності відносяться: відмовлення, збереження.
Відмовлення – подія, що полягає в повній або частковій утраті працездатності пристрою.
Відмовлення бувають:
Раптові (катастрофічні) – стрибкоподібна зміна параметрів робочого виробу.
Поступові (параметричні) – постійна зміна одного або декількох параметрів з часом, що виходять за припустимі межі.
Збереження – термін, протягом якого при дотриманні режимів збереження виріб зберігає працездатний стан.
Розрахунок надійності поділяється на три розділи:
-
Визначення значення інтенсивності відмовлення всіх елементів за принциповою схемою вузла пристрою.
-
Визначення значення імовірності безвідмовної роботи всієї схеми.
-
Визначення середнього наробітку до першого відмовлення.
-
Виконання розрахунків проходить наступним чином:
-
1. Інтенсивність відмовлення всіх елементів визначається за формулою:
-
(3.3.1) -
де:
-
ni – кількість елементів у схемі;
-
i – інтенсивність відмовлень і-го елемента;
-
m – кількість типів елементів.
-
При розрахунку також потрібно враховувати інтенсивність відмовлень через пайки радіоелементів на друкованій платі.
-
Інтенсивність відмовлень елементів розраховуємо за формулою:
-
(3.3.2) -
де:
-
о – інтенсивність відмовлень елементів у режимі номінального навантаження;
-
Кe – експлуатаційний коефіцієнт;
-
Кр – коефіцієнт навантаження.
-
Усі ці параметри беруться з довідника з розрахунку надійності.
-
2. Ймовірністю безвідмовної роботи називається ймовірність того, що за певних умов експлуатації в заданому інтервалі часу не відбудеться жодного відмовлення.
-
Ймовірність безвідмовної роботи визначається за формулою:
-
(3.3.3) -
де:
-
- інтенсивність відмов всіх елементів; -
t – час, (год).
-
За результатами розрахунків складається таблиця і графік.
-
3. Середній наробіток до першого відмовлення – це час роботи пристрою до першої відмови.
-
Середній наробіток на відмовлення визначається за формулою:
-
(3.3.4) -
Розрахунок надійності пристрою приведено далі.
Анотація
В курсовому проекті була розроблено схему електричну принципову МР-3 програвача – приставки до ПК. Спроектована схема електрична принципова пристрою, структурна та загальна схема, виконано опис всіх ВІС, що використовувалися у пристрої.
Написання курсового проекту змусило повторити весь матеріал вивчений на заняттях з курсу «МПС», звернутися до додаткових джерел, та навчитися проектувати електричні принципові, структурні схеми та схеми роботи пристроїв, а також працювати з технічними довідниками.
Література
-
ЕСКД ГОСТ 2.105-79 "Общие требования к текстовым документам".
-
ЕСКД ГОСТ 2.702-75 "Правила выполнения электрических схем".
-
Якименко Ю.І., Терещенко Т.О. , Сокол Є.І. Мікропроцесорна техніка. 2004.
-
Методичні вказівки щодо виконання курсової роботи.
-
А.С. Басманов «МП и ОЭВМ», Москва, «Мир», 1988.
-
В.В. Сташин, А.В. Урусов «Программирование цифровых устройств на однокристальных микроконтроллерах», Москва, «Энергоатомиздат», 1990.
-
Самофалов К.Г., Викторов О.В., Кузняк А.К. «Микропроцессоры» // К.: Техника, 1986.
-
Бороволоков Э.П. Фролов В. В. «Радиолюбительские схемы» // К.: Кондор – 1995 – 6 с.
-
Каган Б.М., Сташин В. В. Микропроцессоры в цифровых системах.- М.: Энергия, 1979.
-
Аналоговые и цифровые интегральные микросхемы / Под ред. С.В. Якубовского. - М. Радио и связь, 1984.
(3.3.1)
(3.3.2)
(3.3.3)
- інтенсивність відмов всіх елементів;
(3.3.4)














