48811 (608790), страница 3
Текст из файла (страница 3)
В полученной системе 0=1, а 8=0.
В случае аппроксимации производной по времени конечными разностями «вперед», что в цифровой моделирующей среде может случиться и при непрерывном времени, соотношение между шагом по временной переменной
и по пространственной
должно подчиняться следующему неравенству:
. При несоблюдении этого условия решение может оказаться численно неустойчивым.
2.3 Программирование для математического моделирования
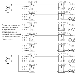
Полученная в пункте 2.2 система дифференциальных уравнений, благодаря представлению искомых переменных в относительном виде, при максимальных напряжениях на выходах операционных блоков в 1 вольт и масштабных множителях, равных единице, специального расчета коэффициентов передач не требует. Коэффициенты по входам сумматоров будут такими же, как в уравнениях.
С
хема соединения операционных блоков для этой задачи показана на рисунке 1.
Рисунок 1
2.4 Программирование задачи для метода аналогий
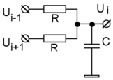
Если в окончательной системе дифференциальных уравнений, полученных в п. 4.2, каждое уравнение преобразовать по Лапласу и разрешить относительно переменной с индексом переменной в правой части, то получится система следующего вида:
,
где
- ранее вычисленный коэффициент;
p - комплексный параметр, вызванный применением преобразования Лапласа к производной.
Рисунок 2
Аналогичное выражение получается для напряжений в пассивной электрической цепи, показанной на рисунке 2, если для входных и выходных напряжений использовать одинаковую индексацию.
Зависимость напряжения на внутреннем узле по отношению к общему проводу будет:
.
Если положить равными
и
, то достаточно при емкости С=1 мкФ выбрать сопротивление R=160 кОм. В этом случае =6.25 1/с.
Соединив такие ячейки (аналоги дифференциальных уравнений системы) в последовательную электрическую цепь, мы получаем аналоговую модель дифференциального уравнения теплопроводности, которая изображена на рисунке 3.
2.5 Моделирование и численное решение задачи
2.5.1 Решение задачи методом моделирования
Таблица 5.-Численное представление результатов моделирования
2.5.1 Решение задачи методом аналогий
Выводы
Рисунки 4 и 5, представляющие решение задачи теплопроводности двумя методами, оказались практически идентичными. Затраты на подготовку к моделированию в среде виртуальной гибридной вычислительной машины свелись к построению схем соединения операционных блоков и заданию их параметров. Самой громоздкой частью процесса решения задачи в частных производных, независимо от применяемых вычислительных средств, является построение аппроксимирующей математической модели.
Таким образом, использованию пакета схемотехнического моделирования и созданной в его среде виртуальной гибридной машине альтернативы, на наш взгляд, нет. По крайней мере, это справедливо для задач с числом уравнений до ста. Наибольшим достоинством такого решения состоит в наглядности, оперативности и точности получаемых результатов.
















