48706 (608743), страница 3
Текст из файла (страница 3)
Приложение Б
Карта прошивки памяти программ
0: 1: 2: 3: 4: 5: 6: 7: 8: 9: A: B: C: D: E: F:
0000: 99 00 9A 0F D5 0E 03 F0 A9 0D 47 A8 0C 68 A8 C5
0010: 26 10 27 A8 A9 AA AB AC AE BD 05 36 1B 14 42 14
0020: 53 FD 47 53 0F AD FE 47 53 F0 6D AD 39 FE 53 F0
0030: 3A 47 AE D5 69 C5 F6 3E FD D5 68 C5 E6 40 14 6F
0040: 04 10 28 03 01 57 28 29 13 00 57 29 BF 2F EF 4E
0050: 26 42 83 2A 68 57 2A 2B 79 57 2B 2C 13 00 57 B2
0060: 6E 2C 2D 03 01 57 2D 2E 13 00 57 2E 04 53 83 56
0070: 6F 23 FE 9F 46 74 23 01 8F 83 FF FF FF FF FF FF
0080: FF FF FF FF FF FF FF FF FF FF FF FF FF FF FF FF
0090: FF FF FF FF FF FF FF FF FF FF FF FF FF FF FF FF
00A0: FF FF FF FF FF FF FF FF FF FF FF FF FF FF FF FF
00B0: FF FF FF FF FF FF FF FF FF FF FF FF FF FF FF FF
00C0: FF FF FF FF FF FF FF FF FF FF FF FF FF FF FF FF
00D0: FF FF FF FF FF FF FF FF FF FF FF FF FF FF FF FF
00E0: FF FF FF FF FF FF FF FF FF FF FF FF FF FF FF FF
00F0: FF FF FF FF FF FF FF FF FF FF FF FF FF FF FF FF
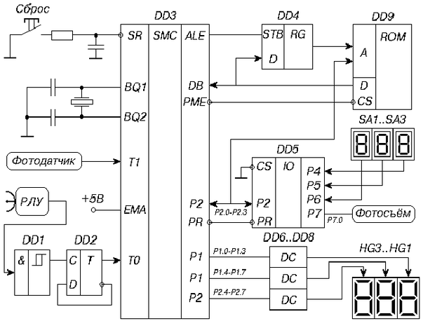
| ФЭТ КП.XXXXXX.007 Э3 | ||||||||||||||||||||||||
| МИКРОКОНТРОЛЛЕР Схема электрическая Принципиальная | Лист | Масса | Масшт | |||||||||||||||||||||
| Лист | №докум | Подпись | Дата | |||||||||||||||||||||
| Разработ. | Ощепков | |||||||||||||||||||||||
| Проверил. | Шевелев | |||||||||||||||||||||||
| Т. контр. | Лист | Листов 1 | ||||||||||||||||||||||
| ТУСУР ФЭТ ПрЭ гр.367-3 | ||||||||||||||||||||||||
| Н.контр. | ||||||||||||||||||||||||
| Утв. | ||||||||||||||||||||||||
| Поз. Обозначен | Наименование | Кол. | Примечание | |||||||||||||||||||||
Резонатор кварцевый | | | ||||||||||||||||||||||
BQ1 | РК-160МА-14БП-12000кГц-В ОД 0.338.003 ТУ | 1 | | |||||||||||||||||||||
Конденсатор | ||||||||||||||||||||||||
C1, C2, C3 | К73-24-100В-0.68нФ10% ГОСТ 5.623-70 | 3 | | |||||||||||||||||||||
Резистор | ||||||||||||||||||||||||
R1 | МЛТ-0.125-15кОм1.0% ОЖО.467.404 ТУ | 1 | | |||||||||||||||||||||
| Микросхемы | ||||||||||||||||||||||||
DD1 | K555ТЛ1 5К 1,673,006ТУ11 | 1 | | |||||||||||||||||||||
| DD2 | К555ТМ2 6К 0,348,006ТУ14 | 1 | ||||||||||||||||||||||
| DD3 | К1830ВЕ35 8П 0,375,006ТУ18 | 1 | ||||||||||||||||||||||
| DD4 | К580ИР82 4В 0,244,006ТУ55 | 1 | ||||||||||||||||||||||
| DD5 | К580ВР43 3М 2,345,005ТУ32 | 1 | ||||||||||||||||||||||
| DD6 – DD8 | К514ИД1 6К 0,478,006ТУ47 | 3 | ||||||||||||||||||||||
| DD9 | К556РТ5 3Р 1,394,006ТУ99 | 1 | ||||||||||||||||||||||
| Индикаторы | ||||||||||||||||||||||||
| HG1 - HG3 | АЛС324А аА 0,336367ТУ | 3 | ||||||||||||||||||||||
| Вилки | ||||||||||||||||||||||||
| XS1 – XS3 | ОНП – КГ – 26 – 64/73xВ 0.324.027ТУ | 3 | ||||||||||||||||||||||
| ФЭТ КП.XXXXXX.007 ПЭ3 | ||||||||||||||||||||||||
| Лист | №докум. | Подп. | Дата | |||||||||||||||||||||
| Разработ. | Ощепков | МИКРОКОНТРОЛЛЕР перечень элементов | Лиcт | Лист | Листов | |||||||||||||||||||
| Провер. | Шевелев | 1 | ||||||||||||||||||||||
| Т.контр. | ТУСУР ФЭТ ПрЭ гр.367-3 | |||||||||||||||||||||||
| Н.контр. | ||||||||||||||||||||||||
| Утв. | ||||||||||||||||||||||||
















