48377 (608573), страница 2
Текст из файла (страница 2)
Подключение новой рабочей станции требует кратко срочного выключения сети, так как во время установки кольцо должно быть разомкнуто. Ограничения на протяженность вычислительной сети не существует, так как оно, в конечном счете, определяется исключительно расстоянием между двумя рабочими станциями. Специальной формой кольцевой топологии является логическая кольцевая сеть. Физически она монтируется как соединение звездных топологий.
Отдельные звезды включаются с помощью специальных коммутаторов (англ. Hub – концентратор), которые по-русски также иногда называют «хаб».
Ячеистая
При создании глобальных (WAN) и региональных (MAN) сетей используется чаще всего Ячеистая топология MESH (рис.4.). Первоначально такая топология была создана для телефонных сетей. Каждый узел в такой сети выполняет функции приема, маршрутизации и передачи данных. Такая топология очень надежна (при выходе из строя любого сегмента существует маршрут, по которому данные могут быть переданы заданному узлу) и обладает высокой устойчивостью к перегрузкам сети (всегда может быть найден маршрут, наименее загруженный передачей данных).
Рис.4. Ячеистая топология.
При разработке сети была выбрана топология «звезда» ввиду простой реализации и высокой надежности (к каждому компьютеру идет отдельный кабель).
-
Fast Ethernet с использованием 2 коммутаторов.(рис. 5)
1 сегмент
2 сегмент
1 сегмент
1 сегмент
..20 эвм...
..20 эвм...
Рис. 5. Топология Fast Ethernet с использованием 2 коммутаторов.
2) Fast Ethernet с использованием 1 маршрутизатора и 2 коммутаторов.(рис.6)
..20 эвм...
..20 эвм...
1 сегмент
2 сегмент
Рис. 6. Топология Fast Ethernet с использованием 1 маршрутизатора и 2 коммутаторов.
4 Схема локальной сети
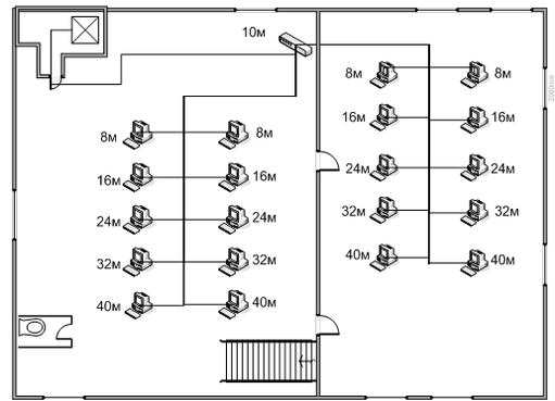
Ниже представлена схема расположения компьютеров и протяжки кабелей по этажам (рис.7,8).
Рис. 7. Схема расположения компьютеров и прокладки кабеля на 1 этаже.
Рис. 8. Схема расположения компьютеров и прокладки кабеля на 2 этаже.
Данная схема разработана с учетом характерных особенностей здания. Кабели будут расположены под искусственным напольным покрытием, в специально отведенных для них каналах. Протяжка кабеля на второй этаж будет осуществляться через телекоммуникационный шкаф, который расположен в подсобном помещении, которое используется как серверная комната, где располагаются сервер и маршрутизатор. Коммутаторы расположены в основных помещениях в тумбах.
5 Эталонная модель OSI
При связи компьютеров по сети производится множество операций, обеспечивающих передачу данных от компьютера к компьютеру. Пользователю, работающему с каким-то приложением, в общем-то безразлично, что и как при этом происходит. Для него просто существует доступ к другому приложению или компьютерному ресурсу, расположенному на другом компьютере сети. В действительности же вся передаваемая информация проходит много этапов обработки. Прежде всего она разбивается на блоки, каждый из которых снабжается управляющей информацией. Полученные блоки оформляются в виде сетевых пакетов, эти пакеты кодируются, передаются с помощью электрических или световых сигналов по сети в соответствии с выбранным методом доступа, затем из принятых пакетов вновь восстанавливаются заключенные в них блоки данных, блоки соединяются в данные, которые и становятся доступны другому приложению. Это, конечно, очень упрощенное описание происходящих процессов. Часть из указанных процедур реализуется только программно, другая - аппаратно, а какие-то операции могут выполняться как программами, так и аппаратурой.
Упорядочить все выполняемые процедуры, разделить их на уровни и подуровни, взаимодействующие между собой, как раз и призваны модели сетей. Эти модели позволяют правильно организовать взаимодействие как абонентам внутри одной сети, так и самым разным сетям на различных уровнях. Наибольшее распространение получила в настоящее время так называемая эталонная модель обмена информацией открытой системы OSI (Open System Interchange). Под термином «открытая система» в данном случае понимается незамкнутая в себе система, имеющая возможность взаимодействия с какими-то другими системами (в отличие от закрытой системы).
Модель OSI была предложена Международной организацией стандартов ISO (International Standards Organization) в 1984 году. С тех пор ее используют (более или менее строго) все производители сетевых продуктов. Как и любая универсальная модель, модель OSI довольно громоздка, избыточна и не слишком гибка, поэтому реальные сетевые средства, предлагаемые различными фирмами, не обязательно придерживаются принятого разделения функций. Эталонная модель OSI стала основной архитектурной моделью для систем передачи сообщений. При рассмотрении конкретных прикладных телекоммуникационных систем производится сравнение их архитектуры с моделью OSI/ISO. Эта модель является наилучшим средством для изучения современной технологии связи.
Эталонная модель OSI делит проблему передачи информации между абонентами на семь менее крупных и, следовательно, более легко разрешимых задач. Конкретизация каждой задачи производилась по принципу относительной автономности. Очевидно, автономная задача решается легче.
Каждой из семи областей проблемы передачи информации ставится в соответствие один из уровней эталонной модели. Два самых низших уровня эталонной модели OSI реализуются аппаратным и программным обеспечением, остальные пять высших уровней, как правило, реализуются программным обеспечением. Эталонная модель OSI описывает, каким образом информация проходит через среду передачи (например, металлические провода) от прикладного процесса-источника (например, по передаче речи) до процесса-получателя.
Стек протоколов, представленный в виде 7-уровневой структуры, показан на рисунке 9.
Рис. 9. Структура модели OSI.
В рамках модели OSI взаимодействие двух систем представляется фактически в виде двух моделей - горизонтальной и вертикальной:
-
в рамках горизонтальной модели рассматривается прямое взаимодействие (обмен данными) одинаковых уровней в двух конечных точках (хостах); для организации такого взаимодействия в каждой из конечных точек должны поддерживаться одинаковые протоколы для данного уровня;
-
в вертикальной модели рассматривается обмен информацией (взаимодействие) между соседними уровнями одной системы с использованием интерфейсов API; в этой модели каждый уровень может предоставлять свои услуги вышележащему уровню и пользоваться услугами нижележащего уровня (крайние уровни модели в этом смысле представляют исключение - прикладной уровень предоставляет свои услуги пользователю, а сетевой уровень не пользуется сервисом других уровней)
Прикладной уровень (Application layer)
Верхний (7-й) уровень модели, обеспечивает взаимодействие сети и пользователя. Уровень разрешает приложениям пользователя доступ к сетевым службам, таким как обработчик запросов к базам данных, доступ к файлам, пересылке электронной почты. Также отвечает за передачу служебной информации, предоставляет приложениям информацию об ошибках и формирует запросы к уровню представления.
Уровень представления (Presentation layer)
Этот уровень отвечает за преобразование протоколов и кодирование/декодирование данных. Запросы приложений, полученные с уровня приложений, он преобразует в формат для передачи по сети, а полученные из сети данные преобразует в формат, понятный приложениям. На этом уровне может осуществляться сжатие/распаковка или кодирование/декодирование данных, а также перенаправление запросов другому сетевому ресурсу, если они не могут быть обработаны локально.
Сеансовый уровень (Session layer)
Отвечает за поддержание сеанса связи, позволяя приложениям взаимодействовать между собой длительное время. Уровень управляет созданием/завершением сеанса, обменом информацией, синхронизацией задач, определением права на передачу данных и поддержанием сеанса в периоды неактивности приложений. Синхронизация передачи обеспечивается помещением в поток данных контрольных точек, начиная с которых возобновляется процесс при нарушении взаимодействия
Транспортный уровень (Transport layer)
4-й уровень модели, предназначен для доставки данных без ошибок, потерь и дублирования в той последовательности, как они были переданы. При этом неважно, какие данные передаются, откуда и куда, то есть он предоставляет сам механизм передачи. Блоки данных он разделяет на фрагменты, размер которых зависит от протокола, короткие объединяет в один, а длинные разбивает. Протоколы этого уровня предназначены для взаимодействия типа точка-точка.
Сетевой уровень (Network layer)
3-й уровень сетевой модели OSI, предназначен для определения пути передачи данных. Отвечает за трансляцию логических адресов и имён в физические, определение кратчайших маршрутов, коммутацию и маршрутизацию пакетов, отслеживание неполадок и заторов в сети. На этом уровне работает такое сетевое устройство, как маршрутизатор.
Канальный уровень (Data Link layer)
Этот уровень предназначен для обеспечения взаимодействия сетей на физическом уровне и контроля за ошибками, которые могут возникнуть. Полученные с физического уровня данные он упаковывает в кадры данных, проверяет на целостность, если нужно исправляет ошибки и отправляет на сетевой уровень. Канальный уровень может взаимодействовать с одним или несколькими физическими уровнями, контролируя и управляя этим взаимодействием. Спецификация IEEE 802 разделяет этот уровень на 2 подуровня — MAC (Media Access Control) регулирует доступ к разделяемой физической среде, LLC (Logical Link Control) обеспечивает обслуживание сетевого уровня. На этом уровне работают коммутаторы, мосты.
В программировании этот уровень представляет драйвер сетевой платы, в операционных системах имеется программный интерфейс взаимодействия канального и сетевого уровня между собой, это не новый уровень, а просто реализация модели для конкретной ОС. Примеры таких интерфейсов: ODI, NDIS.
Физический уровень (Physical layer)
Самый нижний уровень модели, предназначен непосредственно для передачи потока данных. Осуществляет передачу электрических или оптических сигналов в кабель и соответственно их приём и преобразование в биты данных в соответствии с методами кодирования цифровых сигналов. Другими словами, осуществляет интерфейс между сетевым носителем и сетевым устройством. На этом уровне работают концентраторы, повторители (ретрансляторы) сигнала и сетевые адаптеры.
Взаимодействие уровней
Уровни взаимодействуют сверху вниз и снизу вверх посредством интерфейсов и могут еще взаимодействовать с таким же уровнем другой системы с помощью протоколов.
Протоколы, использующиеся на каждом уровне модели OSI, представлены в таблице 1.
Таблица 1.
Протоколы уровней модели OSI
| Уровень OSI | Протоколы |
| Прикладной | HTTP, gopher, Telnet, DNS, SMTP, SNMP, CMIP, FTP, TFTP, SSH, IRC, AIM, NFS, NNTP, NTP, SNTP, XMPP, FTAM, APPC, X.400, X.500, AFP, LDAP, SIP, ITMS, Modbus TCP, BACnet IP, IMAP, POP3, SMB, MFTP, BitTorrent, eD2k, PROFIBUS |
| Представления | HTTP, ASN.1, XML-RPC, TDI, XDR, SNMP, FTP, Telnet, SMTP, NCP, AFP |
| Сеансовый | ASP, ADSP, DLC, Named Pipes, NBT, NetBIOS, NWLink, Printer Access Protocol, Zone Information Protocol, SSL, TLS, SOCKS |
| Транспортный | TCP, UDP, NetBEUI, AEP, ATP, IL, NBP, RTMP, SMB, SPX, SCTP, DCCP, RTP, TFTP |
| Сетевой | IP, IPv6, ICMP, IGMP, IPX, NWLink, NetBEUI, DDP, IPSec, ARP, RARP, DHCP, BootP, SKIP, RIP |
| Канальный | STP, ARCnet, ATM, DTM, SLIP, SMDS, Ethernet, FDDI, Frame Relay, LocalTalk, Token ring, StarLan, L2F, L2TP, PPTP, PPP, PPPoE, PROFIBUS |
| Физический | RS-232, RS-422, RS-423, RS-449, RS-485, ITU-T, xDSL, ISDN, T-carrier (T1, E1), модификации стандарта Ethernet: 10BASE-T, 10BASE2, 10BASE5, 100BASE-T (включает 100BASE-TX, 100BASE-T4, 100BASE-FX), 1000BASE-T, 1000BASE-TX, 1000BASE-SX |
Следует понимать, что подавляющее большинство современных сетей в силу исторических причин лишь в общих чертах, приближённо, соответствуют эталонной модели ISO/OSI.















