47778 (608369), страница 2
Текст из файла (страница 2)
| | (1.19) |
Используя передаточную функцию для оценки зависимости амплитуды выходного сигнала от частоты, запишем:
| | (1.20) |
При
, т.е. для случая, когда частота входного сигнала
»
, |W(j
)| = 1/
. Это соответствует снижению коэффициента передачи фильтра на 20 дБ на декаду.
Если необходимо получить более быстрое уменьшение коэффициента передачи, можно включить n фильтров нижних частот последовательно. Передаточная функция такой системы имеет вид:
| | (1.21) |
где
,
,...,
– действительные положительные коэффициенты. Из этой формулы следует, что |W(j
)| ~ 1/
при
. Полюса передаточной функции вещественные отрицательные. Таким свойством обладают пассивные RC-фильтры n-го порядка. Соединив последовательно фильтры с одинаковой частотой среза, получим:
| | (1.22) |
-этот случай соответствует критическому затуханию.
Передаточная функция фильтра нижних частот (ФНЧ) в общем виде может быть записана как
| | (1.23) |
где
,
,...,
– положительные действительные коэффициенты;
– коэффициент усиления фильтра на нулевой частоте.
Порядок фильтра определяется максимальной степенью переменной S. Для реализации фильтра необходимо разложить полином знаменателя на множители. Если среди нулей полинома есть комплексные, то рассмотренное ранее представление полинома (1.5) не может быть использовано. В этом случае следует записать его в виде произведения квадратных трехчленов:
| | (1.24) |
где
и
– положительные действительные коэффициенты. Для полиномов нечетных порядков коэффициент b1 равен нулю.
Реализация комплексных нулей полинома на пассивных RC-цепях невозможна. Применение индуктивных катушек в низкочастотной области нежелательно из-за больших габаритов и сложности изготовления катушек, а также из-за появления паразитных индуктивных связей. Схемы с операционными усилителями позволяют обеспечить комплексные нули полиному без применения индуктивных катушек. Такие схемы называют активными фильтрами. Рассмотрим различные способы задания характеристик ФНЧ.
Широкое применение нашли фильтры Бесселя, Баттерворта и Чебышева, отличающиеся крутизной наклона амплитудно-частотной характеристики (АЧХ) в начале полосы задерживания и колебательностью переходного процесса при ступенчатом воздействии.
Амплитудно-частотная характеристика фильтра Баттерворта имеет довольно длинный горизонтальный участок и резко спадает за частотой среза. Переходная характеристика такого фильтра при ступенчатом входном сигнале имеет колебательный характер. С увеличением порядка фильтра колебания усиливаются.
Амплитудно-частотная характеристика фильтра Чебышева спадает более круто за частотой среза. В полосе пропускания она, однако, не монотонна, а имеет волнообразный характер с постоянной амплитудой. При заданном порядке фильтра более резкому спаду амплитудно-частотной характеристики за частотой среза соответствует большая неравномерность в полосе пропускания. Колебания переходного процесса при ступенчатом входном воздействии сильнее, чем у фильтра Баттерворта.
Фильтр Бесселя обладает оптимальной переходной характеристикой. Причиной этого является пропорциональность фазового сдвига выходного сигнала фильтра частоте входного сигнала. При равном порядке спад амплитудно-частотной характеристики фильтра Бесселя оказывается более пологим по сравнению с фильтрами Чебышева и Баттерворта.
Тот или иной вид фильтра при заданном его порядке определяется коэффициентами полинома передаточной функции (1.24) фильтра.
-
Реализация фильтров на операционных усилителях:
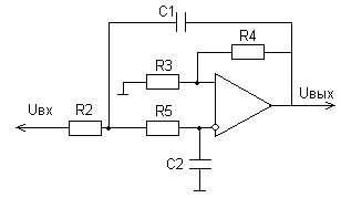
С ростом порядка фильтра его фильтрующие свойства улучшаются. На одном ОУ достаточно просто реализуется фильтр второго порядка. Для реализации фильтров нижних частот, высших частот и полосовых фильтров широкое применение нашла схема фильтра второго порядка Саллена-Ки. На рисунке 1.5 приведен ее вариант для ФНЧ. Отрицательная обратная связь, сформированная с помощью делителя напряжения R3, (
– 1)R3, обеспечивает коэффициент усиления, равный
. Положительная обратная связь обусловлена наличием конденсатора С2. Передаточная функция фильтра имеет вид:
| | (1.25) |
Рисунок 1.5 - Активный фильтр нижних частот второго порядка
Расчет схемы существенно упрощается, если с самого начала задать некоторые дополнительные условия. Можно выбрать коэффициент усиления
. Тогда (
– 1)R7 = 0, и резистивный делитель напряжения в цепи отрицательной обратной связи можно исключить. ОУ оказывается включенным по схеме неинвертирующего повторителя. В простейшем случае он может быть даже заменен эмиттерным повторителем на составном транзисторе. При
= 1 передаточная функция фильтра принимает вид:
| | (1.26) |
Находим значение емкости конденсатора С1:
| | (1.27) |
| | (1.28) |
| | (1.29) |
В соответствии с методикой принимаем следующие параметры фильтра для расчёта элементов схемы Саллена – Ки: А = 1, В = 1.4142, С = 1
(фильтр Баттерворта второго порядка с коэффициентом передачи А = 1).
Находим значение емкости конденсатора С2:
| | (1.30) |
| | (1.31) |
Находим сопротивление резистора R2:
| | (1.32) |
| | (1.33) |
| | (1.34) |
| | (1.35) |
Так как А = 1, то
, а
.
Принимаем :
| | (1.36) |
В случае, если коэффициент передачи фильтра А>1, то величины R3 и R4 выбираются из условия R4 /R3 = А–1. В качестве ОУ можно выбрать микросхему К140 УД9.
-
Расчет нормирующего усилителя:
В качестве нормирующего усилителя выбираем операционный усилитель LM 741:
Рисунок 1.6 – Схема нормирующего усилителя
Коэффициент усиления рассчитывается по формуле:
| | (1.37) |
Максимальное значение амплитуды входного сигнала, приемлемое для АЦП, равно
, максимальное значение амплитуды входного сигнала датчика равно
, коэффициент усиления ФНЧ
, коэффициент усиления ДУ
. Тогда
| | (1.38) |
| | (1.39) |
Выбираем сопротивления: R9=1 кОм, R10=23 кОм.
2. МЕТОДИЧЕСКОЕ ОБЕСПЕЧЕНИЕ
2.1 Описание модели АЦП
Одной из важнейших задач, решаемых автоматизированными системами, является сбор и обработка данных, поступающих от первичных преобразователей (датчиков), установленных на объектах автоматизации. Эти данные рассматривают как временные ряды.
Временной ряд - это множество наблюдений, генерируемых последовательно во времени. В зависимости от того, как изменяется время: непрерывно или дискретно, различают временные ряды непрерывные и дискретные.
Современные автоматизированные системы обрабатывают данные с помощью компьютеров, поэтому все данные, которые поступают в виде аналоговых сигналов, преобразуются в цифровую форму.
При исследовании процесса аналого-цифрового преобразования будут рассматриваться следующие временные ряды:
Х(t) - исходная физическая величина (непрерывный ряд);
х(t) - выходной сигнал датчика в вольтах, соответствующий функции Х(t) (непрерывный ряд);
С(t) - выход х(t) датчика, переведенный в непрерывные отсчёты (непрерывный ряд);
С(iT) - выход х(t) датчика, переведенный в непрерывные отсчёты, выполненные в дискретные моменты времени с периодом Т (дискретный ряд);
с(i) - выход х(t) датчика, переведенный в округленные отсчёты, полученные после операции квантования (дискретный временной ряд);
е(i) - погрешность, равная С(iT) - с(i).
Фиктивный временной ряд С(t) введен здесь только для удобства. Как временной ряд С(t), так и ряд с(i) измеряются в одних единицах - отсчётах. Временной ряд С(t) есть просто результат линейного преобразования функции х(t) вида:
| | (2.1) |
Например, если динамический диапазон изменения значений временного ряда х(t) на входе АЦП лежит в пределах от -5В до + 5В и ему соответствует интервал изменения значений временного ряда С(t) от 0 до 1023 на выходе (АЦП имеет 10 разрядов), то А = 102.3 (отсч/В) и В = 511.5 (отсч/В).
2.2 Спектральный анализ на основе преобразования Фурье
Дискретное преобразование Фурье (финитное) определяется следующим соотношением:
| | (2.2) |
где X(k) - значение (комплексное) дискретного преобразования Фурье, определенное в частоте с номером k;
x(i) - значение (вещественное) исходного временного ряда, определенное в момент времени с номером i;
T - период дискретизации;













