46201 (607795), страница 2
Текст из файла (страница 2)
Iк0 =0.7А.
Напряжение источника питания:
Еп=Uкэ0 =18В.
В
идно, что напряжение питания значительно уменьшилось. Нагрузочные прямые по постоянному и переменному току приведены на рис. 1.6.
I, А
1.4 R_
R~
0.7
18 34 U, В
Рисунок 1.6 – Нагрузочные прямые по постоянному и переменному току.
Расчет прямой по постоянному току:
Расчет прямой по переменному току:
,
,
,
.
Найдем так же расчетную мощность цепи и мощность потребления:
Сведем результаты расчетов в отдельную таблицу и проведем сравнительный анализ двух схем.
Таблица 1.1 - Сравнительный анализ схем
| Параметр | | | | | |
| Схема с | 53.2 В | 25.4 Вт | 74.9 Вт | 1.4 А | 18 В |
| Схема без | 18 В | 12.6 Вт | 12.6 Вт | 0.7 А | 18 В |
Из таблицы следует, что дроссельный каскад потребляет в несколько раз меньше, напряжение источника питания для него нужно небольшое, что выгодно отличает данную схему. В дальнейших расчетах она и будет использоваться.
Выбор транзистора осуществляется исходя из технического задания, по которому можно определить предельные электрические и частотные параметры требуемого транзистора. В данном случае они составляют (с учетом запаса 20%):[6]
Iк доп > 1.2*Iк0=0.84 А
Uк доп > 1.2*Uкэ0=21.6 В (1.8)
Рк доп > 1.2*Pрасс=15.2 Вт
fт= (3-10)*fв=(3-10)*250 МГц.
Этим требованиям с достаточным запасом отвечает широко распространенный транзистор КТ 934В, справочные данные которого приведены ниже [7]:
Iк=2 А
Uкэ=60 В
Pк=30 Вт
Fт= 960 МГц.
при
1.3.3. Расчет эквивалентных схем транзистора КТ934В.
а) Модель Джиаколетто.
Модель Джиаколетто представлена на рис.1.7.
Рисунок 1.7 - Эквивалентная схема Джиаколетто.
Необходимые для расчета справочные данные:
, постоянная цепи обратной связи.
, статический коэффициент передачи тока базы.
, емкость коллекторного перехода.
Найдем при помощи постоянной времени цепи обратной связи сопротивление базового перехода нашего транзистора:[5]
(1.9)
Из справочных данных мы знаем, что при , а на 18В. Для того, чтобы свести параметры к одной системе воспользуемся формулой перехода:[1]
(1.10)
в нашем случае:
Теперь, зная все параметры, можно найти сопротивление:
, тогда
Найдем значение коллекторной емкости в рабочей точке по той же формуле перехода:
Найдем значения оставшихся элементов схемы:
, где (1.11)
– паспортное значение статического коэффициента передачи,
– сопротивление эмиттеного перехода транзистора
Тогда
Емкость эмиттерного перехода: , где – типовое значение граничной частоты коэффициента передачи тока, взятое из паспортных данных транзистора.[7]
Найдем оставшиеся параметры схемы:
(1.12)
(1.13)
(1.14)
б) Однонаправленная модель.[4]
Однонаправленная модель представлена на рис.1.8.
Рисунок 1.8 - Однонаправленная модель.
При определении значений элементов высокочастотной модели воспользуемся паспортными данными транзистора:[7]
(1.15)
где
– входное сопротивление,
– выходная емкость,
– выходное сопротивление.В паспортных данных значение индуктивности.[7]
где
– индуктивности выводов базы и эмиттера.
В результате получим:
1.3.4. Расчет схем термостабилизации транзистора КТ 934В.
Эмиттерная термостабилизация приведена на рис.1.9.[8]
Рисунок 1.9 Схема эмитерной термостабилизации.
Расчет номиналов элементов осуществляется исходя из заданной рабочей точки. Напряжение на эмиттере должно быть не менее 3-5 В (в расчетах возьмем 3В), чтобы стабилизация была эффективной.
Рабочая точка:
U
кэ0= 18В,
Iк0=0.7А.
Учтя это, получим:
, где
, а коллекторный ток –
, что было получено ранее, тогда:
и
1.16)
Видно, что рассеиваемая мощность довольно велика.
Базовый ток будет в
раз меньше коллекторного тока:
, (1.17)
а ток базового делителя на порядок больше базового:
(1.18)
Учтя то, что напряжение питания будет следующим:
, (1.19)
найдем значения сопротивлений, составляющих базовый делитель:
(1.20)
(1.21)
Схема активной коллекторной термостабилизации усилительного каскада приведена на рис.1.10.
Рисунок 1.10 – Схема активной коллекторной термостабилизации.
В качестве управляемого активного сопротивления выбран транзистор КТ361А со средним коэффициентом передачи тока базы 50.[9] Напряжение на
сопротивлении цепи коллектора по постоянному току должно быть больше 1 В или равным ему, что и применяется в данной схеме [4].
Энергетический расчет схемы:
. (1.22)
Мощность, рассеиваемая на сопротивлении коллектора:
. (1.23)
Видно, что мощность рассеивания на отдельном резисторе уменьшилась в три раза по сравнению с предыдущей схемой. Рассчитаем номиналы схемы:
(1.24)
Номиналы реактивных элементов выбираются исходя из неравенств:
(1.25)
Этим требованиям удовлетворяют следующие номиналы:
L=30 мкГн (Rн=25 Ом) и Сбл=0.1 мкФ (fн=10 МГц).
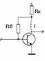
Схема пассивной коллекторной термостабилизации приведена на рис. 1.11[8]
Рисунок 1.11 – Схема пассивной коллекторной термостабилизации.
В данной схеме напряжение на коллекторе должно изменяться в пределах от 5 до 10 В. Возьмем среднее значение– 7В.
Произведем энергетический расчет схемы:
. (1.26)
Мощность, рассеиваемая на сопротивлении коллектора:
. (1.27)
Видно, что при использовании данной схемы мощность будет максимальна.
Рассчитаем номиналы схемы:
. (1.28)
Сравнив эти схемы видно, что и с энергетической, и с практической точки зрения более эффективно использовать активную коллекторную термостабилизацию, которая и будет использоваться далее.
1.3.5. Расчет выходной корректирующей цепи.
В рассматриваемом выше усилительном каскаде расширение полосы пропускания было связано по принципу последовательного соединения корректирующих цепей (КЦ) и усилительных элементов [10].
Пример построения такой схемы усилителя по переменному току приведен на рисунке 1.12.
Рисунок 1.12 Схема усилителя с корректирующими цепями
При этом расчеты входных, выходных и межкаскадных КЦ ведутся с использованием эквивалентной схемы замещения транзистора приведенной на рисунке 1.8. Из теории усилителей известно [11], что для получения максимальной выходной мощности в заданной полосе частот необходимо реализовать ощущаемое сопротивление нагрузки, для внутреннего генератора транзистора, равное постоянной величине во всем рабочем диапазоне частот. Это можно реализовать, включив выходную емкость транзистора (см. рисунок 1.8) в фильтр нижних частот, используемый в качестве выходной КЦ. Схема включения выходной КЦ приведена на рисунке 1.13.
Рисунок 1.13Схема выходной корректирующей цепи
От выходного каскада усилителя требуется получение максимально возможной выходной мощности в заданной полосе частот [12]. Это достигается путем реализации ощущаемого сопротивления нагрузки для внутреннего генератора транзистора равным постоянной величине во всем рабочем диапазоне частот. Одна из возможных реализаций - включение выходной емкости транзистора в фильтр нижних частот, используемый в качестве выходной КЦ. Расчет элементов КЦ проводится по методике Фано, обеспечивающей максимальное согласование в требуемой полосе частот.
По имеющейся выходной емкости каскада (вычисленной в пункте 1.3.3) найдем параметр b3, чтобы применить таблицу коэффициентов [13]:
. (1.29)
Из таблицы получим следующие значения параметров с учетом величины b3 (произведя округление ее):
C1н=b1=1.9, L1н=b2=0.783, C1н=b3=1.292, S=0.292,
1.605.
Разнормируем параметры и найдем номиналы элементов схемы:
. (1.30)
1.3.6 Расчет элементов каскада со сложением напряжений
При выполнении условия (1.1) коэффициент усиления каскада в области верхних частот описывается выражением.
,
где
;
;
;
;
.
Оптимальная по Брауде АЧХ каскада реализуется при расчете
,
по формулам [4]:
; (1.31)
, (1.32)
а значение
определяется из соотношения:
. (1.33)
Рассчитать
,
,
каскада со сложением напряжений приведенного на рисунке 1.1, при использовании транзистора КТ934В и условий:
=25 Ом;
=0,9.












