4462 (600163), страница 2
Текст из файла (страница 2)
Величина выброса из сушильных барабанов зависит от размера гранул наполнителя и типа применяемого топлива. Выбросы в отсутствие подавления в среднем составляют примерно 20 кг/т наполнителя. Выбросы составляют относительно крупные частицы, размер более 50 % из них превышает 20 мкм и зависит от используемого наполнителя. Выбросы из сушильных барабанов улавливаются либо скрубберами, либо рукавными фильтрами, перед которыми расположены циклоны. Эти устройства уменьшают выбросы более чем на 99 %.
Пыль образуется при работе сушильного барабана (на входе) и сит на смесителе (грохота), элеватора горячего материала. В составе пыли почти 50% зерен менее 71 мкм (минеральный порошок), при этом частицы с размером зерен 50-70 мкм улавливаются полностью сухой системой пылеочистки; частицы размером 10-5 мкм улавливаются сухой системой пылеочистки частично (на 80%) .В связи с этим возникает необходимость производить мокрую пылеочистку циклоном. Частицы размером менее 10 микрон сухим способом не улавливаются вовсе.
Для подавления выбросов используют также обеспыливающие установки, которые предназначены для очистки выходящих газов из сушильного барабана и создании в нем минимального разряжения, чтобы направить весь поток загрязненных газов в обеспыливающую установку. Обычно такая установка имеет две ступени очистки: 1-ая - циклоны сухой очистки, 2-ая - мокрые пылеуловители.
Эффективность очистки в такой установке составляет 99,2%.2 ЦИКЛОНЫ
2.1 Теоретическая часть
Циклонные аппараты вследствие дешевизны и простоты устройства и эксплуатации, относительно небольшого сопротивления и высокой производительности являются наиболее распространенным типом механического пылеуловителя.
Циклонные пылеуловители имеют следующие преимущества перед другими аппаратами:
- отсутствие движущихся частей;
- надежная работа при температуре до 400 градусов С без конструктивных изменений;
- пыль улавливается в сухом виде;
- возможность улавливания абразивных пылей, для чего активные поверхности циклонов покрываются специальными материалами;
- возможность работы циклонов при высоких давлениях;
- стабильная величина гидравлического сопротивления;
- простота изготовления и возможность ремонта;
- повышение концентрации пыли не приводит к снижению фракционной эффективности аппарата.
К недостаткам можно отнести:
- высокое гидравлическое сопротивление, достигающее 1250-1500 Па;
- низкая эффективность при улавливании частиц размером меньше 5мкм.
Работа циклона основана на использовании центробежных сил, возникающих при вращении газопылевого потока внутри корпуса аппарата. Вращение достигается путем тангенциального ввода потока в циклон. В результате действия центробежных сил частицы пыли, взвешенные в потоке, отбрасываются на стенки корпуса и выпадают из потока. Чистый газ, продолжая вращаться, совершает поворот на 180 градусов и и выходит из циклона через расположенную по оси выхлопную трубу( рис. 2.1.1)
Рисунок 1- Циклон:
-
корпус;
-
входной патрубок;
-
выходной патрубок;
-
приемный бункер.
Частицы пыли, достигающие стенок корпуса, под действием перемещающегося в осевом направлении потока и сил тяжести движутся по направлению к выходному отверстию корпуса и выводятся из циклона. Ввиду того, что решающим фактором обуславливающем движение пыли, являются аэродинамические силы, а не силы тяжести, циклоны можно располагать наклонно и даже горизонтально. На практике из-за компоновочных решений, а также для размещения пылетранспортных систем, циклоны устанавливают в вертикальном положении.
При движении во вращающемся криволинейном потоке газа частица пыли находится под действием силы тяжести, центробежной силы и силы сопротивления. Масса частицы обычно настолько мала, что ею пренебрегают, поэтому скорость частиц в циклоне без большой ошибки можно принять равной скорости вращения газопылевого потока.
Область циклонного процесса, или зона улавливания пыли, расположена между концом выхлопной трубы и пылеотводящим отверстием циклона. Часть этой зоны занимает корпусный патрубок. В нем оканчивается циклонный вихрь, В цилиндрическом циклоне (Без корпусного патрубка) циклонный вихрь опирается на пылевой слой в бункере аппарата. При этом частицы вторично уносятся из бункера, т.е. происходит явление, аналогичное действию атмосферных вихрей на предметы, находящиеся на поверхности земли. Вторичный унос частиц возникает и тогда, когда выбран чрезмерно большой угол конусности нижнего патрубка циклона.
Бункер участвует в аэродинамике циклонного процесса, поэтому использование циклонов без бункера или с уменьшенным, по сравнению с рекомендуемым, размером бункера снижает КПД аппарата. Существенное влияние на циклонный процесс оказывает турбулентность, которая во многом определяет степень очистки. Поток, поступающий в выхлопную трубу, продолжает интенсивно вращаться. Затухание этого вращательного движения. Связанное с невосполнимыми потерями энергии, происходит сравнительно медленно.
2.1.1 Циклоны конструкции НИИОгаз
- Цилиндрические (типа ЦН-11, ЦН-15, цН-15У, ЦН-24). Характерные особенности: удлиненная цилиндрическая часть, угол наклона крышки и входного патрубка равен соответственно 11,15,24, одинаковое отношение диаметра выхлопной трубы к диаметру циклона, значение которого 0,59.
- Конические (СДК-ЦН-33, СК-ЦН-34,СК-ЦН-34М). Характерные особенности: длинная коническая часть, спиральный входной патрубок, малое отношение d выхлопной трубы и корпуса (соответственно 0,33 и 0,34).
Цилиндрические относят к высокопроизводительным аппаратам, а конические – к высокоэффективным. Диаметр цилиндрических циклонов не превышает 2000 мм, а конических - 3000 мм. С увеличением диаметра циклона при постоянной тангенциальной скорости потока центробежная сила, воздействующая на пылевые частицы, уменьшается, и эффективность пылеулавливания снижается. Кроме того, установка одного высокопроизводительного циклона вызывает затруднения из-за его большой высоты. В связи с этим в технике пылеулавливания широкое применение нашли групповые и батарейные циклоны.
Рисунок 2.1.1.1 - Цилиндрический циклон.
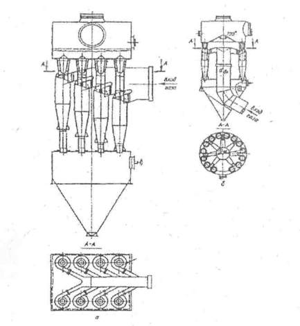
В групповых компоновках по нормалям НИИОгаза применяются циклоны типа ЦН-15 и ЦН-11, их устанавливают попарно с общим числом циклонов 2-8 или вокруг вертикального подводящего газохода по 10-14 штук. (рис. 3).
Рисунок 2.1.1.2 - Групповые циклоны:
а - ступенчатая компоновка; б - круговая компоновка.
При определении гидравлического сопротивления групповых установок к коэффициенту сопротивления одиночного циклона, отнесенному к скорости воздушного потока в горизонтальном сечении корпуса, при круговой компоновке следует добавлять 60, при двухрядной с отводом очищенного газа через улитки 28. Степень очистки в группе циклонов принимается равной степени очистки в одиночном циклоне, входящем в эту же группу.
Конические циклоны при разных производительностях с цилиндрическими отличаются от последних большими габаритами и поэтому обычно не применяются в групповом исполнении. Для подвода газа к отдельным циклонам при установке их в группу рекомендуется применять коллекторы. Обходные патрубки циклонов присоединяют к коллекторам посредством фланцев. Коллектор выполняется из одного или нескольких патрубков, которые с одной стороны подсоединяются к циклонам, а с другой – заканчиваются общей камерой.
Отвод очищенного газа в циклонах может осуществляться несколькими способами: с помощью улитки, служащей для преобразования вращательного движения газов в поступательное, колена, общего сборника для группы циклонов или через выхлопную трубу. Сечения выходного отверстия улитки и входного патрубка циклонов следует выполнять одинаковыми.
Группа циклонов снабжается общим бункером для сбора пыли. Диаметр пылевыпускного отверстия бункера подбирают таким, чтобы выпуск уловленной пыли происходил без задержки, а размер фланца соответствовал размеру устанавливаемого под ним пылевого затвора. Угол наклона стенок бункера принимается большим, чем угол естественного откоса пыли; обычно он составляет 55-60°.
В группах циклоны компонуются в два ряда или имеют круговую компоновку в соответствии с рекомендациями, приведенными в таблице 3 приложения. Рабочие объемы бункеров для групп циклонов рекомендуется принимать по таблице 4 приложения.
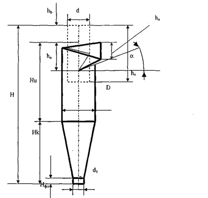
Для циклонов НИИОгаз принят следующий ряд диаметров: 200, 300, 400, 500, 600, 700, 800, 900, 1000, 1200, 1400, 1600, 1800, 2000, 2400, 3000 мм. Однако для цилиндрических циклонов в одиночном исполнении 1800мм.
Бункера для одиночных циклонов выполняются цилиндрической формы. Диаметры принимаются в соответствии с ГОСТ: для цилиндрического циклона Dбункера = 1,5D; для конического – Dбункера =(1,1..1,2)D. Высота цилиндрической части бункера принимается равной' 0,8D, днище бункера выполняется с углом стенок 60°.
Пылевые бункера циклонных групп могут иметь либо круглую, либо прямоугольную форму. Для групп из двух и четырех циклонов применяют обе формы бункеров, а для групп из шести и восьми циклонов - только прямоугольные. Минимальное расстояние от оси циклона до стенки бункера должно быть не менее 0,4D, где D - диаметр циклона. Высота прямоугольной (или цилиндрической) части бункера должна быть не менее 0,5D. Угол на клона стенок бункера к горизонту принимается не менее 60°.
Условное обозначение типоразмеров одиночного и группового циклонов типа ЦН-15: ЦН циклон конструкции НИИОгаза; 15 - угол наклона оси входного патрубка относительно горизонтали (град.); П (Л) - «правое» («левое») вращение газа в «улитке»; число после тире - внутренний диаметр цилиндрической части циклона (мм); следующая цифра - количество циклонов в группе; У - с камерой очищенного газа в виде сборника; П - пирамидальная форма бункера. Например, ЦН-15П-600П и ЦН-15Л-600 х 2УП.
Условное обозначение типоразмера циклона типа СК-ЦН-34: СК- спиральный конический: ЦН - циклон конструкции НИИОгаза; 34 - отношение диаметра выхлопной трубы к диаметру цилиндрической части (равно 0,34); БП - с бункером и подогревателем; Б - с бункером без подогревателя (при отсутствии Б или БП - без бункера и подогревателя); последнее число - диаметр цилиндрической части циклона (мм); П или Л - «правое» или «левое» вращение пылегазового потока. Например, СК-ЦН-34БЦ-600Л, СК-ЦН-34-600П.
2.2 Расчетная часть
2.2.1 Практические рекомендации по выбору циклонов
Выбор типа и размера циклона производится на основании заданного расхода газов, физико-механических свойств пыли требуемого коэффициента очистки, габаритов установки, эксплуатационной надежности и стоимости очистки. При очистке больших объемов газов одиночные циклоны типа ЦН-11, ЦН-15, ЦН-24 объединяются в группы по 2, 4, 6, 8 элементов, расположенных в два ряда, и по 10, 12. 14 элементов при круговой компоновке. Диаметр циклонов типа ЦН-11, ЦН-15, ЦН-15У, объединенных в группы с прямоугольной компоновкой, не должен превышать 1800 мм, а при круговой компоновке 1000 мм.
При обеспылевании газа объемом более 80000-100000 м3/ч и при высоких требованиях к очистке следует применять батарейные циклоны. Батарейные циклоны имеют меньшие габариты, чем групповые, но требуют для своего изготовления большего расхода металла и стоимость их выше стоимости групповых циклонов. При выборе циклона следует обращать внимание на надежность работы системы, особенно в тех случаях, когда ремонт или ревизия системы газоочистки невозможны без остановки технологического оборудования. Широкий диапазон типоразмеров циклонов позволяет удовлетворять многие требования, в том числе и по надежности. Наиболее характерными нарушениями нормальной работы циклонов являются истирания стенок циклонов абразивной пылью и залипание. С увеличением диаметров циклонов и понижением скорости газового потока на входе истирание стенок и залипание уменьшаются. Вследствие этого для улавливания абразивной пыли рекомендуется применять циклоны типа СК-ЦН-34, способные обеспечивать высокую степень очистки при сравнительно небольшой скорости пылегазового потока на входе. При одинаковой эффективности наиболее высокие технико-экономические показатели имеют циклоны типа ЦН-11.
При выборе сквозного циклона особое внимание следует обращать на то, что эффективность пылеочистки в сквозном циклоне тем выше, чем больше обьем подаваемого пылегазового потока и чем больше перепад давления между подводящим газоходом и циклоном.
В сквозном циклоне чем больше его диаметр, тем выше перепад давления.
2.2.2 Выбор размера сквозного циклона
При выборе сквозного циклона особое внимание следует обращать на то, что эффективность пылеочистки в сквозном циклоне тем выше, чем больше обьем подаваемого пылегазового потока и чем больше перепад давления между подводящим газоходом и циклоном.
В сквозном циклоне, чем больше его диаметр, тем выше перепад давления. Согласно исходным данным, обеспыленный часовой расход очищаемого газа равен:
Q=29000 м3/ч
При этом секундный расход этого газа будет составлять:
Q=29000/3600=8,1 м3/с
Причем запыленность газа на выходе сушильного барабана составляет:
Свх=117,9 г/м3
А на выходе прямоточного циклона следует обеспечить запыленность не выше:
Свых=72,9 г/м3,
следовательно, нужно обеспечить эффективность очистки в прямоточном циклоне:
(2.2.2.1)
Следовательно, эффективность этого циклона 38%.















