151180 (598921), страница 6
Текст из файла (страница 6)
Схема драйвера должна выполнять три главных задачи:
-
иметь возможность включать и выключать ток в обмотках, а также менять его направление
-
поддерживать заданное значение тока
-
обеспечивать как можно более быстрое нарастание и спад тока для хороших скоростных характеристик
Способы изменения направления тока
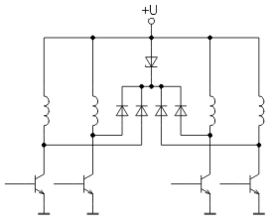
При работе шагового двигателя требуется изменение направления магнитного поля независимо для каждой фазы. Изменение направления магнитного поля может быть выполнено разными способами. В униполярных двигателях обмотки имеют отвод от середины или имеются две отдельные обмотки для каждой фазы. Направление магнитного поля меняется путем перключения половинок обмоток или целых обмоток. В этом случае требуются только два простых ключа A и B для каждой фазы (рис. 18).
Рис. 18. Питание обмотки униполярного двигателя.
В биполярных двигателях направление меняется путем переполюсовки выводов обмоток. Для такой переполюсовки требуется полный H-мост (рис. 19). Управление ключами в том и другом случае должно осуществляться логической схемой, реализующей нужный алгоритм работы. Предпологается, что источник питания схем имеет номинальное для обмоток двигателя напряжение.
Рис. 19. Питание обмотки биполярного двигателя.
Это простейший способ управления током обмоток, и как будет показано в дальнейшем, он существенно ограничивает возможности двигателя. Нужно отметить, что при раздельном управлении транзисторами H-моста возможны ситуации, когда источник питания закорочен ключами. Поэтому логическая схема управления должна быть построена таким образом, чтобы исключить эту ситуацию даже в случае сбоев управляющего микроконтроллера. Обмотки двигателя представляют собой индуктивность, а это значит, что ток не может бесконечно быстро нарастать или бесконечно быстро спадать без привлечения бесконечной разности потенциалов. При подключении обмотки к источнику питания ток будет с некоторой скоростью нарастать, а при отключении обмотки произойдет выброс напряжения. Этот выброс способен повредить ключи, в качестве которых используются биполярные или полевые транзисторы. Для ограничения этого выброса устанавливают специальные защитные цепочки. На схемах рис. 18 и 19 эти цепочки образованы диодами, значительно реже применяют конденсаторы или их комбинацию с диодами. Применение конденсаторов вызывает появление электрического резонанса, что может вызвать увеличение момента на некоторой скорости. На рис. 18 потребовалось 4 диода по той причине, что половинки обмоток униполярного двигателя расположены на общем сердечнике и сильно связаны между собой. Они работают как автотрансформатор и выбросы возникают на выводах обеих обмоток. Если в качестве ключей применены МОП-транзисторы, то достаточно только двух внешних диодов, так как у них внутри уже имеются диоды. В интегральных микросхемах, содержащих мощные выходные каскады с открытым коллектором, также часто имеются такие диоды. Кроме того, некоторые микросхемы, такие как ULN2003, ULN2803 и подобные имеют внутри оба защитных диода для каждого транзистора. Нужно отметить, что в случае применения быстродействующих ключей требуются сравнимые по быстродействию диоды. В случае применения медленных диодов требуется их шунтирование небольшими конденсаторами.
Стабилизация тока
Для регулировки момента требуется регулировать силу тока в обмотках. В любом случае, ток должен быть ограничен, чтобы не превысить рассеиваимую мощность на омическом сопротивлении обмоток. Более того, в полушаговом режиме ещё требуется в определенные моменты обеспечивать нулевое значение тока в обмотках, а в микрошаговом режиме вообще требуется задание разных значений тока. Для каждого двигателя производителем указывается номинальное рабочее напряжение обмоток. Поэтому простейший способ питания обмоток – это использование источника постоянного напряжения. В этом случае ток ограничен омическим сопротивлением обмоток и напряжением источника питания (рис. 20а), поэтому такой способ питания называют L/R-питанием. Ток в обмотке нарастает по экспоненциальному закону со скоростью, определяемой индуктивностью, активным сопротивлением обмотки и приложенным напряжением. При повышении частоты ток не достигает номинального значения и момент падает. Поэтому такой способ питания пригоден только при работе на малых скоростях и используется на практике только для маломощных двигателей.
Рис. 20. Питание обмотки номинальным напряжением (а) и использование ограничительного резистора (б).
При работе на больших скоростях требуется увеличивать скорость нарастания тока в обмотках, что возможно путем повышения напряжения источника питания. При этом максимальный ток обмотки должен быть ограничен с помощью дополнительного резистора. Например, если используется напряжение питание в 5 раз большее номинального, то требуется такой дополнительный резистор, чтобы общее сопротивление составило 5R, где R – омическое сопротивление обмотки (L/5R-питание). Этот способ питания обеспечивает более быстрое нарастание тока и как следствие, больший момент (рис. 20б). Однако он имеет существенный недостаток: на резисторе рассеивается дополнительная мощность. Большие габариты мощных резисторов, необходимость отвода тепла и повышенная необходимая мощность источника питания – всё это делает такой метод неэффективным и ограничивает область его применение небольшими двигателями мощностью 1 – 2 ватта. Нужно сказать, что до начала 80-х годов прошлого века параметры шаговых двигателей, приводимые производителями, относились именно к такому способу питания. Еще более быстрое нарастание тока можно получить, если использовать для питания двигателя генератор тока. Нарастание тока будет происходить линейно, это позволит быстрее достигать номинального значения тока. Тем более, что пара мощных резисторов может стоить дороже, чем пара мощных транзисторов вместе с радиаторами. Но, как и в предыдущем случае, генератор тока будет рассеивать дополнительную мощность, что делает эту схему питания неэффективной. Существует еще одно решение, обеспечивающее высокую скорость нарастания токи и низкую мощность потерь. Основано оно на применении двух источников питания.
Рис. 21. Питание обмотки двигателя ступенчатым напряжением.
В начале каждого шага кратковременно обмотки подключаются к более высоковольтному источнику, который обеспечивает быстрое нарастание тока (рис. 21). Затем напряжение питания обмоток уменьшается (момент времени t1 на рис. 21). Недостатком этого метода является необходимость двух ключей, двух источников питания и более сложной схемы управления. В системах, где такие источники уже есть, метод может оказаться достаточно дешёвым. Еще одной трудностью является невозможность определения момента времени t1 для общего случая. Для двигателя с меньшей индуктивностью обмоток скорость нарастания тока выше и при фиксированном t1 средний ток может оказаться выше номинального, что чревато перегревом двигателя. Еще одним методом стабилизации тока в обмотках двигателя является ключевое (широтно-импульсное) регулирование. Современные драйверы шаговых двигателей используют именно этот метод. Ключевой стабилизатор обеспечивает высокую скорость нарастания тока в обмотках вместе с простотой его регулирования и очень низкими потерями. Еще одним преимуществом схемы с ключевой стабилизацией тока является и то, что она поддерживает момент двигателя постоянным, независимо от колебаний напряжения питания. Это позволяет использовать простые и дешевые нестабилизированные источники питания.
Для обеспечения высокой скорости нарастания тока используют напряжение источника питания, в несколько раз превышающее номинальное. Путем регулировки скважности импульсов, среднее напряжение и ток поддерживаются на номинальном для обмотки уровне. Поддержание производится в результате действия обратной связи. Последовательно с обмоткой включается резистор – датчик тока R (рис. 22а). Падение напряжения на этом резисторе пропорционально току в обмотке. Когда ток достигает установленного значения, ключ выключается, что приводит к падению тока. Когда ток спадает до нижнего порога, ключ снова включается. Этот процесс повторяется периодически, поддерживая среднее значение тока постоянным.
Рис. 22. Различные схемы ключевой стабилизации тока.
Управляя величиной Uref можно регулировать ток фазы, например, увеличивать его при разгоне и торможении и снижать при работе на постоянной скорости. Можно также задавать его с помощью ЦАП в форме синусоиды, реализуя таким образом микрошаговый режим. Такой способ управления ключевым транзистором обеспечивает постоянную величину пульсаций тока в обмотке, которая определяется гистерезисом компаратора. Однако частота переключений будет зависеть от скорости изменения тока в обмотке, в частности, от ее индуктивности и от напряжения питания. Кроме того, две такие схемы, питающие разные фазы двигателя, не могут быть засинхронизированы, что может явиться причиной дополнительных помех.
От указанных недостатков свободна схема с постоянной частотой переключения (рис. 22б). Ключевым транзистором управляет триггер, который устанавливается специальным генератором. Когда триггер устанавливается, ключевой транзистор открывается, и ток фазы начинает расти. Вместе с ним растет и падение напряжения на датчике тока. Когда оно достигает опорного напряжения, компаратор переключается, сбрасывая триггер. Ключевой транзистор при этом выключается, и ток фазы начинает спадать до тех пор, пока триггер не будет вновь установлен генератором. Такая схема обеспечивает постоянную частоту коммутации, однако величина пульсаций тока не будет постоянной. Частота генератора обычно выбирается не менее 20кГц, чтобы двигатель не создавал слышимого звука. В то же время слишком высокая частота переключений может вызвать повышенные потери в сердечнике двигателя и потери на переключениях транзисторов. Хотя потери в сердечнике с повышением частоты растут не так быстро ввиду уменьшения амплитуды пульсаций тока с ростом частоты. Пульсации порядка 10% от среднего значения тока обычно не вызывают проблем с потерями. Подобная схема реализована внутри микросхемы L297 фирмы SGS-Thomson, применение которой сводит к минимуму количество внешних компонентов. Ключевое регулирование реализуют и другие специализированные микросхемы.
Рис. 23. Форма тока в обмотках двигателя для различных способов питания.
На рис. 23 показана форма тока в обмотках двигателя для трех способов питания. Наилучшим в смысле момента является ключевой метод. К тому же он обеспечивает высокий КПД и позволяет просто регулировать величину тока.
Быстрый и медленный спад тока
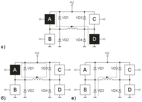
На рис. 19 были показаны конфигурации ключей в H-мосту для включения разных направлений тока в обмотке. Для выключения тока можно выключить все ключи H-моста или же оставить один ключ включенным (рис. 24). Эти две ситуации различаются по скорости спада тока в обмотке. После отключения индуктивности от источника питания ток не может мгновенно прекратится. Возникает ЭДС самоиндукции, имеющая противоположное источнику питания направление. При использовании транзисторов в качестве ключей необходимо использовать шунтирующие диоды, чтобы обеспечить проводимость в обе стороны. Скорость изменения тока в индуктивности пропорциональна приложенному напряжению. Это справедливо как для нарастания тока, так и для его спада. Только в первом случае источником энергии является источник питания, а во втором сама индуктивность отдает запасенную энергию. Этот процесс может происходить при разных условиях.
Рис. 24. Медленный и быстрый спад тока.
На рис. 24а показано состояние ключей H-моста, когда обмотка включена. Включены ключи A и D, направление тока показано стрелкой. На рис. 24б обмотка выключена, но ключ A включен. ЭДС самоиндукции закорачивается через этот ключ и диод VD3. В это время на выводах обмотки будет небольшое напряжение, равное прямому падению на диоде плюс падение на ключе (напряжение насыщения транзистора). Так как напряжение на выводах обмотки мало, малой будет и скорость изменения тока. Соответственно малой будет и скорость спадания магнитного поля. А это значит, еще некоторое время статор двигателя будет создавать магнитное поле, которого в это время быть не должно. На вращающийся ротор это поле будет оказывать тормозящее воздействие. При высоких скоростях работы двигателя этот эффект может серьезно помешать нормальной работе двигателя. Быстрое спадание тока при выключении является очень важным для высокоскоростных контроллеров, работающих в полушаговом режиме.
Возможен и другой способ отключения тока обмотки, когда размыкаются все ключи H-моста (рис 24в). При этом ЭДС самоиндукции закорачивается через диоды VD2, VD3 на источник питания. Это значит, что во время спада тока на обмотке будет напряжение, равное сумме напряжения источника питания и прямого падения на двух диодах. По сравнению с первым случаем, это значительно большее напряжение. Соответственно, более быстрым будет спад тока и магнитного поля. Такое решение, использующее напряжение источника питания для ускорения спада тока является наиболее простым, но не единственным. Нужно сказать, что в ряде случаев на источнике питания могут появиться выбросы, для подавления которых понадобятся специальные демферные цепочки. Безразлично, каким способом обеспечивается на обмотке повышенное напряжение во время спада тока. Для этого можно применить стабилитроны или варисторы. Однако на этих элементах будет рассеиваться дополнительная мощность, которая в первом случае отдавалась обратно в источник питания.
Для униполярного двигателя ситуация более сложная. Дело в том, что половинки обмотки, или две отдельных обмотки одной фазы сильно связаны между собой. В результате этой связи на закрывающемся транзисторе будут иметь место выбросы повышенной амплитуды. Поэтому транзисторы должны быть защищены специальными цепочками. Эти цепочки для обеспечения быстрого спада тока должны обеспечивать довольно высокое напряжение ограничения. Чаще всего применяются диоды вместе со стабилитронами или варисторы. Один из способов схемотехнической реализации показан на рис. 25.














