151045 (598904), страница 2
Текст из файла (страница 2)
При подаче входного сигнала любой полярности состояние транзисторов меняются в разных направлениях (один транзистор приоткрывается, другой призакрывается), так как на их базы действуют разные по знаку напряжения. Мост разбалансируется. Следовательно, потенциалы коллекторов транзисторов получают одинаковые по величине, но противоположные по знаку приращения. Появляется выходное напряжение, величина и полярность которого зависят только от величины и полярности входного напряжения. Таким образом, амплитудная характеристика балансной схемы принципиально не должна отличаться от прямой линии, проходящей через начало координат.
Вместе с тем на резисторе Rэ не создается напряжение обратной связи для переменных составляющих токов ∆Iэ1 и ∆Iэ2, вызванных действием полезного сигнала. Это объясняется тем, что токи эмиттеров обоих транзисторов под воздействием сигнала получают равные, но противоположные приращения (∆Iэ1 = – ∆Iэ2) так как потенциалы баз всегда противоположны друг другу (когда на базу VT1 от источника сигнала подается плюс, на базу VT2 – минус и наоборот). Следовательно, коэффициент усиления схемы не уменьшается.
Обратите внимание на то, что входное и выходное напряжения не связаны с потенциалом земли (общим проводом). Конечно, можно оперировать напряжением на каждом из таких входов или выходов по отношению к земле, однако в таких случаях принято использовать понятия дифференциального и синфазного напряжений. Дифференциальное напряжение представляет собой разность входных (выходных) напряжений:
Uдиф = U1 – U2.
Синфазное напряжение можно определить как полусумму напряжений:
. (6.4)
В таком случае напряжения на входе балансного усилителя можно представить следующим образом (рисунок 6.5).
Рисунок 6.5. Дифференциальное и синфазное напряжение
Дифференциальное напряжение равно нулю, если два входа каскада соединить между собой. В таком случае все входное напряжение представляет собой синфазное входное напряжение. В полностью сбалансированном балансном каскаде в этом случае выходное напряжение будет равно нулю, причем для любого значения синфазного сигнала. Таким образом, балансные усилители усиливают только дифференциальную составляющую и не усиливают синфазную составляющую.
При рассмотрении балансовых схем выделяют дифференциальные и синфазные коэффициенты усиления. Их величину можно определить таким образом.
При подаче на входы двух одинаковых, но противоположных по знаку напряжений (в этом случае синфазное напряжение равно нулю) транзисторы работают в противофазе. Поэтому при одинаковом воздействии на каждый из транзисторов одинакового напряжения баланс моста не нарушается и выходное напряжение не появляется. Воздействие дифференциальной составляющей приводит к разбалансу моста и было описано выше.
В реальных балансных схемах всегда имеется некоторая асимметрия. Поэтому напряжение дрейфа на выходе полностью не исчезает. Однако дрейф нуля в балансных схемах определяется разностью токов обоих транзисторов и поэтому значительно меньше, чем в обычных схемах прямого усиления. Также на выходе появляется сигнал, определяемый синфазной составляющей входного сигнала.
1.5. Дифференциальный усилитель. Входные токи смещения
При построении многокаскадных схем УПТ балансные каскады можно соединять друг с другом непосредственной связью. При этом коллекторы предыдущего каскада соединяются с базами последующего.
В некоторых случаях выходной сигнал в балансном каскаде снимается с одного из коллекторов, а входные сигналы поступают на базы обоих транзисторов (рисунок 6.6). Такая схема имеет симметричный вход и несимметричный выход (либо с коллектора VT1 , либо с коллектора VT2). Фаза выходного сигнала совпадает с фазой сигнала Uвх1 и противоположна фазе сигнала Uвх2. Элементы схемы можно подобрать так, что выходное напряжение будет пропорционально разности входных напряжений, и в идеальном случае не будет изменяться, если напряжения Uвх1 и Uвх2 получают равные приращения одного знака. Такой усилительный каскад называют дифференциальным.
Рисунок 6.6 Балансная схема УПТ
Так как такие усилители усиливают разность входных сигналов, то можно считать, что один из входов усиливается с положительным коэффициентом усиления, а другой – с отрицательным. Поэтому часто такие входы называются соответственно не инвертирующим (прямым) и инвертирующим (инверсным).
Дифференциальный усилитель характеризуется коэффициентом усиления разности входных напряжений а также коэффициентом усиления среднего уровня входных напряжений (синфазный сигнал)
(6.5)
(6.6)
где К1 и К2– коэффициенты усиления по первому и второму входам (с учетом возможной асимметрии каналов).
Разностный сигнал (т.е. дифференциальная составляющая входного напряжения) есть полезный сигнал, который не6обходимо усилить, синфазная же составляющая является помехой, которая не должна проникать на выход, т.е. должна быть ослаблена. Подобная ситуация возникает при передаче информации (например, сигналов от датчиков) по длинным линиям связи (проводам). На оба эти провода действуют одни и те же напряжения помех и шумов, которые образуют синфазную составляющую входного сигнала. Дифференциальные каскады на входе усилителя резко уменьшают величину помех и шумов и усиливают полезный сигнал.
Для того чтобы усилитель реагировал только на разность входных напряжений, необходимо выполнение неравенства Ксин << Кдиф. А для этого, как следует из выражений (6.5) и (6.6), необходимой является одинаковость значений коэффициентов усиления по обоим каналам.
Рассмотрим некоторые варианты построения каскадов дифференциальных усилителей (ДУ). Дифференциальный каскад может иметь два выхода, сигналы на которых противофазные, поэтому их можно использовать в качестве фазоинверсных каскадов (рисунок 6.6). Если используется только один вход дифференциального усилителя, то коллекторный резистор противоположного плеча можно исключить из схемы (рисунок 6.7а).
Рисунок 6.7. Модифицированные схемы дифференциальных усилителей
Для увеличения дифференциального коэффициента необходимо увеличить сопротивление в цепи коллектора, а для уменьшения синфазного – увеличить сопротивление в цепи эмиттера. Просто увеличить этот резистор нецелесообразно, так как это приводит к уменьшению коллекторного тока транзисторов. Поэтому очень часто в эти цепи вводят источники тока (рисунок 6.7,б), которые строят на основе транзисторных структур. В этих случаях наиболее часто применяют двухполярный источник питания. Наличие двухполярного источника позволяет не только более гибко организовать питание всех элементов схемы, но и более жестко привязать входные сигналы к нулевому потенциалу (земле).
Причиной появления не равного нулю напряжения на выходе (Uвых 0) при Uвх нач = 0 может быть не только напряжение смещения нуля и его дрейф, но также входные токи ДУ. Эти токи появляются, в цепях, через которые подаются сигналы на входы. Например, в схемах рисунков 6.6 и 6.7,а токи во входных цепях будут обусловлены их подсоединением через делитель в цепях баз транзисторов к источнику питания. В схеме рисунка 6.7,б – перераспределением токов баз входных транзисторов. Необходимо отметь, что величина этих токов не определяется подаваемыми входными сигналами, а определяется схемотехникой входных каскадов ДУ. Обычно считают, что в0 входных цепях каждого входа имеется отдельный источник тока. Для определения влияния этих токов на выходное напряжение представим дифференциальный усилитель, на входы которого подано два сигнала U1 и U2 (рисунок 6.8).
Рисунок 6.8. Влияние входных токов смещения
Сигналы поступают на прямой и инверсный входы через резисторы R1 и R2. Эти резисторы формируются за счет внешних резисторов и выходного сопротивления источников сигнала. Как частный случай, одно из них (или оба) могут быть равны нулю.
Пусть ДУ имеет нулевое напряжение смещения нуля (Uсм вх = 0) и Ксин = 0, поэтому
, (6.7)
где UА и UВ – напряжения в точках А и В (на прямом и инверсном входе ДУ), которые равны:
.
Подставляя их в (6.7), получаем
. (6.9)
Из последнего выражения следует, что даже в отсутствии входного дифференциального напряжения (U1 – U2 = 0), напряжение на выходе может отличаться от нулевого:
1. (6.10)
Как было указано выше, при конструировании балансных схем стремятся к максимальной симметрии каналов, поэтому модно предположить, что в реальных усилителях и токи должны быть близкими по величине. Это подсказывает путь для уменьшения напряжения смещения нуля, обусловленного входными токами: необходимо сделать одинаковыми сопротивления резисторов во входных цепях (R1 = R2 = R). Тогда напряжение смещения нуля будет определяться разностью входных токов:
, (6.11)
Реально разность входных токов сдвига примерно в 10 раз меньше, чем сам входной ток. Типичное соотношение между ними, которые приводятся в справочниках 2 … 5.
Дифференциальные усилительные каскады являются в настоящее время распространенной конфигурацией многих схем в интегральном исполнении, в частности, они используются во входных каскадах интегральных операционных усилителей.
6. УПТ типа МДМ
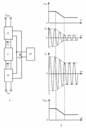
Применение балансных схем и стабилизация источников питания позволяют снизить дрейф нуля УПТ прямого усиления до величины, в лучшем случае 10 мкВ/час. Поэтому для усиления сигналов меньшей применяется УПТ с преобразованием (УПТ МДМ – усилители постоянного тока типа «модулятор демодулятор»), структурная схема которого представлена на рисунке 6.9.
Рисунок 6.9. Структурная схема УПТ с преобразованием
На вход модулятора кроме медленно меняющегося напряжения сигнала поступает еще и сигнал от генератора. Обычно это синусоидальный сигнал (Uг = Uт sin (t + )), частота которого должна быть значительно выше верхней частоты входного сигнала. В модуляторе происходит изменение (модуляция) одного из параметров сигнала генератора в соответствии с входным сигналом. Если изменяется амплитуда (Uт), то имеет место так называемая амплитудная модуляция, если частота (), – то частотная, если фаза (), – то фазовая. Может быть использована и комплексная модуляция, например, амплитудно-фазовая или иная. В результате модуляции информация о входном сигнале переходит на результирующий (промодулированный) высокочастотный сигнал, который поступает на вход усилителя переменного напряжения. На рисунке 6.109 приведены графики сигналов в узловых точках усилителя: входного (Uвх),генератора (Uг) и сигнала на выходе модулятора (Uм) при использовании амплитудной модуляции. Как видно из графиков, огибающая выходного сигнала модулятора, в этом случае, изменяется в соответствии с входным сигналом.
Рисунок 6.10. Временные диаграммы УПТ с преобразованием
В схеме используется усилитель переменного тока который обеспечивает увеличение амплитуды сигнала Uм в К раз. В демодуляторе происходит процесс обратный модуляции: из высокочастотного промодулированного сигнала выделяется его низкочастотная составляющая, которая теперь оказывается усиленной. Подача на демодулятор (в радиотехнике его часто называют детектором) также сигнала генератора позволяет повысить эффективность процесса демодуляции.
Дрейф нуля УПТ с преобразованием определяется фактически только дрейфом модулятора, потому, что усилитель переменного напряжения практически не имеет дрейфа, а дрейфом демодулятора можно пренебречь, так как на его вход подается сравнительно большое напряжение, значительно превышающее напряжение возможных помех. На рис.6.6,б приведены временные диаграммы, характеризующие работу схемы УПТ.
УПТ типа МДМ выполняются обычно в виде законченных интегральных схем, имеющих в своем составе все необходимые блоки.
2. ОПЕРАЦИОННЫЕ УСИЛИТЕЛИ
2.1 Общие сведения
Операционным усилителем (ОУ) называется усилитель, который характеризуется определенным набором параметров, позволяющих ему выполнять математические операции (сложения, вычитания, интегрирования и т.д. и т.п.). Это свойство и определило наименование «операционный усилитель». Первоначально усилители такого класса предназначались для выполнения математических операций в аналоговых вычислительных машинах. Основными параметрами, обеспечивающими его «математические способности», являются:
-
большой коэффициент усиления по напряжению (в идеале К );
-
большое входное сопротивление (в идеале Rвх );
-
нижняя частота усиливаемых сигналов fн = 0.
Последний параметр указывает на то, что ОУ должен быть усилителем постоянного тока. Объясняется это требование тем, что одной из распространенных математических операций есть действия с константами, например, сложения переменных с константами. В этом случае математическая переменная будет реализовываться изменяющимся сигналом, константа – постоянным. В настоящее время сфера применения ОУ значительно расширилась и во многих случаях требование fн = 0 не является обязательным и даже иногда вредным. Однако превратить УПТ в усилитель переменного тока можно достаточно просто (например, вводя разделительные емкости). Поэтому большинство массовых операционных усилителе выпускаются как усилители постоянного тока.
Условное обозначение ОУ приведено на рисунке 7.1. В обозначении функции ( – усилитель с бесконечно большим коэффициентом усиления) первый символ () часто опускается.
Рисунок 7.1. Условное обозначение операционного усилителя
Операционные усилители имеют два входа (инвертирующий и не инвертирующий) и один выход. Таким образом, ОУ является дифференциальным усилителем. Это позволяет при «математическом» варианте использования усилителя достаточно просто осуществить операцию вычитания, при иных – улучшить многие параметры устройства, например, избавляться от синфазного сигнала, реализовывать цепи как положительной так и отрицательной обратной связи и т.п. На схеме инвертирующий вход обозначают кружком.
Обычно операционные усилители имеют два вывода подключения питания минус Е и плюс Е. Выводы, служащие для коррекции нуля операционных усилителей, обозначаются символами NC (Null Correction) а те, к которым подключаются элементы частотной коррекции FC (Frequency Correction). Более подробная информация о назначении таких выводов будет приведена далее. Следует отметить, что в некоторых типах ОУ выводы коррекции могут отсутствовать. Обозначения функций выводов могут быть как отделены от основного поля , так и не иметь ограничительных линий.
Первые операционные усилители выполнялись на электронных лампах, в настоящее время они изготовляются в интегральном исполнении в виде микросхем (МС). Благодаря своим отличным характеристикам и параметрам, универсальности применения, низкой стоимости, операционные усилители в настоящее время вытесняют транзисторные схемы при проектировании аналоговых устройств. Многие МС, выполняющие сложные функции по обработке аналоговых сигналов, строятся на основе схем, близких к схемам ОУ, либо включают в себя ОУ в виде собственных фрагментов.
2.2. Структурная схема ОУ
Операционный усилитель обычно выполняется по схеме усилителя напряжения из нескольких каскадов и состоит из нескольких десятков биполярных или полевых транзисторов, резисторов и иногда конденсаторов. Очень широко в ОУ используются источники тока (для увеличения коэффициентов усиления, задания рабочих точек и т.п.). Входной каскад выполняется по дифференциальной схеме. Ее типовое изображение (за исключением резисторов, подсоединяющих базу к земле) представлено на рисунке 6.7,б. Использование двуполярных источников питания позволяет обеспечить подачу двух входных сигналов, напряжение которых отсчитывается относительно общей земли. Во многих применениях один из входов непосредственно (или через внешний резистор) соединен с землей.
Выходной каскад строится по одной из схем двухтактного бестрансформаторного усилителя мощности (см. раздел 5). затем включается каскад с общим эмиттером и на выходе ОУ –эмиттерный повторитель. Как правило, выходной каскад имеет схему защиты от перегрузок по току.
Для того, чтобы обеспечить нулевое значение выходного напряжения при отсутствии входных сигналов (см. напряжение смещения нуля в разделе 5), в ОУ имеется узел, задачей которого является понижение напряжения с выхода ДУ (с коллектора выходного транзистора) до нуля. Зачастую этот «преобразователь уровня» выполняется в виде активного усилительного каскада.
Следует отметить, что иногда в категорию ОУ включаются усилители, выполненные как усилители тока или как УПТ МДМ, имеющие другую внутреннюю структуру, но характеризующиеся значениями параметров, указанными выше.
2.3. Основные характеристики и параметры ОУ
Подавляющие большинство ОУ, как было сказано в предыдущем параграфе, имеет на входе дифференциальный каскад, поэтому в ОУ различают инвертирующий и неинвертирующий входы (так же, как и в дифференциальных УПТ). Операционный усилитель усиливает разность входных сигналов, его дифференциальный коэффициент усиления Кдиф, как уже отмечалось выше, является весьма большим. Обычно его значение лежит в диапазоне 10000 … 100000 (80 … 100 дБ), и в новых ОУ имеет место тенденция к увеличению. Типовая амплитудно-частотная характеристика ОУ приведена на рисунке 7.2.
Рисунок 7.2. Логарифмическая амплитудно-частотная характеристика ОУ
Так как операционный усилитель представляет собой УПТ, поэтому его АЧХ имеет ненулевой коэффициент усиления на нулевой частоте. И указанные выше (и/или в технических условиях) коэффициенты усиления соответствуют весьма узкому диапазону частот – от нуля до примерно нескольких десятков/сотен герц. Затем, коэффициент усиления начинает уменьшаться со «скоростью» минус 20 дБ/декаду (6 дБ/октаву). Возможно увеличение скорости спада до минус 40 дБ/дек. и более. Эти точки перегиба стараются разместить на частотах выше так называемой частоты единичного усиления F1 – частота, на которой модуль коэффициента усиления равен единице. Типичное значение F1 равно 1 ... 10 МГц. Точки перегиба соответствуют верхним частотам отдельных каскадов усилителя и устанавливаются при проектировании ОУ.
Кроме дифференциального входного сигнала, на ОУ может быть подан и синфазный входной сигнал, который, в результате несовершенства реальных схем, также проходит на выход. Характеристикой такого возможного проникновения является коэффициент ослабления синфазной составляющей КОСС, который показывает во сколько раз коэффициент усиления синфазного сигнала меньше коэффициента усиления дифференциального сигнала:
. (7.1)
Типичные значения КОСС – 60 … 80 дБ, некоторые ОУ имеют – не менее 120 дБ.
Значительные величины как дифференциального, так и синфазного сигнала могут привести к пробою входных цепей и к выходу усилителя из строя. Поэтому их максимальные значения регламентируются в технической документации на ОУ. Обычно максимальные значения дифференциального входного напряжения равны значению источника питания ОУ, однако, для некоторых схем ОУ их величина не может превышать 0,5 В.
Такие же ограничения необходимо выдерживать и для синфазного входного напряжения, но в большинстве ОУ их величина может быть большей, чем дифференциальное входное напряжение. Типичное значение максимального синфазного напряжения обычно равно напряжению питания, однако в некоторых случаях одно из них (положительное или отрицательное в зависимости от схемы входного каскада) может быть и больше.
При рассмотрении входных сопротивлений различают дифференциальное и синфазное входные сопротивления. Дифференциальное входное сопротивление обычно составляет величину порядка 1 … 10 МОм, а синфазное – на несколько порядков больше. Входные сопротивления значительно увеличиваются в ОУ с полевыми транзисторами на входе.
Дифференциальное входное сопротивление измеряется между инвертирующим и неинвертирующим входом, а синфазное – между закороченными входами и землей. Эквивалентные схемы входных цепей ОУ представлены на рис. 7.2. На рисунке синфазное входное сопротивление показано в виде двух резисторов, сопротивление которых в два раза больше Rсин
Операционный усилитель является усилителем постоянного тока, поэтому, для него характерны ограничения свойственные всем УПТ. В частности, как и для любых УПТ, ему свойственны параметры, приводящие к появлению на выходе напряжения даже при нулевом дифференциальном напряжении на входе. Как показано в предыдущем разделе, к таким параметрам относятся:
-
приведенное ко входу напряжение смещения (нуля);
-
входные токи (смещения);
-
разность входных токов (смещения),
а также изменение этих параметров (дрейф) от воздействия различных дестабилизирующих факторов. В справочниках наиболее часто приводят дрейф параметров при изменении температуры.
Разброс значений этих параметров, прежде всего, определяется типом используемых в ОУ транзисторов. Типичные значения входного напряжения сдвига для ОУ общего назначения – 1 … 10 мВ при построении на биполярных транзисторах и больше 10 мВ – на полевых. Обусловлено это большей сложностью обеспечить идентичность параметров полевых транзисторов. Для прецизионных ОУ, в которых используются специальные технологические меры для балансировки каскадов (например, лазерная подгонка резисторов) или специальные схемотехнические меры (динамическая компенсация входных погрешностей), эта величина может быть на порядок меньше. Типичные величины дрейфа нуля при изменении температуры – 1 … 10 мкВ/С, а для прецизионных ОУ – в десятки раз меньше.
Входные токи ОУ – это токи баз или затворов транзисторов входного каскада. Соответственно, в ОУ на полевых транзисторах входные токи будут меньшим. Типичная величина входного тока составляет величину порядка 0,1 … 1 нА (для схем ОУ с входным каскадом на биполярных транзисторах) и 1 пА (для схем ОУ с полевыми транзисторами на входе). У ОУ с полевыми транзисторами разность входных токов практически не отличается от величины самих входных токов. Это обусловлено тем, что в связи с незначительностью токов затворов полевых транзисторов, как сами входные токи, так и их разность соизмеримы с токами утечек, которые зависят от качества монтажа и состояния поверхности корпуса транзистора. Поэтому для ОУ на полевых транзисторах не эффективен предложенный в разделе 6.4 метод снижения погрешности за счет обеспечения равенства сопротивлений резисторов во входных цепях.
Все вышеперечисленные параметры входят в эквивалентную схему, характеризующую вход ОУ. Она приведена на рисунке 7.3.
Рисунок 7.3. Эквивалентная схема замещения входной цепи ОУ
Широкое и разноплановое использование операционных усилителей обусловило большое разнообразие его характеристик и параметров. Приведем некоторые из них.
Для питания ОУ необходимо использовать двуполярные источники питания. Типовое значение напряжения этих источников – 15 В, однако большинство современных ОУ могут работать в широком диапазоне напряжений питания 6 … 18 В. Существуют также ОУ, работающие как при очень низких напряжениях – до 1,2 В, так и при весьма больших – до 48 В. Некоторые ОУ (обычно специализированные) используют однополярный источник питания.
При отсутствии двуполярного источника питания или при нецелесообразности его использования (например, в переносной аппаратуре) можно с помощью дополнительных схем обеспечить работу ОУ одного источника питания. На рисунке 7.4 приведены упрощенные варианты подачи питающих напряжений на ОУ при использовании двух и одного источника питания.
Рисунок 7.4. Подача питающих напряжений на ОУ
Наиболее распространенным является питание от двух симметричных источников с номинальным (типовым) напряжением. Однако на каждом из источников может быть установлено напряжение в пределах, допустимых для используемого типа ОУ. При питании от одного источника величина его напряжения должна лежать в диапазоне:
U+мин + U–мин Еп U+мак + U–мак, (7.2)
где U+мин, U–мин, U+мак, U–мак – минимальные и максимальные значения питания по положительному и отрицательному источнику, указанные в технических условиях на используемый ОУ.
Амплитудная характеристика ОУ при симметричном питании приведена на рисунке 7.4.
Рисунок 7.4. Амплитудная характеристика
Кривая А соответствует подаче напряжения на инвертирующий вход при заземленном прямом, В – на неинвертирующий. Реальные кривые зачатую несимметричны. Напряжение насыщения обычно на 1 … 2 В меньше, чем напряжение источника питания. В
Выходное сопротивление ОУ представляет собой собственно внутреннее сопротивление ОУ без обратной связи. Величина выходного сопротивления определяет максимальный выходной ток ОУ, поэтому эти две величины взаимосвязаны и часто в параметрах ОУ приводится только один из них (чаще приводится максимально допустимый выходной ток). Типичное значение выходного сопротивления – 10…1000 Ом, а выходного тока – 10 ... 20 мА. Иногда в параметрах ОУ приводится значение минимального сопротивления нагрузки, по которому можно также определить выходной ток, зная максимально допустимое напряжение на выходе:
. (7.3)
Превышение выходного тока (или, что тоже самое, чрезмерное уменьшение сопротивления нагрузки) может вывести некоторые ОУ из строя. Однако подавляющее большинство современных ОУ имеет внутреннюю защиту оконечного каскада от перегрузок по току. Такие ОУ выдерживают короткие замыкания выхода ОУ не только на землю, но и на источники питания ОУ.
В технических условиях обычно указываются предельные значения входного дифференциального и синфазного напряжения, превышение которых может вызвать необратимые изменения во входных цепях усилителя.
Несколько параметров определяют «скоростные» свойства ОУ.
Скорость нарастания выходного напряжения ОУ показывает, как быстро может изменяться выходной сигнал. Этот параметр тесно связан с АЧХ ОУ – для более высокочастотных усилителей скорость нарастания увеличивается. Типичное значение этой величины равно 1 … 100 В/мкс.
Время установления выходного напряжения –время, в течение которого выходное напряжение изменяется от уровня 0,1 до уровня 0,9 от установившегося значения.
Время восстановления – время с момента снятия входного напряжения до момента, начиная с которого выходное напряжение не будет превышать уровня 0,1 от установившегося значения после пребывания ОУ в режиме насыщения.
-
2.4. Типы ОУ
В настоящее время промышленность выпускает сотни типов ОУ. Все они в первом приближении соответствуют идеальному ОУ – имеют очень большой коэффициент усиления, широкую полосу пропускания, большое входное сопротивление и т.д. Все ОУ, в принципе, взаимозаменяемы, это значит, что в типовых схемах усилителей, генераторов, фильтров и т.д. в подавляющем большинстве случаев можно использовать любые ОУ.
Однако при проектировании специализированных электронных схем (например, высокочастотных, высокостабильных, миниатюрных и т.п.) целесообразно использовать специализированные ОУ, в которых улучшены те или иные параметры. В связи с этим различают обычно следующие виды ОУ:
-
ОУ общего назначения;
-
Прецизионные, высокочастотные ОУ;
-
Микромощные, потребляющие незначительные токи от источников питания, иногда такие ОУ называются программируемыми;
-
Мощные ОУ, способные формировать сравнительно большие токи и напряжения.
Еще одним критерием сравнения ОУ является количество таких усилителей в одном корпусе (обычно один, два или четыре).
ОУ общего назначения предназначены для применения в аппаратуре, где нет необходимости в выполнении каких-либо специальных условий или требований. Такие ОУ имеют низкую стоимость, широкий диапазон напряжения источников питания, нередко при их использовании не требуется никаких дополнительных элементов, кроме источников питания, входных и выходных цепей. Очень часто такие ОУ имеют защиту входных и выходных цепей и внутреннюю частотную коррекцию, обеспечивающую работу ОУ во всех режимах. Частотный диапазон таких ОУ не очень большой – единицы, десятки МГц.
Прецизионные, высокочастотные ОУ характеризуются малыми входными погрешностями: низким уровнем входного напряжения сдвига и его дрейфа и незначительной величиной входного тока сдвига. Нередко такие ОУ имеют низкий уровень шумов, сравнительно большой дифференциальный коэффициент усиления и коэффициент ослабления синфазной составляющей. Как правило, имеют невысокое быстродействие. К этой группе можно также отнести ОУ с предельно малыми значениями входных токов (так называемые электрометрические ОУ), входные каскады которых выполняются на полевых транзисторах. В некоторых случаях в прецизионных ОУ используются вспомогательные схемы для динамического измерения и компенсации входного напряжения сдвига. И, наконец, для получения экстремально низких значений погрешностей по напряжению и току используют ОУ, выполненные по схеме МДМ (модуляция-демодуляция).
Быстродействующие ОУ позволяют работать с быстроизменяющимися сигналами. Среди них различают широкополосные ОУ, которые применяются в высокочастотных усилителях, фильтрах, генераторах и т.п. Кроме того, известны ОУ с быстрым установлением входного напряжения, предназначенные, прежде всего, для обработки импульсных сигналов (импульсные усилители, устройства выборки-хранения, пиковые детекторы, цифроаналоговые преобразователи).
Микромощные ОУ применяются в тех случаях, когда определяющим требованием является потребление минимальной мощности от источника питания. Это в первую очередь характерно для переносной или бортовой аппаратуры, работающей от батарей или аккумуляторов. Потребляемый ток таких ОУ может составлять несколько микроампер, и нередко существует возможность изменять его величину внешними элементами.
Мощные ОУ позволяют получать на выходе сравнительно большие напряжения (до нескольких десятков вольт) и тока (до одного ампера). Это позволяет строить схемы на основе таких ОУ, которые работают на сравнительно низкоомные нагрузки (например: головные телефоны в бытовой звуковой аппаратуре, двигатели постоянного тока небольшой мощности и т.п.). Для предотвращения теплового разрушения при выделении большой мощности такие ОУ всегда имеют специальные выводы для крепления к теплопроводу.
Для нормального построения схемы на основе ОУ необходимо иметь точку (землю), напряжение которой равно половине суммарного напряжения источников питания ОУ. Получить такую точку можно с помощью простейшего резистивного делителя напряжения R1 и R2. Если выбрать сопротивления резисторов одинаковыми R1 = R2, то напряжения на резисторах (т.е. напряжения питания ОУ) будут равны UR1 = UR2 = EП / 2. Тогда выводы питания ОУ подключаются к однополярному источнику питания ЕП, а общая точка в схеме на основе ОУ подключается к средней точке резисторов R1 и R2. Проблема при таком подключении заключается в том, что земля схемы на основе ОУ не совпадает (по переменному току) с землей усилителя мощности, которая обычно соответствует одному из выводов источника питания. Поэтому эти две земли необходимо соединить между собой через конденсатор С, сопротивление которого на самой низкой частоте усиления fH должно быть достаточно малым (несколько десятков Ом).
1 Полярность выходного напряжения зависит от реального направления входных токов.















