63249 (597581), страница 5
Текст из файла (страница 5)
ПРИЛОЖЕНИЕ
Задание 1
1. Провести исследование системы автоматического регулирования частоты вращения гидроагрегата, работающего в режиме холостого хода
2. Исходные данные.
2.1. Структурная схема
1 - генератор;
2 - гидротурбина;
3 - регулятор;
с- момент сопротивления, (о.е.);
г - момент, развиваемый турбиной, (о.е.);
- степень открытия регулирующего клапана турбины, (о.е.);
- частота вращения турбины, (о.е.).
2.2. Передаточные функции элементов структурной схемы
(p) 1
W1(р) =----------------- = ----------- ;
изб(р) Тар
г (p) -0.1Т0р+1
W2(р) = ----------------- = ------------------------ ;
(р) 0.05Т0р+1
(p) Кр(1+К’р+К’’р2)
W3(р) = ----------------- = ------------------------------------------- ,
(р) Трр+1
где Та - постоянная инерции агрегата, отнесенная к базисной (номинальной) мощности, (с);
Т0 - постоянная времени водовода при номинальной частоте вращения, соответствующая номинальной нагрузке агрегата, (с);
Тр - постоянная времени регулятора, (с);
Кр, К’, К’’ - коэффициенты передачи регулятора.
2.3. Параметры элементов структурной схемы
| Параметры | Варианты | |||||||||
| 1.1 | 1.2 | 1.3 | 1.4 | 1.5 | 1.6 | 1.7 | 1.8 | 1.9 | 1.10 | |
| Та,с | 10 | 8.0 | 8.0 | 10 | 10 | 8.0 | 5.0 | 5.0 | 5.0 | 10 |
| Т0,с | 2.0 | 1.0 | 2.0 | 1.0 | 2.0 | 2.0 | 2.0 | 1.0 | 2.0 | 1.0 |
| Тр,с | 5.0 | 5.0 | 20 | 5.0 | 20 | 5.0 | 10 | 10 | 20 | 20 |
3. Содержание задания.
3.1. Составить структурную схему и найти эквивалентные передаточные функции САУ по воздействиям с и зад.
3.2. Выбрать значение Кр.расч., при котором обеспечивается статизм регулирования Кс 0.04 (по возмущающему воздействию с).
Построить статическую (внешнюю) характеристику САУ = f(с). Определить установившееся значение управляемой величины и статическую ошибку при с = 1.0.
3.3. Рассчитать и построить переходную характеристику системы =f(t) при выбранном значении Кр = Кр.расч. и различных значениях К’ и К” (для входных воздействий зад = 1.0 и с = 1.0.
Выбрать значения К’ = К’расч. и К” = К”расч., при которых переходные процессы имеют затухающий и, по возможности, монотонный (без перерегулирования) характер. Определить время переходного процесса tп и, при необходимости, перерегулирование и колебательность G.
Значения К” целесообразно принимать в диапазоне
0.5 ТаТр
0< К’’ < -----------------------
Кр
3.4. Рассчитать и построить КЧХ, АЧХ, ФЧХ и ВЧХ системы в замкнутом состоянии, оценить частотные свойства ее и показатели качества регулирования (tп, , G). Сравнить полученные значения показателей качества с соответствующими значениями пункта 3.3.
3.5. Определить показатели качества регулирования (tп, G) по расположению нулей и полюсов передаточной функции системы в комплексной плоскости и сравнить их с соответствующими значениями пунктов 3.3 и 3.4.
3.6. Рассчитать и построить область устойчивости системы в плоскости параметров Кр, К’ при К” = К”расч. Окончательно выбрать значения Кр.расч. и К’расч.
3.7. Определить запас устойчивости системы по модулю и фазе (по Найквисту).
Задание 2
1. Провести исследование системы автоматического регулирования частоты вращения гидроагрегата, работающего на выделенную нагрузку.
2. Исходные данные.
2.1. Структурная схема
1 - генератор, работающий на выделенную нагрузку;
2 - гидротурбина;
3 - регулятор;
с- момент сопротивления, (о.е.);
г - момент, развиваемый турбиной, (о.е.);
- степень открытия регулирующего клапана турбины, (о.е.);
- частота вращения турбины, (о.е.).
2.2. Передаточные функции элементов структурной схемы:
(p) Ка
W1(р) =----------------- = --------------;
изб(р) Тар+1
г(p) -0.1Т0р+1
W2(р) =--------------- = ------------------------;
(р) 0.05Т0р+1
(p) Кр(1+К’р+К’’р2 )
W3(р) =--------------- = -------------------------------------,
(р) ТрP+1
где Та - постоянная инерции агрегата с учетом нагрузки, отнесенная к базисной (номинальной) мощности, (с);
Т0 - постоянная времени водовода при номинальной частоте вращения, соответствующая номинальной нагрузке агрегата, (с);
Тр - постоянная времени регулятора, (с);
Ка, Кр, К’, К’’ - коэффициенты передачи.
2.3. Параметры элементов структурной схемы
| Параметры | Варианты | |||||||||
| 2.1 | 2.2 | 2.3 | 2.4 | 2.5 | 2.6 | 2.7 | 2.8 | 2.9 | 2.10 | |
| Ка | 1.0 | 0.8 | 0.5 | 0.4 | 1.0 | 0.8 | 1.0 | 0.8 | 1.0 | 0.5 |
| Та,с | 10 | 6.4 | 4.0 | 4.0 | 10 | 6.4 | 5.0 | 4.0 | 5.0 | 5.0 |
| Т0,с | 2.0 | 1.0 | 2.0 | 1.0 | 2.0 | 2.0 | 2.0 | 1.0 | 2.0 | 1.0 |
| Тр,с | 5.0 | 5.0 | 20 | 5.0 | 20 | 5.0 | 10 | 10 | 20 | 20 |
3. Содержание задания.
3.1. Составить структурную схему и найти эквивалентные передаточные функции САУ по воздействиям с и зад.
3.2. Выбрать значение Кр.расч., при котором обеспечивается статизм регулирования Кс 0.05 (по возмущающему воздействию с).
3.3. Рассчитать и построить переходные характеристики системы =f(t) при выбранном значении Кр=Кр.расч. и различных значениях К’ и К” (для входных воздействий зад = 1.0 и с = 1.0.
Выбрать значения К’ = К’расч. и К” = К”расч., при которых переходные процессы имеют затухающий и, по возможности, монотонный (без перерегулирования) характер. Определить время переходного процесса tп и, при необходимости, перерегулирование и колебательность G.
Значения К” целесообразно принимать в диапазоне
0.5 ТаТр
0< К’’ <-----------------
КаКр
3.4. Рассчитать и построить КЧХ, АЧХ, ФЧХ и ВЧХ системы в замкнутом состоянии, оценить частотные свойства и показатели качества регулирования (tп, , G). Сравнить полученные значения показателей качества с соответствующими значениями пункта 3.3.
3.5. Определить показатели качества регулирования (tп, G) по расположению нулей и полюсов передаточной функции системы в комплексной плоскости и сравнить их с соответствующими значениями пунктов 3.3 и 3.4.
3.6. Рассчитать и построить область устойчивости системы в плоскости параметров Кр, К’ при К” = К”расч.
Окончательно выбрать значения Кр.расч. и К’расч.
3.7. Определить запас устойчивости системы по модулю и фазе (по Найквисту).
Задание 3
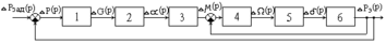
1. Провести исследование системы автоматического регулирования активной мощности ГЭС.
2. Исходные данные.
2.1. Структурная схема
1- регулятор мощности;
2 - серводвигатель;
3 - гидравлическая турбина;
4 - звено, моделирующее изменение частоты вращения эквивалентного гидроагрегата от изменения момента;
5 - звено, моделирующее изменение угла от изменения частоты вращения ;
6 - звено, моделирующее изменение электрической мощности эквивалентного гидрогенератора от изменения угла ;
Рзад - задание по мощности, (о.е.);
Рэ - электрическая мощность эквивалентного гидрогенератора, (о.е.);
G - регулирующее воздействие на входе серводвигателя, (о.е.);
- степень открытия направляющего аппарата, (о.е.);
- момент на валу турбины, (о.е.);
- угловая частота вращения, (о.е.);
- угол между векторами ЭДС эквивалентного гидрогенератора ГЭС и эквивалентного генератора приемной энергетической системы.
2.2. Передаточные функции элементов структурной схемы
G(p) (р) К’p + 1
W1(р) =-------- = Кр ; Р = Рзад - Рэ; W2(р) =-------- = ---------------;
P(р) G(p) Трр
(p) 1 - 0Т0р (р) 1
W3(р) =----------- = ------------------- ; W 4(р) =--------------- = --------- ;
(р) 1 + 0.50Т0р (p) Тар
(р) 1 Рэ
W 5(р) = ----------- = ----------- ; W 6(р) = ----------- = К х + К ‘х P,
(p) Тр (р)
где Кр - коэффициент передачи регулятора мощности;
К’ - коэффициент передачи по скорости изменения мощности;
Тр - постоянная времени регулятора, (с);
0 - исходная нагрузка эквивалентного гидроагрегата, (о.е.);
Т0 - постоянная времени водовода при номинальной частоте вращения, соответствующая номинальной нагрузке агрегата, (с);
Та - постоянная инерции эквивалентного гидроагрегата, отнесенная к базисной (номинальной) мощности, (с); Т = 0.00318 с (при ном = 314 рад/с);
К х , К ‘х - коэффициенты передачи эквивалентного гидроагрегата.
2.3. Параметры элементов структурной схемы
| Параметры | Варианты | |||||||||
| 3.1 | 3.2 | 3.3 | 3.4 | 3.5 | 3.6 | 3.7 | 3.8 | 3.9 | 3.10 | |
| Т0,с | 2.0 | 2.0 | 1.0 | 2.0 | 1.0 | 1.0 | 3.0 | 2.0 | 1.0 | 2.0 |
| Та,с | 8.0 | 10 | 8.0 | 5.0 | 10 | 8.0 | 10 | 10 | 8.0 | 12 |
| Тр,с | 5.0 | 4.0 | 4.0 | 7.0 | 5.0 | 5.0 | 5.0 | 7.0 | 5.0 | 5.0 |
| Кх | 1.0 | 1.0 | 1.0 | 1.0 | 1.0 | 1.0 | 1.0 | 1.0 | 1.0 | 1.0 |
| К’х | 0.1 | 0.1 | 0.1 | 0.1 | 0.1 | 0.1 | 0.1 | 0.1 | 0.1 | 0.1 |
3. Содержание задания.
3.1. Рассчитать и построить переходную характеристику системы Рэ = f(t) для 0 = 1.0 и 0 = 0.1 (холостой ход) при Рзад = 1.0, Кр = Кр,расч. и различных значениях Кр и К’.
Выбрать значение Кр,расч и К’расч., при которых переходный процесс имеет затухающий и, по возможности, монотонный (без перерегулирования) характер.
3.2. Рассчитать и построить КЧХ, АЧХ и ФЧХ системы в замкнутом состоянии, оценить частотные свойства (при 0 = 1.0) и качество регулирования.
3.3. Определить показатели качества регулирования по расположению нулей и полюсов передаточной функции системы в комплексной плоскости.
3.4. Рассчитать и построить область устойчивости системы в плоскости параметров Кр и К’ при 0 = 1.0 и 0 = 0.1.
3.5. Определить запас устойчивости системы по модулю и фазе (по Найквисту).
Задание 4
1. Провести исследование системы автоматического регулирования частоты вращения турбоагрегата (без промежуточного перегрева пара), работающего на выделенную (изолированную) электрическую нагрузку.
2. Исходные данные.
2.1. Структурная схема
1-турбогенератор;
2 - звено, моделирующее регулирующий эффект электрической нагрузки;
3 - паровая турбина;
4 - гидравлический серводвигатель;
5 - регулятор частоты вращения;
- угловая частота вращения, (о.е.);
Р - потребляемая электрическая мощность (нагрузки), (о.е.);
Рт - механическая мощность на валу турбины, (о.е.);
Рн - изменение мощности, обусловленное регулирующим эффектом нагрузки, (о.е.);
Н - степень открытия регулирующего клапана турбины, (о.е.);
- регулирующее воздействие на выходе регулятора, (о.е.).
2.2. Передаточные функции элементов структурной схемы
(p) 1 Рн(р)
W1(р) =---------------- = ------- ; W2(р) =-------------- = К н ;
Pизб(р) TJP (p)
Рт(p) 1 Н(р) 1
W3(р) =------------- = --------------- ; W4(р) =--------------- = --------------- ;
Н(р) Тп р + 1 (p) Тд р + 1
(р)
W5(р) = -------------- = Кр (1 + К`р) ,
(p)
где ТJ - постоянная времени механической инерции, (с);
Кн - коэффициент регулирующего эффекта нагрузки;
Тп - постоянная времени паропровода, (с);
Кр, К’- коэффициенты передачи.
2.3. Параметры элементов структурной схемы
| Параметры | Варианты | |||||||||
| 4.1 | 4.2 | 4.3 | 4.4 | 4.5 | 4.6 | 4.7 | 4.8 | 4.9 | 4.10 | |
| ТJ,с | 15 | 15 | 12 | 10 | 15 | 15 | 10 | 12 | 10 | 10 |
| Тп,с | 5.0 | 5.0 | 4.0 | 6.0 | 4.0 | 7.0 | 5.0 | 6.0 | 4.0 | 5.0 |
| Тд,с | 0.5 | 0.4 | 0.6 | 0.4 | 0.4 | 0.5 | 0.5 | 0.6 | 0.4 | 0.6 |
| Кн | 1.5 | 1.0 | 1.2 | 1.0 | 1.2 | 1.0 | 1.2 | 1.5 | 1.0 | 0.8 |
3. Содержание задания.
3.1. Выбрать значение Кр,расч., при котором обеспечивается статизм регулирования Кс 0.04.
3.2. Рассчитать и построить переходную характеристику системы =f(t) при Р = 1.0, Кр = Кр.расч. и различных значениях К’.
Выбрать значение К’расч., при котором переходный процесс имеет затухающий и, по возможности, монотонный (без перерегулирования) характер.
3.3. Рассчитать и построить КЧХ, АЧХ и ФЧХ системы в замкнутом состоянии, оценить частотные свойства и качество регулирования.
3.4. Определить показатели качества регулирования по расположению нулей и полюсов передаточной функции системы в комплексной плоскости.
3.5. Рассчитать и построить область устойчивости системы в плоскости параметров Кр, К’.
Окончательно выбрать значения Кр.расч. и К’расч.
3.6. Определить запас устойчивости системы по модулю и фазе (по Найквисту).
Задание 5
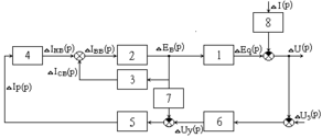
1. Провести исследование системы автоматического регулирования возбуждения синхронного генератора с электромашинным возбудителем.
2. Исходные данные.
2.1. Структурная схема
1- генератор;
2 - возбудитель;
3 - звено, моделирующее цепь самовозбуждения возбудителя;
4 - звено, моделирующее цепь независимого возбуждения возбудителя;
5 - усилительный орган регулятора;
6 - измерительный орган регулятора;
7 - звено гибкой обратной связи по напряжению возбуждения генератора;
8 - звено, моделирующее влияние тока нагрузки на изменение напряжения генератора;
U - напряжение генератора, (о.е.);
I - ток нагрузки генератора, (о.е.);
Eq - ЭДС генератора, (о.е.);
EB - ЭДС возбудителя;
Iвв - ток возбуждения возбудителя, (о.е.);
Iсв - ток самовозбуждения возбудителя, (о.е.);
Iнв - ток независимого возбуждения возбудителя, приведенный к обмотке самовозбуждения, (о.е.);
IР - ток выхода регулятора, (о.е.);
Uу - напряжение управления усилительным органом регулятора, (о.е.);
Uз - предписанное (заданное) значение напряжения генератора, (о.е.).
2.2. Передаточные функции элементов структурной схемы
Eq(p) Kг EВ(р)
W1(р) =-------------- = ---------------; W2(р) =------------ = К 0 ;
Eв(р) Tвр + 1 Iвв(p)
Iсв(p) Ксв Iнв(р) Кнв
W3(р) = -------------- = ---------------- ; W 4(р) = -------------- = ---------------- ;
EВ(р) Тсвр + 1 Iр(p) Тнвр + 1
Iр(p) Ку Uу(р)
W 5(р) = -------------- = -------------- ; W 6(р) = -------------- = Ки ;
Uу(р) Тур + 1 U(p)
Uу(p) Eq(р)
W7(р) = -------------- = Кос P; W8(р) = -------------- = Xd sin ;
EВ(р) I(p)
где Кг - коэффициент передачи генератора;
Тв - постоянная времени обмотки возбуждения генератора, (с);
К0 - коэффициент передачи возбудителя;
Ксв - коэффициент передачи цепи самовозбуждения возбудителя;
Тсв - постоянная времени цепи самовозбуждения, (с);
Кнв - коэффициент передачи цепи независимого возбуждения возбудителя;
Тнв - постоянная времени цепи независимого возбуждения возбудителя, (с);
Ку - коэффициент передачи усилительного органа регулятора;
Ту - постоянная времени усилительного органа регулятора, (с);
Кu - коэффициент передачи измерительного органа регулятора;
Кос - коэффициент передачи звена обратной связи;
Xd - синхронное сопротивление генератора, (о.е.);
cos - коэффициент мощности генератора.
2.3. Параметры элементов структурной схемы
| Параметры | Варианты | |||||||||
| 5.1 | 5.2 | 5.3 | 5.4 | 5.5 | 5.6 | 5.7 | 5.8 | 5.9 | 5.10 | |
| Xd | 1.65 | 1.71 | 1.85 | 2.07 | 2.46 | 2.65 | 2.2 | 1.51 | 1.9 | 1.2 |
| Тв,с | 7.45 | 7.26 | 7.93 | 7.9 | 10.4 | 10.4 | 10.35 | 6.15 | 6.23 | 8.85 |
| К0 | 0.5 | 0.6 | 0.4 | 0.6 | 0.5 | 0.4 | 0.6 | 0.4 | 0.5 | 0.6 |
| Тсв,с | 2.0 | 2.4 | 2.5 | 2.2 | 2.0 | 2.4 | 2.1 | 2.3 | 2.0 | 2.5 |
| Тнв,с | 1.2 | 1.0 | 1.5 | 1.4 | 1.0 | 1.2 | 1.1 | 1.2 | 1.0 | 1.4 |
| Ту,с | 0.8 | 0.6 | 0.8 | 0.6 | 0.8 | 0.6 | 0.8 | 0.6 | 0.8 | 0.6 |
| Кн | 1.0 | 1.0 | 1.0 | 1.0 | 1.0 | 1.0 | 1.0 | 1.0 | 1.0 | 1.0 |
Кг = 1.0; Кнв = 1.0; Ксв = 0.7; Ки = 1.0; cos = 0.8.
3. Содержание задания.
3.1. Выбрать значение Ку,расч., при котором обеспечивается статизм регулирования Кс 0.05.
3.2. Рассчитать и построить переходную характеристику системы U = f(t) при I = 1.0, Ку = Ку,расч. и различных значениях Кос.
Выбрать значение Кос,расч., при котором переходный процесс имеет затухающий и, по возможности, монотонный (без перерегулирования) характер.
3.3. Рассчитать и построить КЧХ, АЧХ и ФЧХ системы в замкнутом состоянии, оценить частотные свойства и качество регулирования.
3.4. Определить показатели качества регулирования по расположению нулей и полюсов передаточной функции системы в комплексной плоскости.
3.5. Рассчитать и построить область устойчивости системы в плоскости параметров Ку, Кос.
Окончательно выбрать значения Ку.расч. и Кос.расч.
3.6. Определить запас устойчивости системы по модулю и фазе (по Найквисту).
















