48945 (597413), страница 2
Текст из файла (страница 2)
-
Мінімізація функції збудження тригерів. Перший етап мінімізації функцій збудження Т-тригерів виконаємо із застосуванням карт Карно (рис. 4).
| Q2 | Q2 | ||||
| M | 1 | 1 | |||
| M | 1 | 1 | Q0 | ||
| 1 | 1 | 1 | 1 | Q0 | |
| 1 | 1 | 1 | 1 | ||
| Q1 | Q1 |
| Q2 | Q2 | ||||
| M | |||||
| M | 1 | 1 | Q0 | ||
| 1 | 1 | 1 | 1 | Q0 | |
| Q1 | Q1 |
Т0
Т1
| Q2 | Q2 | | | ||
| M | 1 | 1 | | ||
| M | Q0 | ||||
| | 1 | 1 | Q0 | ||
| | | ||||
| | Q1 | Q1 | |
Т2
Рис. 4. Мінімізація функцій збудження тригерів за допомогою карт Карно
Отримаємо функції збудження тригерів у вигляді МДНФ:
Використовуючи відомі співвідношення (розподільний закон, правило де Моргана та ін.) остаточно отримаємо:
-
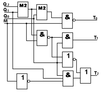
Складання логічної схеми автомата. Логічна схема комбінаційної частини ЦА, що формує необхідні функції збудження тригерів, подана на рис. 5.
Рис. 5. Схема комбінаційної частини ЦА
Особливості синтезу ЦА з пам’яттю на основі JK-тригерів.
При виконанні синтезу ЦА на основі JK-тригерів необхідно враховувати деякі особливості, пов’язані з тим, що даний тип тригерів, порівняно з іншими, має найбільш розвинуті логічні можливості.
Таблицю переходів JK-тригера можна подати у вигляді табл. 3.
Таблиця 3
| | J | K | |
| 0 | 0 | * | 0 |
| 0 | 1 | * | 1 |
| 1 | * | 1 | 0 |
| 1 | * | 0 | 1 |
Із аналізу табл. 3 можна зробити деякі важливі висновки.
По-перше, перехід тригера з будь-якого стану в інший однозначно визначається тільки одним з двох вхідних сигналів (J або K) та не залежить від значення другого сигналу. Наприклад, якщо J = 1, тригер перейде з нульового стану в одиничний, незалежно від того, яке значення має K.
По-друге, перехід тригера з нульового стану в будь-який інший (0 або 1) визначається виключно значенням J, а перехід тригера з одиничного стану – виключно значенням К. Це твердження можна записати таким чином:
Ця властивість дозволяє отримати дуже прості функції збудження, для чого необхідно складати таблицю переходів синтезованого ЦА з урахуванням вмісту табл. 3. Наприклад, таблиця переходів для синтезованого дворежимного лічильника з використанням JK-тригерів (табл. 4) містить удвічі більше стовпчиків для вхідних сигналів тригерів (функцій збудження), ніж табл. 2, але в кожному рядку цих стовпчиків присутні невизначені значення сигналів. Як відомо, при використанні карт Карно ці значення довизначаються за вибором виконавця з метою підвищення ефективності мінімізації, що дозволяє отримати більш прості логічні функції.
Таблиця 4
| М | Початковий стан | Наступний стан | Сигнали на входах тригерів | |||||||||||
| | | | | | | J2 | K2 | J1 | K1 | J0 | K0 | |||
| 0 | 0 | 0 | 0 | 0 | 0 | 1 | 0 | * | 0 | * | 1 | * | ||
| 0 | 0 | 0 | 1 | 0 | 1 | 0 | 0 | * | 1 | * | * | 1 | ||
| 0 | 0 | 1 | 0 | 0 | 1 | 1 | 0 | * | * | 0 | 1 | * | ||
| 0 | 0 | 1 | 1 | 1 | 0 | 0 | 1 | * | * | 1 | * | 1 | ||
| 0 | 1 | 0 | 0 | 1 | 0 | 1 | * | 0 | 0 | * | 1 | * | ||
| 0 | 1 | 0 | 1 | 1 | 1 | 0 | * | 0 | 1 | * | * | 1 | ||
| 0 | 1 | 1 | 0 | 1 | 1 | 1 | * | 0 | * | 0 | 1 | * | ||
| 0 | 1 | 1 | 1 | 0 | 0 | 0 | * | 1 | * | 1 | * | 1 | ||
| 1 | 0 | 0 | 0 | 0 | 0 | 1 | 0 | * | 0 | * | 1 | * | ||
| 1 | 0 | 0 | 1 | 0 | 1 | 1 | 0 | * | 1 | * | * | 0 | ||
| 1 | 0 | 1 | 0 | 1 | 1 | 0 | 1 | * | * | 0 | 0 | * | ||
| 1 | 0 | 1 | 1 | 0 | 1 | 0 | 0 | * | * | 0 | * | 1 | ||
| 1 | 1 | 0 | 0 | 0 | 0 | 0 | * | 1 | 0 | * | 0 | * | ||
| 1 | 1 | 0 | 1 | 1 | 0 | 0 | * | 0 | 0 | * | * | 1 | ||
| 1 | 1 | 1 | 0 | 1 | 1 | 1 | * | 0 | * | 0 | 1 | * | ||
| 1 | 1 | 1 | 1 | 1 | 0 | 1 | * | 0 | * | 1 | * | 0 | ||
ВИСНОВОК
Головною метою синтезу ЦА з пам’яттю є визначення всіх його можливих станів та переходів, відповідно заданому алгоритму функціонування, та отримання функцій збудження всіх входів тригерів, з яких складається автомат. Цього достатньо для складання логічної схеми ЦА.
Багатоваріантність можливих реалізацій ЦА пов’язана з вибором типу тригерів та способу побудови його комбінаційної частини. Теоретично будь-який ЦА може бути побудований на тригерах будь-якого типу. Найбільш розповсюджені в схемотехніці D- та JK-тригери. JK-тригер має більш розвинені логічні можливості, тому для нього можна отримати більш прості функції збудження, але кількість функцій буде удвічі більшою, ніж для D-тригера. Яке рішення буде оптимальним для конкретного ЦА, в загальному випадку заздалегідь невідомо.















