151213 (594651), страница 5
Текст из файла (страница 5)
Для определения приближенного значения рационального напряжения в проектной практике обычно используют следующие выражения:
(6.1.1)
где
- значение расчетной нагрузки завода, МВт; l – расстояние от подстанции энергосистемы до завода, км.
Для рассматриваемого предприятия они будут равны:
Далее, намечают два ближайших значения стандартных напряжений (одно меньше
, а другое больше
) и на основе ТЭР окончательно выбирают напряжение питания предприятия.
Варианты стандартных значений напряжения: 35 кВ и 110 кВ.
Так как, под рациональным напряжением
понимается такое значение стандартного напряжения, при котором сооружение и эксплуатация СЭС имеют минимальное значение приведенных затрат, определяют приведенные затраты для каждого из вариантов.
Согласно методике, изложенной в главе 1.1, приведенные затраты определяются по выражению (1.1.1), руб/год,
(6.1.2)
Народнохозяйственный ущерб от перерывов электроснабжения У будет определен позже, после расчета надежности схем питания. Для выбора рационального напряжения необходимо определить лишь капитальные вложения в строительство и стоимость потерь энергии.
Отчисления от капитальных вложений определяются по выражению, руб/год
(6.1.4)
Нормативный коэффициент эффективности капиталовложений для новой техники принимают равным ЕН = 0,15 о.е./год.
Для воздушных линий 35 кВ и выше на стальных и железобетонных опорах суммарные издержки на амортизацию и обслуживание равны
[8]. Суммарные издержки на амортизацию и обслуживание силового электротехнического оборудования и распределительных устройств 35-150 кВ
[8]. Сравнение производят для следующей схемы:
Рис.4. Схема электроснабжения для расчета рационального напряжения
Капитальные затраты К, необходимые для осуществления электропередачи от источников питания к приемникам электроэнергии, зависят от передаваемой мощности S, расстояния l между источником питания и местом потребления или распределения.
Капитальные затраты на сооружение системы электроснабжения выражают формулой:
(6.1.4)
где КЛ — капитальные затраты на сооружение воздушных и кабельных линий;
; КЛ0 — стоимость сооружения 1 км линий; l — длина линии; КОБ — капитальные затраты на приобретение оборудования (выключателей, разъединителей, отделителей, короткозамыкателей, измерительных трансформаторов, реакторов, шин, разрядников, силовых трансформаторов и т. п.).
Определяют сначала капиталовложения на сооружение ВЛЭП и подстанции на напряжение 110 кВ.
Находят КЛ110. Для определения капиталовложений по сооружению двух цепей линии 110 кВ (W1 и W2) необходимо знать сечение проводов линий. Выбор сечения проводов производят из расчета обеспечения питания предприятия по одной линии в случае повреждения или отключения другой.
1. Определяют ток в линии в нормальном и послеаварийном режимах:
(6.1.5)
(6.1.6)
2. Сечение провода рассчитывают по экономической плотности тока:
Для текстильного комбината: Тма = 6200-8000 ч., Тмр = 6220ч. [10]. Следовательно jэк = 1 А/мм2 [9].
(6.1.7)
По полученному сечению выбирают алюминиевый провод со стальным сердечником марки АС-120/19. Выбранное сечение проверяется по допустимому нагреву (по допустимому току) в нормальном и послеаварийном режимах согласно условию Iпар ≤ Iд , по потерям напряжения U и потерям на коронный разряд.
3. Проверяют сечение провода по условию допустимого нагрева:
По ПУЭ допустимый предельный ток для провода на 110 кВ сечением 120/19 мм2 равен 390 А, следовательно Iпар = 261,6 А < Iд = 390 А. Сечение по данному условию подходит.
4. Проверяют сечение провода по падению напряжения в линии в нормальном и послеаварийном режимах:
(6.1.8)
(6.1.9)
(6.1.10)
Удельные сопротивления для провода АС-120/19 равны r0 = 0,249 Ом/км и xо = 0,427 Ом/км [18]. По формуле (6.1.8):
5. По условию коронного разряда и уровню радиопомех провод такого сечения можно использовать. Стоимость ВЛЭП 110 кВ с проводами марки АС-120/19 для стальных двухцепных опор для III района по гололеду, к которому относится Омская область, равна
[8]. Учитывая, что длина линии
, получают
Стоимость сооружения аналогичной линии в современных условиях (ценах 2002г.) составляет
[Приложение 3].
Находят коэффициент пересчета для ВЛЭП по формуле:
(6.1.11)
Находят КОБ110. Для определения капиталовложений по сооружению подстанции 110 кВ необходимо выбрать силовой трансформатор (Т1 и Т2), выключатель (Q1, Q2, Q3 и Q4) и разъединитель (QS1 – QS8).
Так как на предприятии имеются потребители II категории, то устанавливают двухтрансформаторную подстанцию.
Мощность трансформаторов определяют по суточному графику нагрузки (рис. 6). Для этого рассчитывают среднеквадратичную мощность по формуле:
(6.1.12)
Определяют мощность одного трансформатора:
(6.1.13)
Выбирают трехфазный трансформатор с расщепленной обмоткой низшего напряжения с принудительной циркуляцией воздуха и естественной циркуляцией масла оборудованный системой регулирования напряжения ТРДН – 40000/110 [8] (Sном = 40 МВА; Uвн = 115 кВ; Uнн = 6,3/10,5; 10,5/10,5 кВ; Pх = 34 кВт; Pк = 170 кВт; Uк = 10,5%; Iх = 0,55%) с регулировкой напряжения под нагрузкой (РПН) и производят проверку на эксплуатационную перегрузку.
Коэффициент предварительной загрузки:
(6.1.14)
Коэффициент максимума:
(6.1.15)
Коэффициент перегрузки:
(6.1.16)
По кривым зависимости коэффициентов К1 и К2 согласно [2] определяют К2’. Получают К2’ = 1,12 К2 = 1,14.
Трансформатор находится на границе зоны систематической перегрузки (К2<1,5), но с учетом погрешности вычислений и возможности отключения потребителей III категории в летнее время при больших температурах окружающей среды в аварийном режиме, принимают трансформатор ТРДН – 25000/110.
Согласно Приложению 18 современная стоимость подобного трансформатора составляет
Находят коэффициент пересчета для силовых трансформаторов.
Расчетная стоимость трехфазного трансформатора 110 кВ мощностью SНОМ = 40 МВА, равна
[8].
Отсюда, определяют коэффициент пересчета по формуле:
(6.1.17)
Затем определяют КВ110. На данном этапе проектирования выбор высоковольтных выключателей может быть осуществлен лишь по двум параметрам:
. Учитывая это обстоятельство, выбирают воздушный выключатель усиленного типа ВВУ-110Б-40/2000У1 [6]. (
). Его стоимость равна
Определяют коэффициент пересчета на примере воздушного выключателя с электромагнитным приводом ВВЭ-10-20/1600У3. В 1984 году он стоил
[6], а в 2002 году:
[Приложение 17].
Отсюда, по формуле (1.1.6):
(6.1.18)
Следовательно, современная стоимость высоковольтного воздушного выключателя ВВУ-110Б-40/2000У1 по формуле (1.1.7), составляет:
(6.1.19)
Определяют КР110. Выбор разъединителей также осуществляют по номинальному напряжению и току:
, как и в предыдущем случае. Выбирают разъединитель наружной установки двухколонковый с заземляющими ножами РНД(З)-110(Б)(У)/1000У1(ХЛ) [20]. (
). Его стоимость равна
Определяют коэффициент пересчета на примере разъединителя внутренней установки фигурного с заземляющими ножами РВФЗ-10/1000.
Так, выбранный разъединитель с приводом РВФЗ-10/1000 в 1984 году стоил
[20], а в 2002 году:
[Приложение 13]. Отсюда, по формуле (1.1.6):
Следовательно, современная стоимость высоковольтного разъединителя РНД(З)-110(Б)(У)/1000У1(ХЛ) по формуле (1.1.7), равна:
Таким образом, капиталовложения в оборудование подстанции 110 кВ КОБ110, определяются по формуле:
(2.9.15)
Далее определяют капиталовложения на сооружение ВЛЭП и подстанции на напряжение 35 кВ.
Находят КЛ35. Для определения капиталовложений по сооружению двух цепей линии 35 кВ (W1 и W2) необходимо знать сечение проводов линий. Выбор сечения проводов производят из расчета обеспечения питания предприятия по одной линии в случае повреждения или отключения другой.
1. Определяют ток в линии в нормальном и послеаварийном режимах по формулам (6.1.5) и (6.1.6):
2. Сечение провода рассчитывают по экономической плотности тока.
Для текстильного комбината: Тма = 6200-8000 ч., Тмр = 6220 ч. [10]. Следовательно jэк = 1 А/мм2 [9].
Отсюда, по формуле (6.1.7):
По полученному сечению выбирают алюминиевый провод со стальным сердечником марки АС-300/39 (по условиям короны).
Уже на данном этапе расчета можно сделать вывод о невыгодности применения ВЛЭП на 35 кВ, поскольку провод такого сечения на данное напряжение на практике никогда не применяется. Но для продолжения рассмотрения примера ТЭР, принимают допустимую перегрузку линии в аварийном режиме равной 1,45 [19]. Тогда сечение линии должно соответствовать пропускаемой мощности Sn:
(6.1.20)
1. Определяют ток в линии в нормальном и послеаварийном режимах по формулам (2.9.4) и (2.9.5):
;
.
2. Сечение провода рассчитывают по экономической плотности тока.
Как известно, для механического завода местной промышленности: Тма = 6200-8000 ч., Тмр = 6220ч. [10]. Следовательно jэк = 1 А/мм2 [9].
Отсюда, по формуле (6.1.7):
По полученному сечению выбирают алюминиевый провод со стальным сердечником марки АС-150/24 (по условиям короны).
3. Проверяют сечение провода по условию допустимого нагрева.
По ПУЭ [9] допустимый предельный ток для провода на 35 кВ сечением 150/24 мм2 равен 450 А, следовательно Iпар = 567 А > Iд = 450 А. Сечение по данному условию не подходит.
4. Проверяют сечение провода по падению напряжения в линии в нормальном и послеаварийном режимах по формулам (6.1.8), (6.1.9) и (6.1.10):
Удельные сопротивления для провода АС-150/24 равны r0 = 0,198 Ом/км и xо = 0,406 Ом/км [18]. По формуле (2.9.7):
5. По условию коронного разряда и уровню радиопомех провод такого сечения можно использовать.
Стоимость ВЛЭП 35 кВ с проводами марки АС-150/24 для стальных двухцепных опор для III района по гололеду, к которому относится Омская область, равна
[8].
Используя найденный ранее коэффициент пересчета
, по формуле (1.1.7) определяют, что современная стоимость данной ВЛЭП 35 кВ длинной l = 3 км будет составлять:
Находят КОБ35. Для определения капиталовложений по сооружению подстанции 35 кВ необходимо выбрать силовой трансформатор (Т1 и Т2), выключатель (Q1, Q2, Q3 и Q4) и разъединитель (QS1 – QS8).
Так как на предприятии имеются потребители II категории, то также, как и в предыдущем случае, устанавливают двухтрансформаторную подстанцию.
Мощность трансформаторов определяем по суточному графику нагрузки (рис. 6). Для этого рассчитывают среднеквадратичную мощность по формуле (6.1.12):
Определяют мощность одного трансформатора по формуле (6.1.13):
Выбирают трехфазный трансформатор с расщепленной обмоткой низшего напряжения с принудительной циркуляцией воздуха и естественной циркуляцией масла оборудованный системой регулирования напряжения для систем собственных нужд электростанций ТРДНС – 32000/35 [8] (Sном = 32 МВА; Uвн = 36,75 кВ; Uнн = 6,3/10,5; Pх = 29 кВт; Pк = 145 кВт; Uк = 12,7%; Iх = 0,6 %) с регулировкой напряжения под нагрузкой (РПН) и производят проверку на эксплуатационную перегрузку. Трансформатор ТРДНС-32000/35 не может применяться для установки на подстанциях, поскольку он предназначен для систем собственных нужд электростанций. Это говорит о неприемлемости варианта системы питания на напряжение 35 кВ. Однако, для примера ТЭР, продолжают расчет.
Коэффициент предварительной загрузки по формуле (6.1.14):
Коэффициент максимума по формуле (6.1.15):
Коэффициент перегрузки по формуле (6.1.16):
По кривым зависимости коэффициентов К1 и К2 согласно [2] определяют К2’. Получают К2’ = 1,4 К2 = 1,39.
Трансформатор находится на границе зоны систематической перегрузки (К2<1,5), но с учетом погрешности вычислений и возможности отключения потребителей III категории в летнее время при больших температурах окружающей среды в аварийном режиме, принимают трансформатор ТРДНС – 32000/35.
Расчетная стоимость трехфазного трансформатора 35 кВ мощностью SНОМ = 40 МВА, равна
[8].
С учетом найденного ранее коэффициента пересчета
на цены 2002 года, получают, что капиталовложения в трансформатор по формуле (1.1.7) составят:
Затем находят КВ35. На данном этапе проектирования выбор высоковольтных выключателей может быть осуществлен лишь по двум параметрам:
. Учитывая это обстоятельство, выбирают воздушный выключатель усиленного типа ВВУ-35Б-40/2000ХЛ1 [6]. (
). Его стоимость равна
С учетом найденного ранее коэффициента пересчета
, современная стоимость высоковольтного воздушного выключателя ВВУ-35Б-40/2000ХЛ1 по формуле(6.1.18), равна:
Определяют КР35. Выбор разъединителей также осуществляют по номинальному напряжению и току:
, как и в предыдущем случае. Выбирают разъединитель наружной установки двухколонковый с заземляющими ножами РНД(З)-35/1000У1 [20]. (
). Его стоимость равна
С учетом найденного ранее коэффициента пересчета
, современная стоимость высоковольтного разъединителя РНД(З)-35/1000У1 по формуле (6.1.18), равна:
Таким образом, капиталовложения в оборудование подстанции 35 кВ КОБ35 по формуле (6.1.15), равны:
Далее переходят к нахождению стоимости потерь энергии. Стоимость потерь энергии для линии и для оборудования (трансформатора) рассчитывается отдельно.
Стоимость потерь энергии для линий определяется по выражению, руб/год,
(6.1.21)
здесь I — максимальный ток в линии, А. Потери энергии будем для простоты определять без учета ежегодного роста нагрузки. Для линии 35 кВ
, а для линии 110 кВ -
.
R —активное сопротивление линий, Ом. Для линии 35 кВ
, для линии 110 кВ
.
— время максимальных потерь, ч/год [определяется по заданному числу часов использования максимума Тмакс. Для текстильного комбината , как уже отмечалось ранее,
[10]. Используя указанную зависимость
для любых значений
находят, что
.
сЭ — стоимость 1 кВтч потерь энергии по замыкающим затратам, руб/(кВтч). Величина сЭ в общем случае зависит от .
Согласно основным методическим положениям технико-экономических расчетов в энергетике стоимость потерь энергии по замыкающим затратам принята равной средней в энергосистеме себестоимости электроэнергии, отпущенной с шин новых конденсационных электростанций.
На современном этапе принимают
.
Итак, стоимость потерь энергии для линии 35 кВ по формуле (6.1.21):
.
Стоимость потерь энергии для линии 110 кВ по формуле (6.1.21):
.
Стоимость потерь энергии группы одинаковых параллельно включенных трансформаторов определяется по выражению, руб/год,
(6.1.22)
здесь n — число трансформаторов в группе. В данном случае для обоих вариантов напряжения n = 2.
PX и PK — номинальные (табличные) потери холостого хода и короткого замыкания, кВт. Для ТРДНС-32000/35: PХ = 29 кВт; PК = 145 кВт; для ТРДН-40000/110: PХ = 34 кВт; PК = 170 кВт.
cЭх и cЭк — стоимость 1 кВтч потерь энергии холостого хода и короткого замыкания соответственно. Принимают cЭх = cЭк = 50 коп./кВтч.
Т — время работы трансформаторов, ч/год (при его работе круглый год Т = 8760 ч). В рассматриваемом случае,
.
Sn — фактическая мощность, протекающая по всем трансформаторам группы, МВА.
Итак, стоимость потерь энергии двух параллельно включенных трансформаторов ТРДНС-32000/35 по формуле (6.1.22), равна:
Стоимость потерь энергии двух параллельно включенных трансформаторов ТРДН-40000/110 по формуле (6.1.22), равна:
Таким образом, все необходимое для расчета приведенных затрат обоих вариантов строительства найдено.
Суммирование производится по элементам системы (линиям, трансформаторам и т. д.). Вариант считается оптимальным, если приведенные затраты минимальны. Если какая-либо составляющая этих затрат входит во все сравниваемые варианты (величина постоянная), она может не учитываться, так как на выбор варианта не влияет.
Далее определяют приведенные затраты по элементам с использованием формулы , но без учета ущерба:
-
приведенные затраты для варианта строительства ВЛЭП на 35 кВ:
(6.1.23)
-
приведенные затраты для варианта строительства ВЛЭП на 110 кВ:
-
приведенные затраты для варианта строительства подстанции на 35 кВ:
-
приведенные затраты для варианта строительства подстанции на 110 кВ:
В результате, суммарные приведенные затраты для варианта строительства ВЛЭП и подстанции на 35 кВ, равны:
(6.1.24)
В результате, суммарные приведенные затраты для варианта строительства ВЛЭП и подстанции на 110 кВ, равны:
(6.1.25)
Таким образом, суммарные приведенные затраты для варианта строительства ВЛЭП и подстанции на напряжение 35 кВ больше, чем на 110 кВ . В таких случаях, с учетом всех допущений (введение коэффициента перегрузки К = 1,45 и выбор трансформатора ТРДНС – для собственных нужд электростанций) для варианта на напряжение 35 кВ, за рациональное напряжение питания выбирают более высокое напряжение. То есть, для рассмотренного случая, им будет являться напряжение 110 кВ.
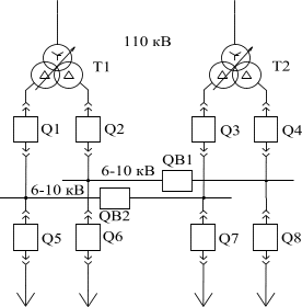
6.2 Выбор схем распределительных устройств высшего напряжения с учетом надежности
Схемы электрических соединений на стороне высшего напряжения подстанций желательно выполнять наиболее простыми. Учитывая расстояние до системы, уровень надежности потребителей, вид схемы питания и влияние окружающей среды, выбирают следующие две схемы РУ ВН.
а) б)
Рис. 5. Однолинейные схемы электрических соединений главных понизительных подстанций с двумя трансформаторами: а) - без выключателей на стороне высшего напряжения; б) - с выключателями
Выбор схемы РУ ВН неоднозначен, поскольку с одной стороны установка выключателей на стороне высшего напряжения в связи с дороговизной кажется экономически необоснованной, но с другой стороны применение их в электроснабжении промышленных предприятий приводит к снижению экономических потерь во много раз при авариях и перерывах электроснабжения. Так как в схеме с выключателем время восстановления напряжения значительно ниже, то происходят меньшие нарушения технологического процесса, а так же предотвращается развитие аварий технологических установок. Особенно это важно в нефтеперерабатывающей и химической промышленности, т. к. перерывы в электроснабжении могут привести к значительному экономическому ущербу в технологии.
Достоверность вышесказанного можно подтвердить рассчитав надежность рассматриваемых схем.
6.3 Расчет надежности
Для расчета надежности в схему без выключателей на стороне высшего напряжения (рис. 5а) включено большее количество элементов, чем в схему с выключателями (рис. 5б), так как необходимо учитывать все элементы схемы до отключающего элемента, которым для схемы (рис. 5а) является высоковольтный выключатель подстанции системы.
Ремонтная перемычка QS7,QS8 (рис. 5а) и QS5,QS6 (рис. 5б) в нормальном (эксплуатационном) режиме работы не влияет на надежность схемы. Перемычка используется только в периоды ремонта одного из вводов. Поэтому в расчетах надежности она не учитывается.
В соответствии со схемами электроснабжения (рис. 5, а,б) составляют блок-схемы расчета надежности (рис. 6, а,б), заменяя элементы схем распределительных устройств блоками и нумеруя их по порядку.
Затем разделяют полученные блок-схемы на логические расчетные схемы (ЛРС) I, II, III и IV для упрощения расчетов.
а) б)
Рис. 6. Блок-схемы расчета надежности
Сначала рассчитывают надежность для схемы без выключателей на стороне высшего напряжения (рис. 5а).
Показатели надежности элементов схемы представлены в таблице 6.
На низкой стороне подстанции рациональное напряжение будет определено технико-экономическим сравнением в расчете системы распределения. Учитывая, что показатели надежности элементов СЭС на напряжение 6 и 10 кВ одинаковы, то на данном этапе ограничиваются указанием возможных вариантов напряжения системы распределения.
Таблица 6 - Показатели надежности элементов СЭС
| № элемента на расчетной схеме | Элементы | а, (1/год) | Т х 10-3, (год) | р, (1/год) | р х 10-3, (год) |
| ИП1, ИП2 | Источники питания предприятия | 0 | - | - | - |
| 1, 3, 5, 7, 9, 11 | Разъединитель 110 кВ | 0,008 | 1,712 | - | - |
| 2, 8 | Ячейка с воздуш-м выключателем 110 кВ | 0,18 | 1,256 | 0,67 | 2,28 |
| 4, 10 | Воздушная линия электропере- дачи 110 кВ на 1 км длины | 0,011 | 0,913 | 1,00 | 2,28 |
| 6, 12 | Трансформатор силовой 110/6-10 | 0,01 | 20,55 | 1,00 | 2,28 |
| 13, 14, 15, 16 | Ячейка масляного выключателя 6,10 кВ | 0,035 | 0,26 | 0,67 | 0,91 |
| 17, 18, 19, 20 | Отходящая линия 6,10 кВ при развитии отказов | 0,012 | 0,114 | - | - |
| - | Комплект АВР 6,10 кВ:
| 0,18 0,04 | - - | - - | - - |
| - | Неавтоматическое включение резервного питания | - | 0,038 | - | - |
| - | Секция шин 6,10 кВ | 0,01 | 0,228 | - | - |
Сначала рассчитывается ЛРС I и II.
1. Определяют показатели аварийных отключений вводов (
).
Средний параметр потока отказов для I ввода из-за аварийных отключений
равен сумме параметров потока отказов элементов I ввода
и параметра потока отказов источника питания I ввода
:
(6.3.1)
Средний параметр потока отказов для II ввода из-за аварийных отключений
равен сумме параметров потока отказов элементов II ввода
и параметра потока отказов источника питания II ввода
:
(6.3.2)
Среднее время восстановления напряжения для I ввода после аварийного отключения
, равно:
(6.3.3)
Среднее время восстановления напряжения для II ввода после аварийного отключения
, равно:
(6.3.4)
2. Показатели аварийных отключений из-за отказов шин ТП или из-за развития отказов со стороны присоединений (
).
Присоединениями в данном случае являются по две ячейки (
) с масляным выключателем на каждой секции шин
, а шины ТП образованы низкой стороной трансформатора, то есть число потока отказов шин равно числу потока отказов трансформатора
. Аналогичная ситуация и для длительности восстановления напряжения. Средний параметр потока отказов
и среднее время восстановления напряжения
для I ввода из-за развития отказов со стороны присоединений:
(6.3.5)
(6.3.6)
Средний параметр потока отказов
и среднее время восстановления напряжения
для II ввода из-за развития отказов со стороны присоединений:
(6.3.7)
(6.3.8)
3. Показатели аварийных отключений секций шин (
).
Средний параметр потока отказов
и среднее время восстановления напряжения
для I ввода из-за аварийных отключений секций шин, то есть аварийных отключений ввода (
) или развития отказов со стороны присоединений (
):
(6.3.9)
(6.3.10)
Средний параметр потока отказов
и среднее время восстановления напряжения
для II ввода из-за аварийных отключений секций шин, то есть аварийных отключений ввода (
) или развития отказов со стороны присоединений (
):
(6.3.11)
(6.3.12)
4. Показатели полных отключений вводов (
).
Определение показателей
(р – отключение для профилактического ремонта или обслуживания) производится исходя из предположения, что возможности совмещения ремонтов элементов ввода реализованы не полностью. Числовые характеристики плановых ремонтов элементов 1, 2, 3, 4, 5, (7, 8, 9, 10, 11) образуют одну ремонтируемую группу с показателями:
Элемент 1, 3, 5 (7, 9, 11) – разъединитель 110 кВ в ремонтируемую группу не включен, так как его профилактическое обслуживание проводится одновременно с ремонтом воздушной линии электропередач 110 кВ и воздушного выключателя 110 кВ.
Средний параметр потока отказов
и среднее время восстановления напряжения
для I ввода из-за аварийных отключений ввода (
) или отключений для профилактического ремонта и обслуживания (
):
(6.3.13)
(6.3.14)
Средний параметр потока отказов
и среднее время восстановления напряжения
для II ввода из-за аварийных отключений ввода (
) или отключений для профилактического ремонта и обслуживания (
):
(6.3.15)
(6.3.16)
5. Затем определяются показатели полных отключений секций шин (
).
Средний параметр потока отказов
и среднее время восстановления напряжения
для I ввода из-за аварийных отключений ввода, отключений для профилактического ремонта и обслуживания (
) или развития отказов со стороны присоединений (
):
(6.3.17)
(6.3.18)
Средний параметр потока отказов
и среднее время восстановления напряжения
для II ввода из-за аварийных отключений ввода, отключений для профилактического ремонта и обслуживания (
) или развития отказов со стороны присоединений (
):
(6.3.19)
(6.3.20)
Далее переходят к расчету ЛРС III и IV.
Поскольку параметры элементов, составляющих ЛРС III и IV одинаковы и число потока отказов
а также время восстановления
расчет будет представлен на примере ЛРС III, для ЛРС IV он идентичен.
6. Показатели аварийных отключений из-за отказов шин ТП или из-за развития отказов со стороны присоединений (
).
На данном этапе проектирования количество отходящих линий неизвестно, поэтому для упрощения расчетов принимают число присоединений mIII = 1 для обоих секций шин – 3 и 4 (секции шин пронумерованы в соответствии с номерами источников питания (ИП) для данных секций). Показатели надежности для элементов 17 и 18 ЛРС III и для секций шин 6-10 кВ (табл. 6), равны:
,
.
Средний параметр потока отказов
и среднее время восстановления напряжения
для 3 секции шин из-за развития отказов со стороны присоединений:
(6.2.1.21)
(6.2.1.22)
Средний параметр потока отказов
и среднее время восстановления напряжения
для 4 секции шин из-за развития отказов со стороны присоединений:
(6.3.23)
(6.3.24)
7. Показатели надежности отдельных секций шин ТП при сохранении электроснабжения на других – индивидуальные показатели (
).
Средний параметр потока отказов
и среднее время восстановления напряжения
для 3 секции шин из-за отказов ИП (
) с учетом вероятности отказа АВР
или развития отказов со стороны присоединений (
):
(6.3.25)
(6.3.26)
Средний параметр потока отказов
и среднее время восстановления напряжения
для 4 секции шин из-за отказов ИП (
) с учетом вероятности отказа АВР
или развития отказов со стороны присоединений (
):
(6.3.27)
(6.3.28)
8. Показатели аварийных отключений секций шин (
).
Средний параметр потока отказов
и среднее время восстановления напряжения
для 3 секции шин из-за отказов ИП (
) или развития отказов со стороны присоединений (
):
(6.3.29)
(6.3.30)
Средний параметр потока отказов
и среднее время восстановления напряжения
для 4 секции шин из-за отказов ИП (
) или развития отказов со стороны присоединений (
):
(6.3.31)
(6.3.32)
9. Показатели полных отключений ввода (
).
Показатели
для данной ЛРС не определяются, так как на вводе схемы элементов нет, а вышерасположенные элементы относятся к I и II ЛРС, при расчете которых ремонтные показатели уже были учтены. Отсюда, показатели надежности полных отключений ввода ЛРС III (
) равны показателям надежности из-за аварийных отключений ввода, которыми в данном случае являются показатели ИП 3 и ИП 4 (
):
10. Показатели полных отключений секций шин (
).
Так как показатели надежности полных отключений ввода ЛРС III (
) равны показателям надежности ИП 3 и ИП 4 (
) соответственно, то показатели полных отключений секций шин
равны показателям аварийных отключений секций шин
соответственно:
11. Показатели полного отключения ТП (
).
Показатели одновременного отказа ИП 3 и 4 секции шин:
(6.3.33)
(6.3.34)
Полное отключение ТП происходит при:
-
аварийном отключении 4 секции шин (аварийное отключение ввода или аварийное отключение из-за отказов шин ТП или из-за развития отказов со стороны присоединений) во время ремонта или аварии на 3 секции шин и наоборот;
-
аварийном отключении из-за отказов шин ТП или из-за развития отказов со стороны присоединений во время аварии или ремонтных работ на вводе 3 секции шин с учетом отказа АВР (то же для 4 секции шин);
-
аварийном отключении 3 или 4 секции шин (аварийном отключении ввода или аварийном отключении из-за отказов шин ТП или из-за развития отказов со стороны присоединений)с учетом ложного срабатывания АВР;
-
отказе обоих источников питания.
Учитывая все вышеперечисленное, показатели надежности полного отключения ТП (
) равны:
(6.3.35)
(6.3.36)
12. Показатели, характеризующие отказы одной, но любой, секции ТП при сохранении напряжения на другой (
):
(6.3.37)
(6.3.38)
13. Отказы каждой из секций независимо от работоспособности другой (
):
(6.3.39)
(6.3.40)
(6.3.41)
(6.3.42)
14. Отказы любого вида (
):
(6.3.43)
(6.3.44)
15. Вероятность безотказной работы и коэффициент простоя, характеризующие все вышерассмотренные случаи нарушения электроснабжения определяются по формулам (6.3.45) и (6.3.46). Так при отключении секции 3 при сохранении питания 4 секции:
(6.3.45)
(6.3.46)
Результаты расчета сведены в таблицу 7.
Таблица 7 - Показатели надежности для схемы с разъединителями (рис. 5а).
| Разновидности нарушения электроснабжения | Числовой показатель надежности | |||
| | | | | |
| Отключение секции 3(5) при сохранении питания 4(6) секции | 0,267 | 0,429 | 0,766 | 0,01310-3 |
| Отключение секции 4(6) при сохранении питания 3(5) секции | 0,267 | 0,429 | 0,766 | 0,01310-3 |
| Отключение одной из секций [3 или 4 (5 или 6)] при сохранении питания другой | 0,534 | 0,429 | 0,586 | 0,02610-3 |
| Отключение секции 3(5) независимо от сохранения питания 4(6) секции | 0,284 | 0,911 | 0,753 | 0,0310-3 |
| Отключение секции 4(6) независимо от сохранения питания 3(5) секции | 0,284 | 0,911 | 0,753 | 0,0310-3 |
| Отключение секций 3 и 4 (5 и 6) одновременно | 0,017 | 8,41 | 0,983 | 0,01610-3 |
| Любое нарушение ЭС | 0,551 | 0,077 | 0,576 | 0,04210-3 |
Теперь определим показатели надежности для схемы с выключателями на стороне высшего напряжения (рис. 5б).
Показатели надежности элементов схемы представлены в таблице 8.
На низкой стороне подстанции рациональное напряжение будет определено технико-экономическим сравнением в расчете системы распределения. Учитывая, что показатели надежности элементов СЭС на напряжение 6 и 10 кВ одинаковы, то на данном этапе ограничиваются указанием возможных вариантов напряжения системы распределения.
Таблица 8 - Показатели надежности элементов СЭС
| № элемента на расчетной схеме | Элементы | а, (1/год) | Т х 10-3, (год) | р, (1/год) | р х 10-3, (год) |
| ИП1, ИП2 | Источники питания предприятия | 0 | - | - | - |
| 1, 3, 5, 7 | Разъединитель 110 кВ | 0,008 | 1,712 | - | - |
| 2, 6 | Ячейка с воздушным выклю-чателем 110 кВ | 0,18 | 1,256 | 0,67 | 2,28 |
| 4, 8 | Трансформатор силовой 110/6-10 | 0,01 | 20,55 | 1,00 | 2,28 |
| 9, 10, 11, 12 | Ячейка масляного выключателя 6,10 кВ | 0,035 | 0,26 | 0,67 | 0,91 |
| 13, 14, 15, 16 | Отходящая линия 6,10 кВ при развитии отказов | 0,012 | 0,114 | - | - |
| - | Комплект АВР 6,10 кВ:
| 0,18 0,04 | - - | - - | - - |
| - | Неавтоматическое включение резервного питания | - | 0,038 | - | - |
| - | Секция шин 6,10 кВ | 0,01 | 0,228 | - | - |
Сначала рассчитывается ЛРС I и II.
1. Определяем показатели аварийных отключений вводов.
Средний параметр потока отказов для I ввода из-за аварийных отключений
равен сумме параметров потока отказов элементов I ввода
и параметра потока отказов источника питания I ввода
:
(6.3.47)
Средний параметр потока отказов для II ввода из-за аварийных отключений
равен сумме параметров потока отказов элементов II ввода
и параметра потока отказов источника питания II ввода
:
(6.3.48)
Среднее время восстановления напряжения для I ввода после аварийного отключения
, равно:
(6.3.49)
Среднее время восстановления напряжения для II ввода после аварийного отключения
, равно:
(6.3.50)
2. Показатели аварийных отключений из-за отказов шин ТП или из-за развития отказов со стороны присоединений (
).
Присоединениями в данном случае являются по две ячейки (
) с масляным выключателем на каждой секции шин
, а шины ТП образованы низкой стороной трансформатора, то есть число потока отказов шин равно числу потока отказов трансформатора
. Аналогичная ситуация и для длительности восстановления напряжения.
Средний параметр потока отказов
и среднее время восстановления напряжения
для I ввода из-за развития отказов со стороны присоединений:
(6.3.51)
(6.3.52)
Средний параметр потока отказов
и среднее время восстановления напряжения
для II ввода из-за развития отказов со стороны присоединений:
(6.3.53)
(6.3.54)
3. Показатели аварийных отключений секций шин (
).
Средний параметр потока отказов
и среднее время восстановления напряжения
для I ввода из-за аварийных отключений секций шин, то есть аварийных отключений ввода (
) или развития отказов со стороны присоединений (
):
(6.3.55)
(6.3.56)
Средний параметр потока отказов
и среднее время восстановления напряжения
для II ввода из-за аварийных отключений секций шин, то есть аварийных отключений ввода (
) или развития отказов со стороны присоединений (
):
(6.3.57)
(6.3.58)
4. Показатели полных отключений вводов (
).
Определение показателей
(р – отключение для профилакти-ческого ремонта или обслуживания) производится исходя из предположения, что возможности совмещения ремонтов элементов ввода реализованы не полностью. Числовые характеристики плановых ремонтов элементов 1, 2, 3 (5, 6, 7) образуют одну ремонтируемую группу с показателями:
Элемент 1, 3 (5, 7) – разъединитель 110 кВ в ремонтируемую группу не включен, так как его профилактическое обслуживание проводится одновременно с ремонтом воздушного выключателя 110 кВ.
Средний параметр потока отказов
и среднее время восстановления напряжения
для I ввода из-за аварийных отключений ввода (
) или отключений для профилактического ремонта и обслуживания (
):
(6.3.59)
(6.3.60)
Средний параметр потока отказов
и среднее время восстановления напряжения
для II ввода из-за аварийных отключений ввода (
) или отключений для профилактического ремонта и обслуживания (
):
(6.3.61)
(6.3.62)
5. Показатели полных отключений секций шин (
).
Средний параметр потока отказов
и среднее время восстановления напряжения
для I ввода из-за аварийных отключений ввода, отключений для профилактического ремонта и обслуживания (
) или развития отказов со стороны присоединений (
):
(6.3.63)
(6.3.64)
Средний параметр потока отказов
и среднее время восстановления напряжения
для II ввода из-за аварийных отключений ввода, отключений для профилактического ремонта и обслуживания (
) или развития отказов со стороны присоединений (
):
(6.3.65)
(6.3.66)
Затем переходят к расчету ЛРС III и IV.
Поскольку параметры элементов, составляющих ЛРС III и IV одинаковы и число потока отказов
а время восстановления
расчет будет представлен на примере ЛРС III, для ЛРС IV он идентичен.
6. Показатели аварийных отключений из-за отказов шин ТП или из-за развития отказов со стороны присоединений (
).
На данном этапе проектирования количество отходящих линий неизвестно, поэтому для упрощения расчетов принимают число присоединений mIII = 1 для обоих секций шин – 3 и 4 (секции шин пронумерованы в соответствии с номерами источников питания (ИП) для данных секций). Показатели надежности для элементов 13 и 14 ЛРС III и для секций шин 6-10 кВ (таблица 8), равны:
,
.
Средний параметр потока отказов
и среднее время восстановления напряжения
для 3 секции шин из-за развития отказов со стороны присоединений:
(6.3.67)
(6.3.68)
Средний параметр потока отказов
и среднее время восстановления напряжения
для 4 секции шин из-за развития отказов со стороны присоединений:
(6.3.69)
(6.3.70)
7. Показатели надежности отдельных секций шин ТП при сохранении электроснабжения на других – индивидуальные показатели (
).
Средний параметр потока отказов
и среднее время восстановления напряжения
для 3 секции шин из-за отказов ИП (
) с учетом вероятности отказа АВР
или развития отказов со стороны присоединений (
):
(6.3.71)
(6.3.72)
Средний параметр потока отказов
и среднее время восстановления напряжения
для 4 секции шин из-за отказов ИП (
) с учетом вероятности отказа АВР
или развития отказов со стороны присоединений (
):
(6.3.73)
(6.3.74)
8. Показатели аварийных отключений секций шин (
).
Средний параметр потока отказов
и среднее время восстановления напряжения
для 3 секции шин из-за отказов ИП (
) или развития отказов со стороны присоединений (
):
(6.3.75)
(6.3.76)
Средний параметр потока отказов
и среднее время восстановления напряжения
для 4 секции шин из-за отказов ИП (
) или развития отказов со стороны присоединений (
):
(6.3.77)
(6.3.78)
9. Показатели полных отключений ввода (
).
Показатели
для данной ЛРС не определяются, так как на вводе схемы элементов нет, а вышерасположенные элементы относятся к I и II ЛРС, при расчете которых ремонтные показатели уже были учтены. Отсюда, показатели надежности полных отключений ввода ЛРС III (
) равны показателям надежности из-за аварийных отключений ввода, которыми в данном случае являются показатели ИП 3 и ИП 4 (
):
10. Показатели полных отключений секций шин (
).
Так как показатели надежности полных отключений ввода ЛРС III (
) равны показателям надежности ИП 3 и ИП 4 (
) соответственно, то показатели полных отключений секций шин
равны показателям аварийных отключений секций шин
соответственно:
11. Показатели полного отключения ТП (
).
Показатели одновременного отказа ИП 3 и 4 секции шин:
(6.3.79)
(6.3.80)
Полное отключение ТП происходит при:
-
аварийном отключении 4 секции шин (аварийное отключение ввода или аварийное отключение из-за отказов шин ТП или из-за развития отказов со стороны присоединений) во время ремонта или аварии на 3 секции шин и наоборот;
-
аварийном отключении из-за отказов шин ТП или из-за развития отказов со стороны присоединений во время аварии или ремонтных работ на вводе 3 секции шин с учетом отказа АВР (то же для 4 секции шин);
-
аварийном отключении 3 или 4 секции шин (аварийном отключении ввода или аварийном отключении из-за отказов шин ТП или из-за развития отказов со стороны присоединений)с учетом ложного срабатывания АВР;
-
отказе обоих источников питания.
Учитывая все вышеперечисленное, показатели надежности полного отключения ТП (
) равны:
(6.3.81)
(6.3.82)
12. Показатели, характеризующие отказы одной, но любой, секции ТП при сохранении напряжения на другой (
):
(6.3.83)
(6.3.84)
13. Отказы каждой из секций независимо от работоспособности другой (
):
(6.3.85)
(6.3.86)
(6.3.87)
(6.3.88)
14. Отказы любого вида (
):
(6.3.89)
(6.3.90)
15. Вероятность безотказной работы и коэффициент простоя, характеризующие все вышерассмотренные случаи нарушения электроснабжения определяются по формулам. Так при отключении секции 3 при сохранении питания 4 секции:
(6.3.91)
(6.3.92)
Результаты расчета представлены в таблице 9.
Таблица 9 - Показатели надежности для схемы с выключателями (рис. 5б)
| Разновидности нарушения электроснабжения | Числовой показатель надежности | |||
| | | | | |
| Отключение секции 3(5) при сохранении питания 4(6) секции | 0,192 | 0,464 | 0,825 | 0,0110-3 |
| Отключение секции 4(6) при сохранении питания 3(5) секции | 0,192 | 0,464 | 0,825 | 0,0110-3 |
| Отключение одной из секций [3 или 4 (5 или 6)] при сохранении питания другой | 0,384 | 0,464 | 0,681 | 0,0210-3 |
| Отключение секции 3(5) независимо от сохранения питания 4(6) секции | 0,202 | 0,797 | 0,817 | 0,01810-3 |
| Отключение секции 4(6) независимо от сохранения питания 3(5) секции | 0,202 | 0,797 | 0,817 | 0,01810-3 |
| Отключение секций 3 и 4 (5 и 6) одновременно | 0,0095 | 7,499 | 0,991 | 0,00810-3 |
| Любое нарушение ЭС | 0,394 | 0,631 | 0,674 | 0,02810-3 |
Таким образом, видно, что вероятность безотказной работы
для схемы с выключателями (рис. 5,б) больше, а коэффициент простоя
меньше, чем для схемы с разъединителями на высокой стороне подстанции (рис. 5,а) для всех вышерассмотренных случаев нарушения электроснабжения.
Итак, рассчитав параметры надежности рассматриваемых схем, можно определить среднегодовой ожидаемый ущерб от перерывов электроснабжения, входящий в формулу годовых приведенных затрат.
6.4 Среднегодовой ожидаемый ущерб
Как уже отмечалось, среднегодовой ожидаемый ущерб УСГ (руб./год) от нарушения электроснабжения технологических установок определяется с использованием полученных в результате расчета надежности СЭС средних значений параметра потока отказов и времени восстановления электроснабжения для полных и частичных отказов.
Для схемы (рис. 5,а) берут следующие значения среднего параметра потока отказов и времени восстановления электроснабжения для полных и частичных отказов рассматриваемой подстанции соответственно:
из табл. 7. Для данных значений
и
по графику зависимости полного ущерба от среднего времени восстановления электроснабжения (рис. 7), находят
Следовательно, среднегодовой ожидаемый ущерб для схемы (рис. 5,а) по формуле, равен:
Аналогично, для схемы (рис. 5,б):
Из табл. 9. По графику зависимости полного ущерба от среднего времени восстановления электроснабжения (рис. 7):
Следовательно, среднегодовой ожидаемый ущерб для схемы (рис. 5,б) по формуле, равен:
Таким образом, среднегодовой ожидаемый ущерб УСГ от нарушения электроснабжения технологических установок для схемы (рис. 5,б) меньше, чем для схемы (рис. 5,а).
Рис. 7. Зависимость полного ущерба от среднего времени восстановления электроснабжения
6.5 Технико-экономический расчет
Используют ту же методику, что и при определении рационального напряжения питания. Находят приведенные затраты для каждого варианта схем распределительных устройств высшего напряжения (рис 5, а,б).
При определении приведенных затрат на сооружение распределительных устройств высшего напряжения для каждого варианта схем суммирование производится по элементам схем (линиям, трансформаторам и т. д.). Вариант считается оптимальным, если приведенные затраты минимальны. Если какая-либо составляющая этих затрат входит во все сравниваемые варианты (величина постоянная), она может не учитываться, так как на выбор варианта не влияет. В данном случае, не учитывают следующие составляющие: высоковольтные выключатели и разъединители подстанции системы; ВЛЭП, по которой осуществляется питание завода; силовые трансформаторы подстанции. Следовательно, капитальные затраты для схемы (рис 5,а) будет составлять стоимость разъединителей QS5, QS6, а для схемы (рис. 5,б) - стоимость разъединителей QS1 – QS4 и стоимость высоковольтных выключателей Q1 и Q2.
Нормативный коэффициент эффективности капиталовложений для новой техники принимают равным ЕН = 0,15 о.е./год.
Cуммарные издержки на амортизацию и обслуживание силового электротехнического оборудования и распределительных устройств 35-150 кВ
[8].
Современная стоимость высоковольтного оборудования была уже определена при выборе рационального напряжения питания. Она составила для высоковольтного воздушного выключателя ВВУ-110Б-40/2000У1
, а для высоковольтного разъединителя
РНД(З)-110(Б)(У)/1000У1(ХЛ)
Стоимость потерь энергии сЭ в данном случае не учитывают, так как она одинакова для обоих вариантов.
Отсюда, учитывая найденные ранее значения среднегодового ожидаемого ущерба, рассчитывают приведенные затраты для каждого варианта схем распределительных устройств высшего напряжения по формуле:
Таким образом, с точки зрения ТЭР схема с выключателями на высокой стороне подстанции (рис.5,б) является более выгодной, чем схема с разъединителями на высокой стороне подстанции (рис.5,а), так как приведенные затраты для схемы (рис. 5,б) на
меньше, чем для схемы (рис. 5,а).
Заключение
В результате проведения технико-экономического сравнения вариантов схем с учетом надежности электроснабжения потребителей выбирается схема с выключателями на высокой стороне (рис.5,б).
6.6 Выбор схемы распределительного устройства низшего напряжения с учетом надежности
Учитывая выбор силового трансформатора с расщепленной вторичной обмоткой мощностью 40 МВА с вторичным напряжением 6-10 кВ, выбирают схему РУ НН, изображенную на рис.8. Преимущество схемы состоит в том, что она позволяет значительно уменьшить отрицательное влияние нагрузок одной ветви на качество напряжения питания нагрузок другой ветви.
Рисунок 8 – Схема РУ НН
Компенсация реактивной мощности
При реальном проектировании энергосистема задаёт экономически выгодную величину перетока реактивной мощности (Qэкон), в часы максимальных активных нагрузок системы, передаваемой в сеть потребителю.
В дипломном проектировании Qэкон рассчитывается по формуле, где tg
ном находится из выражения:
где б -базовый коэффициент реактивной мощности принимаемый для сетей 6-10 кВ присоединенных к шинам подстанций с высшим напряжения 110 кВ, б= =0,5;
k-коэффициент учитывающий отличие стоимости электроэнергии в различных энергосистемах, для Омской энергосистемы: к = 0,8;
dм-это отношение потребления активной мощности потребителем в квартале max нагрузок энергосистемы к потреблению в квартале max нагрузок потребителя, для Омской энергосистемы: dм = 0,7;
Qэкон. = Рр· tgэ = 36279,91·0,625=22675,94кВар,
Мощность компенсирующих устройств, которые необходимо установить на предприятии, рассчитываем по выражению:
34092,74- 22675,94 = 11417,8 кВар; (18)
При наличии компенсирующих устройств полная мощность предприятия будет равна:
42783, кВА . (19)
7. Выбор системы питания
Системы электроснабжения промышленного предприятия условно разделена на две подсистемы – систему питания и систему распределения энергии внутри предприятия.
В систему питания входят питающие линии электропередачи (ЛЭП) и пункт приема электроэнергии (ППЭ), состоящий из устройства высшего напряжения (УВН), силовых трансформаторов и распределительного устройства низшего напряжения (РУНН).
ППЭ называется электроустановка, служащая для приема электроэнергии от источника питания (ИП) и распределяющая её между электроприемниками предприятия непосредственно или с помощью других электроустановок.
Предприятие потребляет значительную мощность, а ИП удален, то прием электроэнергии производится либо на узловых распределительных подстанциях (УРП), либо на главных понизительных подстанциях (ГПП), либо на подстанциях глубокого ввода (ПГВ).
Так как у ПГВ первичное напряжение 35-220 кВ и выполняется по упрощенным схемам коммуникации на первичном напряжении, то в качестве ППЭ выбираем унифицированную комплектную подстанцию блочного исполнения типа КТПБ – 110/6 – 104.
7.1 Выбор устройства высшего напряжения ППЭ
Схемы электрических соединений подстанций и распределительных устройств должны выбираться из общей схемы электроснабжения предприятия и удовлетворять следующим требованиям:
-
Обеспечивать надежность электроснабжения потребителей;
-
Учитывать перспективу развития;
-
Допускать возможность поэтапного расширения;
-
Учитывать широкое применение элементов автоматизации и требования противоаварийной автоматики;
-
Обеспечивать возможность проведения ремонтных и эксплуатационных работ на отдельных элементах схемы без отключения соседних присоединений.
На всех ступенях системы электроснабжения следует широко применять простейшие схемы электрических соединений с минимальным количеством аппаратуры на стороне высшего напряжения, так называемые блочные схемы подстанций без сборных шин.
При выполнении блочных схем подстанции напряжением 35 – 220 кВ следует применить:
-
Схемы "отделитель-короткозамыкатель" при питании предприятия по магистральной линии и "разъединитель-короткозамыкатель" при питании по радиальной линии. В данной схеме отключающий импульс от релейной защиты подается на короткозамыкатель, который создает искусственное короткое замыкание, что приводит к отключению головного выключателя линии. При питании по магистральной линии отделитель во время бестоковой паузы срабатывает, отделяя УВН от линии, и через выдержку времени устройство АПВ на головном выключателе подает на него включающий импульс и линия вновь включается, обеспечивая электроснабжение оставшихся потребителей. При радиальной схеме устройство АПВ на головном выключателе не устанавливается, следовательно, отдельной схемы, при малых расстояниях от подстанции до короткозамыкателя (до 5 км), не рекомендуется из-за возникновения километрического эффекта.
-
Схемы глухого присоединения линии к трансформатору через разъединитель является более дешевой по сравнению с предыдущей, при малых расстояниях. Отключающий импульс в данной схеме подается по контрольному кабелю на головной выключатель.
-
Схемы с выключением на стороне высокого напряжения.
Выбор вида УВН осуществляется на основании технико-экономического расчета (ТЭР).
Наиболее экономичный вариант электроустановки требует наименьшего значения полных при приведенных затрат, которые определяются по выражению:
где ЕН = 0,12 нормативный коэффициент эффективности капиталовложений, руб.
К – капиталовложения в электроустановку, руб.
И – годовые издержки производства, руб/год.
На основании вышеизложенного наметим два варианта и по результатам ТЭР выберем вариант с наименьшими затратами.
Вариант 1 Схема "разъединитель-короткозамыкатель" рис.6.
Вариант 2 Схема "Выключатель" рис. 7.
Вариант 1.
Капиталовложения
Разъединитель РНД3-1б-110/1000
Краз = 4,6 тыс. руб. согласно [7]
Короткозамыкатель КЗ-110У-У1(Т1)
ККЗ = 10,6 тыс. руб. согласно [7].
Стоимость монтажа и материалов 1 км контрольного кабеля в траншее с алюминиевыми жилами сечением 10х2,5 мм2, ККК = 11,3 тыс. руб.
Суммарные капиталовложения:
тыс. руб.
Вариант 2.
Капиталовложения ВВЭ-110Б-16/1000 УХЛ1
КВ = 90 тыс. руб. согласно [7]
Разъединитель РНД3-1б-110/1000
Краз = 4,6 тыс. руб. согласно [7]
Суммарные капиталовложения:
тыс. руб.
2. Издержки на амортизацию и обслуживание.
где Ра – амортизационное отчисление, руб. Р0 – затраты на электроэнергию, руб. РР – расходы на эксплуатацию, руб.
Вариант 1
тыс. руб.
Вариант 2
тыс. руб.
3. Полные приведенные затраты
Вариант 1.
тыс. руб.
Вариант 2
тыс. руб.
Окончательно выбираем наиболее экономичную схему УВН ППЭ, т.е. схему "Выключатель" вариант 2.
7.2 Выбор трансформаторов ППЭ
Выбор трансформаторов ППЭ производится по ГОСТ 14209-85, т.е. по расчетному максимуму нагрузки SР, по заводу намечаются два стандартных трансформатора, намечаемые трансформаторы проверяются на эксплуатационную перегрузку.
По суточному графику определяем среднеквадратичную мощность
кВА
Намечаемая мощность трансформатора
В соответствии с тем, что SСК = 37948,94 кВА предварительно намечаем трансформатор марки ТРДН – 40000 кВА.
Так как SСР.КВ = 37948,94 кВА < 2SН.Т = 80000 кВА, то проверки на эксплуатационную перегрузку не требуется.
По полной мощности подстанции приблизительно выбираем трансформатор ТРДН-40000/110.
Определяется коэффициент первоначальной загрузки.
Проверяется трансформатор на аварийную перегрузку, т.е. когда один трансформатор на ППЭ выведен из строя.
Определяем коэффициент загрузки в ПАР
Сравним значение
и КМ. Так как
, то принимается
По табл. 2 [4] находим К2 доп
Для n = 12 и К = 0,943; К2 доп = 1,5
К2 =0,8 < К2 доп = 1,5, следовательно трансформаторы ТДН-25000/110 удовлетворяют условиям выбора.
Для ТДН-40000/110:
РР = 170 кВт; РХХ = 34 кВт; IХХ% = 0,55%; UКЗ% = 10,5%
7.3 Выбор ВЛЭП
Питание завода осуществляется по двухцепной воздушной линии так как завод состоит из потребителей электроэнергии 2 и 3 категории. При этом выбирается марка проводов и площадь их сечения. При выборе необходимо учесть потери в трансформаторах.
Для трансформатора ТРДН-40000/110
РР = 170 кВт; РХХ = 34 кВт; IХХ% = 0,55%; UКЗ% = 10,5%
Потери в трансформаторе:
;
кВт;
кВар.
Расчетная полная мощность с учетом потерь в трансформаторах
кВА.
Принимаются к установке провода марки АС.
Расчетный ток в ПАР
А
Расчетный ток в нормальном режиме.
А
Предварительно принимаем провод сечением FР = 120 мм2 с Iдоп = 390 А табл.1.3.29 [5].
Проверяется выбранное сечение провода по экономической плотности тока:
где IР – расчетный ток в нормальном режиме.
jЭК – экономическая плотность тока. jЭК = 1 А/мм2 по табл. 1.3.36 [5] для Тmax > 5000 ч.
мм2
Выбираем FР = 120 мм2 с Iдоп = 390 А по табл. 1.3.29 [5].
По условиям короны минимальное сечение провода на напряжение 110 кВ составляет 120 мм2, данное условие выполняется.
1>1>
(6.1.11)
, по формуле (1.1.7) определяют, что современная стоимость данной ВЛЭП 35 кВ длинной l = 3 км будет составлять:















