150756 (594584), страница 2
Текст из файла (страница 2)
Активное сопротивление линии находится по формуле[3]:
RЛ= R0*lл (2.2.1)
Реактивное сопротивление линии находится по формуле[3]:
ХЛ=Х0*lл (2.2.2)
Зарядная мощность находится по формуле[3]:
QЛ=Uл2*b0*lл/2 (2.2.3)
где
U – напряжение линии, кВ
l – длина линии, км
Используя формулы (2.2.1) - (2.2.3) найдем параметры схемы замещения для линий.
2.2.1.2 Параметры линии Л-1:
RЛ1= R0*l1=0,098*100=9,8 Ом
ХЛ1=0,429*100=42,9 Ом
QЛ1= 2202*2,64*10-6*100/2=6,388 МВАр.
2.2.1.3 Параметры линии Л-2:
RЛ2= R0*l2=0,12*40=4,8 Ом.
ХЛ2=Х0*l2=0,405*40=16,2 Ом.
QЛ2=U2*b0*l2/2=1102*2,81*10-6*40/2=0,68 МВАр.
2.2.1.4 Параметры линии Л-3:
RЛ3= R0*l3=0,198*20=3,96 Ом.
ХЛ3=Х0*l3=0,42*20=8,4 Ом.
QЛ3=U2*b0*l3/2=1102*2,7*10-6*20/2=0,3267 МВАр.
2.2.2 Расчёт параметров трансформаторов включает в себя расчет активного и реактивного сопротивления, а так же потери холостого хода
Исходными данными для расчета являются каталожные параметры трансформаторов.
Активное сопротивление обусловлено потерями активной мощности во всех обмотках трансформатора и находится из опыта К.З. по формуле[3]:
RТ=
(2.2.4)
Реактивное сопротивление трансформатора находится по формуле[3]:
ХТ=
(2.2.5)
Потери реактивной мощности из опыта Х.Х. находятся по формуле[3]:
∆QXТ=
(2.2.5)
Потери мощности находятся по формуле[1]:
∆SХТ=∆РХ+j∆QX (2.2.5)
Напряжения КЗ для лучей схемы замещения соответствующих сторон трехобмоточного трансформатора находятся по формулам[3]:
UКВ=0,5(UКВ-С+UКВ-Н-UКС-Н) (2.2.6)
UКС=0,5(UКВ-С-UКВ-Н+UКС-Н) (2.2.7)
UКН=0,5(-UКВ-С+UКВ-Н+UКС-Н) (2.2.8)
Используя формулы (2.2.4) - (2.2.8) найдем параметры схемы замещения для трансформаторов
2.2.2.1 Параметры трансформатора Т-1
Активное сопротивление обусловлено потерями активной мощности во всех обмотках трансформатора и находится из опыта К.З. по формуле[1]:
Rобщ1=
=
=1,36 Ом.
В каталоге приведено одно значение мощности К.З. которое соответствует замыканию обмоток высшего и среднего напряжения, тогда сопротивление в каждой из обмоток трансформатора можно найти по формуле[1]:
RТ1В=RТ1С=RТ1Н=0,5* Rобщ1=0,5*1,36=0,68 Ом.
Где RТВ - активное сопротивление обмотки высшего напряжения трансформатора, RТС - активное сопротивление обмотки среднего напряжения трансформатора, RТН - активное сопротивление обмотки низшего напряжения трансформатора.
В каталоге также заданы напряжения соответствующие опыту К.З., используя которые можно найти напряжения К.З. в каждой обмотке по формулам[1]:
UКВ1=0,5(UКВ-С+UКВ-Н-UКС-Н)=0,5(7,3+70-60)=17,3 %,
UКС1=0,5(UКВ-С-UКВ-Н+UКС-Н)=0,
UКН1=0,5(-UКВ-С+UКВ-Н+UКС-Н)=0,5(-7,3+70+60)=122,3 %.
По найденным напряжения К.З. в каждой обмотке можно найти реактивное сопротивление в каждой обмотке трансформатора[1]:
ХТ1В=
=
=78,5 Ом.
ХТ1С=0.
ХТ1Н=
=
=60,5 Ом.
Рассчитываем также потери реактивной мощности из опыта Х.Х. по формуле[1]:
∆QXТ1=
=1,2 МВАр.
Потери мощности Х.Х. первого трансформатора можно записать [1]:
∆SХТ1=∆РХТ1+j∆QXТ1=0,13+j1,2 МВА.
По аналогичному методу рассчитываем параметры остальных трансформаторов :
2.2.2.2 Параметры трансформатора Т-2
Rобщ2=
=
=2,36 Ом.
Хобщ2=
=
=39,7 Ом.
∆QXТ2=
=0,864 МВАр.
∆SХТ2=∆РХТ2+j∆QXТ2=0,086+j0,864 МВА.
2.2.2.3 Параметры трансформатора Т-3:
Rобщ3=
=
=0,94 Ом.
UКВ3=0,5(UКВ-С+UКВ-Н-UКС-Н)=0,5(11+45-28=14 %,
UКС3=0,5(UКВ-С-UКВ-Н+UКС-Н)=0,
UКН3=0,5(-UКВ-С+UКВ-Н+UКС-Н)=0,5(-11+45+28)=31 %.
ХТ3В=
=
=54,21 Ом.
ХТ3С=0.
ХТ3Н=
=
=120 Ом.
∆QXТ3=
=0,625 МВАр.
∆SХТ3=∆РХТ3+j∆QXТ3=0,065+j0,625 МВА.
2.3 Составление расчетной схемы замещения сети
2.3.1 Упрощение схемы замещения:
Для облегчения понимания схемы замещения целесообразно ввести индексацию контрольных узлов и точек цепи:
По схеме №1
Принимаем т.1 – средняя точка Т-1.
Принимаем т.2 –Т-1 со стороны средней обмотки с одной стороны и линия Л-1 с другой.
Принимаем т.3 – линия Л-1 с одной стороны и к Т-3 со стороны высшей обмотки с другой.
Принимаем т.4 – средняя точка Т-3.
Принимаем т.5 – Т-3 со стороны низшей обмотки и нагрузка S3.
Принимаем т.6 –Т-1 со стороны низшей обмотки с одной стороны и линия Л-2 с другой.
Принимаем т.7 –Т-3 со стороны средней обмотки с одной стороны и линия Л-3 с другой и нагрузка S2.
Принимаем т.8 – шина подключена к линиям 2 и 3 с одной стороны и к трансформатору Т-2 с другой.
Принимаем т.9 – шина подключена к Т-2 с одной стороны и к нагрузке S1 с другой.
Рисунок 2.1 – Схема замещения сети
2.4 Расчет мощностей в точках схемы в нормальном режиме работы сети
При расчете мощностей идем по направлению от известных мощностей потребителя к искомой мощности на входе цепи расчетной согласно схеме замещения (используя формулы [1], [2]).
2.4.1.Рассчитываем мощность в начале участка 4-5:
S45=S3+∆ST3=S3+
=
=15+j10+
=15,003+j10,804 МВА.
2.4.2.Рассчитываем мощность перед трансформатором Т-2:
S89= S1+∆SХТ2+
=60+j30+0,086+j0,864+
=
=60,3+j34,55 МВА.
2.5 Расчет нормального режима замкнутой сети (S=Smax)
(используя формулы [1], [2]).:
Расчет режима замкнутой сети выполняется так же, как сети с двусторонним питанием при одинаковых напряжениях источников питания 1. Расчетная схема кольцевой сети, условно разрезанной по шинам источника питания, имеет вид, представленный на рисунке
Рисунок 2.2 - Расчетная схема кольцевой сети
Выбираются направления мощностей, в качестве приближения принимаются напряжения во всех узлах равными номинальному и определяется потокораспределение на отдельных участках сети без учета потерь в ней.
2.5.1 Найдем сопротивления
Z1=Z1С+Z3В+ZЛ1=0,68+9,8+j42,9+0,47+j54,21=11+j97 Ом.
Z2=Z1Н+ ZЛ2=0,68+j60,5+4,8+j16,2=5,48+j76,7 Ом.
Z3=ZЛ3=3,96+j8,4 Ом.
Z4=Z3С=0,47 Ом.
Рассчитываем мощности на участках сети с двухсторонним питанием, для этого определяем мощность на головных участках:
2.5.2
S18=
=
=63,679+j37,626 МВА.
2.5.3
S14=
=
=51,62+j27.72 МВА.
2.5.4 Проверка:
S14+S18=S89+S2+S45
63,679+j37,626 +51,62+j27.72 =60,3+j34,5+15+j10+40+j20
115,3+j65.34≈115,3+j64,5
Погрешность вычислений составляет δР=0%, δQ=1.2% что намного меньше необходимой точности вычисления 2% .
2.5.5
S87=S18-S89=63,679+j37,626-60,3+j34,5=3,379+j3,124 МВА.
2.5.6
S47=S14-S45=51,62+j27,675 -15+j10,8=36,62+16,9 МВА.
Используя схему, полученные численные значения и направления мощностей можно найти точку потокораздела.
Точка потокораздела находится в т.7, производим размыкание сети в этой точке и производим расчет каждой из разомкнутых сетей отдельно.
Схема замещения полученной цепи(с учетом точки разрыва) показана на рисунке:
Рисунок 2.3 – Схема цепи с учетом точки разрыва
2.6 Расчет мощностей нормального режима работы разомкнутой сети
(используя формулы [1], [2]).
Индексы К и Н – соответственно конец и начало участка сети.
2.6.1. Рассчитываем мощность S74К :
S74К= S45=15,003+j10,804 МВА.
2.6.2.Рассчитываем мощность S74Н:
S74Н= S74К+
=15,003+j10,804 +
=
=15,006+j10,804 МВА.
2.6.3.Рассчитываем мощность S74К :
S87К = S74Н+S2= S61’+S67=15,006+j10,804+40+ j20=55,006+j30,804 МВА.
2.6.4.Рассчитываем мощность S87Н :
S87Н = S87К +
- jQЛ3=
=55,006+j30,804 +
- j 0,3267=
=55,33+ j31,16 МВА.
2.6.5.Рассчитываем мощность S68К :
S68К = S87Н+ S89=55,33+ j31,16+60,3+j34,55=115,63+ j65,71 МВА.
2.6.6.Рассчитываем мощность S68Н :
S68Н = S68К+
- jQЛ2=
=115,63+ j65,71+
- j0,68=117,38+ j70,94 МВА.
2.6.7.Рассчитываем мощность S68Н :
S16= S68Н+
=117,38+ j70,94+
=
=117,64+j94,41 МВА.
2.6.8.Рассчитываем мощность SА :
SА = S16+
+∆SХТ1=117,64+j94,41+
+
+0,13+j1,2=118,08+j132,4 МВА.
2.7 Расчет напряжений нормального режима работы сети
(используя формулы [1], [2]).
2.7.1.Находим напряжение в точке 8:
U8’=U1-
=
= 363 -
= 352,84-j25,1кВ.
Модуль напряжения:
|U8’|=354 кВ.
Находим коэффициент трансформации, это отношение напряжения на обмотке высшего напряжения к напряжению на обмотке среднего напряжения:
nВН=
=
=3.
Используя коэффициент трансформации приводим полученное напряжение к напряжению на обмотке низшего напряжения:
U8= U8’/ nВН=354/3=118 кВ.
2.7.2.Находим напряжение в точке 7’:
U7’=U8-
=
=118-
=117,69-j0,147 кВ.
Модуль напряжения:
|U7’|=117,7 кВ.
2.7.3.Находим напряжение в точке 4:
U4’= U1-
=
= 363 -
= 357,1+j13,13 кВ.
Модуль напряжения:
|U4’|=357,3 кВ.
Находим коэффициент трансформации, это отношение напряжения на обмотке высшего напряжения к напряжению на обмотке среднего напряжения:
nВН=
=
=1,5.
Используя коэффициент трансформации приводим полученное напряжение к напряжению на обмотке низшего напряжения:
U4= U4’/ nВН=357,3/1,5=238 кВ.
2.7.4.Находим напряжение в точке 7’’:
(U7’’)’= U4 -
=
= 238 -
= 237,9+j0,033 кВ.
Модуль напряжения:
|(U7’’)’| = 237,9 кВ.
Находим коэффициент трансформации, это отношение напряжения на обмотке высшего напряжения к напряжению на обмотке среднего напряжения:
nВН =
=
= 2.
Используя коэффициент трансформации приводим полученное напряжение к напряжению на обмотке низшего напряжения:
U7’’= (U7’’)’/ nВН=237,9/2=119кВ.
Напряжение в точке потокораздела, найденные в результате расчета обеих разомкнутых схем практически одинаковы: Погрешность: (|U7’’|-|U7’|)*100/|U7’|=1,1%
Что соблюдает необходимую точность расчета 1,1<<10
Принимаем |U7|=118 кВ.
2.7.5.Находим напряжение в точке A:
UA=U1+
=
= 363 +
= 371,7+j26,2 кВ.
Модуль напряжения:
|UA|=372,6 кВ.
2.7.6.Находим напряжение в точке 5:
U5’ = U4-
=
= 238 -
= 232,5+j7,5кВ.
Модуль напряжения:
|U5’| = 232,6 кВ.
Находим коэффициент трансформации, это отношение напряжения на обмотке высшего напряжения к напряжению на обмотке низшего напряжения:
nВН =
=
= 6,29.
Используя коэффициент трансформации приводим полученное напряжение к напряжению на обмотке низшего напряжения:
U5 = U5’/ nВН = 232,6/6,29 = 37 кВ.
2.7.7.Находим напряжение в точке 9:
U9’=U8-
=
= 118 -
= 108,2+j19,6 кВ.
Модуль напряжения:
|U9’|=109,9кВ.
Находим коэффициент трансформации, это отношение напряжения на обмотке высшего напряжения к напряжению на обмотке низшего напряжения:
nВН =
=
= 3,14.
Используя коэффициент трансформации приводим полученное напряжение к напряжению на обмотке низшего напряжения:
U9 = U9’/ nВН =109,9/3,14 =35 кВ.
3 Расчет электрической части подстанции
Расчет электрической части подстанции включает в себя определение суммарной нагрузки подстанции, выбор силовых трансформаторов, выбор принципиальной схемы первичных соединений подстанции, выбор трансформаторов и схемы собственных нужд, выбор измерительных приборов для основных цепей подстанции и измерительных приборов.
Исходными данными являются:
1). Напряжение систем - UВН в кВ, которое соответствует стороне высокого напряжения (ВН) подстанции.
2). Мощность системы SНОМ в МВА.
3). Реактивное сопротивление системы Хс.
4). Число линий связи с системой указано на рис.1 и их длинна LW в км, и их параметры XW в Ом.
5). Мощность нагрузки, МВА (Указано в таблице №1).
Исходные данные согласно варианта
Тип трансформатора ТМТН 10000/110
Мощность трансформатора S=10 МВА
Напряжение U=110 кВ
Сопротивление трансформатора Х=139 Ом
Длинна линии LW1=15 км
Длинна линии LW2=15 км
Сопротивление линии XW1=3,1 Ом
Сопротивление линии XW2=3,0 Ом
Мощность системы SC=3100 КВА
Сопротивление системы XC=3,9 Ом
Таблица 3.1- Нагрузка потребителей в течении суток
| Часы | 0 | 2 | 4 | 6 | 8 | 10 | 12 | 14 | 16 | 18 | 20 | 22 |
| %SНОМ | 40 | 60 | 55 | 80 | 90 | 75 | 75 | 100 | 100 | 120 | 140 | 110 |
| S,МВА | 4 | 6 | 5,5 | 8 | 9 | 7,5 | 7,5 | 10 | 10 | 12 | 14 | 11 |
3.1 Выбор мощности силовых трансформаторов
Для подстанций были выбраны трансформаторы мощности S МВА типа ТМН. Болем точно выбраны трансформаторы, учитывая график нагрузки.
Рисунок 3.1- График нагрузки подстанции.
Для проверки правильности выбора трансформатора реальный график нагрузки преобразуем в двухступенчатый. Начальная нагрузка эквивалентного графика определяется по формуле
=
=0,69
- собственно нагрузка первой, второй, n-ой ступени графика нагрузки, расположенной ниже линии номинальной мощности трансформатора.
- длительность ступени, час.
Аналогично определяется вторая ступень эквивалентного графика, но при этом берутся ступени, расположенные выше линии номинальной мощности трансформатора.
=
=1,15
где
- нагрузка выше линии номинальной мощности трансформатора.
Максимальный перегруз трансформатора составляет
=
=1,4
где
- максимальная нагрузка трансформатора по графику нагрузки.
Предварительное значение
необходимо сравнить со значением
,
и если значение
больше значения
окончательно принимаем
.
Так как
=1,15<0.9*1,4=1.26 тогда принимаем
=1.26
По ГОСТу 14209-85 с учетом эквивалентной температуры зимнего периода (
) и времени перегрузки
, находим значение перегрузки допустимое =
. Для трансформаторов с системой охлаждения Д. Сравниваем значением
по ГОСТу и реальное. Если значение
по ГОСТу меньше, чем реальное. Значит трансформатор выбран неправильно и необходимо выбрать трансформатор более мощный. Для надежности принимаем два трансформатора типа ТРДН. В случае выхода из строя одного трансформатора, второй обеспечит питание потребителя без ограничения.
Так как по ГОСТу 14209-85
=1,5>1,26 – трансформатор выбран правильно.
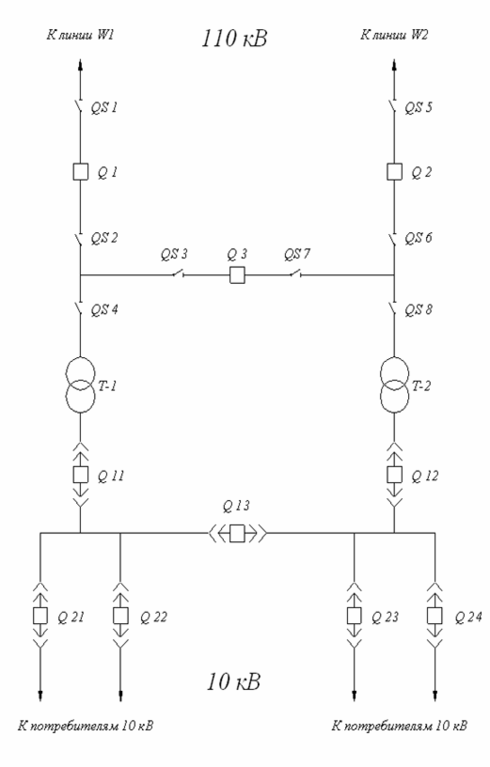
3.2 Выбор схемы электрических соединений подстанций
Главная схема электрических соединений должна удовлетворять следующим требованиям:
- обеспечивать надежность электроснабжения в нормальных и послеаварийных режимах;
- учитывать перспективы развития;
- допускать возможность расширения;
- обеспечивать возможность выполнения ремонтных и эксплутационных работ на отдельных элементах схемы и без отключения присоединений.
При этом следует применять простейшие схемы. Для тупиковой схемы рекомендуется применять схему «два блока с выключателем в цепях трансформатора и неавтоматической перемычкой».
Так как рассматриваемое РУ имеет малое число присоединений – то целесообразно применить упрощенную схему без сборных шин с короткими перемычками между присоединениями.
Упрощенная принципиальная схема электрических присоединений приведена на рис.3.2.
Краткое описание работы схемы в нормальном и аварийных режимах:
В схеме предусмотрены выключатели на линиях, третий выключатель предусмотрен на перемычке (секционный). Отключение трансформаторов, в случае их повреждения, производится двумя выключателями 110 кВ (Q1и Q3 или Q2 и Q3) и соответствующего выключателя 10 кВ (Q11 или Q12).
Вместе с трансформатором будут отключены и две соответствующие линии 10 кВ. Их работу можно возобновить с помощью АВР выключателем Q13.
Рисунок 3.2 – Упрощенная схема электрических соединений
3.3 Выбор трансформаторов собственных нужд
Выбрать число и мощность трансформаторов собственных нужд. Выбрать измерительные трансформаторы тока и напряжения.
Приёмниками собственных нужд являются оперативные цепи, электродвигатели системы охлаждения силовых трансформаторов, освещения и электроотопления помещений, электроподогрев коммутационной аппаратуры и т.д.
Суммарная расчётная мощность приёмника собственных нужд определяется с учётом коэффициента спроса. Расчёт мощности приёмника собственных нужд приведён в таблице 3.2.
Таблица 3.2 - Расчёт мощности приёмника собственных нужд [7]
| №п/п | Наименование потребителя | Кол-во еди ниц | Мощность единиц, кВт | Коэф. спроса | cos φ | Потребляемая мощность, кВт |
| 1 | Охлаждение трансформаторов | 2 | 3 | 0,82 | 0,82 | 5,72 |
| 2 | Подогрев высоковольтных выключателей наружной установки | 2 | 1,8 | 1 | 1 | 3,6 |
| 3 | Подогрев приводов разъединителей наружной установки | 6 | 0,6 | 1 | 1 | 3,6 |
| 4 | Отопление, освещение, вентиляция закрытого РУ | 1 | 5 | 0,65 | 0,95 | 3,42 |
| 5 | Освещение РУ | 1 | 2 | 0,65 | 0,93 | 1,35 |
| Суммарная нагрузка собственных нужд, кВА | 17,7 | |||||
На подстанции предусматривается установка двух трансформаторов собственный нужд номинальная мощность выбирается из условий:
SТСН>SСН,
где SТСН – мощность трансформатора собственных нужд, кВА;
SСН – мощность потребителей собственных нужд, кВА.
Поскольку SСН=17,7 кВА, то берём мощность трансформатора собственных нужд равной 25 кВА. Ремонтную нагрузку подстанции берём равной 20 кВА. При подключении такой нагрузки на один трансформатор допускается его перегрузка на 20%. Мощность трансформатора для обеспечения питания нагрузки собственных нужд с учётом ремонтных нагрузок:
SТСН=
=
=31,42 кВА.
Стандартная мощность трансформатора 40 кВА. Окончательно для питания потребителей собственных нужд принимаем два трансформатора
ТМ-40/10.
Рисунок 3.3 - Силовой трансформатор ТМ.
1 — болт заземления, 2 — бак, 3 — воздухоочиститель, 4 — расширитель, 5 и 6 — проходные изоляторы вводов 6 и 0,4 кВ, 7 — термосифонный фильтр, 8 — выемная часть, 9 — радиатор
Рисунок 3.4 - Схема питания собственных нужд
3.4 Расчет токов короткого замыкания
Значения токов короткого замыкания необходимы для правильного выбора оборудования на сторона 110 кВ и 10 кВ. Подстанция питается по двум тупиковым линиям. схемы замещения для расчета токов короткого замыкания приведена на рис. 3.5.
Расчет токов короткого замыкания выполним в именованной системе единиц. Мощность короткого замыкания на шинах 110 кВ центра питания составляет
Рисунок 3.5 - Схема замещения для расчета токов короткого замыкания.
Сопротивления системы равно.
Ом.
=
=
= 110 кВ.
Сопротивление работающих линий
1,05 Ом; трансформаторов
75 Ом.
Периодическая составляющая ТКЗ в точке
=
= 22,22 кА
тоже в точке
приведенная к напряжению высшей стороны
=
= 1,375 кА
реальный ТКЗ в точке
=1,375
= 15,13 кА
Ударный ток
В точке
=1,41·1,61·22,22= 50,44 кА
В точке
=1,41·1,61·15,13= 34,35 кА
Допустим, что амплитуда ЭДС и периодическая составляющая ТКЗ неизменны по времени, поэтому через время, равное времени отключения
=22,22 кА для точки
;
=15,13 кА для точки
;
Апериодическая составляющая ТКЗ к моменту расхождения контактов выключателя;
=1,41·22,22·
=3,45 кА
=1,41·15,13·
=1,58 кА
где
- постоянная времени затухания апериодической составляющей для
=0,025 с для
=0,05 с.
Интеграл Джоуля
для
=22,222·(0,06+0,025)= 41,96 к
для
=15,132·(0,1+0,05)=34,33 к
Результаты расчета сведены в табл.3.3
Таблица 3.3 - Результаты расчетов токов КЗ
| Токи короткого замыкания | ТКЗ в нач. момент времени кА | Ударный ТКЗ | ТКЗ в момент расхода контактов выключат. кА | Апериод. составл. ТКЗ, | Интеграл Джоуля |
| Шины 110 кВ( | 22,22 | 50,44 | 22,22 | 3,45 | 41,96 |
| Шины 10 кВ ( | 15,13 | 34,35 | 15,13 | 1,58 | 34,33 |
3.5 Выбор высоковольтных аппаратов РУ электрических сетей
Высоковольтные электрические аппараты выбираются по условию длительного режима роботы и проверяются по условиям коротких замыканий. При этом для аппаратов производятся:
-
выбор по напряжению;
-
выбор по нагреву при длительных токов?
-
проверка на электродинамическую стойкость;
-
проверка на термическую стойкость;
-
выбор по исполнению (для наружной или внутренней установки);
Выбору подлежат: выключатели на стороне высшего напряжения; вводные выключатели на стороне 10 кВ; секционные выключатели на стороне 10 кВ; выключатели отходящих линий 10 кВ; разъединители высшего напряжения; трансформаторы типа и напряжения 110 кВ и 10 кВ; ошиновка распределительных устройств 110 кВ и 10 кВ.
Для выбора аппаратов и токоведущих частей необходимо определить токи нормального и послеаварийного режима. Определение токов производится для случая установки на подстанции силового трансформатора. Рассчитанного согласно графику нагрузки подстанции.
Максимальный ток на внешней стороне
=
=73,48А.
Ток в цепи вводных выключателей на стороне 10 кВ
=
=404,1 А
ток в цепи секционного выключателя
=
=404,1 А
ток в цепи отходящей линии (если на одно присоединение приходится 3МВА)
=173,2 А
на стороне высшего напряжения рекомендуется установка элегазовых выключателей типа S1-145-F3/4031. выбор выключателей приведен в таблице 3.4. Каталожные параметры выключателя взяты из [5].
Таблица 3.4 - Выбор выключателя на стороне 110 кВ
| Условие выбора | Расчетные значения | Каталожные значения |
|
| 110 кВ | 110 кВ |
|
| 73,48 А | 2000 А |
|
| 22,22кА | 40 кА |
|
| 50,44кА | 102 кА |
|
| 22,22 кА | 31,5 кА |
|
| 3,45 кА | 15,99 кА |
|
| 41,96 кА2с | 112 кА2с |
Выбранный выключатель должен полностью удовлетворять условиям выбора.
Выбираем ВВБМ – 110Б – 31,5/2000У1 :
UНОМ=110 кВ, IНОМ= 2000 А, IНОМ.ОТКЛ.=31,5 кА,
IСКВ.Пр.=40 кА, IСКВ=102 кА, IТ=40 кА,
tоткл = 0,07 сек.
=36%.
Iа ном.=
·IНОМ.ОТКЛ./100=1,41·36·31,5/100=15,99 кА,
=402·0,07=112 кА2с.
На стороне низкого напряжения рекомендуется выбирать вакуумные выключатели.
t – Расчетное время расхождения контактов после начала КЗ.
Для выключателей на высшей стороне t = 0,06 с, на низшей стороне t = 0,1 с.
В точке
кА
В точке
кА
Таблица 3.5 - Выбор выключателей в цепи трансформатора на стороне 10 кВ.
| Условие выбора | Расчетные значения | Каталожные значения |
| | 10 кВ | 10 кВ |
| | 404,1 А | 3150 А |
| | 15,13 кА | 120 кА |
| | 34,35 кА | 45 кА |
| | 15,13 кА | 45/20 кА |
| | 1,58 кА | |
| | 34,33 кА2с | 303,75 кА2с |
Рекомендуется установку вакуумных выключателей типа VM 1S-10-40/3150-42
Выбираем МГГ – 10 – 3150 – 45У3 :
Выбор секционного выключателя на стороне 10 кВ.
Таблица 3.6 -Выбор секционного выключателя на стороне 10 кВ.
| Условие выбора | Расчетные значения | Каталожные значения |
|
| 10 кВ | 10 кВ |
|
| 404,1 А | 3150 А |
|
| 15,13 кА | 120 кА |
|
| 34,35 кА | 45 кА |
|
| 15,13 кА | 45/20 кА |
|
| 1,58 кА | |
|
| 34,33 кА2с | 303,75 кА2с |
Рекомендуется принять к установке в качестве секционного выключателя типа BB/TEL-10-31,5/1600-У2
В таблице 3.7 приведен выбор разъединителей на стороне 110 кВ. разъединители необходимы с одним и двумя комплектами заземляющих ножей.
Таблица 3.7 - Выбор разъединителей 110 кВ.
| Условие выбора | Расчетные значения | Каталожные значения |
| | 110 кВ | 110 кВ |
| | 73,48 А | 1000 А |
| | 50,44 кА | 80 кА |
| | 41,96 кА2с | 2977/992 кА2с |
Рекомендуется принять к установке на стороне 110 кВ разъединители типа РНД31-110/1000 УХЛ1 и РНД 32-110/1000 УХЛ1
3.6 Выбор электроизмерительных трансформаторов тока и напряжения
Для подключения электроизмерительных приборов и устройств релейной защиты необходима установка трансформаторов тока и напряжения. В настоящем проекте релейная защита детально не разрабатывается, поэтому проверку трансформаторов по вторичной нагрузке выполняем с учётом подключения только измерительных приборов. В цепи силового трансформатора со стороны низшего напряжения амперметр, вольтметр, варметр, счётчики активной и реактивной энергии, на шинах 110 кВ – вольтметр с переключателем для измерения трёх межфазных напряжений, на секционном выключателе 10 кВ – амперметр, на отходящих линиях 10 кВ – амперметр, счётчики активной и реактивной энергии.
Таблица 3.8 - Расчёт вторичной нагрузки трансформатора тока [6]
| Нагрузка по фазам | |||||
| Прибор | Тип | Класс | А | В | С |
| Амперметр | Э-335 | 1 | 0,5 | 0,5 | 0,5 |
| Ваттметр | Д-350 | 1,5 | 0,5 | — | 0,5 |
| Варметр | Д-345 | 1,5 | 0,5 | — | 0,5 |
| Счётчик активной энергии | СА-3 | 1 | 2,5 | — | 2,5 |
| Счётчик реактивной энергии | СР-4 | 1,5 | 2,5 | — | 2,5 |
| Суммарная нагрузка тока в цепи вилового тр-ра со стороны НН | 6,5 | 0,5 | 6,5 | ||
| Суммарная нагрузка тока в цепи секционн. выключат. на НН | 0,5 | 0,5 | 0,5 | ||
| Суммарная нагрузка тока в цепи силового тр-ра со стороны ВН | 0,5 | 0,5 | 0,5 | ||
| Суммарная нагрузка тока в цепи отходящей линии | 0,5 | 0,5 | 0,5 | ||
Таблица 3.9 - Выбор трансформатора тока в цепи силового трансформатора на стороне высшего напряжения.
| Условие выбора | Расчетные значения | Каталожные значения |
|
| 110 кВ | 110 |
|
| 73,48 А | 50-600 |
|
| 50,44 А | 62-124 |
|
| 41,96 А | 162,5 |
|
| 1,25 А | 4 |
Для проверки по вторичной нагрузке определяем сопротивление приборов:
Zприб=
=
=0,02 Ом.
Тогда сопротивление измерительных проводов может быть:
Zпр=Zном-Zприб-ZK,
где: Zном – номинальное сопротивление нагрузки, Ом;
Zприб – сопротивление приборов, Ом;
ZK – сопротивление контактов, Ом.
Zпр=4-0,02-0,1=3,88 Ом.
Сечение соединительных проводов по условиям механической прочности должно быть не менее 4 мм2 для алюминиевых жил. Сечение жил при длине кабеля l=160 м:
Zпр=ρ
;
где ρ – удельное сопротивление алюминия, 0,0283
;
F – сечение жил, мм2;
F=
=1,13 Ом.
Общее сопротивление токовой цепи:
ZН=Zприб+ZK+Zпр=0,02+0,1+1,13=1,25 Ом,
что меньше 4 Ом, допустимых при работе трансформатора в классе точности 1. Трансформатор тока ТФЗМ-110-У1 соответствует условиям выбора.
Таблица 3.10 - Выбор трансформатора тока в цепи силового трансформатора на стороне низшего напряжения.
| Условие выбора | Расчетные значения | Каталожные значения |
|
| 10 кВ | 10 |
|
| 404,1 А | 2000 |
|
| 34,35 А | — |
|
| 34,33 А | 74,42 |
|
| 1,25 А | 4 |
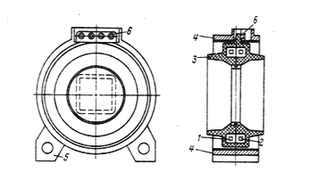
Проверка по вторичной нагрузке выполняется аналогично. Выбран трансформатор ТШЛ-10К. Шинные трансформаторы тока изготавливают для номинальных напряжений до 20 кВ и токов до 24000 А. В качестве первичной обмотки используется проходная шина. Они могут быть выполнены класса 0,5. В качестве примера на рис. 3.6 показан шинный трансформатор тока типа ТШЛ-20 (Ш–шинный, Л – литая изоляция).
Рисунок 3.6 - Шинный трансформатор тока типа ТШЛ-20.
Магнитопроводы 1 и 2 со встроенными обмотками залиты эпоксидным компаундом и образуют изоляционный блок 3. Блок соединён с основанием 4, имеющего приливы 5 для крепления трансформатора. Троходны окно с размером от 200х200 до 250х250 мм2 рассчитано на установку двух шин корнт сечения. Зажимы 6 вторичных обмоток расположены над блоком.
Таблица 3.11 Выбор трансформатора тока на отходящей линии.
| Условие выбора | Расчетные значения | Каталожные значения |
|
| 10 кВ | 10 |
|
| 173,2 А | 5-200 |
|
| 34,35 А | 250 |
|
| 34,33 А | 74,42 |
|
| 1,25 А | 4 |
Принимаем к установке трансформатор тока ТЛП-10.
Трансформатор тока ТПЛ10-У3:
При токах, меньших 600 А, применяются многовитковые трансформаторы тока ТПЛ, у которых первичная обмотка 3 состоит из нескольких витков, количество которых определяется необходимой МДС (рис.3.7).
Рисунок. 3.7 - Трансформатор тока ТПЛ-10 с двумя магнитопроводами:
1 - магнитопровод; 2 - вторичная обмотка; 3 - первичная обмотка; 4 - вывод первичной обмотки; 5 - литой эпоксидный корпус
В качестве трансформаторов напряжения выбираем на стороне 110 кВ трансформаторы НКФ-110-58, на стороне 10 кВ – ЗНОЛ.06-10-У3. Их характеристики приведены в таблице 12:
Таблица 3.12 - Характеристика выбранных трансформаторов на сторонах 110 кВ и 10 кВ
| Тип | Номинальное напряжение обмотки | Номинальная мощность, В·А, в классе точности | Максималь-ная мощность, В·А | ||||||
| первичной, кВ | основной вторичной, В | дополни-тельной, В | 0,2 | 0,5 | 1 | 3 | |||
| ЗНОЛ.06 | 6/ | 100/ | 100:3 или 100 | 30 | 50 | 75 | 200 | 400 | |
| 10/ | 50 | 75 | 150 | 300 | 630 | ||||
| 15/ | 50 | 75 | 150 | 300 | 630 | ||||
| 20/ | 50 | 75 | 150 | 300 | 630 | ||||
| 24/ | 50 | 75 | 150 | 300 | 630 | ||||
| НКФ-110-58 | 110/ | 100/ | 100:3 | — | 400 | 600 | 1200 | 2000 | |
Рисунок 3.8 - НКФ Каскадный трансформатор напряжения типа НКФ.
Каскадные трансформаторы напряжения изготовляют только однофазные и для наружной установки. На рис. 3.8 общий вид каскадного трансформатора типа НКФ на напряжение 110кВ.
4. Расчет электромагнитных переходных процессов в электрической сети
В процессе выполнения расчета необходимо на защищаемом объекте (трансформатор Т-3) рассчитать сверхпереходный и ударный ток при симметричном (трёхфазном) замыкании.
Исходными данным для расчета являются Схема электрической сети, параметры линий и трансформаторов, а так же мощности нагрузок.
Расчет выполняем в относительных единицах для приближенного вычисления в соответствии условия [8]
Удельное сопротивление для воздушных линий в приближённых расчётах напряжением 6-220 кВ Х0 = 0,4 Ом/км. ЭДС нагрузок в сверхпереходном режиме принимаем
. Так как источник системы является источником бесконечной мощности, то ЭДС источника E* = U* = 1 = const.
Принимаем базисные условия:
Uб = 35 кВ;
Sб = 250 МВА;
Для упрощения преобразования схемы не будем учитывать нагрузку Е-2.
Рисунок 4.1 - Схема замещения заданной сети.
Сопротивления трансформатора Т-1:
;
X2 = 0;
.
Сопротивление линии Л-1:
,
Сопротивления трансформатора Т-3:
;
X8 = 0;
.
Сопротивление линии Л-2:
.
Сопротивление линии Л-3:
Сопротивление трансформатора Т-2:
.
Сопротивление нагрузки 1:
.
Сопротивление нагрузки 3:
.
ЭДС нагрузок в сверхпереходном режиме:
.
Преобразуем Δ в Y:
Рисунок 4.2 - Преобразование Δ в Y.
Х14 = Х2 + Х3 + Х4 = 0 + 0,151 + 0,28 = 0,431;
Х15 = Х7 + Х9 = 0,62 + 0,227 = 0,847;
Х16 = Х8 + Х10 = 0 + 0,227 = 0,227.
Сопротивления Y через сопротивления Δ:
;
;
.
Рисунок 4.3 - Схема после преобразования Δ в Y.
Упростим схему:
Рисунок 4.4 - Упрощение схемы.
Х20 = Х1 + Х17 = 0,09 + 0,243 = 0,333;
Х21 = Х19 + Х5 = 0,065 + 0,62 = 0,685;
Х22 = Х13 + Х12 + Х18 = 8,322 + 0,82 + 0,128 = 9,27.
Упростим схему, используя коэффициенты распределения (совместим сопротивление Х21 с сопротивлениями Х20 и Х22):
Рисунок 4.5 - Схема после совмещения сопротивления Х21 с сопротивлениями Х20 и Х22.
Эквивалентное сопротивление для Х20 и Х22:
.
Коэффициенты распределения:
;
.
Результирующее сопротивление для Х20, Х21 и Х22:
Хрез2022 = Хэ2022 + Х21 = 0,327 + 0,685 = 1,012.
Значения сопротивлений после преобразования:
;
.
Так как источник системы является источником бесконечной мощности, то ЭДС источника E* = U* = 1 = const.
Найдём эквивалентную ЭДС системы:
Эквивалентное сопротивление системы:
Ток трёхфазного короткого замыкания в относительных единицах:
.
Ток трёхфазного короткого замыкания в именованных единицах:
кА.
Ударный ток короткого замыкания:
кА.
5 Расчет релейной защиты
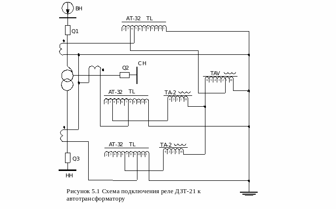
Требуется рассчитать релейную защиту автотрансформатора.
Автотрансформатор силовой трехфазный трехобмоточный типа АТДЦТН-125000/500/110-У1 предназначен для связи электрических сетей напряжением 500 и 110 кВ.
Расчет релейной защиты трансформатора выполним с использованием реле ДЗТ-21 [9]
Общие сведения о реле ДЗТ-21 (ДЗТ-23)
Для защиты трансформаторов и автотрансформаторов большой мощности ЧЭАЗ выпускает реле дифференциальной защиты с торможением типов ДЗТ-21 и ДЗТ-23, в которых применен новый принцип отстройки от бросков тока намагничивания и токов небаланса. Защита выполнена на микроинтегральном принципе.
На дифференциальных защитах с реле ДЗТ-21 и ДЗТ-23 может быть выполнена минимальная уставка по току срабатывания 0,3Iном трансформатора. Для отстройки от бросков намагничивающего тока силовых трансформаторов и переходных токов небаланса используется время-импульсный принцип блокирования защиты в сочетании с торможением от составляющих второй гармонической тока, содержащихся, как показывает анализ, в токах намагничивания.
Автотрансформатор имеет встроенное регулирование напряжения под нагрузкой (РПН) на стороне среднего напряжения в пределах
12 % номинального.
Сопротивления линейного регулировочного трансформатора и реактора (сопротивления которого рассчитаны при двух крайних положениях регулировочного автотрансформатора) заимствованы из примера расчета дифференциальной защиты цепей стороны низшего напряжения.
5.1 Порядок расчета
Расчет защиты производится в следующем порядке [9]:
5.1 Определяются первичные токи для всех сторон защищаемого трансформатора (автотрансформатора), соответствующие его номинальной мощности (проходной мощности для автотрансформатора). По этим токам определяются соответствующие вторичные токи в плечах защиты
,
и
, исходя из коэффициентов трансформации трансформаторов тока
(выбираются с учетом параметров используемого оборудования, его перегрузочной способности, требований релейной защиты и схемы соединения трансформаторов тока; при соединении трансформаторов тока в треугольник— исходя из первичного тока
ввиду целесообразности иметь вторичные токи в плече защиты, не превышающие номинальный ток трансформаторов тока 5 или 1 А) и коэффициента схемы
. Результаты расчета сводим в таблицу 5.1
-
Выбираются ответвления трансреактора реле ТАV для основной стороны (за основную принимается сторона 220 кВ, на которой вторичный ток в плече защиты примерно равен номинальному току ответвления трансреактора реле)
Ответвления
трансреактора реле ТАV или автотрансформаторов тока типов АТ-31(АТ-32), если последние используются на рассматриваемой стороне, принимаемой в расчете за основную (например, сторона низшего напряжения), выбираются, исходя из вторичного тока
в плече защиты на этой .стороне, соответствующего номинальной мощности защищаемого трансформатора (автотрансформатора), так, чтобы
Ответвления автотрансформаторов тока типов АТ-31 и АТ-32 для неосновных сторон следует выбирать, исходя из вторичного тока Iном.неосн в плече защиты на рассматриваемой неосновной стороне, соответствующего номинальной мощности защищаемого трансформатора (автотрансформатора) и выбранного ответвления
для основной стороны:
(5.2.1)
Принимаются ответвления с номинальным током, равным или ближайшим меньшим расчетного. Указанное необходимо для обеспечения возможности выставления на реле уставки относительного минимального тока срабатывания (при отсутствии торможения)
, соответствующей наименьшему возможному значению первичного минимального тока срабатывания защиты
,
(5.2.2)
где
и
— коэффициент трансформации трансформаторов тока и коэффициент схемы для расчетной стороны.
Все величины должны приниматься для стороны, обусловливающей наибольшее загрубление защиты. Такой стороной является та неосновная сторона, для которой принятое ответвление
больше отличается от расчетного
, если с этой стороны может производиться включение трансформатора под напряжение.
При выборе ответвлений автотрансформаторов тока типов АТ-31 и АТ-32 и трансреактора реле ТАV в целях обеспечения наименьших значений
могут использоваться табличные значения.
Таблица 5.1-Результаты расчета первичных токов и параметров защиты
| Наименование величины | Обозначение и метод определения | Числовое значение для стороны | ||
| 220 кВ | 110 кВ | 35 кВ | ||
| Первичный ток на сторонах защищаемого автотрансформатора, соответствующий его проходной мощности, А | | 220 кВ | 110 кВ | 35 кВ |
| Коэффициент трансформации трансформаторов тока | | | | |
| Схема соединения трансформаторов тока | - | 750/5 | 1000/5 | 1500/5 |
| Вторичный ток в плечах защиты, соответствующий проходной мощности защищаемого автотрансформатора, А | | | | Y |
| Номинальный ток принятого ответвления трансреактора реле на основной стороне, А | | | | |
| Расчетный ток ответвления автотрансформаторов тока на неосновных сторонах, А | | 3,63 | - | - |
| Тип автотрансформаторов тока, которые включаются в плечо защиты | - | | | |
| Номинальный ток используемого ответвления автотрансформаторов тока, к которому подводятся вторичные токи в плече защиты, А | - | АТ-32 | АТ-32 | |
| Номер используемого ответвления автотрансформаторов тока, к которому подводятся вторичные токи | - | 2,5 | 3 | |
| Номер используемого ответвления автотрансформаторов тока, к которому подключается реле | 4 | 6 | 5 | |
| Номинальный ток используемого ответвления автотрансформаторов тока, к которому подключается реле | 3,62 | | | |
| Номинальный ток принятого ответвления трансреактора реле на неосновных сторонах, А | 3,75 | 2,5 | 3,0 | |
| Номер используемого ответвления трансреактора реле | 2 | 4 | 3 | |
| Расчетный ток ответвления промежуточных трансформаторов тока цепи торможения реле, А | | - | 2,5 | 3 |
| Номинальный ток принятого ответвления приставки и промежуточных трансформаторов тока, А | | 4 | 6 | 5 |
| Номер используемого ответвления приставки и промежуточных трансформаторов тока реле | 3,62 | | | |
В плече защиты на основной стороне автотрансформаторы тока могут не использоваться (например, на стороне низшего напряжения в защите трансформаторов с нерасщепленной обмоткой и одиночным реактором или без реактора), если получаемая при этом кратность тока
позволяет обеспечить требуемую термическую стойкость автотрансформаторов и реле при учете возможной перегрузки защищаемого (автотрансформатора).
-
Выбираются ответвления автотрансформаторов тока АТ-32 для неосновных сторон 110 в 10 кВ
, исходя из выбранного ответвления трансреактора реле ТАV для основной стороны
и номинального вторичного тока в плече защиты на рассматриваемой неосновной стороне
(п.5.1), по выражению (5.2.1) -
Определяются стороны, на которых используется торможение.
Торможение, как правило, следует осуществлять от токов на всех (питающих и приемных) сторонах трансформатора (автотрансформатора). Однако, если на подстанции не имеется синхронных двигателей, в защите двух- и трехобмоточного трансформатора при наличии питания только со стороны высшего напряжения и отсутствии параллельной работы на стороне среднего напряжения принципиально в целях увеличения чувствительности защиты целесообразно было бы торможение осуществлять только от токов на приемных сторонах. Но при этом может потребоваться коэффициент торможения выше уставок, предусмотренных на реле.
Использование торможения только от токов приемных сторон обеспечивает отсутствие торможения от токов внутренних КЗ, а использование торможения от токов всех сторон при возможности питания с нескольких из них необходимо для обеспечения отсутствия торможения при
Ввиду наличия питания с двух сторон и возможности передачи нагрузки как со стороны ВН, так и со стороны СН целесообразно осуществлять торможение от токов, проходящих во всех сторонах защищаемого автотрансформатора. Для этого, помимо промежуточных трансформаторов реле, используется приставка дополнительного торможения.
5.5 Выбирается уставка «начала торможения»
Уставка «начала торможения»
по отношению к номинальному току
принятого ответвления промежуточных трансформаторов тока ТА цепи торможения реле и приставки дополнительного торможения должна приниматься:
, когда торможение осуществляется от токов всех групп трансформаторов тока рассматриваемой дифференциальной защиты трансформатора (автотрансформатора), т. е. при многостороннем питании, и
, когда торможение осуществляется только от токов групп трансформаторов тока, установленных на приемных сторонах защищаемого трансформатора (автотрансформатора), т. е. при одностороннем питании. При таком выборе уставки «начала торможения»
и принятии ответвлений
промежуточных трансформаторов тока ТА цепи торможения реле и приставок дополнительного торможения равными
по выражению (5.2.2) при токах, меньших соответственно:
(5.5.1)
(для уставки «начала торможения»
) и
(5.5.2)
(для уставки «начала торможения»
),
обеспечивается отсутствие торможения. При принятии
(5.5.3)
отсутствие торможения будет обеспечиваться при токах, меньших соответственно:
(5.5.4)
(5.5.5)
(для уставки «начала торможения»
),
,
,
— коэффициенты токораспределения соответственно для сторон I, II и III в рассматриваемом режиме, т. е. по отношению к первичным токам горизонтальная часть характеристики торможений несколько сокращается. Поэтому в случаях, когда токи
значительно превышают токи
, в целях обеспечения отсутствия торможения в нагрузочном режиме от тока Iторм следует и во втором случае (при осуществлении торможения только от токов групп трансформаторов тока, установленных на приемных сторонах защищаемого трансформатора) принимать
.
При этом в (5.5.5) вместо коэффициента 1,2 надо принимать 2.
Первичные токи начала торможения
по (5.5.1), (5.5.2), (5.5.4) и (5.5.5) являются расчетными при выборе минимального тока срабатывания защиты при отсутствие торможения
по (5.9.1).
Следует отметить, что в целях упрощения при близких значениях токов
и
, входящих в (5.5.4) и (5.5.5), их отношения можно принимать равными 1,0, т. е. пользоваться (5.5.1) и (5.5.2).
5.6 Выбираются ответвления промежуточных трансформаторов тока и приставки дополнительного торможения, исходя из вторичных токов Iном,в и выбранных в п.2.3 коэффициентов трансформации автотрансформаторов тока АТ-32
, по выражению (5.3.1)
5.7 Определяется первичный тормозной ток, соответствующий «началу торможения», по (5.5.4)
-
Определяется ток небаланса в режиме, соответствующем «началу торможения»:
(5.8.1)
5.9 Определяется первичный минимальный ток срабатывания защиты (ее чувствительного органа) по следующим условиям:
-отстройки от расчетного первичного тока небаланса в режиме, соответствующем началу торможения, по
(5.9.1)
-отстройки от тока небаланса переходного режима внешнего КЗ, по выражению
(5.9.2)
За расчетное принимается большее из полученных расчетных значений
А.
5.10 Определяется относительный минимальный ток срабатывания реле (его чувствительного органа) при отсутствии торможения по (5.2.2). За расчетную принимается сторона среднего напряжения, в соответствии (5.2.2)
5.11 Определяется первичный максимальный ток, проходящий через защищаемый автотрансформатор при внешнем КЗ.
и соответствующий ему максимальный расчетный ток небаланса
, причем составлено для расчетного внешнего КЗ
(5.11.1)
- коэффициент учитывающий переходный режим, принят равным 2;
=0,1- относительная полная погрешность ТТ ;
kодн- коэффициент однотипности ТТ;
- относительная погрешность, обусловленная регулированием напряжения на стороне n, принимается равной половине диапазона регулирования;
- погрешность выравнивания на неосновной стороне (n-1) объекта.
A.
5.12 Определяется коэффициент торможения защиты:
(5.12.1)
где
— относительный максимальный расчетный первичный ток небаланса при расчетном внешнем КЗ;
— полусумма относительных первичных тормозных токов при расчетном внешнем КЗ;
— вторичный ток в плече защиты на стороне, принимаемой в расчете за основную, соответствующий номинальной мощности защищаемого трансформатора (автотрансформатора);
— номинальный ток принятого ответвления трансреактора реле TAV или автотрансформаторов тока для стороны, принимаемой в расчете за основную.
и
- расчетный и принятый (номинальный) токи ответвлений промежуточных трансформаторов тока ТА цепи торможения реле и приставок дополнительного торможения на соответствующих сторонах (п.
Значения первичных токов
и
, входящих в (5.12.1), рассчитываются по отношению к номинальному току /ном защищаемого трансформатора (автотрансформатора).
Расчетный максимальный первичный ток небаланса
при расчетном внешнем КЗ, необходимый для определения относительных первичного
по (5.12.1) вторичного
по
(5.12.2)
максимального расчетного тока небаланса, а значения входящих в него составляющих тока небаланса
,
и, аналогичному
(5.12.3)
но составленному для расчетного внешнего металлического КЗ. При этом в целях обеспечения недействия защиты от тока небаланса переходного режима внешнего КЗ коэффициент, учитывающий переходный режим, рекомендуется принимать равным
.
Меньшее значение принимается при использовании на разных сторонах защищаемого трансформатора (автотрансформатора) однотипных трансформаторов тока (только встроенных или только выносных) и одинаковой схеме их соединения (например, в звезду), большее значение принимается при использовании для защиты разнотипных трансформаторов тока и разных схемах их соединения (на одной из сторон в звезду, на других— в треугольник).
5.13. Определяется первичный ток срабатывания отсечки
по условию отстройки от максимального первичного тока небаланса
при переходном режиме КЗ на шинах 110 кВ Значения тока небаланса
,
,
и
определяются соответственно по выражению, аналогичному (1.3), но составленному для расчетного КЗ; коэффициент
принят равным 3
Уставка отсечки принята равной
. При такой уставке первичный ток срабатывания отсечки больше его расчетного значения и равен
5.14. Определяется коэффициент чувствительности защиты (ее чувствительного органа)
.
Результаты расчетов
сведены в табл. 5.3.
(5.14.1)
Таблица 5.2 – Значения коэффициентов схемы для различных видов КЗ
| № п/п | Вид КЗ | Значение коэффициента схемы |
| 1 | Между тремя фазами |
|
| 2 | Между двумя фазами | 2 |
| 2 | Одной фазы на землю | 1 |
Чувствительность защиты (ее чувствительного органа) определяется при металлическом КЗ на выводах) защищаемого трансформатора (автотрансформатора) при работе его на расчетном ответвлении. Расчетными режимами работы подстанции и питающих систем являются реальные режимы, обусловливающие минимальный ток при расчетном виде КЗ.
Коэффициент чувствительности рассчитывается, исходя из первичных токов рассматриваемого вида (т) КЗ
и минимального тока срабатывания защиты
.
Следует отметить, что, как правило, чувствительность защиты при
обеспечивается с большим запасом, поэтому необходимость в ее расчете возникает лишь в особых случаях, характеризуемых весьма малыми токами КЗ в защищаемой зоне.
Чувствительность дифференциальной токовой отсечки не определяется, так как она является вспомогательным элементом, назначение которого — предотвращение недопустимого замедления или отказа срабатывания защиты при больших кратностях тока, когда чувствительный орган может сработать с большим замедлением кл не сработать из-за искажения формы кривой вторичного тока в переходном режиме КЗ (например, при значительном насыщении трансформаторов тока), и торможении вследствие этого чувствительного органа защиты токами второй и более высокими гармониками. Результаты расчетов коэффициентов чувствительности сведены в табл. 5.3.
Таблица 5.3 - Коэффициенты чувствительности защиты ДЗТ-21
| № п/п | Вид КЗ в защищаемой зоне | Коэффициент чувствительности защиты ДЗТ-21 | |
| при + РО | при – РО | ||
| 1 | КЗ между тремя фазами на стороне СН автотрансформатора |
|
|
| 2 | КЗ между тремя фазами на стороне НН автотрансформатора |
|
|
| 3 | КЗ между двумя фазами на стороне СН автотрансформатора |
|
|
| 4 | КЗ между двумя фазами на стороне НН автотрансформатора |
|
|
| 5 | КЗ на землю одной фазы на стороне СН автотрансформатора |
|
|
| 6 | КЗ на землю одной фазы на стороне НН автотрансформатора |
|
|
Из табл. 5.3 следует, что чувствительность защиты обеспечивается с большим запасом. Указанное подтверждает то обстоятельство, что расчет чувствительности дифференциальной защиты, выполненной с реле типа ДЗТ-21, как правило, производить не требуется.
Список использованных источников
-
Конспект лекций по курсу «Электрические системы и сети». Преподаватель – Лебединский И.Л. Сумы, СумГУ 2005г.
-
Методические указания по выполнению курсового проекта по курсу «Электрические системы и сети» для специальности 6.000008 «Энергоменеджмент» профилизации «Электроэнергетические системы». Составитель – Лебединский И.Л. Сумы, СумГУ, 2005г.
-
Рожкова Л.Д.Козулин В.С. Электрооборудование станций и подстанций.- 3-е изд.- М.:Энергоатомиздат, 1987- 648 с.
-
Справочник по электроснабжению промышленных предприятий. Электрооборудование и автоматизации /Под ред.А.А.Федорова, и Г.В.Сербиловского- М.:Энергия,1981- 624 с.
5 Электрооборудование станций и подстанций: Учебник для техникумов.- 3е изд., перераб. и доп.- Энергоатомиздат 1987.- 648 с.
6 Методические указания к выполнению курсового проекта «Электрическая часть станций и подстанций» для студентов заочного отделения специальности 6.000008 «Энергоменеджмент» профилизации «Электроэнергетические системы». Составители – Лебединский И.Л., Муриков Д.В., Василега П.А. Сумы, СумГУ, 2005г
7 Методические указания к проведению практических занятий по курсу «Электрическая часть станций и подстанций» для студентов заочного отделения специальности 6.000008 «Энергоменеджмент» профилизации «Электроэнергетические системы». Составители – Лебединский И.Л., Муриков Д.В., Василега П.А. Сумы
-
Электротехнический справочник: в 3х т. Т.3. Кн.1. Производство, передача и распределение электрической энергии/Под общ. ред. Профессоров МЭИ В.Г.Герасимова, П.Г.Грудинского и др.- 6е изд. испр. и доп. М.: Энергоиздат, 1982.-656 с., ил.
9 Учебное пособие для студентов, обучающихся по направлению «Электротехника», по курсу «Основы релейной защиты электрических систем». Часть III. Расчет защит трансформаторов и автотрансформаторов. Мариуполь: ПГТУ, 2001.
-
Железко Ю.С. Выбор мероприятий по снижению потерь электроэнергии в электрических сетях: Руководство для практических расчётов. – М: Энергоатомиздат, 1989. – 176 с.: ил.
-
Бохмат И.С., Воротницкий В.Э., Татаринов Е.П. Снижение коммерческих потерь в электроэнергетических системах. - "Электрические станции", 1998, ° 9.
80
10>0>
(п.5.1), по выражению (5.2.1)














