147970 (594436), страница 2
Текст из файла (страница 2)
При нахождении прибора в режиме управляемой задержки, вспышка стробоскопа происходит в соответствии с индицируемой в градусах задержкой.
Для выхода из режима «Стробоскоп» нужно нажать на кнопку «Режим» и на дисплеи появится надпись «Работа»
Точные измерения угла опережения зажигания гарантированы только при стабильном измерении оборотов (разброс в показаниях тахометра не более 10-20 оборотов в минуту, например перед измерением угла тахометр стабильно показывает 750 ÷760), поэтому если показания тахометра скачут, перед измерением угла нужно добиться устойчивых показаний тахометра.
Погрешность П, в град. при измерении угла определяется формулой 2.1
(2.1)
α – угловая задержка, в градусах;
Δω – разброс показаний тахометра, об/мин;
ωср - усредненные показания тахометра, об/мин
Погрешность установки угловой задержки и соответствующее ей визуальное “дрожание” метки напрямую связано с нестабильностью оборотов двигателя.
2.5 Временные диаграммы работы управления углом опережения зажигания
При скорости вращения равной скорости холостого хода метка на шкиву совпадает с меткой на двигателе (если исправно работает прерыватель – распределитель).
Если скорость вращения стала больше скорости холостого хода, то метка на шкиву плавно сместится в сторону противоположную вращению на угол α.
Для того чтобы определить угол α необходимо сместить вспышки на эту величину. Далее микроконтроллер обрабатывает входную информацию и выдает числовое значение угла на дисплеи.
3. ПРИНЦИПИАЛЬНЫЕ ЭЛЕКТРИЧЕСКИЕ СХЕМЫ
В качестве излучающих элементов могут использоваться как мощный светодиод, так и импульсная лампа - вспышка. В зависимости от выбранной модификации будут различаться системы питания этих элементов.
3.1 Принципиальная электрическая схема стробоскопа со светодиодом
В принципиальной электрической схеме в качестве излучающего элемента используется мощный светодиод. Он обеспечивает узконаправленный луч высокой интенсивности, что позволяет контролировать работу системы зажигания во всем диапазоне частот вращения коленчатого вала двигателя.
Для синхронизации вспышек с моментом искрообразования использован емкостной датчик [6].
Основная часть стробоскопа - микроконтроллер DD1.
По фронту сигнала на входе PD2, микроконтроллера на его выходе PA1 формируется импульс высокого уровня в результате открывается транзистор VT1, в цепь коллектора которого включен излучатель - светодиод VD1.
Использованный светодиод LXHL-LW3C серии "STAR" фирмы LUMILEDS обеспечивает световой поток 65 Лм. При токе 700 мА прямое падение напряжения на нем около 3,7 В, максимально допустимый ток - 1 А. Даже кратковременное превышение этого значения может необратимо повредить светодиод, поэтому последовательно с ним включен токоограничивающий резистор R1. Диод VD1 защищает прибор от ошибочной перемены полярности напряжения питания.
Управляющая программа микроконтроллера формирует импульсы, длительность которых равна приблизительно 1,3 мс. Например, 3000 об/мин соответствует частоте искрообразования 25 Гц, период импульсов в этом случае равен 40 мс, а длительность вспышки приблизительно 1,3 мс для емкостного датчика.
Учитывая, что микроконтроллер работает в условиях мощных электромагнитных помех, его неиспользуемые выводы соединены с общим проводом, а вывод RESET подключен непосредственно к источнику питания +5 В.
Светодиод LXHL-LW3C имеет угол излучения 140 град, но для серии "STAR" фирма LUMILEDS выпускает линзу-коллиматор LXHL-NX05, применение которой позволяет получить световой пучок с углом 10 град.
Кнопки SB1, SB2, управляют работой стробоскопа. SB1 – разрешает работу стробоскопу, SB2 –осуществляет выбор между режимами работы стробоскопа.
Через разъем ХР1 на входы контроллера (PD1, PD4)поступают дискретные информационные сигналы, которые подлежат дальнейшей логической обработке и в зависимости от выбранной функции пользователем (тахометр или стробоскоп), выдается результат на жидкокристаллический модуль по восьми битной шине данных.
С вывода порта РА1 поступает последовательность импульсов идущих на светодиод стробоскопа.
От аккумулятора аналоговый сигнал поступает на вход цифро-аналового преобразователя (АЦП) контроллера (РА0). После логической обработки этого сигнала результата выдается на ЖКМ.
Конденсатор С4 обеспечивает аппаратный сброс контроллера при включении питания. При отсутствии напряжения или его пропадании конденсатор С4 оказывается разряженным. После появления напряжения питания на контакте RESET микроконтроллера удерживается низкий уровень до тех пор, пока конденсатор С4 не зарядится через резистор.
Для АЦП используется внешний источник опорного напряжения к которому подключен фильтр (L1С5) для повышения помехозащищенности.
Для регулировки подцветки ЖКМ используется резистор R8.
Резистор R12 необходим для управления контрастностью ЖКМ.
3.2 Принципиальная электрическая схема стробоскопа с лампой вспышкой
Импульсные лампы обеспечивают высокую яркость вспышек, но имеют ограниченный срок службы и требуют источника повышенного напряжения.
3.2.1 Физические принципы построения ламп-вспышек
Принцип работы любой лампы-вспышки основан на явлении отдачи мощного светового импульса инертным газом в момент прохождения через него импульса тока большой величины [11]. В качестве рабочего наполнителя для ламп-вспышек часто используются такие газы, как ксенон и криптон. Ксеноновые лампы-вспышки предназначены для использования в фотографических аппаратах, высокоскоростных копирах, стробоскопах и т. д. Лампы, в которых наполнителем служит криптон, предназначены в основном для использования в схемах накачки лазеров.
3.2.2 Конфигурация ламп-вспышек
Лампа-вспышка конструктивно представляет собой баллон из кварцевого или боросиликатного стекла, заполненный под высоким давлением инертным газом ксеноном или криптоном. В баллон впаяны два электрода – анод и катод. На внешней стороне баллона наносится полоска токопроводящего покрытия, к которому присоединяется третий — поджигающий электрод.
Часто функции поджигающего электрода выполняют несколько витков тонкой проволоки, намотанной на баллон снаружи.
Формы баллона бывают самые различные: дугообразные, кольцевые, спиральные и т. д.
Устройство лампы-вспышки показано на рисунок 3.1.
Рисунок 3.1 – Устройство лампы-вспышки
Вне зависимости от материала используемого стекла и электродов, лампы-вспышки имеют три основных конструктивных характеристики, определяющих степень их применения. К таким параметрам относятся:
-
расстояние между внутренними электродами (e);
-
внутренний диаметр колбы (r);
-
используемый газ.
Соотношение этих величин определяет длительность разряда, интенсивность светового излучения и, соответственно, сферу применения. Так, например, если отношение e/r<5, лампы будет иметь короткую разрядную дугу и высокую интенсивность излучения, если же это соотношение находится в пределах 10<e/r<20, лампа будет обладать большим внутренним сопротивлением и длительной фазой разряда.
3.2.3 Разрядная характеристика
Процесс вспышки можно условно разделить на две основные фазы: фазу поджига и фазу разряда. На рисунке 3.6 приведена разрядная характеристика, поясняющая процессы, происходящие в лампе.
В момент подачи напряжения на поджигающий электрод напряжение между анодом и катодом лампы максимально и равно значению, до которого заряжен разрядный конденсатор. По мере ионизации газа внутри лампы происходит постепенное снижение напряжения между анодом и катодом при незначительном увеличении анодного тока, что является следствием постепенного образования ионной дорожки между электродами внутри лампы. В какой-то момент времени внутреннее сопротивление лампы достигнет такого предела, при котором произойдет резкое увеличение анодного тока и разряд конденсатора, иными словами, наступает электрический пробой. Внутри лампы в этот момент происходит образование плазмы, разогретой до температуры 7000÷10000 К, и высвобождение яркого светового импульса с длительностью от 10 мкс до 10 мс. Сопротивление лампы в этот период времени составляет примерно 0,1÷5 Ом. Процесс образования плазмы показан на рисунке 3.5.
По мере разряда конденсатора происходит уменьшение анодного напряжения при постепенном снижении разрядного тока, что ведет к прекращению процесса. Вспышка продолжает «гореть», пока напряжение на лампе не упадет до уровня гашения.
Такой процесс генерации светового импульса является разовым и краткосрочным по времени своего действия. Для его возобновления необходимо повторение описанных выше фаз.
3.2.4 Световая энергия вспышки
Световая энергия определяется произведением светового потока вспышки на ее длительность и косвенно может быть выражена электрической энергией заряженного конденсатора W, Дж:
(3.1)
где С — емкость конденсатора, Ф;
U — напряжение, до которого заряжается конденсатор, В.
Таким образом, изменять световую энергию (мощность) вспышки можно путем увеличения емкости накопительного конденсатора или изменением напряжения на лампе. При этом необходимо учитывать, что электрическая энергия заряда конденсатора может превышать аналогичный параметр самой лампы не более чем на 20% (за счет потерь в соединительных проводах лампы и источника питания). Напряжение должно быть не ниже напряжения зажигания лампы и не должно приближаться к напряжению самопробоя.
3.2.5 Схема включения
Инициация вспышки происходит в момент подачи высоковольтного импульса величиной 2–20 кВ на поджигающий электрод лампы.
Импульс высокого напряжения снимается со вторичной обмотки импульсного высоковольтного трансформатора. Как правило, эти трансформаторы двухобмоточные и имеют соотношение витков первичной обмотки к виткам вторичной обмотки от 1:20 до 1:100.
Рисунок 3.2 – Типовая схема включения
Первичная обмотка имеет небольшое количество витков, предназначена для разряда «поджигающего» конденсатора и выполняется, как правило, «толстым» медным проводом.
Типовая схема включения лампы-вспышки приведена на рисунке 3.2.
Принцип работы управляющей схемы следующий. При подаче напряжения U на схему начинается заряд конденсатора CZ через ограничивающее сопротивление R и первичную обмотку трансформатора. Одновременно с этим происходит процесс заряда накопительного конденсатора CB.
Тиристор VS в этот момент находится в закрытом состоянии. При подаче запускающего импульса на управляющий электрод тиристора VS он открывается, тем самым замыкая разрядный конденсатор CZ на «землю». В этот момент времени конденсатор CZ начинает разряжаться по цепочке тиристор — «земля» — первичная обмотка трансформатора. Образуется своеобразный колебательный контур, в котором возникают затухающие гармонические колебания, частота которых зависит от параметров L и C. Вокруг первичной обмотки трансформатора возникает переменное магнитное поле, которое, пронизывая витки вторичной обмотки трансформатора, наводит в нем ЭДС.
Величина ЭДС зависит от коэффициента трансформации и соотношения витков первичной и вторичной обмоток. Напряжение UZ, равное единицам или десяткам киловольт и снимаемое со вторичной обмотки трансформатора, подается на поджигающий электрод лампы, тем самым вызывая разряд накопительного конденсатора CB через лампу.
4 ОПИСАНИЕ ИСПОЛЬЗУЕМЫХ МИКРОСХЕМ
4.1 Описание модуля MT–16S2H
Жидкокристаллический модуль MT–16S2H состоит из БИС контроллера управления и ЖК панели. Контроллер управляется КБ1013ВГ6, производства ОАО «АНГСТРЕМ», аналогичен HD44780 фирмы HITACHI. Модуль выпускается со светодиодной подсветкой.
Модуль позволяет отображать 2 строки по 16 символов. Символы отображаются в матрице 5*8 точек. Между символами имеется интервал в одну отображаемую точку. Каждому отображаемому на ЖКИ символу соответствует его код в ячейке ОЗУ модуля.
Модуль содержит два вида памяти – кодов отображаемых символов и пользовательского знакогенератора, а также логику для управления ЖК панелью.
Недопустимо воздействие статического электричества больше 30 вольт.
Модуль позволяет:
– модуль имеет программно – переключаемые две страницы встроенного знакогенератора;
– работать как по 8 –ми, так и по 4-х битной шине данных;
– принимать команды с шины данных;
– записывать данные в ОЗУ с шины данных;
– читать данные из ОЗУ на шину данных;
– читать статус состояния на шину данных;
– выводить мигающий (или не мигающий) курсор двух типов;
– управлять контрастностью и подсветкой.
Таблица 4.1- Характеристики модуля MT–16S2H
Название | Обозна- чение | Ucc = 5B | Ucc = 3B | Единицы измерения | |||||||
Min | Nom | Max | Min | Nom | Max | ||||||
Напряжение питания | Лог. | Ucc - GND | 4.5 | 5.0 | 5.5 | 2.7 | 3.0 | 3.3 | В | ||
ЖКИ | Ucc - Uo | 4.8 | 5.0 | 5.2 | - | - | В | ||||
Ток потребления | Icc | - | 0.8 | 1.0 | - | 0.8 | 1.0 | мА | |||
Входное напряжение высокого уровня | UIH | 2.2 | - | Ucc | 2.2 | - | Ucc | В | |||
Входное напряжение низкого уровня | UIL | -0.3 | - | 0.6 | -0.3 | - | 0.4 | В | |||
Выходное напряжение высокого уровня | UOH | 2.4 | - | - | 2.0 | - | - | В | |||
Выходное напряжение низкого уровня | UOL | - | - | 0.4 | - | - | 0.4 | В | |||
Ток подсветки при напряжении Ucc | ILED | - | - | 120 | - | - | 80 | мА |
4.2 Описание микроконтроллера Atmega16
В работе используется 8 – разрядный микроконтроллер семейства AVR Atmega16 (рисунок 4.1). Микроконтроллер изготовлен по КМОП – технологии, которая в сочетании с RICS архитектурой позволяет достичь наилучшего соотношения показателей быстродействие/энергопотребление
Atmega16 включает в себя:
Высокопроизводительный, маломощный 8-разрядный AVR-микроконтроллер;
– 131 мощных инструкций, большинство из которых выполняются за один машинный цикл;
– 32× 8-разрядных регистров общего назначения и регистры управления встроенной периферией;
– полностью статическая работа;
– производительность до 16 миллионов операций в секунду при тактовой частоте 16 МГц;
– встроенное умножающее устройство выполняет умножение за 2 машинных цикла;
– шестнадцат кбайт внутрисистемно перепрограммируемой флэш-памяти;
– память данных (ОЗУ) 512 байт;
– память данных (EEPROM) 512 байт;
– программируемая защита кода программы;
– два 8-разрядных таймера-счетчика с раздельными предделителями и режимами сравнения;
– один расширенный 16-разразрядный таймер-счетчик с отдельным предделителям, режимом сравнения и режимом захвата;
– счетчик реального времени с отдельным генератором;
– два 8-разразрядных канала широтно-импульсной модуляции (ШИМ);
– модулятор выходов сравнения;
– 8 мультиплексированных каналов 10-разрядного аналогово-цифрового преобразования;
– двухпроводной последовательный интерфейс, ориентированный не передачу данных в байтном формате;
– последовательный интерфейс SPI с поддержкой режимов ведущий/подчиненный;
– программируемый сторожевой таймер со встроенным генератором;
– встроенный аналоговый компаратор;
– сброс при подаче питания и программируемая схема сброса при снижении напряжения питания;
– встроенный калиброванный RC-генератор;
– внешние и внутренние источники прерываний;
– программный выбор тактовой частоты;
– общее выключение подтягивающих резисторов на всех линиях портов ввода-вывода.
– напряжение питания 4.5 – 5.5 В;
– потребляемый ток при частоте 8Мгц, при температуре 25 ос и напряжении питания 5В равен 13 мА.
Рисунок 4.1 – Микроконтроллер Atmega16
4.3 Описание стабилизатора напряжения КР1158ЕН501А
Серия интегральных стабилизаторов фиксированного положительного напряжения КР1158ЕНхх, КФ1158ЕНхх с малым падением напряжения вход - выход охватывает диапазон выходных напряжений от 3 до 15В. Все стабилизаторы предназначены для широкой области применения и идеально подходят для нужд автомобильной электроники, так как имеют встроенную защиту от выбросов входного напряжения при сбросе нагрузки генератора до 60 В, защиту при подключении входного напряжения в обратной полярности и от перегрева ИС. Для ограничения рассеиваемой мощности введена блокировка выходного напряжения при входном напряжении более 30 В. Стабилизаторы не выходят из строя при кратковременном подключении выводов в зеркальной последовательности
При превышении режима по одному из параметров происходит срабатывание схем внутренней защиты микросхемы - стабилизатор выключается.
Таблица 4.2 – Параметры стабилизатора напряжения
Типономинал | Uo (В) | Iо(А) рабочий не более | Io max(A) предельный не более | Тип корпуса |
КР1158ЕН501А | 5 | 0.15 | 0.7 | ТО-251 |
4.4 Описание микросхемы UC3843
Интегральная схема (ИС) UC3843 выпускается в корпусах SOIC-8 и SOIC-14, но в подавляющем большинстве случаев встречается ее модификация в корпусе DIP-8. На рисунке 4.3 представлена цоколевка.
Микросхема UC3843 предназначена для построения на ее основе стабилизированных импульсных источников питания (ИП) с широтно-импульсной модуляцией (ШИМ). Поскольку мощность выходного каскада ИС сравнительно невелика, а амплитуда выходного сигнала может достигать напряжения питания микросхемы, то в качестве ключа совместно с этой ИС применяется n-канальный МОП транзистор.
Рисунок 4.3 – Цоколевка микросхемы UC3842
Рассмотрим подробнее назначение выводов ИС для наиболее часто встречающегося восьмивыводного корпуса [7].
Comp (1) – этот вывод подключен к выходу усилителя ошибки компенсации. Для нормальной работы ИС необходимо скомпенсировать АЧХ усилителя ошибки, с этой целью к указанному выводу обычно подключается конденсатор емкостью около 100 пФ, второй вывод которого соединен с выводом 2 ИС.
Vfb (2) – вход обратной связи. Напряжение на этом выводе сравнивается с образцовым, формируемым внутри ИС. Результат сравнения модулирует скважность выходных импульсов, стабилизируя, таким образом, выходное напряжение ИП.
C/S (3) – сигнал ограничения тока. Данный вывод должен быть присоединен к резистору в цепи истока ключевого транзистора (КТ). При повышении тока через КТ (например, в случае перегрузки ИП) напряжение на этом резисторе увеличивается и, после достижения порогового значения, прекращает работу ИС и переводит КТ в закрытое состояние.
Rt/Ct (4) – вывод, предназначенный для подключения времязадающей RC-цепочки. Рабочая частота внутреннего генератора устанавливается подсоединением резистора R к опорному напряжению Vref и конденсатора С к общему выводу. Эта частота может быть изменена в достаточно широких пределах, сверху она ограничивается быстродействием КТ, а снизу - мощностью импульсного трансформатора, которая падает с уменьшением частоты. Практически частота выбирается в диапазоне 35…85 кГц. Следует заметить, что в качестве времязадающего должен применяться конденсатор с возможно большим сопротивлением постоянному току.
Gnd (5) – общий вывод.
Out (6) – выход ИС, подключается к затвору КТ через резистор.
Vcc (7) – вход питания ИС. Рассматриваемая ИС имеет некоторые весьма существенные особенности, связанные с питанием.
Vref (8) – выход внутреннего источника опорного напряжения, его выходной ток до 50 мА, напряжение 5 В.
Источник образцового напряжения используется для подключения к нему одного из плеч резистивного делителя, предназначенного для оперативной регулировки выходного напряжения ИП, а также для подключения времязадающего резистора.
ИС имеет некоторые особенности, связанные с ее питанием. Рассмотрим их подробнее. В первый момент после включения ИП в сеть внутренний генератор ИС еще не работает, и в этом режиме она потребляет от цепей питания очень маленький ток. Для питания ИС, находящейся в этом режиме, достаточно напряжения, получаемого с резистора R2 и накопленного на конденсаторе C5. Когда напряжение на этих конденсаторе достигает значения 7.8…9 В, запускается генератор ИС, и она начинает формировать на выходе импульсы управления КТ. На вторичных обмотках трансформатора ТV1, в том числе и на обмотке 3-4, появляется напряжение. Это напряжение выпрямляется импульсным диодом VD4, фильтруется конденсатором C4, и через диод VD5 подается в цепь питания ИС. В цепь питания включается стабилитрон VD6, ограничивающий напряжение на уровне 14…16 В. После того, как ИС вошла в рабочий режим, она начинает отслеживать изменения своего питающего напряжения, которое через делитель R5, R8 подается на вход обратной связи Vfb. Стабилизируя собственное напряжение питания, ИС фактически стабилизирует и все остальные напряжения, снимаемые со вторичных обмоток импульсного трансформатора.
При замыканиях в цепях вторичных обмоток, например, в результате пробоя электролитических конденсаторов или диодов, резко возрастают потери энергии в импульсном трансформаторе. В результате напряжения, получаемого с обмотки 3-4, недостаточно для поддержания нормальной работы ИС. Внутренний генератор отключается, на выходе ИС появляется напряжение низкого уровня, переводящее КТ в закрытое состояние, и микросхема оказывается вновь в режиме низкого потребления энергии. Через некоторое время ее напряжение питания возрастает до уровня, достаточного для запуска внутреннего генератора, и процесс повторяется.
5. РАСЧЕТНАЯ ЧАСТЬ
Произведем расчет делителя напряжения по каналу измерения напряжения аккумуляторной батареи
Примем R17 = 1 кОм, Uвхmax = 40 В, Uвыхmax = 5В. Тогда , Ом определим по формуле (5.1)
Ом (5.1)
где
Для нахождения параметров время задающей цепи (R4C6) примем:
f = 60 кГц (частота преобразований), R4 = 20 кОм. Тогда С6, в нФ выразим из формулы:
(5.2)
нФ
Произведем расчет выходной мощности , Вт преобразователя собранного на микросхеме UC3843.
(5.3)
где fр – частота импульсов идущих на лампу вспышку, Гц.
Вт
Определим коэффициент трансформации повышающего трансформатора преобразователя по формуле 5.3
, (5.3)
где В, рабочее напряжение транзистора;
В - выходное напряжение преобразователя;
В - напряжение питания;
- коэффициент запаса;
- коэффициент трансформации;
Выразим К12 из формулы 5.3
Приведем емкость высоковольтного конденсатора к первичной цепи
мкФ (5.4)
Рисунок 5.1 – Фаза заряда дросселя
(5.5)
(5.6)
Рисунок 5.2 - Режим прерывистых токов дросселя
(5.7)
(5.8)
(5.9)
(5.10)
(5.11)
(5.12)
Найдем индуктивность дросселя L, в Гн приравняв (5.12) к (5.3), получим
, где (5.13)
= 60000 Гц, частота работы преобразователя.
С учетом КПД
(5.14)
Примем = 0.25 А,
= 0.8. Подставим эти значения в формулу 5.14 найдем индуктивность дросселя.
В
мкГн
Выбираем магнитопровод К12×5×5.5 из феррита 4000НМ с параметрами
So =20 мм2, S = 18.1 мм2, lср=23.6 мм
Число витков в первичной обмотки [13] определим по формуле 5.15
, (5.15)
где - коэффициент индуктивности, Гн.
Вычислим величину немагнитного зазора δ, в мм [14] по формуле 5.16
мм(5.16)
Определим число витков во вторичной обмотке
(5.17)
Определим число витков в обмотке обратной связи
(5.18)
Рассчитаем диаметры проводов обмотки d, в мм трансформатора [3], значения токов первичной и вторичной обмоток возьмем из математической модели построенной в MATLAB.
Зададимся плотностью тока J = 2.5 А/мм2.
i1 = 0.096 A;
i2 = 0.005 A;
мм(5.19)
мм
мм
6. БЛОК СХЕМЫ ПРОГРАММНОГО ОБЕСПЕЧЕНИЯ СТРОБОСКОПА
Блок – схема «основной цикл»
Инициализация (настройка портов контроллера)


Инициализация ЖКИ
Обнуление счетного регистра Pezim
Вывод на ЖКИ «Работа»
Нет


Да

Pezim увеличить
на 1
Пауза 1 с
=3
=1
=2
Подпрограмма
Tahometr
Подпрограмма
Stroboskop
Подпрограмма
Haprezenie
Вывод на ЖКИ «Работа»
Вывод на ЖКИ «Работа»
Вывод на ЖКИ «Работа»
Рисунок 6.1 – Основной цикл
Блок – схема «инициализация ЖКИ»
Пауза 20 мкс
Установка разрядности интерфейса

Запись команды в ЖКИ
Пауза 40 мкс
Установка разрядности интерфейса

Запись команды в ЖКИ

Установка разрядности интерфейса
Запись команды в ЖКИ

Пауза 40 мкс

Пауза 40 мкс
Установка 8 битного интерфейса

Запись команды в ЖКИ



Очистка дисплея
Запись команды в ЖКИ

Сдвиг курсора вправо
Запись команды в ЖКИ


Включение дисплея
Запись команды в ЖКИ


Включение дисплея
Запись команды в ЖКИ
Рисунок 6.2 – Инициализация ЖКИ
Блок – схема «вывод информационной строки»
Очистка символа в строке
Установка курсора на начало строки




Нет
Выход в основной цикл


Да
Чтение текущего адреса из ЖКИ
Переход на другой символ в строке
Передача данных



Рисунок 6.3 – Вывод информационной строки
Блок – схема «подпрограмма – установка курсора на начало строки»
Ожидание готовности
Разрешение передачи команды
Запись команды в ЖКИ
Рисунок 6.4 – Подпрограмма – установка курсора на начало строки
Блок – схема «подпрограмма – передача данных»
Ожидание готовности
Разрешение передачи данных

Запись данных в ЖКИ
Рисунок 6.5 – Подпрограмма – передача данных
Блок – схема «подпрограмма напряжение»
Запуск АЦП
Нет

Да

Вычисление текущего значения преобразования
Преобразование результата в десятичную форму
Форматирование результата


Вывод числового значения в ЖКИ
Выход в основной цикл
Рисунок 6.6 – Подпрограмма напряжение
Блок – схема «подпрограмма – импульсы на лампу»
Нет
Да


Пауза длительностью в градус
Активизация порта
Формирование вспышки

Очистка регистра Z
Выключение порта
Возврат в подпрограмму «Стробоскоп»
Рисунок 6.7 – Подпрограмма – импульсы на лампу
Блок – схема «Выбор»
Обработка подпрограммы «Выбор» осуществляется по внешнему прерыванию INT0 микроконтроллера.
Z1 = UGL
R увеличить на 1
Pezim увеличить на 1
Да

Нет


Пауза 1 с
Возврат в точку вызова

Рисунок 6.8 – Подпрограмма – выбор
7. ПРОГРАММНОЕ ОБЕСПЕЧЕНИЕ СТРОБОСКОПА
#include
#include //для доступа к sei
#include //для доступа к макросу SIGNAL
#include
#include
#include
#define Freq 8000000//частота системной синхронизации в Гц
int ZhachPreob,Napr,n,R,Pezim,c,U,Z,Z1,I,N;
unsigned int CurrentTime,PreviousTime,T,UGL;// временные переменнные
unsigned char addr;
//---------Интерфейс ЖКИ-----------//
// A0 R/W E DB0 DB1 DB2 DB3 DB4 DB5 DB6 DB7//
// PA5 PA6 PA7 PC0 PC1 PC2 PC3 PC4 PC5 PC6 PC7//
//---------------------------------//
#define A0 PA5//линия выбора регистра
#define RW PA6//линия выбора операции
#define E PA7//линия стробирования / синхронизации
#define BS PC7//флаг занятости
unsigned char str1[] = "Работа";
unsigned char str2[] = "Стробоскоп";
unsigned char str3[] = "Тахометр";
unsigned char str4[] = "Вольтметр";
char buffer[15];
//--------------------------Ожидание готовности------------------------------------
void LCD_wait (void)
{
do
{
DDRC = 0x00;//порт на вход
PORTC = 0xFF;//подтяжка
PORTA &=~_BV(A0);//A0=0 (команда)
PORTA |=_BV(RW); //RW=1 (чтение)
PORTA |=_BV(E);//E=1
_delay_us(0);//задержка в 1 mc
PORTA &=~_BV(E);//E=0
}
while (bit_is_set(PINC,BS)); //ожидать сброса флага занятости
PORTA &=~_BV(RW);//RW=0
PORTA &=~_BV(E);//E=0
}
//-------------------------Запись в LCD------------------------------------------------
void LCD_write (unsigned char p)
{
PORTA &=~_BV(RW);//RW=0
PORTA |=_BV(E);//E=1
DDRC = 0b11111111;//порт C на выход
PORTC = 0b00000000;//подтяжка порта C
_delay_us(0);//задержка в 1 mc
PORTC = p;//запись байта
_delay_us(0);
PORTA &=~_BV(E);//E=0
PORTA &=~_BV(RW);//RW=0
DDRC = 0x00;//порт C на вход
PORTC = 0xFF;
_delay_us(0);
}
//------------------------Чтение из LCD----------------------------------------------
unsigned char LCD_read(void)
{
unsigned char p;//p-прочитанный байт данных
PINC = 0x00;//порт на вход
PORTC = 0xFF;//подтяжка
PORTA |=_BV(RW); //RW=1 (чтение)
PORTA |=_BV(E);//E=1
_delay_us(0);
p = PINC;//чтение входных данных
PORTA &=~_BV(E);//E=0
_delay_us(0);
PORTA &=~_BV(RW);//RW=0
PORTA &=~_BV(E);//E=0
return (p);
}
//-----------Функция ЗАПИСИ КОМАНДЫ (IR) в ЖКИ-----------------------
void LCD_com_write (unsigned char p)//p-байт команды
{
LCD_wait ();//ожидание готовности
PORTA &=~_BV(A0);//A0=0 (команда)
LCD_write (p);//запись команды в ЖКИ
}
//---------Функция ЗАПИСИ ДАННЫХ (DR) в ЖКИ--------------------------
void LCD_data_write (unsigned char p)//p-байт данных
{
LCD_wait ();//ожидание готовности
PORTA |=_BV(A0);//A0=1 (данные)
LCD_write (p);//запись команды в ЖКИ
}
//----------Функция ЧТЕНИЯ СЧЕТЧИКА АДРЕСА ЖКИ-------------------
unsigned char LCD_addr_read(void)
{
unsigned char p;//содержимое счетчика адреса
LCD_wait ();
PORTA &=~_BV(A0);//A0=0 (команда)
p = LCD_read();//чтение команды из ЖКИ
p = (p & 0b01111111);//отбрасывание бита занятости
return (p);//функция возвращает прочитанное
// содержание адреса счетчика
}
//--------Функция ЗАПИСИ команды в ЖКИ (при инициализации)--------
void LCD_com_init (unsigned char p)
{
DDRC = 0b11111111;//порт D на выход
PORTC = 0b00000000;//подтяжка порта D
PORTA &=~_BV(A0);//A0=0 (команда)
PORTA &=~_BV(RW);//RW=0
PORTA |=_BV(E);//E=1
_delay_us(60);//задержка в 1 mc
PORTC = p;//запись байта
_delay_us(60);
PORTA &=~_BV(E);//E=0
_delay_us(0);
PORTA &=~_BV(RW);//RW=0
_delay_us(60);
}
//---------------Функция иницилизации ЖКИ-------------------------------------
void LCD_init ()
{
_delay_ms(20);//ожидание 20 мс
LCD_com_init(0x33);//установка разрядности интерфейса
_delay_ms(40);
LCD_com_init(0x33);//установка разрядности интерфейса
_delay_ms(40);
LCD_com_init(0x33);//установка разрядности интерфейса
_delay_ms(40);
LCD_com_init(0x3A);//8 битный интерфейс, 1 страница знакогенератора
LCD_com_init(0x08);//включение дисплея
LCD_com_init(0x01);//очистка дисплея
LCD_com_init(0x06);//сдвиг курсора вправо
LCD_com_init(0x0F);//включение дисплея, мигающий курсор
}
//--------Функция вывода строки в ЖКИ по адресу "addr"-------------------
void LCD_out_str(unsigned char str[],unsigned char addr)
{
unsigned char a;//номер символа в стоке
unsigned char addr_t;//текущее содержание счетчика адреса ЖКИ
a = 0;
LCD_com_write ((addr + 0x80));//установка курсора на начало строки
while (str[a] !='\0')//ждать окончания строки
{
addr_t = LCD_addr_read();//стение текущего адреса вЖКИ
if (addr_t > 0x10)//если курсор уходит из видимой
{// области первой строки, то
LCD_com_write (0x80);// восстанавливаем его на начало
// первой строки
}
LCD_data_write(str[a]);//Передача данных
a++;
}
}
//-----------------------------------Процедура Импульс 1---------------------------
void P (void)//формирование импульса к лампе вспышке
{
if (Z1>Z) { _delay_loop_2(Z1);}
DDRA = 0xE2;
PORTA = 0x1D;
_delay_loop_2(40);//длительность вспышки
Z1 = 0;
DDRA = 0x1F;
PORTA = 0xE0;
}
//-------------------------Прерывание-------------------------------------------------
SIGNAL (SIG_INTERRUPT1)
{
Z1 = UGL;//сдвинуть периода на градус
R++;//отсчет градусов
Pezim++;
if (Pezim < 3)
{
_delay_loop_2(31250);}//задержка в 1 секунду
}
}
//---------Процедура расчета напряжения-----------------------------------------
void Haprezenie (void)
{
DDRA = 0xE2;
PORTA =0x1D;
ADCSRA = (1< loop_until_bit_is_set(ADCSRA,ADIF); //ожидаем флаг прерывания ADIF ZhachPreob = (ADCH*255) + ADCL; //вычисляем текущее значение // преобразования Napr = ZhachPreob*5/255; //получим значение измеренного // напряжения в десятичной форме sprintf(buffer,"%06u",Napr); //форматирование - представление //числового результата LCD_out_str (buffer,0x40);//вывод числового значения на ЖКИ, 2 // строка } //------------------------------------------------------------------------------ void Tahometr (void) { if(PIND & 0x01)== 0x01)//высоковольтный провод (емкостной //синхронизатор) { CurrentTime = TCNT1; //записываем текущее значение таймера //если нет переполнения, то if (CurrentTime > PreviousTime) T = CurrentTime - PreviousTime; //если есть переполнение Т/С else T = 0xFFFF + CurrentTime - PreviousTime; PreviousTime = CurrentTime;//текущее значение стало предыдущим U=60.0*2*31250/(T);//скорость вращения коленвала sprintf(buffer,"%06u",U); //форматирование LCD_out_str (buffer,0x40);//Вывод числового значения на ЖКИ, 2 // строка } if(PIND & 0x04)== 0x04)//низковольтный провод (коммутатор) { CurrentTime = TCNT1; //записываем текущее значение таймера //если нет переполнения, то if (CurrentTime > PreviousTime) T = CurrentTime - PreviousTime; //если есть переполнение Т/С else T = 0xFFFF + CurrentTime - PreviousTime; PreviousTime = CurrentTime;//текущее значение стало предыдущим U=60.0*31250/(0.5*T);//скорость вращения коленвала sprintf(buffer,"%06u",U); //форматирование LCD_out_str (buffer,0x40);//вывод числового значения на ЖКИ, 2 // строка } } void Stroboskop (void) { int c ++; CurrentTime = TCNT1;//записываем текущее значение таймера //если нет переполнения, то if (CurrentTime > PreviousTime) T = CurrentTime - PreviousTime; //если есть переполнение Т/С else T = 0xFFFF + CurrentTime - PreviousTime; PreviousTime = CurrentTime;//текущее значение стало предыдущим if (c=3) { if(PIND & 0x01)== 0x01)высоковольтный провод (емкостной //синхронизатор) { UGL=T/720; //2 оборота 1 импульс n = 31250/T; // частота искрообразований R = 0;//обнуление счетного регистра Z = 0; while ((PINB & 0x01)== 0x01) //пока режим нажат в цикле "режим" i = 0; { for (i = 0, i = n, i ++)//импульсы на HL { if (i = 1) P(); else if (i = n/2) P(); else if (i = n) P(); _delay_loop_2(T/n); sprintf(buffer,"%06u",R); //форматирование LCD_out_str (buffer,0x40);//вывод числового значения на ЖКИ } } } if (PIND & 0x04) == 0x04)//низковольтный провод (коммутатор) { UGL=T/180; //1 оборот 2 импульс n = 31250/T; // частота искрообразований R = 0;//обнуление счетного регистра Z = 0; while ((PINB & 0x10)== 0x10) //пока режим нажат в цикле "режим" i = 0; { for (i = 0, i = n, i ++)//импульсы на HL { if (i = 1) P(); else if (i = n/2) P(); else if (i = n) P(); _delay_loop_2(T/n); sprintf(buffer,"%06u",R); //форматирование LCD_out_str (buffer,0x40);//вывод числового значения на ЖКИ } } } } int main (void) { //--------------------------------/*Настройка портов*/------------------------------- DDRB = 0x00;//PB0 - режим PORTB =0xFF; DDRD = 0x00;// PD2 - выбор (по внешнему прерыванию), PORTD =0xFF; DDRA = 0xE2;//PA1-вход c датчика напряжения PORTA =0x1D;//PA2-выход на лампу HL //------------------------------------------------------------------------------------------- //-------------------------------/*Настройка таймера*/------------------------------ TCCR1A = 0;//режим ШИМ выключен TCCR1B = _BV(CS12);//коэффициент деления частоты системной // синхронизации = 256 //------------------------------------------------------------------------------------------- //--------------------------------/*Настройка АЦП*/--------------------------------- ADCSRA = (1< // работу АЦП, делитель частоты // АЦП =64(8000000МГц/64=125кГц) ADMUX = (1< // по правому краю выбран первый канал // напряжение питания AVcc //------------------------------------------------------------------------------------------- //---------------------------------/*Настройка прерываний*/----------------------- GICR = 0x40;//разрешить прерывания по выводу INT0 MCUCR = (1< //------------------------------------------------------------------------------------------- sei ();//разрешить прерывания //----------------------------------------------ЖКИ-------------------------------------- LCD_init();//инициализация while(1) { Pezim = 0;//обнуление счетного регистра LCD_out_str (str1,0x00); while ((PINB & 0x01) == 0x01) { if (Pezim ==1) Haprezenie (); if (Pezim ==2) Tahometr (); if (Pezim ==3) Stroboskop (); if (Pezim ==3) LCD_out_str (str2,0x00);//стробоскоп if (Pezim ==2) LCD_out_str (str3,0x00);//тахометр if (Pezim ==1) LCD_out_str (str4,0x00);//вольтметр } } } При использовании стробоскопа с лампой вспышкой необходимо заменить «процедуру Импульс 1» на «процедуру Импульс 2» //---------------------------------Процедура Импульс 2---------------------------- void P (void)//формирование импульса к лампе вспышке { if (Z1>Z) { _delay_loop_2(Z1);} DDRA = 0xE2; PORTA = 0x1D; _delay_loop_2(40);//длительность вспышки Z1 = 0; DDRA = 0x1F; PORTA = 0xE0; } 8. ПЕЧАТНЫЕ ПЛАТЫ Для обеспечения нормальной работы электронных устройств, необходимо чтобы печатные платы, на которых монтируются электрические схемы, удовлетворяли целому ряду требований: 1) В зависимости от числа проводящих слоев содержащих печатные проводники печатные платы делятся на: - односторонние; - двухсторонние без металлизации отверстий, - двухсторонние с металлизацией отверстий; - многослойные. В зависимости от точности выполнения элементов печатного рисунка печатные платы в соответствии с ГОСТ23751 делятся на 5 классов точности. 2) Печатные платы 1 и 2 класса точности изготавливаются из прецизионного сырья на простом технологическом оборудовании. Печатные платы 3 и 4 класса точности изготавливаются чистого сырья на простом технологическом оборудовании. Печатные платы 5 класса точности изготавливают из чистого сырья на прецизионном оборудовании. 3) Для изготовления односторонних и двухсторонних печатных плат без металлизированных отверстий широко используется химический метод (метод травления). 4) Для обеспечения постоянства электрических параметров печатной платы используются металлические и неметаллические конструкционные покрытия. Металлические конструкционные покрытия используются для увеличения нагрузочной способности по току и улучшения пайки выводов к печатным площадкам (Сплав РОЗЕ). Неметаллические конструкционные покрытия: - лак УР-231, который наносят на печатные проводники для защиты их от электрических замыканий на металлические конструкционные элементы аппаратуры; эмали для защиты печатной платы от расплавленного припоя при пайке групповым методом. 4) Трассировка печатных проводников 1) Печатные проводники должны располагаться равномерно по всей площади печатной платы. 2) Печатные проводники должны быть параллельны сторонам печатной платы, либо быть под углом кратным 15 град. 3) Существуют две разновидности трассировки печатных плат: - прямая (для односторонних и двухсторонних печатных плат); - ортогональная или координатная (для двухсторонних печатных плат). 4) Расстояние от края печатной платы до ближайшего печатного проводника должно быть не менее толщины печатной платы. 5) Расстояние между проводниками должно быть максимально возможным; 6) Если пайка печатного узла выполняется волной, то печатные проводники на стороне пайки должны быть расположены параллельно движению волны припоя. а б а 9. КОНСТРУКТОРСКАЯ ЧАСТЬ На рисунке 9.1 изображен внешний вид автомобильного стробоскопа. Данное устройство выполняет следующие функции: измерение напряжения, измерение количества оборотов двигателя, измерение УОЗ. Это устройство в своем составе имеет следующие элементы: жидкокристаллический индикатор, кнопки управления работой стробоскопа («Режим и Выбор»), излучающий элемент зависимости от исполнения может быть либо лампой – вспышкой либо светодиодом. Питание стробоскоп получает от бортовой сети автомобиля. Рисунок 9.1 – Внешний вид стробоскопа 10. ОРГАНИЗАЦИОННО-ЭКОНОМИЧЕСКАЯ ЧАСТЬ Разработка и создание автомобильного стробоскопа с микроконтроллерным управлением относится к научно-исследовательской работе (НИР). Затраты на проведение НИР Знир, в руб по данной устройству определяются по формуле [18]: Знир=Ззп+Зотч+Знр +Зм,(10.1) гдеЗзп – затраты на заработную плату руководителя, инженера исследователя и техника; Зотч – отчисления на социальное, медицинское страхования и в другие фонды; Знр – затраты на накладные расходы; Зм – затраты на материалы и оборудование. Заработная плата исполнителей работ состоит из основной и дополнительной заработной платы [19]. Исходные данные для расчёта затрат на заработную плату исполнителей работ сведены в таблицу 10.1. Таблица 10.1 ― Исходные данные для расчёта затрат на заработную плату Наименование величины Обозна-чение Единица измерения Численное значение Период проведения НИР Тнир неделя 16 Число часов работы в месяц (из расчёта, что в месяце 20 рабочих дня) Тмес час 160 Разряд руководителя (главного научного сотрудника) Рр – 6 Коэффициент разрядной сетки руководителя Кр – 1.71 Разряд инженера-исследователя Ри – 4 Коэффициент разрядной сетки инженера-исследователя Ки – 1.33 Разряд техника Рт – 3 Коэффициент разрядной сетки техника Кт – 1.21 Минимальная заработная плата Змин руб. 5000 Месячные оклады исполнителей работ определяются на основании минимальной заработной платы для работников госбюджетных организаций России с учётом коэффициента разрядной сетки и составляют: – для руководителя: Ор=Змин∙Кр=5000∙1.71=8550 руб.,(10.2) – для инженера - исследователя: Ои= Змин∙Ки=5000∙1.33=6650 руб,(10.3) – для техника: От= Змин∙Кт=5000∙1.21=6050 руб,(10.4) гдеЗмин, Кр, Ки, Кт – данные по таблице 10.1. Среднечасовая ставка научно-исследовательского персонала определяется: – для руководителя: – для инженера - исследователя: – для техника: гдеТмес – в таблице 10.1. Затраты времени на проведение работ, ленточный график проведения работ по неделям, а также результаты расчёта основной заработной платы сводим в таблицу 10.2. Таблица 10.2 – Основная заработная плата и график выполнения работ Этапы работы и их наименование Затраты времени, час. Среднечасовая тарифная ставка Сч, руб./час Основная заработная плата Зосн, руб. График выполнения работ по неделям Сентябрь Октябрь Ноябрь Декабрь 1 2 3 4 1 2 3 4 1 2 3 4 1 2 3 4 Работа руководителя 53.43 Выдача задания 1 53.4 + Консультации 162 8655.6 + + + + + + + + + + + + + + + + Проверка практических расчётов 8 427.4 + + + + Отладка системы и её пуск 2 106.8 + Всего 173 9244.2 Работа инженера-исследователя 41.56 Подбор и изучение литературы 20 831.2 + + Обзор схем стробоскопов 10 415.6 + + Описание принципа действия 12 498.7 + + + Принципиальная электрическая схема 25 1039.0 + + + + + Этапы работы и их наименование Затраты времени, час. Среднечасовая тарифная ставка Сч, руб./час Основная заработная плата Зосн, руб. График выполнения работ по неделям Сентябрь Октябрь Ноябрь Декабрь 1 2 3 4 1 2 3 4 1 2 3 4 1 2 3 4 Обзор используемых микросхем 5 41.56 207.8 + + + Блок - схемы и программное обеспечение 40 1662.4 + + + Разработка печатных плат 15 623.4 + + + + + Отладка системы и её пуск 20 831.2 + + + Оформление пояснительной записки и чертежей 100 4156.0 + + + + + + Всего 247 10264.3 Работа техника 37.81 Изготовление печатных плат 20 756.2 + + + + + Паяние 10 378.1 + + + Монтаж 10 378.1 + + Отладка системы и её пуск 10 378.1 + + + Всего 50 1890.5 Итого 480 – 21401.0 Основная заработная плата на период выполнения НИР составляет: – для руководителя: Зосн. р=Счр∙Тр. р=53.43∙173=9244.2 руб.;(10.8) – для инженера - исследователя: Зосн. и=Счи∙Тр. и=41.56∙247=10264.3 руб.(10.9) – для техника: Зосн. т=Счт∙Тр. т=37.81∙50=1890.5 руб. (10.10) где Тр. р, Тр. и Тр. т – затраты времени на проведение работ руководителем, инженером - исследователем и техником соответственно (таблица 10.2). Суммарная основная заработная плата Зосн, в руб исполнителей работ Зосн= Зосн. р+ Зосн. и+ Зосн. т =9244.2 +10264.3 +1890.5 =21401.0 руб. (10.11) Дополнительная заработная плата Здоп, руб научно-исследовательского персонала устанавливается в размере 12% от основной Здоп=0.12∙ Зосн=0.12∙21401.0 =2568.6 руб.(10.12) Общая заработная плата Ззп, руб. Ззп= Зосн+ Здоп=21401.0 +2568.6 =23969.6 руб.(10.13) Отчисления Зотч, руб на социальное, медицинское страхования и в другие фонды составляет 39% от общей заработной платы Зотч=0.39∙Зобщ=0.39∙23969.6 =9348.0 руб.(10.14) Накладные расходы Знр,руб по управлению и обслуживанию для научно-исследовательских учреждений определяются в размере 100% от основной заработной платы и составляют: Знр=Зосн=21401.0 руб.(10.15) Стоимость материалов и комплектующих изделий, использованных при создании лабораторной установки, рассчитывается на основании стоимости отдельных узлов и модулей электропривода. Результат сводим в таблицу 10.3. Цена изделий договорная. При изготовлении лабораторной установки были израсходованы припой, флюс, монтажные провода, вспомогательные материалы, стоимость Св.м, руб которых принимается равной 5% от стоимости комплектующих изделий с учётом монтажа и составляет: Св.м=0.05∙См=0.05∙1585=79.3 руб.(10.16) Таблица 10.3 ― Затраты на материалы Наименование изделия Стоимость,руб. Стоимость монтажа, руб. Суммарные затраты, руб. Конденсаторы 68 15 83 Трансформаторы 400 17 417 Микроконтроллер 165 35 200 Жидкокристаллический модуль 350 10 360 Транзисторы 32 10 42 Тиристор 38 7 45 Диоды 42 8 50 Светодиод 50 8 58 Лампа - вспышка 134 10 144 Микросхемы 45 15 60 Резисторы 50 10 60 Дроссель 5 1 6 Разъёмы и зажимы 40 20 60 Итого 1419 166 1585 Таким образом, затраты на материалы и оборудование Зм, руб определяем: Зм=См+ Св.м=1585 + 79.3 =1664.3 руб.(10.17) Подставляя в формулу (12.1) все составляющие, получаем: Знир=23969.6 +9348.0 +21401.0 +1664.3=56381.9 руб. По результатам проведённых расчётов составим сводную таблицу 10.4 затрат с учётом процентного соотношения позиций. Таблица 10.4 ― Сводная таблица затрат на проведение НИР Наименование затрат Сумма, руб. В % к итогу Зарплата исследовательского персонала (основная и дополнительная) 23969.6 42.51 Отчисления на социальное, медицинское страхования и в другие фонды 9348.0 16.57 Накладные расходы 21401.0 37.95 Затраты на материалы и оборудование 1664.3 2.97 Итого 56381.9 100.00 Общие затраты на проведение работ составляют 56381.9рубля. Анализ результатов организационно-экономического расчёта показывает, что основную часть затрат на проведение НИР составляют заработная плата научно-исследовательского персонала 23969.6 руб. (42.51%) и накладные расходы по управлению и обслуживанию 9348 руб. (37.95%). Затраты на материалы и оборудование составляют лишь 1664.3 руб. (2.97%) от общих затрат на проведение научно-исследовательской работы. 11. БЕЗОПАСНОСТЬ И ЭКОЛОГИЧНОСТЬ ПРОЕКТА Целью раздела ''Безопасность и экологичность'' является выявление опасных и вредных производных факторов, возникающих при изготовлении, монтаже и эксплуатации проектируемого оборудования, а также разработка конкретных технических мероприятий для обеспечения безопасных и безвредных условий труда обслуживающего персонала. Раздел безопасности и экологичности в данном дипломном проекте разработан применительно к ремонтномеханической мастерской , являющейся помещением с повышенной электрической опасностью II – класса, пожарная безопасность категория Д. В данном дипломном проекте рассматривается автомобильный стробоскоп с микропроцессорным управлением. Ремонтномеханическая мастерская имеют следующие основные параметры: – суммарная мощность потребления P∑=10 кВт; – питающее напряжение U=220 В; – частота сети f = 50 Гц; Согласно ГОСТ 12.0.003-74 ССБТ «Опасные и вредные производственные факторы. Классификация» все опасные и вредные производственные факторы делятся по природе действия на физические, химические, биологические и психофизиологические. Физические факторы: – воздействие движущихся механических устройств, стружки вызывающие механические травмы; – повышенный уровень шума и вибрации на рабочем месте; – воздействие электрического тока на тело человека; – повышение или понижение температуры воздуха рабочей зоны; – недостаточная освещенность рабочей зоны; – выделение вредных веществ; – воздействие на человека тепловых, электромагнитных излучений. Воздействие указанных неблагоприятных факторов приводит к производственным травмам, заболеваниям, снижению работоспособности. Согласно ГОСТ 12.1.005-88 ССБТ «Общие санитарно-гигиенические требования к воздуху рабочей зоны» определяются оптимальные и допустимые параметры микроклимата в производственном помещении с категорией работы 2а. Оптимальные и допустимые величины показателей микроклимата в производственных помещениях. Показателями, характеризующими микроклимат, являются: температура воздуха в помещении tп, оС; относительная влажность воздуха , %; скорость движения воздуха V, м/с; интенсивность теплового излучения Е, Вт/м2. Оптимальные и допустимые показатели температуры, относительной влажности и скорости движения воздуха в рабочей зоне производственных помещений должны соответствовать значениям, указанным в таблице 13.1. Допустимые величины показателей микроклимата устанавливаются в случаях, когда по технологическим и экономическим причинам не обеспечиваются оптимальные нормы. Таблица 11.1 – Нормированные параметры микроклимата Период года Температура, С Относительная влажность воздуха, % Скорость движения воздуха, м/с Едоп, Вт/м2 опт. доп. опт. доп. опт. доп. верх. нижн Холодный 19-21 23 17 40-60 75 0.2 0.1-0.3 35 Теплый 20-22 27 18 40-60 75 0.2 0.1-0.4 35 Для поддержания на заданном уровне параметров микроклимата применяется вытяжная вентиляция, схема которой приведена на рисунке 11.1. 1 - устройство для выброса воздуха (вытяжная шахта); 2 - устройство для очистки воздуха от пыли; 3 - задвижка; 4 - воздухопровод; 5 - вентилятор; 6 - вытяжные отверстия; 7 - электропривод задвижки. Рисунок 11.1 - Схема вытяжной вентиляции. Для обеспечения благоприятных условий труда в мастерской применяют систему общего освещения. Освещение на рабочем месте производится согласно СНиП 23-05-95 «Естественное и искусственное освещение. Нормы проектирования». В таблице 112 представлены нормы проектирования освещенности Таблица 112 – Нормы проектирования освещенности Характеристика зрительной работы Наименьший размер объекта различения, мм Разряд зрительной работы Контраст различения с фоном Характеристика фона Освещенность при искусствен- ном освещении, лк Высокой точности 0.3-0.5 III, в Средний Средний 300 Искусственное освещение подразделяется на рабочее, аварийное и дежурное. Аварийное освещение разделяется на освещение безопасности и эвакуационное. Искусственное освещение может быть двух систем – общее аварийное и комбинированное освещение. Характеристики зрительной работы: – наименьший или эквивалентный размер объекта различения 0.3 – 0.5 мм; – разряд зрительной работы – высокоточный; – контраст различия объекта с фоном – независимо от характеристик фона и контраста объекта с фоном; – нормативно - минимальная освещенность Е = 300 лк. = 0.30.5 мм. Наличие в мастерской окон, позволяет осуществить на ряду с искусственным и естественное освещение в светлое время суток. В соответствии со СНиП 23 – 05 - 95 минимальный коэффициент освещенности для работ низкой точности при боковом освещении равен 0.3 %. Применение местного освещения в лаборатории допускается. Схема подключения газоразрядной лампы приведена на рисунке 11.2. Схема подключения газоразрядных ламп в сеть представлена на рисунке 11.3. Включение ламп согласно рисунку 11.3 позволяет исключить явление стробоскопического эффекта. L - фазный проводник; LН - дроссель для запуска лампы; HL - люминесцентная лампа; SF - стартер (ионное реле); N - нулевой проводник; С - конденсатор для улучшения работы стартера. Рисунок 11.2 - Схема подключения газоразрядной лампы. Для освещения мастерской следует применять газоразрядные лампы в связи с преимуществом их перед лампами накаливания экономического и светотехнического характера. В помещении мастерской используют газоразрядные лампы ЛБ-80 – 4. Газоразрядные лампы ЛБ-80-4 имеют ряд преимуществ: – высокая световая отдача (80-120 лм/Вт); – большой срок службы (до 10000 ч); – световой поток имеет зеленую полосу в спектре. HL1 HL2 HL3 l1 l2 l3 N Рисунок 11.3 - Схема подключения газоразрядных ламп в сеть. Нормирование параметров вибрации производится согласно ГОСТ 12.1.012-90 ССБТ ''Вибрация. Общие требования безопасности''. Нормируемым параметром вибрации зданий, помещений, оборудования является уровень действующего значения колебательной скорости L, дБ, определяемой относительно порогового значения =5,10-8 м/с. Нормы вибрации для производственных помещений с источником вибраций приведены в таблице 11.3. Таблица 11.3 – Нормы гигиенической вибрации Вид вибрации Значение виброскорости, м/с*10-2 (числитель) Уровни виброскорости, дб (знаменатель) Среднегеометрическая частота в октавных полосах, Гц 1 2 4 8 16 31.5 63 125 250 500 1000 в производственных помещениях, в машинных отделениях – 1.3 0.45 0.22 0.20 0.20 0.20 – – – – – 108 99 93 92 92 92 – – – – Снижение вибрации ведется по двум направлениям: снижение вибрации в её источнике; снижение вибрации на пути её распространения; снижение вибрации в источнике Источниками шума являются различные машины и механизмы, вентиляционные установки, электрические машины и трансформаторы. Основным методом нормирования шума является нормирование по предельному спектру. Здесь нормируются уровни звуковых давлений в восьми октавных полосах частот со среднегеометрическими частотами 31,5; 63; 125; 250; 500; 1000; 2000; 4000; 8000 Гц. Шум не должен превышать допустимых уровней, значения которых приведены в ГОСТ 12.1.003 – 83 ССБТ ''Шум. Общие требования безопасности'' и представлены в таблице 11.4. Таблица 11.4 – Допустимые уровни звукового давления Рабочие места Уровни звукового давления, дБ, в октавных полосах со среднегеометрическими частотами, Гц Эквивал уровни звука, дБ(А) 31.5 63 125 250 500 1000 3000 4000 8000 Рабочие места водителей машин и обслужива-ющего персонала 104 99 92 86 83 80 78 76 74 80 О Строительные нормы и правила. Нормы проектирования. Снижение вибрации. Защита от шума предусматривают также снижение шума акустическими методами: – изменение направленности излучения шума; – рациональная планировка предприятий и цехов; – акустическая обработка помещений; – звукоизоляция. Интенсивное электромагнитное поле промышленной частоты вызывает у человека нарушение функционального состояния центральной нервной и сердечнососудистой систем. При этом наблюдается повышенная утомляемость, снижение точности движений, изменение кровяного давления и пульса. Источниками искусственных электромагнитных излучений являются магниты, соленоиды, конденсаторы, линии электропередач, трансформаторы, реакторы. Опасность воздействия электромагнитного излучения определяется количеством энергии, поглощаемой человеком. Эффект поражения связан с характеристиками электромагнитного поля: – напряженность электрического поля E, В/м; – плотность потока энергии Н, А/м; – частота f; – время облучения. Согласно ГОСТ 12.1.002-84 устанавливают предельно допустимые уровни напряженности электромагнитного поля (ЭП) частотой 50 Гц для персонала обслуживающего электроустановки и находящегося в зоне влияния создаваемого ими ЭП, в зависимости от времени пребывания в ЭП, а также требования к проведению контроля уровней напряженности на рабочих местах. Таблица 11.5 – Допустимые уровни напряженности электрических полей. Напряженность электрического поля Допустимое время работы Е = 5 кВ/м = 8 часов Е = 10 кВ/м = 20 часов Е = 15 кВ/м =1.5 часа Е =20 кВ/м =5 мин. в экран. костюме При измерении напряженности ЭП должны соблюдаться установленные правилами техники безопасности предельно допустимые расстояния от оператора, проводящего измерения, и измерительного прибора до токоведущих частей, находящихся под напряжением. Напряженность ЭП должна измеряться в зоне нахождения человека при выполнении им работы. Во всех случаях должна измеряться напряженность неискаженного ЭП. Ослабление электромагнитного и теплового излучения на рабочем месте достигается при помощи: – увеличением расстояния между источником излучения и рабочим местом; – установки отражающих и поглощающих экранов между источником и рабочим местом; – применение средств индивидуальной защиты (перчатки, халаты, защитные очки и т.д.). Установка отражающих или поглощающих экранов, а также применение средств индивидуальной защиты являются наиболее эффективными и часто используемыми методами. Меры защиты от теплового излучения, могут быть разделены на следующие группы: – устраняющие источник тепловыделений (изменение технологий, замена плазменных печей электрическими); – защищающие от тепловых излучений; – облегчающие теплоотдачу тела человека; – средства индивидуальной защиты. Защита от прямого действия тепловых излучений осуществляется в основном путём экранирования - установки термического сопротивления на пути теплового потока. По принципу действия экраны делятся на поглощающие и отражающие. Экраны защищают от тепловых излучений, предохраняют от воздействия искр, выплесков расплавленного металла, окалины, шлака. По отрицательному воздействию на человека поражение электрическим током занимает первое место, поэтому защита от него особенно важна. Нормативные документы по этому разделу: ГОСТ 12.1.019 – 79 ССБТ ''Электробезопасность. Общие требования''; ГОСТ 12.1.030 – 81 ССБТ Необходимо выполнять следующие мероприятия: Технические средства: – применение низких напряжений; – применение двойной изоляции; – электрическое разделение сети на отдельные участки; – компенсация ёмкостной составляющей в цепях большой протяженности при напряжении более 1000В при помощи установки дросселя в рассечку глухозаземляющей нейтрали; – зануление; – защитное заземление; – защитное отключение; – защита от перехода напряжения высокой стороны трансформатора на низкую; – выравнивание потенциалов; – компенсацию токов на землю. Основные организационно-технические мероприятия: – вывешивание предупреждающих плакатов; – организация места работ; – контроль и профилактика повреждённой изоляции; – средства защиты и предохранительные приспособления; – применение блокировок. Основные организационные мероприятия: – обучение обслуживающего персонала; – инструктаж по технике безопасности; – контроль за проведением работ; – соблюдение правил техники безопасности. Зануление – преднамеренное электрическое соединение металлических нетоковедущих частей электроустановки могущих оказаться под напряжением с глухозаземленной нейтральной точкой обмотки источника тока в трехфазных сетях с глухозаземленным выводом обмотки источника тока в однофазных сетях и с глухозаземленной средней точкой обмотки источника энергии в сетях постоянного тока Назначение зануления – устранение опасности поражения током в случае прикосновения к корпусу электроустановки и другим металлическим нетоковедущим частям оказавшимся под напряжением относительно земли вследствие замыкания на корпус и по другим причинам Расчет зануления имеет целью определить условия при которых оно надежно выполняет возложенные на него задачи – быстро отключает поврежденную установку от сети и в то же время обеспечивает безопасность прикосновения человека к запуленному корпусу в аварийный период При замыкании фазы на зануленный корпус установка автоматически отключится если значение тока однофазного короткого замыкания Iкз удовлетворяет условию Iкз3Iпл.(111) Номинальный ток Iном, А плавкой вставки определим по формуле 11.2 Iпл = Iном = Iном = Iпл = Выбираем предохранитель ПР-2 (ток патрона 60 А, ток плавкой вставки 25 А). Ток короткого Iкз, А замыкания определяем по формуле Линия состоит из трех фазных медных проводов и медного нулевого проводника сечением S=5 мм2 и 2.5 мм2 соответственно Удельное сопротивление меди м=0.018Оммм2/м Длина линии составляет L≈100м Активные сопротивления фазного Rф, ОМ и нулевого Rнз, ом защитного проводников Внутренние индуктивные сопротивления фазного и нулевого проводников Хф и Хнз сравнительно малы и ими можно пренебречь Хф=Хнз=0. Полное сопротивление петли фаза-ноль Фазное напряжение Uф=220В В соответствии с литературой [3] полное сопротивление трансформатора Zт=052 Ом Действительное значение тока короткого замыкания проходящего по петле фаза-ноль По формуле (111) наименьшее допустимое значение Iкз_пред Iкз_пред = 325 = 75 А. Так как действительное значение тока короткого замыкания (Iкз=360 А) превышает наименьшее допустимое значение (Iкз_пред= 75 А) то отключающая способность системы зануления обеспечена за время τ ≤ 0.2 с. Поражение человека электрическим током возможно лишь при замыкании электрической цепи через тело человека или, иначе говоря, при прикосновении человека не менее чем к двум точкам цепи, между которыми существует некоторое напряжение. Ремонтнономеханическая мастерская относится согласно ПУЭ к классу электроустановок до 1000 В и может питаться через преобразовательное устройство от однофазной сети с глухозаземлённой нейтралью. Мастерская по опасности поражения электрическим током относится к помещениям без повышенной опасности. В период нормального режима работы обеспечивается полная недоступность всех токоведущих частей установки. При возникновении аварийной ситуации возможны следующие причины поражения электрическим током: - случайное прикосновение или приближение на опасное расстояние к токоведущим частям, находящимся под напряжением; - появление напряжения на корпусах электрооборудования в результате повреждения изоляции и других причин; - появление напряжения на отключенных токоведущих частях, которых могут касаться люди, вследствие ошибочного включения. Для устранения возможности поражения людей электрическим током применяется защитное заземление. Защитному заземлению подлежат металлические нетоковедущие части стенда. Заземление выполнено медными проводниками, соединяющими данные объекты с общим контуром заземления лаборатории. Согласно требованиям ПУЭ сопротивление защитного заземления не должно превышать в любое время года 4 Ом в установках напряжением до 1000 В. Защитное заземление – наиболее эффективное техническое средство защиты человека от поражения током при появлении напряжения на металлических корпусах ЭУ. Расчет выполняется по допустимому сопротивлению заземляющего устройства – RЗдоп, которое согласно ПУЭ имеет следующие значения: - для установок до 1000 в: RЗдоп = 4Ом, если суммарная мощность источника питания S≥100 кВт. Во всех остальных случаях RЗдоп = 10 Ом. Мастерская относится к электроустановкам U<1000 В, причем суммарная мощность источника питания S≤100 кВт. Поэтому принимаем RЗдоп=10 Ом. Определим исходные данные для расчета: - длина заземлителей l=3 м; - диаметр труб d=32 мм; - ширина стальной полосы b=30 мм; - глубина заложения заземлителей H0=0.5 м. Грунт: суглинок с удельным сопротивлением ρгр=250 Ом. Общее сопротивление вертикальных заземлителей Rвз, Ом: где – H=H0+(1/2)l;(11.7) H=1+(1/2)*3=2.5 м; Количество заземлителей n определим по формуле 11.8 Сопротивление соединительной полосы Rпол, Ом заземлителей: где lпол – длина полосы в грунте при расположении заземлителей по контуру; где a = 20 – расстояние между заземлителями, м, при размерах мастерской 60x40 м. Общее сопротивление защитного заземления Rзз, Ом определим по формуле 11.11 где – ηпол=0.27 - коэффициент использования соединительной полосы при расположении по контуру; 11.8 Способы обеспечения безопасности на автомобиле Различают активную и пассивную безопасность. Под активной безопасностью понимается совокупность конструктивных и эксплуатационных свойств автомобиля, направленных на предотвращение дорожно-транспортных происшествий и исключение предпосылок их возникновения, связанных с конструктивными особенностями автомобиля. Тормозные свойства. Возможность предотвращения ДТП чаще всего связана с интенсивным торможением, поэтому необходимо, чтобы тормозные свойства автомобиля обеспечивали его эффективное замедление в любых дорожных ситуациях. На современных автомобилях используется антиблокировочная система (АБС), корректирующая силу торможения каждого колеса и предотвращающая их скольжение. Тяговые свойства. Тяговые свойства (тяговая динамика) автомобиля определяют его способность интенсивно увеличивать скорость движения. От этих свойств во многом зависит уверенность водитель при обгоне, проезде перекрестов. Особенно важное значение тяговая динамика имеет для выхода из аварийных ситуаций, когда тормозить уже поздно, маневрировать не позволяют сложные условия, а избежать ДТП можно, только опередив события. Устойчивость автомобиля. Устойчивость - способность автомобиля сохранять движение по заданной траектории, противодействуя силам, вызывающих его занос и опрокидывание в различных дорожных условиях при высоких скоростях. Различают следующие виды устойчивости: – поперечная при прямолинейном движении (курсовая устойчивость); – поперечная при криволинейном движении; – продольная. Пассивная безопасность должна обеспечивать выживание и сведение к минимуму количества травм у пассажиров автомобиля, попавшего в дорожно-транспортное происшествие. Она подразделяется на внешнюю и внутреннюю. Внешняя достигается исключением на внешней поверхности кузова острых углов, выступающих ручек и т.д. Для повышения уровня внутренней безопасности используют очень много разных конструктивные решений. При ремонте и эксплуатации автомобилей следует также должное внимание уделять вопросам электробезопасности, в частности категорически запрещается: - касаться металлических частей автомобиля, по которым могут протекать токи опасные для жизни человека (пусковые токи стартера могут достигать до 1000 А); - касаться высоковольтных проводов системы зажигания (напряжение создаваемое катушкой зажигания достигает 20 000 В). Согласно ГОСТ 12.1.004 – 91 '' Пожарная безопасность '' мастерская относится к категории Д. Причиной возгорания может быть короткое замыкание, а также невыполнение правил пожарной безопасности обслуживающим персоналом. Практические мероприятия по предотвращению пожара сводятся к: – применению термической изоляции проводов; – осторожному обращению с электрическими приборами; – правильной эксплуатации электродвигателей и др. оборудования; – своевременному проведению планово-предупредительного ремонта оборудования. При возникновении пожара необходимо произвести отключение оборудования (установки, станка и т.п.), известить о пожаре пожарную службу и принять необходимые меры по ликвидации очага пожара. Обесточенные токоведущие установки тушат песком или огнетушителями ОУ-10. Если нет возможности снять напряжение, то применяют огнетушители ОУБ-7, ОУБ- 10, ОПС-10. Помещения более 500 м должны иметь автоматическое пожаротушение. В помещение цеха должны устанавливаться автоматические пожарные извещатели (типа АТИМ – 1, АТИМ – 2, АТИМ –3 они работают при заданных температурах соответственно 60, 80, 100 0С). Также необходимо предусмотреть средства звуковой сигнализации, оповещающей о пожаре. Согласно отраслевым нормативным перечням ряд производств и объектов подлежат оборудованию автоматической пожарной сигнализацией. При эксплуатации электрооборудования запрещается: – использование кабеля с повреждённой изоляцией; – применять приборы с открытыми нагревательными элементами; – пользоваться неисправной электросетью до приведения ее в пожаробезопасное состояние. Курение допускается только в специально отведенных местах, где имеется надпись «Место для курения». При возникновении пожара немедленно сообщить в пожарную охрану по телефону или ручному извещателю и приступить к тушению пожара имеющимися на рабочем месте средствами пожаротушения до прибытия пожарной охраны. Для предупреждения пожаров на производстве необходимо проводить мероприятия, включающие в себя правильную эксплуатацию оборудования, противопожарный инструктаж, соблюдение противопожарных инструкций и правил. Руководящими документами для этого раздела являются ГОСТ 17.1.102 «Охрана окружающей природы. Атмосфера». Важными направлениями экологизации промышленного производства следует считать: – совершенствование технологических процессов и разработку нового оборудования с меньшим уровнем выбросов; – замену таксичных отходов на нетоксичные; – замену неутилизированных отходов на утилизированные; – применение пассивных методов защиты. Пассивные методы защиты включают комплекс мероприятий по ограничению выбросов промышленного производства. К их числу относятся: – очистка сточных вод от примесей; – очистка газовых выбросов от вредных примесей; – рассеивание выбросов в атмосфере; – глушение шума на путях его распространения, мероприятия по снижению уровней инфразвука, ультразвука и вибрации. На производствах, связанных с выделением вредных веществ в атмосферу или в сточные воды, нужно предусмотреть средства очистки отходов. Все отходы: твердые, жидкие и газообразные, должны подвергаться вторичной переработке. Воздух, удаляемый системами вентиляции и содержащий пыль, вредные и пахучие вещества, перед выбросом в атмосферу должен очищаться в фильтрах. Сточные воды предприятия должны подвергаться очистке перед сбросом их в водоемы. Для выполнения этих требований применяются механические, химические, биологические, а также комбинированные методы очистки. В составе очистных сооружений должны предусматриваться решётки- дробилки, песколовки и песковые площадки, усреднители, отстойники, нефтеловушки, гидроциклоны, флотационные установки, илоуплотнители, биологические фильтры, аэротенки, сооружения для насыщения очищенных сточных вод кислородом и другие сооружения. Все отходы, которые появляются в работе гальванического цеха а также ремонтно-профилактических работ с использованием электро- или газосварочного оборудования, должны пройти вторичную обработку с целью последующего повторного использования в технологическом процессе, либо утилизации ЗАКЛЮЧЕНИЕ Данный дипломный проект посвящён созданию лабораторного устройства на тему «Разработка автомобильного стробоскопа». В проекте рассмотрены вопросы разработки внешнего вида устройства, интерфейса микропроцессорной системы для управления режимами работы стробоскопа на базе однокристальной микро ЭВМ АТmega16. Главными задачами проекта являлись: разработка программного обеспечения, а так же разработка печатных плат. В пояснительной записке к дипломному проекту показаны преимущества различных типов излучающих элементов. В данном устройстве достигнуто рациональное сочетание программных и аппаратных средств. Обмен данных между микроконтроллером и ЖКМ происходит по восьми битной шине данных. Работа внешних устройств происходит с учётом линий внешних прерываний и управляющих слов микроконтроллера. Произведён расчёт элементов преобразователя напряжения, а также создана модель преобразователя в программном пакете Matlab. Организационно-экономическая часть дипломного проекта посвящена расчёту и анализу затрат на проведение научно-исследовательских работ по созданию данной лабораторной устройства. В разделе «Экологичность и безопасность проекта» рассматриваются вопросы повышения безопасности конструкции, электробезопасности и производственной санитарии, рассчитано зануление и защитное заземление ремонтно-механической мастерской. СПИСОК ЛИТЕРАТУРЫ Шпак Ю. А. Программирование на языке С для AVR и PIC микроконтроллеров./ Ю. А Шпак, А. С. – К.: МК - Пресс, 2006. – 400 с., ил. Евстифеев А.В. Микроконтроллеры AVR семейства TINY и MEGA фирмы «ATMEL» Журавлев А. А. Преобразователи постоянного напряжения на транзисторах.- издание второе, переработанное./ А. А. Журавлев, К. Б. Мазель – М. Энергия, 1964. – 75 с.,ил. http://nn.autocomp.ru/catalogue/electro/Stroboskopu/310-04-00000004.html руководство по эксплуатации стробоскоп – тахометра М3. http://rf.atnn.ru/s3/strob.html автомобильный стробоскоп http://ra4nal.qrz.ru/main/strob.html автомобильный стробоскоп на сверхъярком светодиоде. Казначеев В. А. Микросхемы для импульсных источников питания и их применение. - 2-е излание, испр. и доп. В. А Казначеев. – М.: Додэка XXI, 2001 – 608 с., ил. http://www.tehcontent.ru/files-cat-44-1.html техническая и нормативная документация. http://matlab.exponenta.ru/simulink/book1/ Simulink: Инструмент моделирования динамических систем. Стандарт предприятия. Общие требования к оформлению пояснительных записок и чертежей. СТП 1-У-НГТУ-2004. / НГТУ, Нижний Новгород, 2004 г. http://www.kit-e.ru/articles/led/2004_2_10.php лампы-вспышки компании perkinelmer optoelectronics. http://www.datasheetpro.com/290231_download_ZS1052-1UL_datasheet.html повышающий трансформатор. http://www.yanviktor.ru/elektron/lib/dros.pdf дроссели для импульсных источников питания на ферритовых кольцах. Семенов Б. Ю. Силовая электроника для любителей и профессионалов./ Б. Ю. Семенов. – М.: СОЛОН – Р, 2001 – 333 с., ил. http://www.melt.com.ru/pdf/mt-16s2h.pdf описание жидкокристаллического модуля MT – 16S2H. http://www.gaw.ru/data/lcd/lcd.pdf алфавитно – цифровые индицирующие ЖК – модули на основе контроллера HD44780. Миндрин В. И. Методические указания по выполнению раздела “Безопасность и экологичность проекта” в дипломных проектах специальностей 180400, 180900, 180500, 200500, 180800, 180700./ В. И. Миндрин. – Нижний Новгород: НГТУ, 2003 – 37 с., ил. Технико-экономическое обоснование принимаемых решений в дипломном проектировании: Методические указания для студентов электротехнических специальностей. – Горький: ГПИ, 1990.- 26с. Фёдоров, О. В. Экономические оценки электроприводов промышленных установок: Учебное пособие./ О. В. Фёдоров. – Горький: Горьковский политехнический институт, 1990. – 92 с. http://chip-dip.ru электронные компоненты и приборы. Уваров, А.С. P-CAD. Проектирование и конструирование электронных устройств / А.С. Уваров. – М.: Горячая линия – Телеком, 2004. – 760 с.
,(10.5)
,(10.6)
, (10.7)
11.1 Характеристика оборудования
11.2 Опасные и вредные производственные факторы
11.3 Метеорологические условия в производственном помещении
11.4 Производственное освещение
11.5 Мероприятия по защите от вибрации и шума
дним из основных методов уменьшения шума на производственных объектах является снижение шума в самих источниках – в электрических машинах, вентиляторах, трансформаторах и т.п.
11.6 Защитные меры от электромагнитных полей и теплового излучения
11.7 Меры защиты от поражения электрическим током
;
; (11.2)
= 18.96А;
= 22.7 А.
. (11.3)
(11.4)
;
,Ом определим по формуле 11.5
; (11.5)
(11.6)
(11.8)
(11.9)
(11.10)
(11.11)
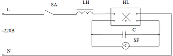
11.9 Пожарная безопасность
11.10 Защита окружающей среды