147358 (594341), страница 7
Текст из файла (страница 7)
Таблиця 7.2 Графік погашення кредиту
| Період сплати | Періодичність | Сума основного боргу, грн | До виплати, грн. | Плата за кредит, грн. | Разом до виплати, грн. | Загальна економія |
| 1 | раз на рік | 50000,00 | 10000,00 | 9000,00 | 19000,00 | 18563,40 |
| 2 | раз на рік | 40000,00 | 10000,00 | 7200,00 | 17200,00 | 18563,40 |
| 3 | раз на рік | 30000,00 | 10000,00 | 5400,00 | 15400,00 | 18563,40 |
| 4 | раз на рік | 20000,00 | 10000,00 | 3600,00 | 13600,00 | 18563,40 |
| 5 | раз на рік | 10000,00 | 10000,00 | 1800,00 | 11800,00 | 18563,40 |
| Всього | 50000,00 | 27000,00 | 77000,00 | 92817,00 |
Отже, строк окупності кредиту складе 5 років.
Висновки
В дипломній роботі представлена технологія отримання сумішного палива в умовах агровиробництва,
Розроблена технологія дає можливість отримувати якісне паливо з використанням у процентному співвідношенні домішку (ВКД) до товарного палива для використання у карбюраторних двигунах.
Проведені випробування сумішного палива на підконтрольній групі автомобілів при різних сезонах на різних режимах роботи двигуна. Встановлено, що використання палива із домішком (ВКД):
збільшує потужність двигуна на 2,5% і при цьому зменшується витрата палива до 3%;
викиди в атмосферу СО зменшується па 26,3%, СмНп - на 4,5%; NОх - на 5,7%;
надійний пуск двигуна при плюсовій температурі і нормальний при мінусовій температурі оточуючого середовища;
безвідмовність роботи двигуна не зменшується;
періодичність заміни моторного масла не зменшується, фізико-хімічні якості залишаються у межах норми.
Рекомендації
Рекомендується з метою виготовлення якісного палива чітко додержуватися процентного співвідношення домішку (ВКД) до товарного палива, що дає змогу отримувати паливо яке відповідає вимогам ТУУ 00149943.501-98.
Для досягнення однорідності суспензії, було проведено розрахунок гідродинамічного диспергатора, у розділі 4.1 "Розрахунок гідродинамічного диспергатора для отримання сумішного бензину".
Література
1. Андрійчук А.Г. “Економіка аграрних підприємств". - К. Вища школа 1996, 336 стор.
2. Б.Г. Анисимова "Выбор оптимальных условий для ультра звукового диспергирования суспензий", "Ультразвукова техніки" - М: Колос, 1965 - 351 с.
3. Б.А. Аграма, Ультразвуковая технология. - М., Метал, 1974, 152 с.
4. Бергман Л.П." Ультразвук и его применение в науке и технике". - М: Колос, 1957, 234 с.
5. Гуреев А.А., Гайенер Д.А. "Химия и технология топлив и масел", - М: Колос, 1967, 234 с.
6. Громыко Л.Г. "Статистический анализ в экономике". - М: МГУ, 1992, 256с.
7. Домников И.Ф. "Техническая диагностика машин". - М: Москв. рабочий, 1978 - 152 с.
8. Конфельд М.Н. "Упругость и прочность жидкостей". - М: Агропромиздат, 1951, 234 с.
9. .Л.Д. Ландау, Е.М. Лившиц - Гидродинамика, М., Наука. 1986, 4О9 с.
10. Назаренко А.Ф. Акустика и ультразвуковая техника, 1972, 367 с.
11. Перник А.Д. "Проблемы кавитации". - Л: Строймаш, 1966, 356 с.
12. Топилин Г.Е., УминскийС.М., Кедь И.А. “ Определение параметров гидродинамичного излучателя для аграрного оборудования” // Аграраний вісник Причорномор"я, збірник наукових праць. Вип.40. Одеса 2007, стор.92-96.
13. Топілін Г. Є., Умінський С.М., Сашко С.О., Мудраченко О.Л. “Синтез технології та розробка методики випробувань сумішного бензину" // Аграраний вісник Причорномор"я, збірник наукових праць. Вип.40. Одеса 2007, стор.129 - 135.
14. Топилин Г.Е. Малогабаритная установка для получения гидродинамически активной смеси.: Первая в Украине международная конференция "Энергия из биомассы", 2002, с.242-243.
15. Г. Топилин, Л. Талянкер (США): Биодизтопливо на основе рапсового масла: "Механизація і енергетика сільського господарства", 5 Ювілейна міжнародна науково-технічна конференція, Люблін-Одеса, 2005, с.23-26.
16. Фридман В.М. "Физико-химическое действие ультразвука на геторогенные процессы" - М: Колос, 1967, 475 с.
Додатки
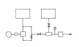
СХЕМА УСТАНОВКИ ДЛЯ ПРИГОТУВАННЯ СУМІШЕВИХ БЕНЗИНІВ
1 - бак з бензином; 2 - бак з ВКД; 3 - електродвигун; 4 - муфта; 5 - насос; 6, 7, 8 - крани; 9 - ежектор; 10 - кавітатор; 11 - манометр.
СХЕМА ГІДРОДИНАМІЧНОГО ВИПРОМІНЮВАЧА
1 - корпус; 2 - сопло; 3 - відбивач; 4 - штуцер.
Додаток А
Результати проведених експлуатаційних випробувань
| Марка автомобіля | Пробіг автомобіля, км | Витрати палива, л | Витрати палива, л/100 км | Контрольна втрата, л/100 | |||||||
| сумарний | По місту | за містом | Сумарний | По місту | За містом | сумарний | по місту | за містом | змішаний | Товарн ий | |
| 1 | 2 | 3 | 4 | 5 | 6 | 7 | 8 | 9 | 10 | 11 | 12 |
| 1. ЗИЛ-131 | 16051 | 10112 | 5939 | 6896 | 4449 | 2447 | 42,96 | 44,00 | 41, 20 | 39,00 | 40,00 |
| 2. ГАЗ-5312 | 16016 | 09289 | 6727 | 5057 | 2982 | 2075 | 31,57 | 32,10 | 30,84 | 31,80 | 32,45 |
| 3. ГАЗ-3307 | 16072 | 09643 | 6429 | 5188 | 3163 | 2025 | 32,28 | 32,80 | 31,49 | 31,92 | 32,65 |
| 4. ГАЗ-2410 | 16030 | 09778 | 6252 | 1870 | 1233 | 0637 | 11,66 | 12,61 | 10,12 | 08,80 | 08,54 |
| 5. ГАЗ-3102 | 16012 | 10728 | 5284 | 1530 | 1094 | 0436 | 09,55 | 10, 20 | 08,25 | 08, 20 | 08,90 |
| 6. ВАЗ-21061 | 16016 | 09770 | 6246 | 1481 | 1014 | 0467 | 09,25 | 10,38 | 07,47 | 07,47 | 07,70 |
| 7. ВАЗ-2107 | 16050 | 09630 | 6420 | 1414 | 0953 | 0461 | 08,80 | 09,90 | 07,18 | 07,17 | 07,40 |
| 8. AUDI | 16086 | 10456 | 5630 | 1629 | 1150 | 0479 | 10,18 | 11,00 | 08,50 | 08,00 | 08,10 |















