146923 (594231), страница 2
Текст из файла (страница 2)
Система зажигания двигателей мод. 2111 и 2112 микропроцессорная, управляется контроллером (блоком управления). Контроллер также управляет системой впрыска топлива.
2. Бесконтактная система зажигания
2.1. Техническая характеристика
Система зажигания автомобиля служит для обеспечения воспламенения рабочей смеси в цилиндрах карбюраторного двигателя в соответствии с порядком их работы. На карбюраторных двигателях применяют контактную, контактно-транзисторную и бесконтактную системы зажигания.
Контактная система зажигания состоит из аккумуляторной батареи, генератора, катушки зажигания, прерывателя-распределителя, искровых свечей зажигания, выключателя зажигания, проводов высокого напряжения и проводов низкого напряжения.
Принцип действия контактной системы заключается в следующем. При включенном зажигании и сомкнутых контактах прерывателя ток от аккумуляторной батареи или генератора поступает на первичную обмотку катушки зажигания, в результате чего образуется магнитное поле. Когда контакты прерывателя размыкаются, ток в первичной обмотке исчезает и исчезает вокруг нее магнитное поле. Исчезающий магнитный поток пересекает витки вторичной и первичной обмоток, вызывая возникновение в каждом из витков электродвижущей силы. Так как на вторичной обмотке количество витков, со единенных между собой последовательно, значительное, общее напряжение на концах достигает 20—24 кВ. Электродвижущая сила вторичной об мотки будет тем выше, чем больше скорость исчезновения магнитного потока. От катушки зажигания по проводам высокого напряжения через распределитель ток высокого напряжения поступает к искровым свечам зажигания, вызывая между электродами свечей искровой разряд, который воспламеняет рабочую смесь.
В настоящее время более широко применяют контактно-транзисторную систем; и бесконтактную системы зажигания. Различных бесконтактных систем зажигания существует много. Принципы действия их примерно одинаковы, однако отдельные элементы существенным образом отличаются, например: транзисторное зажигание с индуктивным датчиком; электронное зажигание, управляемое компьютером с комплексом данных; электронное зажигание, управляемое процессорами, и др.
Принцип действия бесконтактной системы зажигания заключается в следующем. При включенном зажигании и вращающемся коленчатом вале двигателя датчик-распределитель выдает импульсы напряжения на коммутатор, который преобразует их в прерывистые импульсы тока в первичной обмотке катушки зажигания. В момент прерывания тока в первичной обмотке индуктируется ток высокого напряжения во вторичной обмотке. Ток высокого напряжения идет от катушки зажигания по проводу через угольный контакт на пластику ротора и затем через клемму крышки распределителя по проводу высокого напряжения, в наконечнике которого установлен помехоподавительный экран, попадает на соответствующую свечу зажигания рабочую смесь в цилиндре и воспламеняет рабочую смесь в цилиндре.
Бесконтактная система зажигания двигателя ВАЗ-2110 включает датчик-распределитель, свечи зажигания, электронный коммутатор, аккумуляторную батарею, генератор, катушку зажигания, провода низкого напряжения, провода высокого напряжения, монтажный блок, выключатель зажигания, штекерный разъем датчика-распределителя, плюсовую клемму катушки зажигания.
Бесконтактная система зажигания повышает надежность из-за отсутствия подвижных контактов необходимости систематической их регулировки зачистки зазоров, а также повышает надежность пуска и работу при разгонах автомобиля благодаря более высокой энергии электрического разряда, который обеспечивает надежное воспламенение рабочей смеси в цилиндрах двигателя независимо от частоты вращения коленчатого вала. Кроме того, одним из преимуществ бесконтактной системы зажигания является отсутствие влияния вибрации биения ротора-распределителя на равномерность момента искрообразования. Важным параметром, определяющим работоспособность системы зажигания, является угол опережения зажигания, который индивидуален для двигателей определенной модели и колеблется от О до 10 градусов.
Угол поворота кривошипа коленчатого вала, при котором появляется искра между электродами свечи зажигания до момента подхода поршня к верхней мер твой точке, называют углом оп зажигания. Сгорание рабочей смеси в цилиндре двигателя должно заканчиваться при повороте кривошипа на 10—15 градусов после верхней мертвой точки, т. е. в начале рабочего хода. Поэтому искровой пробой между электродами должен происходить несколько раньше подхода поршня к верхней мертвой точке.
Когда искра между электродами свечи появляется слишком рано, т. е. при большом угле опережения зажигания, давление газов в цилиндре возрастает до подхода поршня к верхней мертвой точке, что препятствует движению поршня и приводит к уменьшению мощности и ЭКОНОМИЧНОСТИ двигателя, к ухудшению его приемлистости. При работе под нагрузкой двигатель перегревается, появляются стуки, а при малой частоте вращения коленчатого вала в режиме холостого хода двигатель работает неустойчиво.
Если зажигание произойдет позже, т. е. при малом угле опережения зажигания, воспламенение рабочей смеси происходит при движении поршня уже после верхней мертвой точки. Давление газов будет намного меньше, чем при нормальном зажигании, что приведет к резкому падению мощности и экономичности двигателя и к перегреву двигателя. Поэтому угол опережения зажигания должен регулироваться автоматически, с учетом скоростного и нагрузочного режима двигателя:
С увеличением частоты вращения коленчатого вала и уменьшением нагрузки на двигатель угол опережения зажигания, должен увеличиваться, а при уменьшении частоты вращения Коленчатого вала и увеличении нагрузки уменьшаться.
Методы облегчения пуска двигателя. Для облегчения пуска двигателя применяют пусковые жидкости типа «Арктика», предпусковые подогреватели, электроподогрев аккумуляторных батарей, свечи накаливания для дизельных двигателей и др.
2.2. Особенности устройства бесконтактной системы зажигания ваз 2110
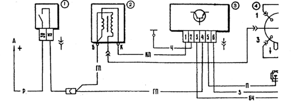
На автомобилях семейства ваз 2110 может применяться два типа систем зажигания: бесконтактная (на карбюраторных двигателях) и система зажигания, входящая в комплекс системы впрыска топлива. В настоящей главе дана бесконтактная система зажигания, а другая описана в отдельном Руководстве по ремонту на систему распределенного впрыска топлива. Бесконтактная система зажигания автомобилей ваз 2110. ваз 2111, ваз 2112 состоит из датчика-распределителя 4 зажигания, коммутатора 3, катушки 2 зажигания, свечей 5 зажигания, выключателя 1 зажигания и проводов высокого напряжения. Цепь питания первичной обмотки катушки зажигания прерывается электронным коммутатором. Управляющие импульсы на коммутатор подаются от бесконтактного датчика, расположенного в датчике-распределителе 4 зажигания.
Рис. 4. Схема бесконтактной системы зажигания:
1 – выключатель зажигания; 2 – катушка зажигания; 3 – коммутатор;
4 – датчик-распределитель.
Датчик-распределитель зажигания - типа 40.3706 или 40.3706-01, четырёхискровой, неэкранированный, с вакуумным и центробежным регуляторами опережения зажигания, со встроенным микроэлектронным датчиком управляющих импульсов. Коммутатор - типа 3620.3734, или 76.3734, или RTl 903, или PZE4022. Он преобразует управляющие импульсы датчика в импульсы тока в первичной обмотке катушки зажигания. Катушка зажигания - типа 3122.3705 с замкнутым магнитопроводом, сухая или типа 8352.12 - маслонаполненная, герметизированная с разомкнутым магнитопроводом. Свечи зажигания - типа FE65PR, или FE65CPR, или А17ДВР, или А17ДВРМ, или А17ДВРМ1 с помехоподавительными резисторами.
Выключатель зажигания - типа 21 10-3704005 или KZ-881 с противоугонным запорным устройством, с блокировкой против повторного включения стартера без предварительного выключения зажигания, и с подсветкой гнезда.
Предупреждения
На автомобилях ваз 2110, ваз 2111, ваз 2112 применяется система зажигания высокой энергии с широким применением электроники. Поэтому, чтобы не получить травм и не вывести из строя электронные узлы, необходимо соблюдать следующие правила. На работающем двигателе автомобилей данного семейства не касаться элементов системы зажигания (коммутатора, катушки, датчика-распределителя зажигания и высоковольтных проводов). Не производить пуск двигателя с помощью искрового зазора и не проверять работоспособность системы зажигания «на искру» между, наконечниками проводов свечей зажигания и кассой2. не прокладывать провода низкого напряжения системы зажигания в одном жгуте с проводами высокого напряжения. Следить за надежностью соединения с «массой» коммутатора через винты крепления. Это влияет на его бесперебойную работу. При включенном зажигании не отсоединять провода от клемм аккумулятора и не отсоединять от коммутатора штепсельный разъем, так как при этом на отдельных элементах его схемы может возникнуть повышенное напряжение, и он будет поврежден.
2.3. Установка момента зажигания на автомобилях
ваз 2110, ваз 2111, ваз 2112
Для проверки на автомобилях ваз 2110, ваз 2111, ваз 2112 момента зажигания имеется шкала 1 (рис. 5) в люке картера сцепления и метка 2 на маховике. Одно деление шкалы соответствует 1° поворота коленчатого вала. При совмещении метки на маховике со средним (длинным) делением шкалы поршни первого и четвертого цилиндров находятся в в.м.т.
Рис. 5. Метки для установки момента зажигания:
1 – шкала; 2 – метка на маховике
Проверить и установить момент зажигания можно с помощью стробоскопа, действуя в следующем порядке: соедините зажим «плюс» стробоскопа с клеммой «плюс» аккумулятора, зажим "массы" - с клеммой «минус» аккумулятора, а зажим датчика стробоскопа присоедините к проводу высокого напряжения 1-го цилиндра; запустите двигатель и направьте мигающий поток света стробоскопа в люк картера сцепления. Для регулировки момента зажигания остановите двигатель, ослабьте гайки крепления датчика-распределителя зажигания и поверните его на необходимый угол. Для увеличения угла опережения зажигания корпус датчика-распределителя следует довернуть по часовой стрелке, а для уменьшения - против часовой стрелки (если смотреть со стороны крышки датчика-распределителя зажигания). Затяните гайки крепления и снова проверьте установку момента зажигания.
Рис.6. Установка датчика-зажигания
Для удобства регулировки момента зажигания на фланце датчика-распределителя зажигания имеются деления и знаки «+» и «-», а на корпусе вспомогательных агрегатов - установочный выступ (рис. 6). Одно деление на фланце соответствует 8° поворота коленчатого вала. Если имеется диагностический стенд с осциллоскопом, то с его помощью тоже можно легко проверить установку момента зажигания, руководствуясь инструкцией по эксплуатации стенда.
2.4. Система зажигания и управления ЭППХ двигателя ВАЗ 2110
Система зажигания - бесконтактная или микропроцессорная. В данном случае рассматривается бесконтактная система зажигания. Она состоит из распределителя, коммутатора, катушки зажигания, свечей, выключателя и проводов высокого и низкого напряжения. Датчик-распределитель типа 40.3706 или 40.3706-01, четырехискровой, неэкранированный, с управляющих импульсов (Холла) и встроенными вакуумным и цент регуляторами опережения зажигания.
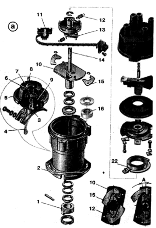
Рис. 7 Датчик-распределитель
Датчик-распределитель выполняет основные функции: во-первых, задача искрообразования в зависимости от его установки, числа оборотов корпуса вала и нагрузки на двигатель, а также распределяет импульсы высокого напряжения ("искру") по цилиндрам в соответствии с порядком их работы. Для этого служит (бегунок), надетый на валик распределителя.
Проверить работоспособность дaтчика можно, собрав схему, показанную на рисунке. Медленно вращая валик распределителя зажигания, следите за показаниями вольтметра. Напряжение может резко меняться от минимального до максимального.
Неисправный дат ремонту не подлежит (за исключением обрыва проводов между самим валиком и колодкой на корпусе датчика-распределителя).
Грубо оценить исправность вакуумного регулятора можно непосредственно в автомобиле, На заведенном двигателе отсоединяем от штуцера вакуумный шланг, ведущий к регулятору. Если теперь создать в шланге давление (можно ртом), обороты мотора должны возрасти, а при снятии разрежен снизиться. Разрежение должно сохраняться, по крайней мере, несколько секунд если пережать шланг. Визуально в работоспособности можно убедиться, частично разобрав, датчик-распределитель и разрежение к впускному штуцеру регулятора. При этом пластина с датчиком должна поворачиваться на угол 7±1°, а при снятии разрежения - без возвращаться обратно.
Рис. 8















