144375 (594057), страница 17
Текст из файла (страница 17)
(p. γ /10)
p1 = 1.8 т/м3
p2 = 1.86 т/м3
p3 = 1.97 т/м3
Плотность частиц грунта
( ps = γs/10)
ps1 =2.62 т/м3
ps2 =2.64 т/м3
ps3 =2.72т/м3
Коэффициент пористости
e = ps( 1+ W) / p – 1.0
e 1= ps( 1+ W) / p – 1.0 = 2.62( 1+ 0.074) / 1.8 – 1.0 = 0.56
e 2= ps( 1+ W) / p – 1.0 = 2.64( 1+ 0.262) / 1.86 – 1.0 = 0.79
e 3= ps( 1+ W) / p – 1.0 = 2.72( 1 + 0.802) / 1.97 – 1.0 = 1.49
Коэффициент водонасыщения
Sr = Wps /epw
Sr2 = Wps /epw = 0.262 * 2.64 / 0.79 * 1.0 = 0.88
Число пластичности для глинистых грунтов
Jp = We - Wp
Jp1 = We - Wp = 0.26 – 0.16 = 0.1
Jp3= We - Wp = 0.42 – 0.23 = 0.19
Показатель консистенции для глинистых грунтов
JL = W – Wp / We- Wp
JL1 = W – Wp / We- Wp = 0.074 – 0.16 / 0.1 = -0.86
JL 3= W – Wp / We- Wp = 0.803 – 0.23 / 0.19 = 3.02
Литологическое описание грунта.
1 слой - супесь твёрдой консистенции
2 слой - песок крупный, рыхлый, насыщенный водой (если понадобится в расчётах, применяем цементизацию и доводим до средней плотности )
3 слой - глина тягучей консистенции
4 слой – скальный грунт-гранит
8.5.2 Проектирование фундамента под колонну К
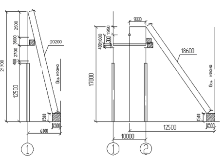
Рис. 8.20. Схема к определению несущей способности сваи под колонну К1.
1. Исходные данные.
Наиболее невыгодное сочетание нагрузок на уровне обреза фундамента
N=335,75кН, М= 58,10кН*м, Q=18кН.
2. Выбор глубины заложения ростверка, несущего слоя грунта и конструкции сваи.
Глубину заложения ростверка принимаем из конструктивных соображений dr=1,5м, высота ростверка 1,3м и расположение обреза ростверка ниже поверхности грунта на 0,2м. Принятая глубина заложения ростверка больше расчетной глубине промерзания грунта df=1,4м.
Наиболее благоприятным грунтом для использования в качестве несущего слоя является супесь, но мощности слоя не достаточно. Используем в качестве несущего слоя песок. Принимаем глубину заделки сваи в ростверк z=0.05м, в несущий слой грунта hz=2,95м. Требуемую длину сваи определяем по формуле 9,4/
Учитывая возможность погружения свай забивкой и не значительные нагрузки на фундамент, принимаем сваи сечением 30х30см. марка сваи С5-30, бетон кл. В15, рабочая арматура - 412, кл. A-I.
3. Определение несущей способности и силы сопротивления сваи по материалу и по грунту. Силу расчетного сопротивления сваи по материалу определяем по формуле 9,5 [9], учитывая, что γс=1 (при d0,2м); φ=1 (для низкого ростверка); γсd=1 (для забивных свай); Rb=8500кПа (для бетона В15); Ab=0,3х0,3=0,09м2; Rsc=225000кПа (для арматуры A-I);
As = 4πr2 = 4*3,14*0,0062 = =0,452х10-
3м2,
По характеру работы свая относится к висячей, так как опирается на сжимаемый грунт ( модуль деформации несущего слоя грунта Е=30МПа<50МПа). Поэтому несущую способность сваи по грунту определяем по формуле 9,10 [9] при γс=1; R=6600кПа (принято по таблице 9,3 с учетом интерполяции) [9]; A=0,3х0,3=0,09м2; u=4*0,3=1,2м; Σ γсffihi=254,05кПа (см. таблицу на рис.8.20.); fi-расчетное сопротивление i-го слоя грунта, кПа, принимаемое по табл. 9,4[9]; hi-толщина i-го слоя грунта, м; γсR=1, γсf=1 при забивке свай молотом (см. таблицу 9,5) [9].
Силу расчетного сопротивления сваи по грунту находим по формуле 9,1для коэффициента надежности γk=1,4
В дальнейших расчетах используем меньшее значение силы расчетного сопротивления сваи FR=RRs=642,04кН
4. Определение приближенного веса ростверка и числа свай.
По формулам 9,23[9] и 9,24[9] определяем соответственно среднее давление под подошвой ростверка pg, площадь подошвы ростверка Ag и приближенный вес ростверка с грунтом на уступах Ng, учитывая, что здание без подвала, среднее значение удельного веса материала ростверка и грунта на его уступах γm = 20кН/м3,
Число свай определяем по формуле 9,25[9]
где
==1,5 - коэффициент учитывающий действие момента;
Принимаем число свай 1шт.
5. Конструирование ростверка.
Габаритные размеры ростверка (подколонника) в плане равны 0,6х0,6м, по высоте – 1,3м.
Вес ростверка Ng и грунта Ngg на его уступах определяем по формулам 9,27[9] и 9,28[9], учитывая , что γf=1,1-коэффициент надежности по нагрузке для собственного веса материала;
;
γb=24 кН/м3 – удельный вес железобетона;
;
γ1=16 кН/м3 – удельный вес насыпного грунта, расположенного выше ростверка,
Армирование ростверка конструктивное, сеткой с ячейками 200х200 12, кл. A-I.
6. Проверка усилий передаваемых на сваи.
При действии момента, наиболее нагруженными оказываются сваи, максимально удаленные от центра тяжести свайного поля (в рассматриваемом случае yi=0). Вычисляем суммарную расчетную нагрузку на сваю в уровне подошвы ростверка и момент в уровне подошвы ростверка.
Расчетное усилие, передаваемое на сваю, определяем по формуле 9,29
Свая сжата, расчетное усилие на сваю не превышает силы расчетного сопротивления сваи.
7. Расчет осадок фундамента.
Проверку давления на грунт выполняем от условного фундамента ABCD (см. рис. 8.21.). определяем средневзвешенное значение угла внутреннего трения φIImt и размеры подошвы условного фундамента bc и lc соответственно по формулам 9,39[9] и 9,40[9], учитывая, что для отдельных слоев грунта толщиной hi, м, расчетные значения угла внутреннего трения φIIi, град (см. рис. 8.21.) и расстояния между наружными гранями крайних рядов свай b0=0,3м, l0=0,3м
Вес условного фундамента Nc и давление на грунт по его подошве pII вычисляемпо формулам 9,41[9] и 9,42[9], используя значения удельного веса γIIi отдельных слоев грунта толщиной hi, в пределах глубины заложения условного фундамента dc (см. рис.8.21.) и нагрузку на фундамент II группы предельных состояний NII=NI/γf=349,38/1,2=291,15кН (где γf=1,2 – среднее значение коэффициента надежности по нагрузке),
асчетное сопротивление грунта R, расположенного ниже условного фундамента, определяем по формуле 4,8[9], принимая d=dc и b=bc и учитывая, что γс1=1,25 (табл. 4,6 [9]); γс2=1,0 (табл. 4,6 [9]);k=1; kz=1;My=1,81, Mq=8,24, Mc=9,97(для φII=36° несущего слоя табл. 4,7 [9]);bc=0,96м; γII=18,6кН/м3-удельный вес грунта, расположенного под подошвой условного фундамента; dc=6,45м;
средневзвешенное значение удельного веса грунта в пределах глубины заложения условного фундамента dc; сII=2 кПа – параметр сцепления несущего слоя грунта,
Проверяем давление на грунт по подошве фундамента pII=432,79кПа Природное давление на уровне подошвы условного фундамента Дополнительное давление по подошве условного фундамента Вычисляем природные и дополнительные напряжения в основании (таблица 8.15.) и строим эпюры этих напряжений (см. рис. 8.21.) для η=lc/bc=1 и hi=0,4bc =0,384м. Вычисление природных и дополнительных напряжений под подошвой условного фундамента колонны К1. Таблица 8.15 № границ слоев Грунт z,м m=2z/ bc α σzg, кПа σzр, кПа σzр,m, кПа 0 Песок Е0=30МПа 0 0 1,000 116,87 315,92 - 1 0,384 0,8 0,800 124,01 252,70 284,29 2 0,768 1,6 0,449 131,15 141,83 197,27 3 1,152 2,4 0,257 138,30 81,18 111,51 4 1,536 3,2 0,160 145,44 50,54 65,86 5 1,92 4,0 0,108 152,58 34,11 42,33 Мощность сжимаемого слоя Yc=1,92м, так как на границе его выполняется условие 6,15[9] 0,2σzg=0,2*152,58=30,52кПа ≈ σzр=34,11кПа. Осадку вычисляем по формуле 6,14 Осадка фундамента 0,7см меньше предельно допустимой осадки фундаментов su=12см производственных зданий с металическим каркасом. Рис. 8.21 Расчетная схема к определению осадки свайного фундамента под колонну К1. 8.5.3 Проектирование фундамента под колонну К2. 1. Исходные данные. Наиболее невыгодное сочетание нагрузок на уровне обреза фундамента N=696,83кН, М= 76,79кН*м, Q=20кН. 2. Выбор глубины заложения ростверка, несущего слоя грунта и конструкции сваи. Расчет см. п.8.5.2. 3. Определение несущей способности и силы сопротивления сваи по материалу и по грунту. Расчет см. п.8.5.2. 4. Определение приближенного веса ростверка и числа свай. По формулам 9,23[9] и 9,24[9] определяем соответственно среднее давление под подошвой ростверка pg, площадь подошвы ростверка Ag и приближенный вес ростверка с грунтом на уступах Ng, учитывая, что здание без подвала, среднее значение удельного веса материала ростверка и грунта на его уступах γm = 20кН/м3, Число свай определяем по формуле 9,25[9] где Принимаем число свай 3шт. 5. Конструирование ростверка. Расстояние от края ростверка до внешней стороны сваи: е = 0,2·d +5 = 0,2·0,3 + 5 = 11см =0,11м. Ширина ростверка: 2·е + d = 2·11 + 30 = 52см = 0,52м. Высота ростверка: h = h1 + h2 ; h2 = 5см = 0,05м. Высоту h1 определяем из условия прочности на продавливание ростверка сваей: h = 0,34 + 0,05 = 0,39м. Размещаем сваи в плане таким образом, чтобы рассояние между их центрами было не менее 3d. Тогда размеры плиты ростверка в плане оказываются равными 1,6х1,6м. По высоте принимаем h=0,5м, высоту подколонника 0,8м (см. рис. 8.22.). Рис. 8.22 Конструкция ростверка свайного фундамента под колонну К1. Вес ростверка Ng и грунта Ngg на его уступах определяем по формулам 9,27[9] и 9,28[9], учитывая , что γf=1,1-коэффициент надежности по нагрузке для собственного веса материала; γb=24 кН/м3 – удельный вес железобетона; γ1=16 кН/м3 – удельный вес насыпного грунта, расположенного выше ростверка, Армирование ростверка конструктивное, сеткой с ячейками 200х200 12, кл. A-I. 6. Проверка усилий передаваемых на сваи. При действии момента, наиболее нагруженными оказываются сваи, максимально удаленные от центра тяжести свайного поля (в рассматриваемом случае yi=0,522). Вычисляем суммарную расчетную нагрузку на сваю в уровне подошвы ростверка и момент в уровне подошвы ростверка. Расчетное усилие, передаваемое на сваю, определяем по формуле 9,2 Проверку расчетных усилий, передаваемых на сваи, выполняем по условию 9,1 Np max=259,41+51,79=311,2кН< RRs=642,04кН, Np min=259,41 51,79=207,62кН Все сваи сжаты, максимальное расчетное усилие на сваю не превышает силы расчетного сопротивления сваи. 7. Расчет осадок фундамента. Проверку давления на грунт выполняем от условного фундамента ABCD (см. рис. 8.23.). определяем средневзвешенное значение угла внутреннего трения φIImt и размеры подошвы условного фундамента bc и lc соответственно по формулам 9,39[9] и 9,40[9], учитывая, что для отдельных слоев грунта толщиной hi, м, расчетные значения угла внутреннего трения φIIi, град (см. рис. 8.23.) и расстояния между наружными гранями крайних рядов свай b0=1,1м, l0=1,08м Вес условного фундамента Nc и давление на грунт по его подошве pII вычисляемпо формулам 9,41[9] и 9,42[9], используя значения удельного веса γIIi отдельных слоев грунта толщиной hi, в пределах глубины заложения условного фундамента dc (см. рис.8.23.) и нагрузку на фундамент II группы предельных состояний NII=NI/γf=778,23/1,2=648,53кН (где γf=1,2 – среднее значение коэффициента надежности по нагрузке), Расчетное сопротивление грунта R, расположенного ниже условного фундамента, определяем по формуле 4,8[9], принимая d=dc и b=bc и учитывая, что γс1=1,25 (табл. 4,6 [9]); γс2=1,0 (табл. 4,6 [9]);k=1; kz=1;My=1,81, Mq=8,24, Mc=9,97(для φII=36° несущего слоя табл. 4,7 [9]);bc=0,96м; γII=18,6кН/м3-удельный вес грунта, расположенного под подошвой условного фундамента; dc=6,45м; Cредневзвешенное значение удельного веса грунта в пределах глубины заложения условного фундамента dc; сII=2 кПа – параметр сцепления несущего слоя грунта Проверяем давление на грунт по подошве фундамента pII=328,64кПа Природное давление на уровне подошвы условного фундамента Дополнительное давление по подошве условного фундамента Вычисляем природные и дополнительные напряжения в основании (таблица 8.16.) и строим эпюры этих напряжений (см. рис. 8.23.) для η=lc/bc≈1 и hi=0,4bc =0,704м. Вычисление природных и дополнительных напряжений под подошвой условного фундамента колонны К1. Таблица 8.16. № границ слоев Грунт z,м m=2z/ bc α σzg, кПа σzр, кПа σzр,m, кПа 0 Песок Е0=30МПа 0 0 1,000 116,87 211,77 - 1 0,704 0,8 0,800 129,96 169,42 190,60 2 1,408 1,6 0,449 143,06 95,08 132,25 3 2,112 2,4 0,257 156,15 54,42 74,75 4 2,816 3,2 0,160 169,25 33,88 44,15 Мощность сжимаемого слоя Yc=2,816м, так как на границе его выполняется условие 6,15[9] 0,2σzg=0,2*169,25=33,85кПа ≈ σzр=34,11кПа. Осадку вычисляем по формуле 6,14 Осадка фундамента 0,8см меньше предельно допустимой осадки фундаментов su=12см производственных зданий с металлическим каркасом. Неравномерность осадков в пролете А-Б Рис. 8.23 Расчетная схема к определению осадки свайного фундамента под колонну К2. 8.5.4 Проектирование фундамента под колонну К3. 1. Исходные данные. Наиболее невыгодное сочетание нагрузок на уровне обреза фундамента N=191,7кН, М= 9,79кН*м, Q=5кН. 2. Выбор глубины заложения ростверка, несущего слоя грунта и конструкции сваи. Расчет см. п.8.5.2. 3. Определение несущей способности и силы сопротивления сваи по материалу и по грунту. Расчет см. п.8.5.2. 4. Определение приближенного веса ростверка и числа свай. По формулам 9,23[9] и 9,24[9] определяем соответственно среднее давление под подошвой ростверка pg, площадь подошвы ростверка Ag и приближенный вес ростверка с грунтом на уступах Ng, учитывая, что здание без подвала, среднее значение удельного веса материала ростверка и грунта на его уступах γm = 20кН/м3, Число свай определяем по формуле 9,25[9] где Принимаем число свай 1шт. 5. Конструирование ростверка. Расчет см. п.8.5.2. 6. Проверка усилий передаваемых на сваи. При действии момента, наиболее нагруженными оказываются сваи, максимально удаленные от центра тяжести свайного поля (в рассматриваемом случае yi=0). Вычисляем суммарную расчетную нагрузку на сваю в уровне подошвы ростверка и момент в уровне подошвы ростверка. Расчетное усилие, передаваемое на сваю, определяем по формуле 9,29 Свая сжата, расчетное усилие на сваю не превышает силы расчетного сопротивления сваи. 7. Расчет осадок фундамента. Проверку давления на грунт выполняем от условного фундамента ABCD (см. рис. 8.24.). определяем средневзвешенное значение угла внутреннего трения φIImt и размеры подошвы условного фундамента bc и lc соответственно по формулам 9,39[9] и 9,40[9], учитывая, что для отдельных слоев грунта толщиной hi, м, расчетные значения угла внутреннего трения φIIi, град (см. рис. 8.24.) и расстояния между наружными гранями крайних рядов свай b0=0,3м, l0=0,3м Вес условного фундамента Nc и давление на грунт по его подошве pII вычисляемпо формулам 9,41[9] и 9,42[9], используя значения удельного веса γIIi отдельных слоев грунта толщиной hi, в пределах глубины заложения условного фундамента dc (см. рис.8.24.) и нагрузку на фундамент II группы предельных состояний NII=NI/γf=205,33/1,2=171,11кН (где γf=1,2 – среднее значение коэффициента надежности по нагрузке), Расчетное сопротивление грунта R, расположенного ниже условного фундамента, определяем по формуле 4,8[9], принимая d=dc и b=bc и учитывая, что γс1=1,25 (табл. 4,6 [9]); γс2=1,0 (табл. 4,6 [9]);k=1; kz=1;My=1,81, Mq=8,24, Mc=9,97(для φII=36° несущего слоя табл. 4,7 [9]);bc=0,96м; γII=18,6кН/м3-удельный вес грунта, расположенного под подошвой условного фундамента; dc=6,45м; средневзвешенное значение удельного веса грунта в пределах глубины заложения условного фундамента dc; сII=2 кПа – параметр сцепления несущего слоя грунта, Проверяем давление на грунт по подошве фундамента pII=302,54кПа Природное давление на уровне подошвы условного фундамента Дополнительное давление по подошве условного фундамента Вычисляем природные и дополнительные напряжения в основании (таблица 8.16.) и строим эпюры этих напряжений (см. рис. 8.24.) для η=lc/bc=1 и hi=0,4bc =0,384м. Вычисление природных и дополнительных напряжений под подошвой условного фундамента колонны К1. Таблица 8.16 № границ слоев Грунт z,м m=2z/ bc α σzg, кПа σzр, кПа σzр,m, кПа 0 Песок Е0=30МПа 0 0 1,000 116,87 185,67 - 1 0,384 0,8 0,800 124,01 148,54 167,11 2 0,768 1,6 0,449 131,15 83,37 115,96 3 1,152 2,4 0,257 138,30 47,72 65,55 4 1,536 3,2 0,160 145,44 29,71 38,72 Мощность сжимаемого слоя Yc=1,92м, так как на границе его выполняется условие 6,15[9] 0,2σzg=0,2*145,44=29,09кПа ≈ σzр=29,71кПа. Осадку вычисляем по формуле 6,14 Осадка фундамента 0,4см меньше предельно допустимой осадки фундаментов su=12см производственных зданий с металлическим каркасом. Неравномерность осадков в пролете Б-В Рис. 8.24 Расчетная схема к определению осадки свайного фундамента под колонну К3. Сваи и ростверк под фахверковые стойки и колонны бытового корпуса принимаем такие же, как под колонну К3. 9. Технология, организация, планирование и управление строительства Организация строительного производства должна обеспечивать направленность организационных, технических и технологических решений на достижение конечного результата ввода объекта в эксплуатацию с необходимым качеством и в установленные сроки. Для выполнения строительно-монтажных работ эффективным способом и с высокими технико-экономическими показателями разрабатывается организационно-технологическая документация - проект организации строительства (ПОС) и проект производства работ (ППР). Как уже отмечалось, ППР на строительство новых, расширение и реконструкцию предприятий, зданий или сооружении разрабатываются подрядными организациями. На отдельные виды общестроительных, монтажных и специальных строительных работ ППР разрабатываются организациями, выполняющими эти работы. ПНР по заказу генеральной подрядной или субподрядной строительно-монтажной организации могут разрабатываться проектными, проектно-конструкторскими организациями, а также проектно-технологическими и научно-исследовательскими институтами. В зависимости от продолжительности строительства объекта и объемов работ по решению строительной организации ППР разрабатывается на строительство здания или сооружения в целом, на возведение их отдельных частей (подземные и наземные части, секция, пролет, этаж, ярус и т.п.), на выполнение отдельных технически сложных строительных, монтажных и специальных строительных работ, а также работ подготовительного периода и передан на строительную площадку до начала возведения тех частей здания (сооружения) или начала выполнения тех работ, на которые составлен ППР. Исходными материалами для разработки ППР служат: • задание на разработку, выдаваемое строительной организацией как заказчиком ППР, с обоснованием необходимости разработки его на здание (сооружения) в целом, его часть или вид работ и с указанием сроков разработки; • ПОС; • необходимая рабочая документация; • условия поставки конструкций, готовых изделий, материалов и оборудования; использования строительных машин и транспортных средств, обеспечение рабочими кадрами строителей по основным профессиям, производственно-технологической комплектации и перевозки строительных грузов, а в необходимых случаях также условия организации строительства и выполнения работ вахтовым методом; • материалы и результаты технического обследования действующих предприятий, зданий и сооружений при их реконструкции, а также требования к выполнению строительных, монтажных и специальных работ в условиях действующего предприятия. Обязательные положения по составу и содержанию проектов производства работ на возведение здания, сооружения или его части (узла) включаются: а) календарный план производства работ по объекту или комплексный сетевой график, в которых устанавливаются последовательность и сроки выполнения работ с максимально возможным их совмещением; б) строительный генеральный план с указанием: границ строительной площадки и видов ее ограждений, действующих и временных подземных, наземных и воздушных сетей и коммуникаций, постоянных и временных дорог, схем движения средств транспорта и механизмов, мест установки строительных и грузоподъемных машин, путей их перемещения и зон действия, размещения постоянных, строящихся и временных зданий и сооружений, мест расположения знаков геодезической разбивочной основы, опасных зон, путей и средств подъема, работающих на рабочие ярусы (этажи), а также проходов в здания и сооружения, размещения источников и средств энергообеспечения и освещения строительной площадки, расположения заземляющих контуров, мест расположения устройств для удаления строительного мусора, площадок и помещений складирования материалов и конструкций, площадок укрупнительной сборки конструкций, расположения помещении для санитарно-бытового обслуживания строителей, питьевых установок и мест отдыха, а также зон выполнения работ повышенной опасности; в) технологические карты (схемы) на выполнение отдельных видов работ с включением схем операционного контроля качества, описанием методов производства работ, указанием трудозатрат и потребности в материалах, машинах, оснастке, приспособлениях и средствах защиты работающих, а также последовательности демонтажных работ при реконструкции предприятий, зданий и сооружений; г) решения по производству геодезических работ, включающие схемы размещения знаков для выполнения геодезических построении и измерений, а также указания о необходимой точности и технических средствах геодезического контроля выполнения строительно-монтажных работ; д) решения по технике безопасности в составе, определенном СНиП 111-4-80*; е) решения по прокладке временных сетей водо-, тепло- и энергоснабжения и освещения (в том числе аварийного) строительной площадки и рабочих мест с разработкой, при необходимости, рабочих чертежей подводки сетей от источников питания; ж) перечни технологического инвентаря и монтажной оснастки, а также схемы строповки грузов; з) пояснительная записка, содержащая: - потребность в энергетических ресурсах и решения по ее покрытию; - мероприятия, направленные на обеспечение сохранности и исключение хищения материалов, изделий, конструкций и оборудования на строительной площадке, в зданиях и сооружениях; Проект производства работ на выполнение отдельных видов работ (монтажных, санитарно-технических, отделочных, геодезических и т.п.) должен состоять из: календарного плана производства работ по виду работ; строительного генерального плана; технологической карты производства работ с приложением схемы операционного контроля качества; данных о потребности в основных материалах, конструкциях и изделиях, а также используемых машинах, приспособлениях и оснастке и краткой пояснительной записки с необходимыми обоснованиями и технико-экономическими показателями. Данный дипломный проект производства работ разработанный на строительство отдельного здания выполняется на основании задания и исходных данных, которые в нем содержатся. Пожарную безопасность объекта обеспечить в соответствии с «Правилами пожарной безопасности в Российской Федерации» ППБ 01-93 и ГОСТ 12.1.004-76. При производстве работ руководствоваться требованиями рабочих чертежей, СНиП 3.03.01-87 «Несущие и ограждающие конструкции», СНиП 12-03-2001 и 12-04-2002 «Безопасность труда в строительстве», ПБ 10-382-00 «Правила устройства и безопасной Эксплуатации грузоподъемных кранов». 9.1 Выбор методов производства работ Возведение (монтаж) сооружения в целом, а также отдельных его частей и конструкций можно выполнить различными методами. Совокупность этих методов образует варианты методов монтажа отдельных конструкций и всего сооружения. Процесс формирования вариантов методов монтажа является одним из наиболее ответственных этапов проектирования технологии монтажа. От правильно научно обоснованного выбора окончательного решения во многом зависят производительность труда, себестоимость работ и их качество, эффективность использования капитальных вложений. Разработку вариантов процесса монтажа производят на основе анализа следующих исходных данных: архитектурно – планировочного и конструктивного решений возводимого объекта; - рекомендуемых методов производства работ; технологических, технических, климатических и других условий; материально – технических возможностей монтажной организации. Определяющим для разработки вариантов методов монтажа является анализ архитектурно – планировочного и конструктивного решений объекта, а именно: определение массы отправочных элементов и их количества, отдельных частей или блоков; определение высот подъема отдельных элементов или блоков, глубины их подачи; определение насыщенности возводимого объекта технологическим оборудованием. Во всех случаях варианты методов монтажа должны формироваться с максимальным применением принципов индустриализации. Выбор комплекта монтажных средств заключается в подборе для каждого варианта монтажа возводимого объекта такой строительной техники, которая обеспечит его реализацию. Подбор строительной техники для каждого варианта монтажа включает в себя подбор ведущей машины (одной или несколько), которая обеспечивает теми выполнения работ, и вспомогательных, обеспечивающих производительную работу ведущей. Ведущей машиной, как правило, является монтажный кран, а вспомогательными краны меньшей грузоподъемности и различные транспортные средства. Рис 9.1. Схема определения рабочих параметров крана при монтаже колонн и подкрановых балок Рис. 9.2 Схема определения рабочих параметров крана при монтаже стропильных ферм и прогонов Полученным результатам удовлетворяет кран СКГ-30. Грузовые и высотные характеристики крана СКГ-30, L=25м. Монтажная зона равна контуру здания плюс 7метров. Опасная зона работы крана Ron=Rmax + 0.5*lmax + lбез = 16 + 0,5 * 24 + 7= 35м. Опасная зона поворотной платформы 9.2 Проектирование технологии производства работ Подготовительные работы: общеплощадочные; инженерная подготовка. Территорию стройплощадки и полосы, отведенные для строительства дорог и трубопроводов, очищают от деревьев, пней, кустов и больших камней. Размещают и устанавливают временные здания и сооружения, устраивают временный водоотвод. Проводится геодезическая разбивка земляных сооружений. Прокладываются инженерные сети для нужд строительства, в которые входят: - временные водопроводные сети; - электросети; - газовые линии. Земляные работы: срезка растительного слоя; планировка площадки; разработка грунта экскаватором; ручная доработка грунта; обратная засыпка грунта бульдозером; уплотнение грунта (на 0,3м.) механизировано. Срезка растительного слоя выполняется бульдозером ДЗ-18: снимается плодородный слой почвы, с целью дальнейшего использования для благоустройства территории объекта. Бульдозером срезают и перемещают грунт, укладывая его в промежуточные валики, которые затем окучиваются для погрузки в самосвал ЗИЛ-ММЗ-555 экскаватором. Разработка грунта в выемках осуществляется экскаватором ЭО-2141А, оборудованным обратной лопатой, разработка ведется ниже уровня стоянки. Обратная засыпка выполняется бульдозером ДЗ-18 после возведения фундаментов. Уплотнение осуществляется с помощью прицепного катка ДУ-39А. Нулевой цикл: Вертикальное погружение одиночных свай гусеничными копрами; Срубка голов свай; Устр-во щебеноч. подст. слоя; Устройство подбетонки; Устр-во деревянной опалубки до 1м2; Уст-ка арм-х сеток и каркасов массой до 20 кг; Укладка бетонной смеси; Разборка деревянной опалубки; Окрасочная гидроизоляция. Монтаж каркаса: выверочный монтаж колонн; монтаж крестовых связей по колоннам; монтаж фахверковых колонн; монтаж подкрановых балок; монтаж ферм; монтаж связевых ферм; монтаж стержневых связей по фермам; монтаж ферм фонаря; монтаж связевых ферм фонаря; При монтаже колонн, стоек и подкрановых балок, укладка конструкций ведется в положение, удобное для подъема. Устанавливают опорных деталей на фундамент (при установке колонн). Удерживают оттяжками при подъеме и установке конструкций. Выверка. Все свариваемые элементы после монтажа привариваются. Монтаж колонн осуществляется «с колес», без предварительной их раскладки. До начала подъема колонны должны быть обстроены подмостями, лестницами и площадками, а также монтажными стяжными приспособлениями. Перед установкой колонну снимают с колоновоза, переводят из горизонтального положения в вертикальное, в этом положении подают к месту установки и опускают на фундамент, наводя на анкерные болты. Кран, перемещаясь вдоль ряда колонн, в направлении башмака колонны, поднимает колонну грузовым полиспастом, поворачивая её вокруг опоры до вертикального положения. При подъеме не следует допускать отклонения грузового полиспаста от вертикального более чем на 1.5º. Расстроповку можно выполнить только после надлежащего закрепления установленных колонн. Устанавливают опорных деталей на фундамент (при установке колонн). Удерживают оттяжками при подъеме и установке конструкций. После монтажа крестовых связей по колоннам приваривают их сваркой – работы ведется специализированной бригадой. Подкрановые балки монтируют отдельными элементами без предварительной раскладки. Балки наводят на разбивочные оси, намеченные на консолях колонн. Нижний пояс балки крепят к колоннам болтами через отверстия в поясе. Верхний пояс балки крепят к колонне стальной планкой, устанавливают свободно на сварке, чем компенсируется возможное крепление балки в плане. Наводку и установка конструкции производят после приведения её в проектное положение, которое обеспечивается путём выверки. Её выполняют в процессе установки конструкции, когда последнюю удерживают краном или после временного (монтажного) закрепления с помощью специальной оснастки, когда произведена расстроповка. Постоянное (проектное) закрепление железобетонных конструкций состоит из сварки закладных деталей и заполнения стыков бетонной смесью. Замоноличивание стыков производят после выверки установленных конструкций, приёмки сварных соединений и нанесения антикоррозийного покрытия. Монтаж стенового ограждения: монтаж стеновых панелей площадью до 10м2; кирпичная кладка; укладка брусковых перемычек; монтаж оконных переплетов; монтаж оконных переплетов фонаря; устройство пожарных лестниц. Стеновое ограждение выполнено из панелей типа «сэндвич» прикрепляемые к колоннам через собственный каркас- швеллера болтами. Ограждение между 2-м пролетом и двухэтажной пристройкой выполнено из кирпича толщиной 380мм. отделанной штукатуркой. При сплошной кладке стен последовательно выполняют следующие операции: 1.Устанавливают и перестанавливают причалку для того, чтобы обеспечить правильное расположение горизонтальных рядов кирпича. Её необходимо устанавливать с обеих сторон возводимой стены , прикрепляя с помощью скоб к порядовым или к предварительно уложенным кирпичам. 2. Подают и раскладывают кирпич таким образом, чтобы было удобно как для исполнителя (подручного), так и для каменщика. 3. Подают и расстилают раствор. 4. Укладывают кирпич на раствор, заполняют швы и проверяют правильность кладки. Правильность кладки проверяют с помощью контрольно – измерительных инструментов и приспособлений по мере их возведения не реже 2 раз на каждый метр высоты . При этом проверяют прямолинейность стен, вертикальность поверхностей и углов кладки , горизонтальность рядов, правильность перевязки клаки и толщину швов. 5. При необходимости производят околку и тёску кирпича, и расшивку швов. Поскольку кладку стен обычно начинают после возведения фундаментов, то первое рабочее место каменщиков располагается на уровне земли, но затем после возведения кладки на высоту 1,0м (ярус кладки), новое рабочее место каменщика необходимо поднять на подмостки. Для устройства проемов в кирпичной кладке используют перемычки. Оконные переплеты - металлические устанавливают с помощью крана. Пожарные лестницы устанавливают с шагом по периметру не более 120м. Кровельные работы: установка прогонов; монтаж проф. листа; устройство пароизоляции; устройство теплоизоляции; покрытие рубероидом; устройство защитного слоя из гравия. По прогонам укладывают проф. листы поштучно длиной 12м. скрепляемыми между собой заклепками и прикрепляемые к прогонам саморезами. Порядок работы: удерживание оттяжек при подаче листов в пачке на кровлю; раскладка и укладка листов вручную с подгонкой; комплектовка заклепок и винтов; сверление отверстий под заклепки и винты; установка заклепок и винтов. Поверх укладывают пароизоляцию, утеплитель, гидроизоляцию и защитный слой. Устройство полов: устройство подстилающего слоя; устройство асфальтобетонного пола. Устраивают подстилающий слой из щебня с уплотнением и укладывание асфальта с уплотнением. При устройстве асфальтобетонного пола сначала устанавливают маячные рейки, потом укладывают асфальтобетонную смесь, разравнивают смесь, уплотненяют смесь, снимают маячные рейки, заделывают борозды, посыпают поверхность песком и затирают. Отделочные работы: оштукатуривание внутренних стен; внутренняя окраска; окраска металлических поверхностей; окрашивание оконных проемов; окрашивание фасада. Оштукатуривание поверхности (простое): провешивание поверхностей, нанесение обрызга, нанесение грунта с разравниванием, затирка поверхности с разделкой углов, установка и снятие правил (при разделке углов), подбор отскоков раствора с наброской его на поверхность вручную, переноска рукавов по ходу работ. Окраска поверхности (простое): очистка поверхности, грунтование очищенной поверхности, заполнение трещин и раковин, очистка и обеспыливание, окрашивание. Окраска фасадов: очистка, расшивка трещин, подмазывание, шлифование, шпатлевание, шлифование, первое окрашивание, второе окрашивание. Прочие работы: сантехнические работы; электромонтажные работы. Устанавливаются сантехнические приборы, производится разводка и подводка водопроводных и отводящих труб. Электромонтаж сетевых кабелей и малоточной проводки. Ведомость объемов работ. Таблица 9.1 № п/п Наименование работ Объем работ Ед. изм. Кол-во 1 2 3 4 5 1 Подготовительные работы. %СМР 5 2 Земляные работы: -срезка растительного слоя; 1000м2 31,24 -планировка площадки; 1000м2 31,24 -разработка грунта экскаватором; См. графическую часть проекта. 100 м3 92,11 -ручная доработка грунта; 1м3 16,16 -обратная засыпка грунта бульдозером; 100 м3 84,84 -уплотнение грунта (на 0,3м.) механизировано. 100 м2 33,26 3 Нулевой цикл: - вертикальное погружение одиночных свай гусеничными копрами; См. графическую часть проекта. 1шт. 83 - срубка голов свай; 1шт. 83 - устр-во щебеноч. подст. слоя; 100м2 0,81 - устройство подбетонки; 100м2 0,81 - устр-во деревянной опалубки до 1м2; 1м2 159,04 - уст-ка арм-х сеток и каркасов массой до 20 кг; 1 шт. 86 - укладка бетонной смеси; 1м3 49,26 - разборка деревянной опалубки; 1м2 159,04 - окрасочная гидроизоляция; 100м2 1,59 4 Монтаж каркаса: -выверочный монтаж колонн; См. графическую часть проекта. 1 эл-т 32 -монтаж крестовых связей по колоннам; См. графическую часть проекта. 1 эл-т 5 -монтаж фахверковых колонн; См. графическую часть проекта. 1 эл-т 34 -монтаж подкрановых балок; 1 эл-т 24 -монтаж ферм; 1 эл-т 19 -монтаж связевых ферм; См. графическую часть проекта. 1 эл-т 60 -монтаж стержневых связей по фермам; 1 эл-т 45 -монтаж ферм фонаря; См. графическую часть проекта. 1 эл-т 11 -монтаж связевых ферм фонаря. См. графическую часть проекта. 1 эл-т 22 5 Монтаж стенового ограждения: -монтаж стеновых панелей площадью до 10м2; См. графическую часть проекта. 1 панель 542 -кирпичная кладка; 1 м3 10 -укладка брусковых перемычек; 1 проем 2 -монтаж оконных переплетов; 1 эл-т 38 -монтаж оконных переплетов фонаря; 1 эл-т 20 -устройство пожарных лестниц. 1т. 4 6 Кровельные работы: См. графическую часть проекта. 1 эл-т 186 -монтаж проф. листа; 100м2 38,5 -устройство пароизоляции; 100м2 38,5 -устройство теплоизоляции; 100м2 38,5 -покрытие рубероидом; 100м2 38,5 -устройство защитного слоя из гравия. 100м2 38,5 7 Устройство полов: -устройство подстилающего слоя; См. графическую часть проекта. 100 м2 38,5 -устройство асфальтобетонного пола. См. графическую часть проекта. 100м2 38,5 8 Отделочные работы: -оштукатуривание внутренних стен; См. графическую часть проекта. 100м2 2,63 -внутренняя окраска; 100м2 2,63 -окраска металлических поверхностей; 100м2 34,14 -окрашивание оконных проемов; 100м2 0,7 -окрашивание фасада. 100м2 34,14 9 Сантехнические работы. %СМР 12 10 Электромонтажные работы. %СМР 8 11 Неучтенные работы %СМР 5 Произведем калькуляцию трудозатрат на производство строительно-монтажных работ. Калькуляция трудозатрат и стоимость СМР. Таблица 9.2 № п/п Наименование работ Объем Трудоемкость чел.-час. Трудоемкость маш.-час. Заработная плата Состав звена Наименование машин Обоснование Ед. изм. Кол-во Ед. Всего Ед. Всего Ед. Всего 1 2 3 4 5 6 7 8 9 10 11 12 13 Подготовительные работы. 1 Общеплощадочные и инженерная подготовка %СМР 5 429,2 330 Земляные работы. 1 Срезка растительного слоя бульдозером марки ДЗ-18 группы грунта I. 1000м2 31,24 - - 0,69 21,6 0-73,1 22-8 маш.6 разр. БульдозерДЗ-18 Е2-1-5 2 Окончательная планировка площадки бульдозером ДЗ-18 при рабочем ходе в одном направлении 1000м2 31,24 - - 0,28 8,8 0-28,6 8-9 маш.6 разр. БульдозерДЗ-18 Е2-1-36 3 Разработка грунта в траншеях одноковшовым экскаватором, оборудованным обратной лопатой марки ЭО-2141А с погрузкой в транспортные средства. 100 м3 92,11 - - 1,6 147,4 1-70 156-6 маш.6 разр. Экскава-тор ЭО-2141А Е2-1-13 4 Разработка не мерзлого грунта в выемках, при послойной разработке. 1м3 16,16 0,85 13,7 - - 0-54,4 8-8 зем. 2разр. Е2-1-47 5 Засыпка выемок бульдозером ДЗ-18, перемещая грунт на 8м. 100 м3 84,84 - - 0,79 67,0 0-83,9 71-2 маш.6 разр. БульдозерДЗ-18 Е2-1-34 6 Уплотнение грунта поверхности прицепным катком ДУ-39А при четырех проходах по одному следу 100 м2 33,26 - - 1 33,3 1-06 35-3 маш.6 разр. Бульдозер ДЗ-18 Е2-1-29 Нулевой цикл. 1 Вертикальное погружение одиночных свай гусеничными копрами 1 шт 83 - - 2,43 201,69 2-28 189-24 Машинист 6р.-1 Копр-к-5,3р. Копровая установка С-870 Е12-28 2 Срубка голов свай 1 шт 83 0,29 24,07 - - 0-20,3 16-85 Бетонщик 3р.-2 - Е12-39 3 Устр-во щебеноч. подст. слоя 100 м2 0,81 15 12,15 - - 10-05 8-14 Бетонщик 3р.-1 - Е19-39 4 Устр-во подбетонки 100 м2 0,81 7,5 6,08 - - 5-03 4-07 Бетонщик 3р.,2р. –1 - Е19-38 5 Устр-во деревянной опалубки до 1м2 1 м2 159,04 0,62 98,61 - - 0-44,3 70-45 Плотник 4р.,2р.-1 - Е4-1-34 6 Уст-ка арм-х сеток и каркасов массой до 20 кг 1 шт. 83 0,17 14,62 - - 0-11,2 9-63 Арматурщик 3р.-1,2р.-2 - Е4-1-44 7 Укладка бетонной смеси 1 м3 49,26 0,42 20,69 - - 0-30 14-78 Бетонщик 4р.,2р. –1 - Е4-1-49 8 Разборка деревянной опалубки 1 м2 159,04 0,15 23,86 - - 0-10,1 16-06 Плотник 3р., 2р. –1 - Е4-1-34 9 Окрасочная гидроизоляция 100 м2 1,59 1,7 2,7 - - 1-22 1-94 Гидроизол. 4р., 2р. –1 - Е11-37 1 2 3 4 5 6 7 8 9 10 11 12 13 Монтаж каркаса. 1 Выверочный монтаж колонн массой до 5т. 1 эл-т 32 7,25 232 1,3 41,6 5-88 188-2 монт.6разр монт.4раз.-2 монт.3разр маш.6разр Кран СКГ-30 L=25м. Е5-1-9 2 Монтаж крестовых связей по колоннам. 1 эл-т 5 0,33 1,7 0,11 0,55 0-26,4 1-3 монт.5разр монт.4разр монт.3разр маш.6разр Кран СКГ-30 L=25м. Е5-1-6 3 Монтаж фахверковых колонн. 1 эл-т 34 5,96 202,6 0,32 10,88 4-76,8 162-1 монт.5разр монт.4разр монт.3разр маш.6разр Кран СКГ-40 L=20м. Е5-1-6 4 Монтаж подкрановых балок массой до 1т. 1 эл-т 24 3,06 73,4 0,52 12,48 2-47,6 59-4 монт.6разр монт.4раз.-2 монт.3разр маш.6разр Кран СКГ-30 L=25м. Е5-1-9 5 Монтаж ферм массой до 5т. 1 эл-т 19 5,55 105,5 1,13 21,47 4-59 87-2 монт.6разр монт.4раз.-3 монт.3разр маш.6разр Кран СКГ-30 L=25м. Е5-1-6 6 Монтаж связевых ферм. 1 эл-т 60 0,25 15 0,08 4,8 0-28,0 16-8 монт.5разр монт.4разр монт.3разр маш.6разр Кран СКГ-30 L=25м. Е5-1-6 7 Монтаж стержневых связей по фермам; 1 эл-т 45 0,33 14,9 0,11 4,95 0-26,4 11-9 монт.5разр монт.4разр монт.3разр маш.6разр Кран СКГ-30 L=25м. Е5-1-6 8 Монтаж ферм фонаря. 1 эл-т 11 0,3 3,3 0,1 1,1 0-24 2-6 монт.5разр монт.4разр монт.3разр маш.6разр Кран СКГ-30 L=25м. Е5-1-6 9 Монтаж связевых ферм фонаря. 1 эл-т 22 0,25 5,5 0,08 1,76 0-28 6-2 монт.5разр монт.4разр монт.3разр маш.6разр Кран СКГ-30 L=25м. Е5-1-6 Монтаж стенового ограждения. 1 2 3 4 5 6 7 8 9 10 11 12 13 1 Монтаж стеновых панелей площадью до 10м2 1 панель 542 3 1626 0,75 406,5 2-28 1235-8 монт.5разр монт.4разр монт.3разр монт.2разр маш.6разр Кран СКГ-30 L=25м. Е4-1-8 2 Кирпичная кладка, при заполнении стен каркасных зданий, под штукатурку 1 м3 10 3 30 - - 2-10 21 кам. 3разр. - Е3-3 3 Укладка брусковых перемычек массой до 0,5т. 1 проем 2 0,45 0,9 0,15 0,3 0-32 0-6 кам. 4разр кам. 3разр. кам. 2разр. маш.5разр Кран СКГ-30 L=25м. Е3-16 4 Монтаж оконных переплетов. 1 эл-т 38 4,3 0,57 163,4 21,7 1,4 53,2 3-44 0-45 130-7 17-1 монт.5разр монт.4разр монт.3разр свар.4разр. маш.6разр Кран СКГ-30 L=25м. Е5-1-15 5 Монтаж оконных переплетов фонаря (первый ярус). 1 эл-т 20 24,5 490 6,1 122 18-99,0 379-8 монт.5разр монт.4разр монт.3раз.-2 маш.6разр Кран СКГ-30 L=25м. Е5-1-16 6 Устройство пожарных лестниц массой до 0,16т. 1т. 4 11,0 3,1 44 12,4 3,7 14,8 8-03 2-45 32-1 9-8 монт.4разр монт.3раз.-2 свар.4разр. маш.6разр Кран СКГ-30 L=25м. Е5-1-10 Кровельные работы. 1 Установка прогонов 1 эл-т 186 0,3 55,8 0,1 18,6 0-24 44-6 монт.5разр монт.4разр монт.3разр маш.6разр Кран СКГ-30 L=25м. Е5-1-6 2 Установка стального профилированного настила кровли отдельными листамидлиной 12м., при количестве комбинированных заклепок настила кровли 430 и количестве самонарезающих винтов 200,при сверлении отверстий с удлинительной штангой. 100м2 38,5 10,5 404,3 - - 7-90 304-1 монт.5разр монт.4разр монт.3раз.-2 - Е5-1-20 3 Устройство пароизоляции основания под кровлю рулонными материалами. 100м2 38,5 6,7 258 - - 4-49 172-9 изолир. 3разр. и 2разр. - Е7-13 4 Устройство теплоизоляции из пенополистирола, толщиной до 50 мм с нанесением холодной битумной мастики, с разравниванием мастики, наклеиванием плит и заделкой швов и углов при размере плит 2х1м. 100м2 38,5 8,7 335 - - 5-83 224-5 изолир. 3разр. и 2разр. - Е7-14 5 Покрытие крыш рулонными материалами вручную, при покрытии насухо в закрой с промазкой кромок мастикой. 100м2 38,5 6,5 250,3 - - 4-36 167-9 кров. 3разр. и 2разр. - Е7-3 6 Устройство защитного слоя из гравия на горячей битумной мастике при нанесении мастики вручную. 100м2 38,5 6,3 242,6 - - 4-28 164-8 кров.3раз.-2 кров. 2разр. - Е7-4 Устройство пола. 1 Устройство щебеночного подстилающего слоя до 100мм. 100 м2 38,5 15 577,5 - - 10-05 386-9 бет. 3 разр. бет. 2 разр. - Е19-39 2 Устройство асфальтобетонных полов, уплотняя ручными катками и вальками. Толщина покрытия 50мм. 100м2 38,5 22 847 - - 15-73 605-6 асфальтобетонщик 4разр. и 2разр. - Е19-33 Отделочные работы. 1 Простое оштукатуривание поверхностей стены.Нанесение грунта вручную. Нанесение обрызга вручную. Грубая затирка с разделкой углов вручную. 100м2 2,63 20 10,5 16 52,6 27,6 42,1 - - 14-00 7-35,0 11-20 36-8 19-3 29-5 штукатур 3разр. - Е8-1-2 2 Простое окрашивание поверхностей внутри помещений по штукатурке водоэмульсионными составами электрокраскопультом. 100м2 2,63 2,5 6,6 - - 2-28 6-0 маляр 5разр. - Е8-1-15 3 Простое окрашивание поверхностей внутри помещений по металлу масляными составами пистолетом-распылителем. 100м2 34,14 3,2 109,3 - - 2-91 99-4 маляр 5разр. - Е8-1-15 4 Простое окрашивание оконных проемов по металлу масляными составами кистью. 100м2 0,7 11,5 8,1 - - 9-09 6-4 маляр 4разр. - Е8-1-15 5 Окрашивание фасадов перхлорвиниловыми составами пистолетом-распылителем с люлек с электроприводом 100м2 34,14 3,6 122,9 - - 3-28 112 маляр 5разр. - Е8-1-18 Прочие работы 1 Сантехнические работы. %СМР 12 1030 792 2 Электромонтажные работы. %СМР 8 686,7 528 Неучтенные работы 1 %СМР 5 429,2 330 Итого по всей калькуляции( зарплата с учетом коэф. 50 и 1,7) 10880,4 1005,19 814266 9.3 Технологическая карта на монтаж каркаса покрытия Ведущим процессом является монтаж конструкций покрытия, на который и составляется данная технологическая карта. Технологическая карта – один из основных элементов проекта производства работ, содержащий комплекс информативных указаний по рациональной организации и технологии строительного производства. Технологическая карта на монтаж конструкций покрытия разрабатывается с учетом: применения прогрессивной технологии и передовых методов выполнения строительных процессов; внедрения комплексной механизации с применением высокопроизводительных машин; поточности выполнения строительного процесса; обоснования методов производства работ технико-экономическими расчетами, соблюдение правил охраны труда и техники безопасности. Монтаж конструкций покрытия осуществляется на основании рабочих чертежей в соответствии с правилами производства и приемки монтажных работ и правилами техники безопасности в строительстве. Раздел предусматривает основные решения и организационно-технические мероприятия по монтажу конструкций покрытия здания 1-го этапа строительства завода цинкования мелкоразмерных конструкций в г. Туле. На период производства работ предусматривается использование для нужд строительства временных и постоянных автодорог, сетей электроэнергии и водоснабжения. Монтаж строительных конструкций здания ведется в условиях нового строительства. Строительная площадка расположена на открытой местности свободной от застройки. Работы по монтажу конструкций предусматривается вести в определенной последовательности, в светлое время суток. Временное складирование и укрупнительная сборка конструкций производится непосредственно у мест монтажа и на приобъектных складах металлоконструкции. Подача конструкций с приобъектных складов осуществляется автотранспортом по временным автодорогам. Разгрузка и складирование конструкций у мест монтажа выполняется монтажными кранами СКГ-30, а на приобъектной площадке складирования автокраном типа К-162. Требования к генподрядчику: До начала производства монтажных работ необходимо выполнить: устройство постоянных и временных автодорог для подачи конструкций и работы монтажных кранов; устройство площадок складирования металлоконструкций с отводом поверхностных вод; подвод электроэнергии на территорию строительства; расстановку источников света наружного освещения; разбивку осей сооружения и реперов, которые должны обеспечивать использование их в течение всего периода производства работ; устроить фундаменты под установку колонн и сдать их по акту, смонтировать колонны и связи между ними. Обеспечить монтажную площадку энергоресурсами с установкой шкафов электропитания для подключения установок электропотребителей монтажной организации. В случае необходимости производства работ в темное время суток, использовать установки источников света для обеспечения места проведения работ общим равномерным освещением с освещенностью не менее 2 лк и местным - с освещенностью не менее 30 лк в горизонтальной и вертикальной плоскостях. Количество и места расположения источников света уточнить при разработке проекта освещения. Выделить место на территории бытового городка под бытовые помещения подрядчика с подключением их к сетям водо- и электроснабжения. Освободить от строительного мусора площадки для работы монтажных кранов. Спланировать и уплотнить их основание, подсыпать выравнивающим слоем щебня (5 = 150 мм) и выстелить железобетонными плитами. Разработать совместно с подрядчиком мероприятия по безопасности Требования к исполнителю работ: Назначить приказом лицо, ответственное за безопасное производство работ кранами из числа мастеров, прорабов или начальников участков. Подготовить необходимое подъемно-транспортное и сварочное оборудование, средства малой механизации и инструмент. Подобрать из имеющихся в наличии или изготовить необходимое количество монтажных и съемных грузозахватных приспособлений. Обеспечить монтажную площадку наглядной агитацией, знаками пожарной безопасности, а также первичными средствами пожаротушения в соответствии с действующими нормами (Приложение 3 к ППБ 01-93**), установить контроль за исправным содержанием и постоянной готовностью к применению средств пожаротушения, сигнализации и связи. Основные технические решения: Монтаж конструкций здания первого этапа строительства осуществляется при помощи гусеничного крана CКГ-30 в башенно стреловом исполнении (Lстp = 25 м, lг = 5 м). Укрупнение ферм в монтажные блоки выполнять в пролете у мест монтажа при помощи монтажного крана СКГ-305 или автокрана типа К-162. Монтируются фермы, связи по фермам, прогоны, затем по ним укладывается профилированный лист, пароизоляция, утеплитель и профлист.\ Рис. 9.3 Монтаж стропильных ферм Рис. 9.4. Монтаж прогонов Риз. 9.5 Монтаж профилированного стального листа 9.4 Выбор рациональных методов организации работ В строительстве известны следующие наиболее применяемые методы организации участков строительства или строительного производства : - последовательный - параллельный - поточный - вахтовый - мачтовый Последовательный метод организации предусматривает выполнение исполнителем отдельных видов работ или видов инженерных услуг последовательно, т.е. без одновременного пребывания в каком либо интервале на площадке или при исполнении работ рабочих машин или механизмов. Последовательный метод характеризуется максимальной продолжительностью строительства, но уровень потребления ресурсов (рабочих кадров, машин, материалов) будет минимальным: r = R / T0 (где R – количество ресурсов на весь объем строительства; Т0 – общий срок строительства), а длительность потребления – максимальной. Каждый из видов ресурсов будет участвовать кратковременно, так как в процессе сооружения объекта периодически требуются рабочие разных специальностей, различные машины, механизмы и материалы. Неизбежны также простои машин и потери на их перебазировку. Частая смена видов материалов, изделий и конструкций вносит большие трудности в работу предприятий-изготовителей, транспорта и органов снабжения. Параллельный метод организации используется при наличии избыточного объема имеющихся мощностей, рабочих и механизмов. Он позволяет сократить продолжительность работ, но при этом требует разделения объемов или объектов на рациональные площадки застройки, которые называют участками и в пределах которых не нарушается техника безопасности. При параллельном методе общая продолжительность строительства принимается по продолжительности максимальной одного участка или объекта , но для всей стройки будет минимальной . Параллельный метод обеспечивает минимальную продолжительность, так как срок возведения объекта равен продолжительности максимально продолжительного процесса. Потребление ресурсов – максимальное. Но современный уровень строительного производства, когда строительно-монтажные работы в основном ведутся силами подрядных общестроительных организаций, исключает использование последовательного и параллельного методов строительства в чистом виде. Это связано в первую очередь с необходимостью равномерного использования ресурсов (машин, рабочих бригад и т.п.), а также с ограниченностью этих ресурсов. Например, при строительстве любого объекта по мере выполнения работ в установленной технологической последовательности освобождаются механизмы и бригады, закончившие работы определенного этапа. Так, вначале освобождается землеройная техника, затем бригады монтажников, монтажные краны и т.д. Для того чтобы эти мощности не простаивали, их необходимо переключить на строительство другого объекта. Вахтовый метод организации предусматривает проектирование рациональной смены на строительстве задействованных мощностей. Период нахождения мощностей на строительной площадке называется вахтовым. Этот период не дает снижения продолжительности - Вахтовый метод проектируется для условий строительства объектов, при которых место строительства задано на больших расстояниях от существующих дислокации строительных баз управлений и т.д. Мачтовый метод предусматривает большие затраты на производство конструкций и их сварку в заводских условиях и минимальные затраты на монтаж на площадке. При мачтовом методе строители значительно экономят целосменные простои и потери рабочего времени на стройплощадке за счет переноса большого комплекса монтажных работ в заводские условия/ Поточный метод, сохраняя соответствующие преимущества последовательного и параллельного методов, позволяет избежать их недостатков. Для поточного метода характерны следующие черты: расчленение работы на составляющие процессы в соответствии со специальностью и квалификацией исполнителей; расчленение фронта работ на отдельные участки для создания наиболее благоприятных условий работ отдельным исполнителям; максимальное совмещение процессов по времени; Интенсивность потребления ресурсов здесь будет также больше, чем при последовательном методе, но меньше, чем при параллельном; при этом создаются благоприятные условия для работы организаций-смежников: подрядных организаций заводов-поставщиков, транспорта, снабженческих структур. Исходя из вышеуказанного, принимаем поточный метод производства работ по возведению здания. Поточная организация строительства: Поточная организация строительства позволяет сократить сроки , теоретически и практически выполнить расстановку кадров, позволяет выполнить расчеты возможных сроков завершения работ бригад на отдельных частях зданий , добиваться стоимостных эффектов. N - число объектов (число потоков специализированных или частных) nз - число захваток tр - ритм потока (время выполнения работ на захватке) Проектирование поточного метода заключается в определении рационального числа захваток на объекте. Захватка — это часть объекта , где без нарушения техники безопасности отдельно взятое звено или бригада рабочих может выполнять вид или комплекс работ с необходимым для этого расчетным временем. Расчетное время для завершения работ на захватке называется ритмом работ. По величине ритма производится деление основных элементов потока. Поточной организацией строительства - называется метод организации при котором достигается максимальное сокращение времени одной бригады или звена на выполнение одного вида работ , за счет сокращения внутрисменных потерь. Количество захваток может назначаться по опыту других объектов, при этом учитывается деление объекта в плане или по объему на равновеликие участки на которых объем работ приблизительно равен. При проектировании потоков первоначально строят циклограммы . Циклограммы это модель организации строительства. Циклограммы строятся на определенные потоки: Строительные потоки различают: 1) по структуре и виду продукции - частные, специализированные, объектные и комплексные. Частный - это элементарный строительный поток, состоящий из одного или нескольких процессов, выполняемый бригадой или звеном на частных фронтах работ. Специализированный поток — совокупность технологически связанных частных потоков , объединенных единой системой параметров и схемой потока. Объектный поток - совокупность технологических и организационно связанных специализированных потоков, совместной продукцией которых являются законченные здания. Комплексный поток - совокупность организационно связанных объектных потоков, объединенных общей продукцией в виде комплекса зданий и сооружений. 2) по характеру ритмичности - ритмичные, разноритмичные и неритмичные потоки. Ритмичный - в котором все составляющие потоки имеют единый ритм, т.е. продолжительность выполнения работ каждой отдельной бригадой на частных фронтах работ одинакова. Разноритмичный - в котором составляющие его потоки имеют одинаковые ритмы однотипных работ и разные ритмы разнотипных работ. Неритмичный - в котором продолжительность выполнения каждой отдельной бригадой работ на частных фронтах неодинакова. 3) по продолжительности потоки бывают кратковременные и долговременные. Кратковременные - поток организуют при возведении отдельных зданий или групп объектов, продолжительность строительства которых не превышает одного года. Долговременный - при строительстве объектов или комплексов, продолжительность строительства которых составляет более одного года. При возведении спортивного комплекса проектируются неритмичные потоки, т.е. составляющие общего потока, продолжительность каждой из работ выполняемой отдельной бригадой различаются. При выполнении работ по возведению данного объекта существуют промежутки времени в течение которых работы на захватках не ведутся из-за технологического перерыва (например связанного с твердением бетона). Требуется запроектировать в качестве объектного потока «Одноэтажное двухпролетное промышленное здание». В состав объектного потока входят следующие специализированные потоки (в состав которых входят частные потоки). Подготовительные работы: общеплощадочные; инженерная подготовка. Земляные работы: срезка растительного слоя; планировка площадки; разработка грунта экскаватором; ручная доработка грунта; обратная засыпка грунта бульдозером; уплотнение грунта (на 0,3м.) механизировано. Нулевой цикл: вертикальное погружение одиночных свай гусеничными копрами; врубка голов свай; устройство щебеночного подстилающего слоя; устройство подбетонки; устройство деревянной опалубки до 1м2; установка арматурных сеток и каркасов массой до 20 кг; укладка бетонной смеси; разборка деревянной опалубки; окрасочная гидроизоляция. Монтаж каркаса: выверочный монтаж колонн; монтаж крестовых связей по колоннам; монтаж фахверковых колонн; монтаж подкрановых балок; монтаж ферм; монтаж связевых ферм; монтаж стержневых связей по фермам; монтаж ферм фонаря; монтаж связевых ферм фонаря; Монтаж стенового ограждения: монтаж стеновых панелей площадью до 10м2; кирпичная кладка; укладка брусковых перемычек; монтаж оконных переплетов; монтаж оконных переплетов фонаря; устройство пожарных лестниц. Кровельные работы: установка прогонов; монтаж проф. листа; устройство пароизоляции; устройство теплоизоляции; покрытие рубероидом; устройство защитного слоя из гравия. Устройство полов: устройство подстилающего слоя; устройство асфальтобетонного пола. Отделочные работы: оштукатуривание внутренних стен; внутренняя окраска; окраска металлических поверхностей; окрашивание оконных проемов; окрашивание фасада. Прочие работы: сантехнические работы; электромонтажные работы. Состав и компоновка строительных бригад генподрядной и субподрядных организаций. При компоновке строительных бригад выбирается наиболее трудоёмкий процесс, при выполнении которого зафиксировано определённое нормативное количество рабочих в составе звена, а так же при механизации работ с добавлением машиниста. Компонуем бригаду для оптимальной технологии и продолжительности выполнения работ, вводя в бригаду необходимое количество рабочих. Все бригады формируются на один поток. Количество человек входящее в состав комплексной бригады: чел = r + k, где Rчел необходимое количество рабочих, чел; r количество рабочих наиболее трудоёмкого процесса по ЕНиР, чел; k недостающее число рабочих других разрядов или другого количественного состава. Таблица 9.3 № п/п Виды работ Состав комплексных бригад Кол-во человек 1 Подготовительные работы - 1 2 Земляные работы маш.6 разр. 1 3 Нулевой цикл бетонщ.- 4,3р.; арм-ки-3 р.; гидроизол-к-4р; плот-ки-4,3р.; монт-ки-5,4,2р,3р-2.; маш-т.-6разр. 12 4 Монтаж каркаса монт.3,4-2,5,6разр.; маш. 6разр. 6 5 Монтаж стенового ограждения монт.2,3,4,5,разр.; камен. 3разр.; свар. 4разр.; маш. 6разр. 7 6 Кровельные работы монт.2,3,4,5,разр.; камен. 3разр.; свар. 4разр.; маш.6разр. 7 7 Устройство пола асфальтобет.4 и 2разр.; бет. 3разр. 3 8 Отделочные работы штук.3разр.; маляр 5разр. 2 9 Сантехнические работы - 5 11 Электромонтажные работы - 5 12 Неучтенные работы - 5 Определение стоимости выполнения этапови их продолжительности для объектного потока Стоимость строительства: С = Пз+Нр+Пн, где Пз = з.п.100/20 прямые затраты; Нр = 0,18Пз накладные расходы; Пн = (Пз+Нр)0,06 плановые накопления; Продолжительность работ на каждом специализированном потоке: Т = ΣQ/(8,2nсмRчел), где ΣQ суммарная трудоёмкость работ, чел. час; nсм количество смен; Rчел состав комплексной бригады рабочих. Подготовительные работы Пз = 28050100/20 = 140250 руб.; Нр = 0,18Пз = 0,18140250 = 25245 руб.; Пн = (Пз+Нр)0,06 = (140250+25245)0,06 = 9929,7 руб.; С = Пз+Нр+Пн = 140250+25245+9929,7 = 175424,7 руб.; Т = 434,6/(8,221) ≈ 27 дн. 2. Земляные работы: Пз = 25806100/20 = 129030 руб.; Нр = 0,18Пз = 0,18129030= 23225,4 руб.; Пн = (Пз+Нр)0,06 = (129030+23225,4)0,06 = 9135,32 руб.; С = Пз+Нр+Пн = 129030+23225,4 +9135,32= 161390,72 руб.; Т = 295,2/(8,221) ≈ 18 дн. 3. Нулевой цикл: Пз = 131979,5100/20 = 659897,5 руб.; Нр = 0,18Пз = 0,18659897,5 = 118781,55 руб.; Пн = (Пз+Нр)0,06 = (659897,5 +118781,55)0,06 = 46720,74 руб.; С = Пз+Нр+Пн = 659897,5 +118781,55 +46720,74 = 825399,79 руб.; Т = 2369,8/(8,227) ≈ 21 дн. 4. Монтаж каркаса: Пз = 45534,5100/20 = 227672,5 руб.; Нр = 0,18Пз = 0,18227672,5 =40981,1 руб.; Пн = (Пз+Нр)0,06 = (227672,5 +40981,1)0,06 = 16119,2 руб.; С = Пз+Нр+Пн = 227672,5 +40981,1 + 16119,2 = 284772,75 руб.; Т= 656/(8,226) ≈ 7 дн. 5. Монтаж стенового ограждения: Пз = 155286,5100/20 = 776432,5 руб.; Нр = 0,18Пз = 0,18776432,5 = 139757,85 руб.; Пн = (Пз+Нр)0,06 = (776432,5 +139757,85)0,06 = 54971,4 руб.; С = Пз+Нр+Пн = 776432,5 +139757,85 +54971,4 = 971161,75 руб.; Т = 2394,4/(8,227) ≈ 21дн. 6. Кровельные работы: Пз =91698 100/20 = 191250 руб.; Нр = 0,18Пз = 0,18191250= 34425 руб.; Пн = (Пз+Нр)0,06 = (191250+34425)0,06 = 13540,5 руб.; С = Пз+Нр+Пн = 191250+34425+13540,5 = 239215,5 руб.; Т = 1090,6/(8,217) ≈ 9 дн. 7. Устройство пола: Пз = 84362,5100/20 = 421812,5 руб.; Нр = 0,18Пз = 0,18421812,5 = 75926,25 руб.; Пн = (Пз+Нр)0,06 = (421812,5 +75926,25)0,06 = 29864,33 руб.; С = Пз+Нр+Пн = 421812,5 +75926,25 +29864,33 = 527603,1 руб.; Т = 1426,8/(8,213) ≈ 29дн. 8. Отделочные работы: Пз = 26299100/20 = 263869,75 руб.; Нр = 0,18Пз = 0,18263869,75 = 47496,56 руб.; Пн = (Пз+Нр)0,06 = (263869,75 +47496,56)0,06 = 18681,98 руб.; С = Пз+Нр+Пн = 263869,75 +47496,56 +18681,98 = 330048,29 руб.; Т = 377,2/(8,222) ≈23 дн. 9. Сантехнические работы: Пз = 67320100/20 = 119514,25 руб.; Нр = 0,18Пз = 0,18119514,25 = 21512,57 руб.; Пн = (Пз+Нр)0,06 = (119514,25 +21512,57)0,06 = 8461,61 руб.; С = Пз+Нр+Пн = 119514,25 +21512,57 +8461,61 = 149488,43 руб.; Т = 1030/(8,215) ≈ 26 дн. 10. Электромонтажные работы: Пз = 44880100/20 = 144092 руб.; Нр = 0,18Пз = 0,18144092 = 25936,56 руб.; Пн = (Нр +Пз)0,06 = (25936,56 +144092)0,06 = 10201,71 руб.; С = Пз+Нр+Пн = 144092+25936,56 +10201,71 = 180230,27 руб.; Т = 686,7/(8,215) ≈ 16 дн. 11. Неучтенные работы: Пз = 28050100/20 = 140250 руб.; Нр = 0,18Пз = 0,18140250 = 25245 руб.; Пн = (Пз+Нр)0,06 = (140250+25245)0,06 = 9929,7 руб.; С = Пз+Нр+Пн = 140250+25245+9929,7 = 175424,7 руб.; Т = 429,2/(8,225) ≈ 11 дн. Рис. 9.6 Циклограмма объектного потока Проектирование поточного метода заключается в определении рационального числа захваток на объекте. Захватка - часть объекта, на который без нарушения техники безопасности отдельно взятое звено или бригада может выполнить вид работ с необходимым расчетом времени. Ритм работы - расчетное время выполнения работ на захватке. Поток - такой метод организации, при котором достигается сокращение времени по максимуму одной бригады или звена на выполнение спец. вида работ. По виду ритма потоки делятся на равноритмичные, кратноритмичные, разноритмичные и неритмичные. Проектируем неритмичные потоки, т.е. такие у которых время работы на захватках разное. При проектировании необходимо довести суммарную величину технологических перерывов до минимума, а организационные перерывы следует проектировать в такой последовательности, чтобы снизить общий простой спецзвеньев или бригад. Расчёт частного потока. Неритмичный частный поток – устройство пола. Площадь пола делим на 12 участков и принимаем число захваток по количеству участков, nз=12. Объем работ на захватке 3780/12=315 м2. Продолжительность работ на захватке определяется по формуле: Продолжительность устройства щебеночного подстилающего слоя до 100мм. составляет: Продолжительность устройства асфальтобетонных полов, уплотняя ручными катками и вальками(толщина покрытия 50мм) составляет: Рис. 9.7 Циклограмма частного потока (устройство пола) 9.5 Проектирование плана финансирования строительства Общая сумма затрат на производство строительно–монтажных работ определяется суммированием затрат по элементам, включая прочие затраты и накладные расходы. Материальные затраты определяются исходя из потребности в материальных ресурсах согласно производственным нормам расхода и физическим объемам работ, а их стоимость рассчитывается по планово – расчетным ценам. В составе стоимости материальных ресурсов выделяются затраты на их доставку транспортом общего пользования, а также транспортом строительных организаций. На снижение стоимости строительно–монтажных работ оказывают влияние многие факторы: - применение более производительных машин и лучшего их использования; снижение норм расхода топлива и электроэнергии; снижение затрат на ремонт и техническое обслуживание. - повышение сменности и изменение режима работы строительных организаций; совершенствование работы транспорта, занятого на перевозках в пределах стройки; улучшение контроля за качеством работ и сокращению брака; внедрение прогрессивных технологии и способов производства строительно – монтажных работ. - совершенствование управлением строительством за счет повышения уровня специализации и укрупнения строительных организаций; внедрение передовых форм организации труда рабочих в строительстве (включая коллективный и бригадный подряд); сокращение текучести кадров и потерь рабочего времени. - снижение норм расхода материалов; сокращение потерь материалов при транспортировке, погрузке, выгрузке и хранении; снижение заготовительно-складских расходов путем выбора рациональных форм снабжения, механизации складских операций, улучшения использования тары и упаковочных материалов, сокращения потерь материалов при хранении. Нормы задела по капитальным вложениям (строительно-монтажным работам) установлены в зависимости от продолжительности строительства для равномерного ввода общей площади планируемого периода составляет 4 месяца. Нормативные показатели задела. Таблица 9.4 Продолжительность строительства мес. Готовность на конец месяца нарастающим итогом % сметной стоимости 1 2 3 4 4 16 36 70 100 Используя календарный план производства работ определяем фактическую потребность в капитальных вложениях. Фактическая потребность в капитальных вложениях. Таблица 9.5 Продолжительность строительства мес. Готовность на конец месяца нарастающим итогом % сметной стоимости 1 2 3 4 4 18 40 74 100 Сравниваем графики финансирования фактический и нормативный оцениваем достаток вложения капитальных. 9.6 Календарные планы строительства объекта Календарный план разрабатывается для определения последовательности и сроков выполнения общестроительных, специальных и монтажных работ при возведении объекта. Чтобы построить здание в короткие сроки с наилучшими технико-экономическими показателями, необходимо заранее проанализировать и исследовать варианты решения и найти наиболее целесообразное из них. Для этого процесс строительства объекта следует представить в виде модели, с помощью которой анализируются все возможные производственные ситуации. Такой моделью служит календарный план, представляющий собой технологическую и организационную модель строительства. Являясь основным документом проекта производства работ, календарный план охватывает весь комплекс работ по возведению здания, начиная подготовительными работами и заканчивая пусконаладочными. При разработке календарного плана учитываются требования технических условий на производство работ, правила охраны труда, меры для обеспечения надлежащего качества работ. На основе календарного плана устанавливается общая продолжительность строительства объекта, определяется потребность в трудовых и материальных ресурсах, сроки поставки конструкций и оборудования и т.д. Соблюдение правильной технологической последовательности при выполнении строительных процессов имеет первостепенное значение при составлении календарного плана. Большое значение на выбор последовательности производства работ оказывает время года. Необходимо по возможности перенести на теплый период те работы, выполнение которых в зимнее время связано с наибольшим удорожанием. Календарный план должен отвечать требованиям равномерной и бесперебойной загрузки рабочих. Для этого составляется график движения рабочих во времени. Такой график строится под календарным планом на листе графической части. Над линиями, указывающими срок выполнения работ, в календарном плане проставляется число рабочих, ежедневно занятых на данном виде работ, затем суммируют количество рабочих по вертикали, т.е. ежедневное потребное число рабочих получают суммированием количества рабочих, работающих в этот день. При составлении календарного плана должны соблюдаться следующие принципы: 1. Соблюдение правильной технологической последовательности выполнения отдельных строительных процессов. 2. Максимальное совмещение отдельных строительных процессов во времени. 3. Соблюдение требований охраны труда. Календарный план устанавливает последовательность работ и сроки выполнения на объекте. Он служит средством повседневного контроля за ходом работ, является основой для выполнения планов завоза материалов, конструкций. Календарный план составляется на основе сравнения различных вариантов и выбора такого, в котором намечено выполнение работ передовыми методами в заданный срок, с минимальными затратами материальных ресурсов и соблюдение требований охраны труда. Продолжительность возведения объекта не должна превышать директивных норм, предусмотренных СНиП 1.04.03.85. Последовательность разработки календарного плана: определяется перечень работ и их объемы, проводится выбор методов производства работ и ведущих машин и механизмов по калькуляции, рассчитываем нормативную машино- и трудоемкость, выявляется технологическая последовательность производства работ, устанавливается сменность работ, определяется продолжительность отдельных работ и их совмещение между собой, сравнивается расчетная продолжительность с нормативной и вводятся необходимые поправки. Исходными данными для разработки календарного плана являются рабочая документация, норматив продолжительности строительства. Трудоемкость работ и затраты машинного времени рассчитываем по калькуляции на основе ЕНиРов. Продолжительность выполнения работ: Т = Q / 8,2 х R x n, где Q – норма времени х объем: R – число человек в звене. n - количество смен в сутки, (1) - для ручных работ; (2) - для работ с использованием механизмов; иногда при больших объемах ручных работ целесообразно применять n=2; t = 8,2 - количество часов в смене. С позиции равномерности использования рабочих календарный план работ оценивают по коэффициенту неравномерности движения рабочих: где Rmax – максимальное число рабочих, занятых на строительстве (принимается после составления графика движения рабочих), чел.; Rср – среднее число рабочих, чел., определяется по формуле: где Т – общая продолжительность строительства по календарному плану, дн. Для определения коэффициента неравномерности распределения рабочих вычисляем: 9.7 Разработка планов обеспечения ресурсов Для составления графика поступления на объект строительных конструкций, изделий, материалов и оборудования составляем ведомость потребности в основных строительных материалах, которая выполняется в виде таблицы. Ведомость потребности в основных строительных материалах Таблица 9.6 № п/п Наименование работ (номенклатура) Ед. изм. Кол-во Потребность в материальных ресурсах Наименование материала Ед. изм. Норма на ед. объема работ Кол-во на весь объем 1 2 3 4 5 6 7 8 1 Устройство щебеночного подстилающего слоя до 150мм. 100 м2 12,17 Щебень м3 1,01 12,29 2 Сборка элементов деревянной опалубки в щиты площадью до 1м2. 10м2 146,32 Пиломатериалы хвойных пород. Доски обрезные длиной 4-6,5 м, шириной 75-150 мм, толщиной 25 мм III сорта Гвозди строительные м3 т 0,038 0,006 5,56 0,88 3 Укладка бетонной смеси. 100м3 7,27 Бетон м3 101,5 730,64 Рогожа м2 10,1 73,43 4 Установка арматуры т 148.8 Сталь стержневая арматурная т 1 148.8 5 Кирпичная кладка 100м3 0,01 Кирпич глиняный обыкновенный Раствор готовый кладочный цементный, марка 50 тыс.шт м3 0,38 0,23 0,004 0,003 6 Устройство кровли 100м2 38,5 Материалы рулонные кровельные м2 460 17710 Мастика битумная кровельная горячая т 1.26 48,51 Гравий для строительных работ фракции (3) 5-10 мм м3 1.05 40,43 7 Оштукатуривание поверхностей. 100м2 2,63 Раствор готовый отделочный тяжелый, известковый 1:2,5 м3 1,4 3,68 Сетка тканая с квадратными ячейками № 05 без покрытия м2 2,64 6,94 8 Окрашивание поверхностей: внутренняя поверхность; фасады 100м2 37,47 Краски масляные готовые к применению для внутренних работ т 0,027 1,01 34,14 Краски перхлорвиниловые т 0,059 2,01 Спецификация сборных элементов Таблица 9.7 № п/п Наименование сборных элементов Кол-во Эскиз Размеры элемента, м Масса, т Длина Ширина Высота 2 Колонны: К1 К2 26 6 Сечение: Двутавр 40К1 Двутавр30К1 1.91 0,87 3 Подкрановые балки 24 10 0.25 0.8 0,9 4 Фахверковые стойки 25 9 0.52 0.42 5 Прогоны 186 0.33 6 Фермы: Ф1 Ф2 13 6 24 18 - - 2.3 3.31 3,6 1,5 7 Ферма фонаря 11 6 - 2.1 0.9 8 Окна 38 5 0.12 1.2 0.12 9 Стеновые панели 542 1.2 0.3 6 1.4 Комплектные поставки: Рейсовый комплект Кп1: колонны К1 (2 шт.), фахверковые стойки (1 шт.), кондукторы (2 шт.), подкрановые балки (2 шт.), ферма Ф1 (1 шт.), ферма фонаря (1 шт.), прогоны (14 шт.), проф. лист (4 шт.). Рейсовый комплект Кп2: стеновая панель (4 шт.), оконный переплет (1шт.). График смотри графическую часть. По графику поставки материалов и конструкций определяем: 1.Запас по объёму – тот запас материалов, который обеспечит ритм работы в первые две смены (подготовительный страховой запас) = 30% от общего объёма материалов и конструкций. Остальной объём завозят равномерно в дни производства работ. 2.Запас по времени – участок времени от начала производства в дело, который соответствует нормам СНиП и предназначен для исключения всех рисков и возможности задержки поставки во время производства работ. График движения основных машин по объекту. Основные машины Таблица 9.8 № п/п Наименование Основные параметры 1 Бульдозер ДЗ-18 тип отвала – поворотный; длина отвала – 3,97 м; высота отвала – 1,0м; управление – гидравлическое; мощность – 79 кВт; марка трактора – Т–100 2 Экскаватор ЭО-2141А база – КРаЗ–25В; ковш – обратная лопата зубьями; вместимость – 1 м3; длина стрелы – 5,5 м; наибольший радиус резания – 9,2 м; наибольшая глубина копания – 5,6 м; радиус выгрузки в транспорт – 5 м; высота выгрузки в транспорт – 2,3 м; мощность – 59 кВт; 3 Автосамосвал платформой ЗИЛ-ММЗ-555 грузоподъемность – 4,5 т; максимальная скорость – 65 км/ч; выгрузка – назад; размеры: длина – 5940мм; ширина – 2290мм; высота – 2160мм; емкость кузова – 3 м3; 4 Кран гусеничный СКГ-30 L=25м. длина стрелы –25м; гусёк 5м; мощность Эл. двигателя – 30 кВт. 5 Битумно-краскорассыпательная установка с распылителем УМБР-1 производительность – 400 м2/ч; тип насоса – АШ – 50; мощность – 2,2 кВт; масса – 120 кг. 6 Колоновоз ППК-14 Длина 15м. Ширина 2,5м. Грузоподъемность 14 т. МАЗ-504Б 7 Фермовоз «БашПИИ-строй» Длина 25м. Грузоподъемность 12 т. МАЗ-504 8 Автобетосмеситель Объем 2,5м3 МАЗ-504 По графику потребности в машинах и механизмах определяем: График движения основных машин по объекту смотри графическую часть. 9.8 Строительный генеральный план Строительным генеральным планом, называется план строительной площадки, на котором нанесены как строящиеся объекты, так и все временные сооружения, необходимые для осуществления строительства. На стройгенплане показываются: - постоянные здания и сооружения, в том числе железные и автомобильные дороги, сети водопровода, канализации, электроснабжения и другие коммуникации с выделением условным обозначением объектов, строящихся в подготовительный период для нужд строительства; - временные административно – бытовые и производственные здания, механизированные установки, склады, коммуникации, временные дороги; - существующие здания и сооружения. При разработке стройгенплана должны соблюдаться следующие принципы: - рациональное использование строительной площадки; - обеспечение организации и технологии возведения здания; - рациональное размещение на стройплощадке производственных установок, складского хозяйства, сетей и устройств временного водо- и энергоснабжения, дорог и временных зданий и сооружений, необходимых для бесперебойного обслуживания производства работ при возведении объекта; - соблюдение требований по технике безопасности и противопожарных правил; - обеспечение санитарно-бытового обслуживания рабочих на строительстве объекта. Данный проект предусматривает комплекс зданий завода. Участок распложен на окраине г. Тула. Подъезд пожарных машин, машин скорой помощи и другого специального транспорта обеспечен со всех сторон здания. Временные дороги и площадки устраиваются из плит типа «ПДП» на песчаном основании. Временные помещения для нужд строительства контейнерного типа 1 и 2 яруса устанавливаются на территории строительной площадки и рассчитаны на размещение 144 человек. На период отделочных и специальных работ размещение рабочих осуществляется в помещениях возведенного комплекса с последующим косметическим ремонтом или на резервной территории. Площадку под установку инвентарных вагончиков бытовых помещений уплотнить и подсыпать щебнем. Предусмотреть отвод поверхностных вод. Обеспечить безопасный и удобный подход к бытовым помещениям, а также подключение их к сетям водо- и электроснабжения. Обеспечить бытовые помещения телефонной связью и питьевой водой, качество которой должно соответствовать санитарным требованиям. Питание рабочих осуществляется в городской столовой по договору, заключенному заказчиком. Проектом предусмотрена мойка колес автомашин на выезде со стройплощадки. 9.8.1 Определение зон влияния крана В целях создания условий безопасного ведения работ действующие нормативы предусматривают различные зоны: монтажную, зону обслуживания крана, перемещения груза, опасную зону работ крана, зону работы подъемника, опасную зону дорог, опасную зону монтажа конструкции. Монтажной зоной называют пространство, где возможно падение груза при установке и закреплении элементов. Согласно СНиП эта зона является потенциально опасной. Она равна контуру здания + 7 метров при высоте здания до 20 метров. На стройгенплане зоны обозначают пунктиром, а на местности хорошо видимыми предупредительными знаками или надписями, места проходов через монтажную зону снабжают навесами. Зоной обслуживания крана, или рабочей зоной крана, называют пространство, находящееся в пределах линии, описываемой крюком крана. Для стреловых кранов эту зону определяют радиусом, соответствующему максимальному рабочему вылету стрелы крана, показывают отдельными стоянками. Зоны перемещения груза называют пространство, находящееся в пределах возможного перемещения груза, подвешенного на крюке крана. Определяется радиусом соответствующему возможному падению стрелы крана, т.е. суммой максимального рабочего вылета стрелы и ширины зоны, принимаемой равной половине длинны самого длинного перемещаемого груза. Опасной зоной крана называют пространство, где возможно падение груза при его перемещении с учетом возможного рассеивания при падении. Монтажная зона равна контуру здания плюс 7метров. Опасная зона работы крана Ron=Rmax + 0.5*lmax + lбез = 16 + 0,5 * 24 + 7= 35м. Опасная зона поворотной платформы 9.8.2 Временные построечные дороги Запроектирована кольцевая построечная автодорога обеспечивающая подъезд в зону действия монтажного крана, погрузочно-разгрузочных механизмов, складам. При трассировке дорог должны соблюдаться минимальные расстояния, между дорогой и складской площадкой - 1 м, до забора, ограждающего площадку не менее 1м. Не допускается размещение временных дорог над подземными сетями в непосредственной близости к проложенным и подлежащим прокладке подземными коммуникациям, так как это ведет к осадке грунта откосов или засыпке и деформации дорог. Ширину проезжей части принимаем 3,5 м для однополосной дороги. На участках дорог, где организованно одностороннее движение по кольцу в пределах видимости, но не менее чем через 100 м, устраивают площадки шириной 6 м и длиной 12 м. Такие же площадки выполняют в зоне разгрузки материалов. Радиусы закругления дорог равные минимум 12 м определены исходя из маневровых свойств автомашин и автопоездов. При минимально допустимом радиусе 12 м, ширина проездов в 3,5 м недостаточна для движения автомобильных поездов, и поэтому проезды в пределах кривых (габаритных коридоров) необходимо уширять до 6м. Построечные временные дороги выполняются из сборных железобетонных плит уложенных на песчаную постель. Толщина слоя песка назначается в зависимости от группы грунтов земляного полотна и степени увлажнения и назначается порядка 10 - 25 см. При поперечном пересечении подземных сетей траншеи под дорогой должны засыпаться на всю глубину песком. Если это условие не может быть выполнено, следует пройти место пересечения с определенным подъемом, величина которого должна быть пропорциональна коэффициенту разрыхления грунта. По мере уплотнения грунта этот участок дороги в продольном направлении примет горизонтальное положение. 9.8.3 Временные здания на строительной площадке R= (Rmax +Rитр+ Rмон )/1,06 = (34 + 0,06 * 34 + 0,03 * 34) / 1,06 = 35чел. Площади инвентарных зданий Таблица 9.9 №п/п Наименование инвентарных зданий Численность персонала Норма на 1 чел. Расчетная площадь, м2 Всего Одновременно пользующихся Ед. изм. Величина показателя 1 Контора строительства 7 6 м2 4 28 2 Диспетчерская 3 3 м2 7 21 3 Гардеробная 35 35 м2 0,6 21 4 Умывальная 35 2 м2 1,5 3 5 Душевая 35 5 м2 3 15 6 Помещения для сушки одежды 35 5 м2 0,2 12 7 Комната приема пищи 35 35 м2 0,25 9 8 Туалет 35 2 м2 3 6 9 Здравпункт 31 1 м2 10 10 9.8.4 Организация приобъектных складов Емкость складов определяют с учетом номенклатуры подлежащих хранению материалов и конструкций, условий их хранения и способа укладки. При этом исходят из необходимого запаса строительных материалов и максимального дневного их потребления. Рассчитывая емкость склада, принимают во внимание вид применяемого транспортного грузоподъемного оборудования. Площадь склада определяют в такой последовательности: 1.Устанавливают запас материала Р, подлежащего хранению на складе, по формуле где Q- количество материала, необходимого для осуществления строительства в течении расчетного периода; а- коэффициент неравномерности поступления материалов на склады строительства а=1,1; Т- продолжительность расчетного периода, дни; n1- норма запаса материала , 15 дней; К- коэффициент неравномерности потребления материалов К=1,3. 2.Полезную площадь склада S, необходимую для размещения строительных материалов и конструкций, определяют по формуле: Sполезн=Р/V Где V- количество материала, укладываемого на 1 м2 площади склада. При установлении общей площади склада Sобщ следует учитывать площадь, занятую проходами и проездами: Sобщ=Sполезн где Полученное значение общей площади склада уточняют с точки зрения размещения на плане склада штабелей, стеллажей, проездов исходя из удобства загрузки и выдачи материалов. Ширину склада принимают, ориентируясь на зоны обслуживания используемых в процессе погрузочно-разгрузочных работ механизмов. Определяем общую площадь складов для хранения материалов по формуле: Где Q – требуемый запаса материалов, м3; К1 – коэффициент, учитывающий проходы, проезды на территории склада = 1,2; К2 – коэффициент, учитывающий неравномерность использования складов = 0,8. Определим площади складирования для 4 видов материалов: 1. Строительные материалы, складируемые в закрытом складе – рубероид. Общий объём рубероида Q=17710м2. Общая площадь склада: 2. Строительные материалы, складируемые под навесом – стеновые панели. Общий объём стеновых панелей Q=3903м2. Общая площадь склада: 3. Строительные материалы и конструкции, складируемые на открытых площадках – щебень. Объём запаса щебня Q=12,3м3. Общая площадь склада: 4. Также необходимо предусмотреть площадки для приёмки раствора. 9.8.5 Расчёт энергоснабжения Увеличение энерговооруженности - необходимое условие повышения производительности труда в строительстве. Основным видом энергии, применяемой на строительной площадке, является электрическая. Электроэнергия на строительной площадке необходима для работы строительных машин и механизмов, ручного механизированного инструмента и средств малой механизации, подъемников. Она используется для производства электросварочных работ, для технологических нужд, для освещения территории строительной площадки и строящихся объектов, для отопления. В строительстве используют переменный электрический ток напряжением 220/380 В. Напряжение 380В используется для питания силовых установок, 220В – для освещения. В ходе проектирования электроснабжения строительной площадки необходимо учитывать: обилие потребителей и неравномерное их размещение на территории строительства; возможность изменение мест подсоединения нагрузок; требования техники безопасности и ряд других моментов. Запроектированная сеть энергоснабжения строительной площадки должна при минимальных затратах на ее устройство обеспечить надежную подачу энергии к местам потребления при небольших потерях энергии в сети. Наиболее экономичным решением является подача электроэнергии на строительной площадке по постоянному кабелю, уложенному в подготовительный период строительства, с использованием постоянных энергетических сооружений. Проект энергоснабжения разрабатывают в такой последовательности: определяют потребителей электроэнергии, их мощность и места расположения; выбирают источники получения электроэнергии; намечают места установки и подбирают понижающие трансформаторы; проектируют электросети; выбирают инвентарные распределительные устройства, электроустановки и электрооборудование. Мощность Р, источника энергоснабжения, необходимая для работы отдельных видов потребителей энергии, без учета потери мощности в разводящей сети определяют по формуле: Кс- коэффициент спроса (0,1-1); Ру- установленная мощность токоприемников, определяемая на основании паспорта применяемого оборудования; Общую мощность источника энергоснабжения строительной площадки Робщ определяют суммированием мощностей, необходимых для работы силовых и технологических потребителей, а также неиспользуемых для освещения и обогрева с учетом потерь мощности в разводящей сети: где Рс, РТ, Рос, Рот- установленные мощности токоприемников; Кс, Кт, Кос, Кот- коэффициенты спроса; Определив необходимую мощность источников, выбирают источник энергоснабжения. Расчет потребности во временном энергоснабжении Таблица 9.10 № п\п Наименование потребителей Ед. изм. Кол-во Удельн. мощн. на ед. изм. Коэф. спроса Коэф. мощн. Трансформ. мощн. 1. Силовая энергия -сварочный аппарат - краскопульт шт шт 1 1 48,5 2,2 0,5 0,1 0,4 0,4 61 0,52 2 Внутреннее освещение: - инвентарных зданий -склады закрытые -под навесом м2 125 57 84 0,015 0,015 0,003 0,8 0,35 0,35 1 1 1 1,5 0,27 0,1 3 Наружное освещение -основные дороги -открытые склады -фронт производства работ км 100 м2 100 м2 0,4 0,17 37,8 5 0,05 0,015 - - 2 0,01 0,57 4 Охранное освещение 100м2 312,4 0,015 - - 4,7 Общая потребность в электроэнергии 70 кВт. Количество прожекторов, требуемое для освещения строительной площадки N=24 лампы. Принимаем трансформаторную подстанцию. При проектировании стройгенплана необходимо предусмотреть рабочее, охранное и аварийное освещение строительной площадки. Для освещения территории строительства применяют светильники, устанавливаемые в зависимости от их типа и мощности на высоте от 2 до 8 м над освещаемой площадкой. В случае, если использование светильников невозможно или нерационально, применяют прожекторы. Прожекторы устанавливают на столбах, инженерных сооружениях, специальных мачтах. Освещенность рабочих мест принимается в соответствии с видом выполняемой работы. Она колеблется в пределах 0,5-100 лк и не должна быть ниже значений, приведенных в нормах. Для организации охранного освещения территории строительной площадки и ее границ устанавливают прожекторы; их размещают на высоте 8-10 м через каждые 150-200 м. Освещенность, создаваемая охранным освещением, не должна быть менее 0,5 лк. Аварийное освещение должно обеспечивать освещенность мест, где предусмотрены основные спуски и проходы. Питание сети аварийного освещения производиться от отдельной линии независимо от питания сети рабочего освещения. 9.8.6 Проектирование водоснабжения На строительной площадке вода используется для производственно-технологических и хозяйственно-питьевых нужд, для устройства душа и организации противопожарной защиты возводимых сооружений и объектов строительного хозяйства. В качестве источника водоснабжения строительной площадки следует стремиться использовать сети постоянного водопровода, выполненные в подготовительный период. В этом случае сеть проектируется в виде тупиковых ответвлений от постоянных сетей к местам водопотребления. При невозможности использовать постоянный водопровод проектируют разводящую сеть временного водоснабжения. Пожарные гидранты в соответствии с правилами противопожарного надзора устраивают на расстоянии не более 100 м один от другого, с тем чтобы тушение пожара в любой точке строительной площадки могло осуществляться с подачей воды из двух гидрантов. Расстояние от здания до ближайшего гидранта не должно превышать 50 м. Устройство гидрантов вдоль дорог предусматривается на расстоянии не более 2 м от края дороги и не менее 5 м от здания. Расход воды на производственные нужды Qпр, л/с, определяют по формуле: Где S – удельный расход воды на единицу объема работ; А – объём строительных работ, выполняемых в смену с максимальным водопотреблением; K1ч – коэффициент часовой неравномерности водопотребления; принимается равным для строительных работ – 1,5; N – число часов работы в смену. Расход воды устанавливается по всем работам, выполняемым в период максимального водопотребления. Расход воды на хозяйственно-питьевые нужды Qхоз, л/с, определяют по формуле: где b – норма расхода воды на хозяйственно-питьевые нужды на одного человека в смену; N1 – максимальное число работающих в одну смену; К2ч- часовой коэффициент потребления, принимаемый равным 2-3. Расход воды на душевые установки Qдуш, л/с, определяют по формуле: Общий расход воды на строительстве Потребность в воде рассчитывается на период максимального водопотребления, чтобы сети водопровода могли обеспечивать потребителей водой в часы максимального водоразбора и на случай пожара. Диаметр труб определяют по формуле Где Q – расчетный расход воды, л/с; V – скорость движения воды по трубам ( принимается равной 1,5 л/с). Для водоснабжения строительной площадки наиболее рационально использовать действующий водопровод, расположенный в районе строительства. Принимаем диаметр труб 200мм. 9.8.7 Технико-экономические показатели стройгенплана Площадь строящегося здания F1=3780 м2 Площадь открытых складов F2=17 м2 Площадь закрытых складов и навесов F3=141 м2 Площадь дорог F4=1450м2. Общая площадь застройки F5=31240 м2 Общая протяженность дорог 400м. Общая протяженность электросетей 850м. Общая протяженность водопроводных сетей 200м. Мощность временной трансформаторной подстанции - 70 кВт Коэффициент использования территории 0,2 10. Экономическая часть и технологические показатели Локальная смета на общестроительные работы. Для определения сметной стоимости строительства проектируемых зданий, сооружений или их очередей составляется сметная документация, состоящая из локальных смет, локальных сметных расчетов, объектных смет, объектных сметных расчетов, сметных расчетов на отдельные виды затрат, сводных сметных расчетов стоимости строительства, сводок затрат и др. При подсчете объемов работ необходимо соблюдать следующие требования: перечень работ следует разбить по разновидностям, предусмотренным в сметных нормах; объемы работ должны быть выражены в измерителях, принятых в сметных нормах; итоги следует подсчитать с точностью до двух знаков. После определения объемов работ необходимо приступить к составлению сметы, которая составляется по сборникам единичных расценок ТЕР. По каждому разделу сметы подсчитываются итоги. В конце сметы показываются затраты на неучтенные работы – 3% от общего итога. На сумму прямых затрат начисляются накладные расходы – 118%. После составления локальной сметы определяется: сметная стоимость общестроительных работ, сметная зарплата и нормативная трудоемкость (трудозатраты). Трудоёмкость рабочих-строителей обслуживающих машины определяется путём умножения з/п машинистов на коэффициенты: 0,076 – для земляных работ с применением строительных машин; 0,068 – для остальных работ. Форма №4 ЕР Локальная смета №1 Завод цинкования мелкоразмерных конструкций в городе Тула. Сметная стоимость 39868705,7 руб. Основание: раздел технологии производства и чертежи Нормативная трудоемкость 33869 чел.-ч Составлена в базисных ценах на 2001 г.с пересчетом на август 2006 г. Сметная заработная плата 1820138,8 руб. № п/п Шифр и № позиции норматива Наименование работ и затрат, материалов, изделий и конструкций Ед. изм. Кол-во Стоимость ед, руб. Общая стоимость, руб. Затраты труда рабочих, чел.-ч., не занятых обсл. машин Всего осн. зарплата Эксплуатац. машин в т.ч. зарплата машинистов Всего Основной зарплаты Эксплуатац. машин в т.ч. зарплата машинистов обслуж. машины на един. всего 1 2 3 4 5 6 7 8 9 10 11 12 Раздел 1. Земляные работы. 1 ТЕР 01-01-031-7 Срезка растительного слоя бульдозером группы грунта I 1000м3 1,42 2787,19 - 2787,19 342,39 3960,65 - 3960,65 486,19 _-_ 3,3 - 4,69 2 ТЕР 01-01-036-1 Окончательная планировка площадки бульдозером ДЗ-18 при рабочем ходе в одном направлении 1000м2 4,73 1472,13 - 1472,13 186,71 6963,17 - 6963,17 883,14 _-_ 1,3 - 6,15 3 ТЕР 01-01-002-1 Разработка грунта в котловане одноковшовым экскаватором, оборудованным обратной лопатой марки ЭО-2141А с погрузкой в транспортные средства 100 м3 54,7 2120,65 50,57 2070,08 202,63 115999,56 2766,18 113233,38 11083,86 6,1 15,4 333,67 842,38 1 2 3 4 5 6 7 8 9 10 11 12 4 ТЕР 01-02-056-1 Разработка грунта вручную в котловане 100 м3 0,15 1660,5 1660,5 - - 249,08 249,08 - - 162,0 - 24,30 - 5 ТЕР 01-01-035-1 Засыпка котлована бульдозером ДЗ-18, перемещая грунт на 8м. 100 м3 51,6 316,76 - 316,76 - 16344,82 - 16344,82 - - 3,84 198,14 - 6 ТЕР 01-02-001-7 Уплотнение грунта поверхности прицепным катком ДУ-39А на пневмо-колесном ходу при четырех проходах по одному следу 1000 м3 1,52 2197,51 - 2197,51 343,97 3340,22 - 3340,22 522,83 - 3,98 - 6,05 Раздел 2. Фундамент. 7 ТЕР 8-01-002-2 Устройство основания под фундаменты, щебеночного, 1 м3 48 182,28 7,87 22,06 2,22 8749,44 377,76 1058,88 105,65 0,99 47,52 Материалы 151,35 7264,8 8 ТЕР 06-01-001-1 Устройство бетонной подготовки 100 м3 1,2 60977,17 1188,49 805,66 125,49 73172,6 1426,19 966,79 150,59 163,03 195,64 Материалы 58983,02 70779,6 9 ТЕР 5-02-004-1 Погружение свай длиной 5м м3 88,2 514,3 35,73 394,05 26,08 45361,3 3151,38 34755,2 2300,3 2,47 217,85 Материалы 84,52 7454,66 10 ТЕР 06-01-005-4 Устройство монолитного ж/б ростверка из бетона В20 100м3 0,95 58177,48 3592,51 2557,99 286,53 55268,61 3412,88 2430,1 272,2 453,60 430,92 Материалы 52026,98 49425,63 11 ТЕР 06-01-001-10 Устройство монолитного ж/б подколонника 100м3 0,25 79786,11 3620,43 2334,11 331,74 19946,53 905,11 583,52 82,94 453,12 113,28 Материалы 73813,57 18453,39 12 ТЕР 06-01-001-22 Устройство ленточных монолитных ж/б фундаментов под стены цокольного этажа 100м3 0,34 92862,09 3697,67 3344,60 346,97 31573,11 1257,2 1137,16 117,97 446,04 151,65 Материалы 85819,82 29178,74 13 ТЕР 08-01-003-7 Гидроизоляция боковая обмазочная битумом в 2слоя 100м2 1,65 1247,83 188,68 70,11 2058,92 311,32 115,68 21,2 34,98 Материалы 989,04 1631,92 Раздел 3. Каркас здания. 14 ТЕР 09-01-001-12 Монтаж каркаса гражданского здания высотой до 25 м 1 т 741 1005,23 308,79 368,72 46,60 744875,43 228813,39 273221,52 34530,60 24,75 4.57 18339,75 3386,37 Материалы 11452,27 8485932,1 Раздел 4. Стены. 1 2 3 4 5 6 7 8 9 10 11 12 15 ТЕР 08-02-001-3 Монтаж стеновы х панелей площадью до 10м2 100 шт 3,85 17963,18 6082,94 9132,94 1419,97 69 158,2 23 419,3 35 161,82 5 466,88 511,70 112.91 1 970,05 434,70 Материалы 165365,29 636 656,37 16 ТЕР 08-02-001-3 Кладка кирпичных стен средней сложности из керамического кирпича 1 м3кладки 298 690.28 47.35 30,17 4,84 205703,44 14110,3 8 990,66 1 442,32 5.66 0,33 1 686,68 98,34 Материалы 1864,27 555 552,46 17 ТЕР 07-01-021-5 Укладка перемычек массой до 0,7 т 100 шт. 0,03 4685,55 1035,22 3577,19 566,27 140,57 31,06 107,32 16,99 96,75 45,24 2,90 1,36 Материалы 46892,32 1406,77 18 ТЕР 10-01-027- 2 Установка в общественных зданиях оконных блоков 100 м2 1,2 8498.84 1243.25 601.23 64.53 10198,6 1491,9 721,48 77,44 134.52 4,29 161,42 5,14 Материалы 15755,18 18906,2 Раздел 4. Покрытие. 19 ТЕР 10-02-035-1 Установка прогонов и связей при устройстве кровли 100 м2 23,1 1010.73 456,09 129,69 7,62 23347,86 10 535,68 2 995,84 176,02 58,1 0,52 1 342,11 12,01 Материалы 7452,27 172147,4 20 ТЕР 12-01-017-1 Установка стального профилированного настила кровли отдельными листами длиной до 12м 100 м2 23,1 29460,82 3659,73 4992,6 449,75 27,22 1,34 628,78 30,95 Материалы 9585.2 221418,12 21 ТЕР 12-01-015-1 Устройство пароизоляции рулонными материалами 100 м2 23,1 1856,95 154,09 76,42 2,18 42 895,55 3 559,48 1 765,30 50,36 17,51 0,15 404,48 3,47 Материалы 68,24 1 576,34 22 ТЕР 12-01-014-2 Утепление конструкций плитными материалами 100 м2 23,1 3780,2 210,16 76,52 2,28 87 322,62 4 854,70 1 864,70 52,71 11,04 0,46 255,02 10,63 Материалы 13271,44 306 570,26 23 ТЕР 12-01-001-2 Устройство плоской кровли из листовых кровельных материалов 100 м2 23,1 6605,48 239,89 356,32 14,7 152 586,59 5 541,46 8 230,99 339,57 27,26 0,99 629,71 22,87 Материалы 6009,27 138 814,14 Раздел 5. Устройство полов 24 ТЕР 11-01-002-4 Устройство щебеночного подстилающего слоя до 100мм. 1 м3 231 299,38 41,61 31,61 6,73 69 156,78 9 611,91 7 301,91 1 554,63 3,73 0,59 861,63 136,29 Материалы 196,5 45 391,50 25 ТЕР 11-01-032-4 Устройство бетонного подстилающего слоя до 100мм 100 м2 23,1 1341,22 293,56 28,35 12,62 30 982,18 6 781,24 654,89 291,52 39,51 0,86 912,68 19,87 Материалы 4052,1 93 603,51 26 ТЕР 11-01-027-2 Устройство цементных полов с толщина слоя покрытия 30мм. 100м2 23,1 10898,74 981,0 91,37 26,07 251 760,89 22 661,10 2 110,65 602,22 119,78 1,77 2 766,92 40,89 Материалы 3058,74 70 656,89 Раздел 6. Отделочные работы. 1 2 3 4 5 6 7 8 9 10 11 12 27 ТЕР 15-02-001- 1 Высококачестве нная штукатурка поверхностей цементным раствором 100м2 7,5 1700,38 637,92 59,03 25,02 12 752,85 4 784,40 442,73 187,65 70,88 1,77 531,60 13,28 Материалы 2923,43 21 925,73 28 ТЕР 15-04-030-3 Масляная окраска металлических поверхностей за 2 окраски 100м2 4,7 847,45 336,49 1,93 0,1 3 983,02 1 581,50 9,07 0,47 40,59 0,0068 190,77 0,03 Материалы 40714,56 191 358,43 29 ТЕР 15-04-025-7 Высококачественная окраска масляным колером по штукатурке 100м2 7,5 574,5 340,6 1,35 0,1 4 308,75 2 554,50 10,13 0,75 40,07 0,0068 300,53 0,05 Материалы 40714,56 305 359,20 30 ТЕР 15-04-005-2 Окраска перхлорвиниловыми составами наружных стен здания 100м2 7,5 1100,52 142,13 5,41 0,1 8 253,90 1 065,98 40,58 0,75 16,94 0,0068 127,05 0,05 Материалы 32715,62 245 367,15 Прямые затраты в базовых ценах - - - - 1954819 369946,9 503257,2 60034,3 - 33869 5279,87 Расч. инд. РХЦЦС 2006 Индекс на зарплату рабочих руб. k=4,92 - - - 1820138,8 - - - Индекс на эксплуатацию машин руб. k=4,99 - - - - 2511253,4 - - В том числе на зарплату машинистов руб. k=4,92 - - - - 295368,8 - - Индекс на материалы руб. k=2,64 - - 31242833 - - - - МДС 81 -33.2004 Накладные расходы руб. 118% - - 2496299 - - - - Итого с накладными расходами руб. - - 38070524 - - - - МДС 81- 25.2004 Сметная прибыль руб. 85% - - 1798181,5 - - - - Всего сметная стоимость 39868706 1820139 2511253 295369 - 33869 5280 Объектная смета на строительство завода цинкования мелкоразмерных конструкций Результат сметных расчетов по общестроительным, санитарно-техническим, электрическим работам сводятся в смету на объект, которая составляется в соответствии с инструкцией СН 202-81. Суммой сметной стоимости всех работ и затрат на строительство здания определяется сметная стоимость СМР по зданию (Ссмр). Показатель единичной стоимости строительства здания рассчитывается отношением Ссмр к общей площади здания. Форма №3 Объектная смета № 1 На строительство завода цинкования мелкоразмерных конструкций в городе Тула. Сметная стоимость 46643,99 тыс. руб. Средства на оплату труда 2129,45 тыс. руб. Расчетный измеритель единичной стоимости 20,19 тыс. руб./м2 Составлено в ценах по состоянию на август 2006 г. № п/п Номера сметных расчетов (смет) Наименование работ и затрат Сметная стоимость, тыс. руб. Средства на оплату труда, тыс. руб. Показатели ед. стоимости Строительных работ Монтажных работ Оборудования, мебели, инвентаря Прочих затрат Всего 1 2 3 4 5 6 7 8 9 10 1 ЛC №1 Общестроительных работ 39868,71 – – – 39868,71 1820,14 17,26 2 Отопление 5% 1993,44 – – – 1993,44 91,01 0,86 3 Вентиляция 2% 797,37 – – – 797,37 36,40 0,35 4 Внутренний водопровод 3% 1196,06 – – – 1196,06 54,60 0,52 5 Канализация 2% 797,37 – – – 797,37 36,40 0,35 6 Электроосвещение 1% 398,69 – – – 398,69 18,20 0,17 7 Электросиловое оборудование – – – – – – – 8 Технологическое оборудование – – – – – – – 9 Приспособления, инвентарь, инструмент ( 3% от (8) ) – – – – - – – Итого по гл. 1 – 9 45051,64 – – – 45051,64 2056,76 19,50 10 ГЭСН 81-05-01-2001 Временные здания и сооружения 1,1% 495,57 – – – 495,57 – 0,22 Итого по гл. 1 – 10 45547,21 – – – 45547,21 2056,76 19,72 11 ГЭСН 81-05-02-2001 Зимнее подорожание 0,4% 171490,94 – – – 182,19 8,32 0,08 12 По факту или по плану Приобретение хоз. инвентаря (0,3% от (8)) – – – – – – – Итого по гл. 1 – 12 45729,40 – – – 45729,40 2087,70 19,80 13 Резерв на непредвиденные работы и затраты 2% 914,59 – – – 914,59 41,75 0,40 14 Всего по смете 46643,99 – – – 46643,99 2129,45 20,19 Технико-экономические показатели проекта. На основании сметных расчетов произведен экономический анализ эффективности принятого варианта проекта. Технико-экономические показатели стоимости строительства: Общая трудоемкость - 4130,4 чел-дн. Трудоемкость строительства на 1м2 площади здания - 1,79 чел-дн./ м2; Сметная стоимость СМР по локальной смете – 39868,7 тыс. руб; Сметная стоимость строительства - 46643,99 тыс. руб; 5. Полная сметная стоимость строительства в текущих ценах – 58165,06 тыс. руб; Стоимость 1м2 общей площади –20,19 тыс. руб/ м2; Стоимость 1 м3 объема здания –1,83 тыс. руб; Фонд оплаты труда рабочих – 2129,45 тыс. руб. Из расчетов технико-экономических показателей можно сделать вывод о том, что выполненный проект здания соответствует требованиям экономической эффективности и целесообразности заложенных в него объемно-планировочных и архитектурно-конструктивных решений, а также принципам передовых методов и технологий ведения строительного процесса. 11 Техника безопасности и охрана труда 11.1 Анализ основных опасных и вредных факторов производственного процесса. Производственная пыль. Производственная пыль образуется при земляных работах, монтаже строительных конструкций, отделочных работах, очистке и окраске строительных изделий, при транспортировке материалов, сжигании топлива и т.п. Вредность пыли зависит от ее состава, концентрации в воздухе и крупности частиц. В легких человека при дыхании задерживаются частицы размером от 0,2 до 0,7 мкм. Для нормализации воздуха при производстве работ на строительном участке запланированы следующие мероприятия: - максимальная механизация и автоматизация производственных процессов; - применение герметичного оборудования, герметичных устройств для транспортировки пылящих материалов; - тщательная и систематическая уборка рабочих мест с помощью вакуумных установок - применение индивидуальных средств защиты от пыли - респираторов (лепестковых, шланговых и др.), очков и противопыльной спецодежды. Вредные вещества. При строительстве объекта исключено использование сильнодействующих ядовитых веществ. Но при различных технологических процессах может выделяться ряд вредных веществ, описание которых приведено ниже. ГОСТ 12.1.005-88 "Общие санитарно-гигиенические требования к воздуху рабочей зоны" устанавливает предельно допустимые концентрации (ПДК) вредных веществ в воздухе рабочей зоны. Бензин - смесь углеводородов, прозрачная бесцветная жидкость, легко испаряющаяся, с характерным запахом. В строительстве применяется в качестве растворителей красок при малярных работах. Бензин может поступать в организм через органы дыхания, желудочно-кишечный тракт и кожу. ПДК для бензина - 100 мг/м3. Ацетон СН3СОСН3 - бесцветная жидкость с неприятным запахом. Применяется в качестве растворителя и разбавителя нитрокрасок. Оказывает на организм наркотическое действие. ПДК составляет 200 мг/м3. При сварке выделяются вредные аэрозоли (марганец). Токсические материалы выделяются при малярных, изоляционных работах, работах с полимерными материалами; при асфальтобетонных и кровельных работа с применением битумных мастик. Для предотвращения отравления вредными веществами необходимо вести регулярный контроль их содержания в воздухе рабочей зоны в соответствии со СНиП 12.1.007-76. Для анализа воздушной среды используется хроматограф ЛК-2. Работы с вредными отравляющими веществами необходимо свести к минимуму или вообще исключить. Все рабочие должны быть обучены технике безопасности и знать начальные признаки действия вредных веществ, должны уметь оказать первую помощь. Для защиты частей тела рабочих применяется спецодежда: для защиты рук перчатки или рукавицы, прорезиненные или из кислостойких материалов; органы дыхания защищаются специальным противогазом при проведении малярных работ в закрытом помещении; - для предупреждения заболеваний кожи применяются мази (пасты) и моющие средства. Физические факторы. Строительно-монтажные работы второго этапа строительства завода выполняются в весенне-летний период. Оптимальная величина температуры воздуха рабочей зоны установлена ГОСТ 12.1.005-88 и колеблется пределах от 16 до 25 С°, в зависимости от выполняемой работы и времени года. Оптимальная относительная влажность установлена ГОСТ 12.1.005-88 и составляет 40-60%. Допустимая величина может быть до 75% в зависимости от сочетания температуры воздуха со скоростью его движения. Тепловое самочувствие человека в значительной мере зависит от скорости движения воздуха. В теплый период года скорость движения воздуха в рабочей зоне составляет от 0,2 до 1,0 м/с, а в холодный - от 0,2 до 0,5 м/с. Для обеспечения удовлетворительной работы необходимо предусматривать: - защиту рабочих от переохлаждения путем обеспечения теплой одеждой и теплой обувью в период холодного времени года, с периодическими перерывами для обогрева в специальных помещениях; - для исключения нарушения водно-солевого баланса в организме человека предусмотрено установление сатуратора, снабжающего работающих газированной водой с добавлением 0,2-0,5% поваренной соли. Шум. Разработка мероприятии по борьбе с производственным шумом должна начаться на стадии проектирования технологических процессов и машин, разработки плана производственного помещения и генерального плана предприятия, а также технологической последовательности операции. Этими мероприятиями могут быть: уменьшение шума в источнике возникновения; снижение шума на путях его распространения; архитектурно-планировочные мероприятия; совершенствование технологических процессов и машин; акустическая обработка помещении. Уменьшение шума в источнике возникновения является наиболее эффективным и экономичным. В каждой машине (электродвигатель, вентилятор, виброплощадка) в результате колебании (соударении) как всей машины так и составляющих её деталей (зубчатых передач, подшипников, валов, шестерён) возникают шумы механического, аэродинамического и электромагнитного происхождения. При работе различных механизмов снизить шум па 5...10 дБ можно путем: устранения зазоров в зубчатых передачах и соединения деталей с подшипниками; применение глобоидных шеврованных соединений; широкого использования пластмассовых деталей. Шум в подшипниках качения и зубчатых передачах уменьшается также при снижении частоты вращения и нагрузки. Часто повышенные уровни шума возникают при несвоевременном ремонте оборудования, когда ослабляется крепление деталей и образуется недопустимым износ деталей. Снижение шума вибрационных машин достигается посредством: уменьшения площади вибрирующих элементов: замены зубчатых и цепных передач па клиноремонтные или гидравлические: замены подшипников качения на подшипники скольжения, гам, где это не вызывает значительного повышения расходов энергии (снижение шума до 15 дБ): повышения эффективности виброизоляции, так как снижение уровня вибрации деталей всегда приводит к уменьшению шума: снижение интенсивности процесса виброформирования за счет некоторого увеличения времени вибрирования. Снизить шумы аэродинамического и электромагнитного происхождения часто можно только уменьшением мощности или рабочих скоростей машины, что неизбежно приведет к снижению производительности или нарушению технологического процесса. Поэтому во многих случаях, когда существенного уменьшения шума в источнике не удалось достичь, используя методы снижения шума на путях его распространения, т. е. Применяют шумозащитные кожухи, экраны, глушители аэродинамического шума. В необходимых случаях меры защиты дополняются применением средств индивидуальной защиты от шума в виде: наушников, вкладышей из улыратонкого волокна, противошумных касок, действие которых основано на изоляции и поглощении звука. Средства индивидуальной защиты от шума должны обладать следующими основными свойствами: снижать уровень шума до допустимых пределов на всех частотах спектра; не оказывать чрезмерного давления па ушную раковину: не снижать восприятия речи: не заглушать звуковые сигналы опасности: отвечать необходимым гигиеническим требованиям. Основными источниками шума на строительной площадке являются: передвижные строительные машины - экскаватор, бульдозер, кран, электровибратор, компрессорная установка; бетоносмесительная установка, бетоноукладчики; ручной механизированный инструмент. При строительстве завода следует обеспечить следующие мероприятия: максимально исключить виброакустическое оборудование; по возможности сократить число рабочих, работающих в непосредственной близи с источником шума; применить средства индивидуальной защиты от шума - наушники, вкладыши и шлемы; проводить санитарно-профилактические мероприятия для рабочих, занятых на акустическом оборудовании; применить звукоизоляцию шумных машин (например компрессор) в виде кожуха; Существенное ослабление шума достигается качественным монтажом отдельных узлов машин, их динамической балансировкой и своевременным проведением планово-предупредительных ремонтов. Необходимо регулярно проверять работу подшипников, устранять удары и биение деталей при возникновении зазоров. Для возведения нашего объекта подбирались исправные машины и механизмы, у которых уровни звукового давления были в пределах нормы. Вибрация. При строительстве завода будут выполнятся работы по бетонированию, следовательно, главным источником вибрации являются машины для приготовления, распределения и виброуплотнения бетонной смеси - бетоносмесители, виброплощадки. Также источниками вибрации на стройплощадке являются бульдозер, кран, передвижные компрессорные установки. Защита от вибрации: при работе с ручным механизированным инструментом использовать средства индивидуальной защиты - рукавицы или перчатки, а также виброзащитную обувь, виброзащитные прокладки и пластины.. Требования, предъявляемые к упругим ставкам виброзащитных рукавиц, эффективность виброзащиты, толщина упругих вставок, а также сила нажатия на ручную машину установлены в ГОСТ 12.4.002-74 "Средства индивидуальной зашиты рук от вибрации. Общие технические требования"; для защиты от вредной вибрации рабочие места бетонщиков располагают на массивной железобетонной плите, опирающейся с помощью стальных пружин виброизоляторов на колеблющееся основание. Искусственное освещение. Для охраны строительной площадки из рабочего освещения необходимо выделить несколько осветительных вышек, которые обеспечат горизонтальную на уровне земли или вертикальную на плоскости ограждения освещенность, равную 0,5 лк. Аварийное освещение, устраивается в местах производства работ по бетонированию особенно ответственных конструкций в тех случаях, когда перерыв в укладке бетона недопустим - это бетонирование фундаментов. При необходимости часть светильников рабочего или аварийного освещения может использоваться для дежурного освещения. Эвакуационное освещение устроено в местах основных путей эвакуации через два входа на территорию строительства. Произведем расчет прожекторного освещения Прожектора размещены по два на одной мачте высотой H=10м. Вид освещения - рабочее. Размеры площадки: длина 220м, ширина 142м. Угол наклона оптической оси 180. Рис. 11.1 Построения при расчете освещенности в точке А В соответствии с СНиП 23-05-95 Ен=2 лк, k=1.5 подбираем подходящий тип прожектора ПЗС-35 с лампой накаливания Г 215-225-500. Тогда N=EнkS/FлpuZ Где Eн – нормативная освещенность, Ен=2лк К – коэффициент запаса, к=1,5 S – освещаемая площадь, S=31240 кв.м Fл – световой поток лампы, Fл=8000 (для ПЗС- 35) p - КПД прожектора, p=0,8 (для ПЗС-35) u - коэффициент использования светового потока, u = 0,8 Z – коэффициент неравномерности освещения, Z = 0,75 N – количество прожекторов типа ПЗС ЛН Г215-225-500 имеет максимальную силу света Imax=8300кд, а следовательно минимальная высота установки прожекторов над освещаемой поверхностью, hmin= Произведем расчет прожекторного освещения методом изолюкс. Полагаем, что для освещения стройплощадки выбран прожектор ПЗС-35 с ЛН Г 215-225-500, высота установки дана равной 10м. Угол наклона оптической оси Световой поток лампы при напряжении 220В Фл=8300 лм, угол рассеяния прожектора в вертикальной плоскости Где L0 ,м - расстояние от основания прожекторной мачты до освещаемой зоны. Расстояние неосвещенной зоны Мощность лампы 500Вт, мощность двух ламп 1000 Вт. Удельная мощность освещения Для рассматриваемой площадки рекомендуется 24 прожектора ПЗС - 45 с лампой 215-225-500, расстояние между мачтами 30 м, количество прожекторов на каждой мачте N=1 высота мачты h=10 м, угол наклона прожекторов Подъездные пути и ограждения. Для выделения территории стройплощадки, участков производства работ строительно-монтажных и опасных зон предусмотрено устройство ограждений, показанных на стройгенплане. Ограждения выполнены с учетом требований ГОСТ 23407-78. Для обеспечения безопасной и безаварийной работы транспорта на строительной площадке предусмотрены подъездные пути и внутрипостроечные дороги. Дороги имеют твердое покрытие и обеспечивают свободный доступ транспортных средств и строительных машин к участкам производства работ. Опасными зонами являются зоны проезда транспортных средств. На границах зоны перемещения транспортных средств должны быть установлены защитные ограждения, а в зоне потенциально возможного перемещения транспортных средств – сигнальные ограждения и знаки безопасности. Работа на высоте Рабочие места и проходы к ним, расположенные на покрытиях на высоте более 1,3 м и на расстоянии менее 2 м от границы перепада по высоте ограждены защитными или страховочными ограждениями, а при расстоянии более 2 м – сигнальными ограждениями, соответствующими требованиям государственных стандартов. При невозможности или экономической нецелесообразности применения защитных ограждений допускается производство работ с применением предохранительного пояса для строителей, соответствующего государственным стандартам, и оформлением наряда-допуска. При выполнении работ на высоте, внизу, под местом работы выделяются опасные зоны. При совмещении работ по одной вертикали нижерасположенные места оборудованы соответствующими защитными устройствами (настилами, сетками, козырьками), установленными на расстоянии не более 6 м по вертикали от нижерасположенного рабочего места. 11.2 Пожарная безопасность До начала строительства площадка была обеспечена противопожарным водоснабжением и телефонной связью – для вызова пожарной части в случае возникновения пожара. Пожарные гидранты установлены на площадке в закрытых колодцах вдоль дорог. У места расположения пожарного гидранта расположен информационный указатель с нанесенным буквенным индексом ПГ. Во избежание пожара расстояние между рабочим местом сварщика и огнеопасными материалами должно быть не менее 5м. Причиной пожара может быть неисправность отопительных или нагревательных приборов, неисправность оборудования, неосторожное обращение с огнем, искрение, плохое состояние электроустановок и электропроводки, самовозгорание материалов и веществ, взрывы паров легковоспламеняющихся жидкостей и газов, разведение огня и курение в недозволенных местах, удары молнии и т. д. Требования пожарной безопасности должны соответствовать СНиП 21-01-97. В зданиях должны быть предусмотрены конструктивные, объёмно-планировочные и инженерно-технические решения, обеспечивающие в случае пожара: возможность эвакуации людей не зависимо от их возраста и физического состояния наружу на прилегающую к зданию территорию (далее - наружу) до наступления угрозы их жизни и здоровью вследствие воздействия опасных факторов пожара; возможность спасения людей; возможность доступа личного состава пожарных подразделений и подачи средств пожаротушения к очагу пожара, а также проведение мероприятий по спасению людей и материальных ценностей; нераспространение пожара на рядом расположенные здания, в том числе при обрушении горящего здания; ограничение прямого и косвенного материального ущерба, включая содержимое здания и само здание, при экономически обоснованном соотношении величины ущерба и расходов на противопожарные мероприятия, пожарную охрану и ее техническое оснащение. Система противопожарной защиты должна обеспечивать незадымление, снижение температуры и удаление продуктов горения и термического разложения па путях эвакуации в течение времени, достаточного для эвакуации людей. В процессе строительства необходимо обеспечить: приоритетное выполнение противопожарных мероприятии, предусмотренных проектом, разработанными в соответствии с действующими нормами и утверждёнными в установленном порядке; соблюдение противопожарных правил и охрану от пожара строящегося и вспомогательных объектов, пожаробезопасное проведение строительных и монтажных работ; наличие и исправное содержание средств борьбы с пожаром; возможность безопасной эвакуации и спасения людей, а также защиты материальных ценностей при пожаре в строящемся объекте и на строительной площадке. В случае пожара эвакуацию людей производить через существующие двери и ворота, ведущие наружу здания. Расчётная норма воды на наружное пожаротушение для стройплощадки и количество колодцев с пожарными гидрантами рассчитано и запроектировано в пункте временное водоснабжение организационно-технологической части дипломного проекта (смотри п.9). На территории строительной площадки предусмотрено размещение мест складирования строительных отходов, а также размещены пункты-щиты с набором огнетушителей, пожарного инвентаря и ручного инструмента. В целях пожарной безопасности на строительной площадке рабочий должен выполнять следующие требования: курить только в специально отведенных местах, обеспеченных средствами пожаротушения; не разводить костры, не сжигать мусор и отходы; горючие строительные отходы убирать ежедневно после работы с рабочих мест и непосредственно со строительной площадки в специально отведенные места на расстояние не ближе 50 метров от зданий и складов; не загромождать доступы и проходы к противопожарному инвентарю. Производственные территории оборудованы средствами пожаротушения согласно ППБ-01, зарегистрированных Минюстом России 27 декабря 1993г. № 445. На рабочих местах, где применяются или приготовляются клеи, мастики, краски и другие материалы, выделяющие взрывоопасные или вредные вещества, не допускаются действия с использованием огня или вызывающие искрообразование. Эти рабочие места должны проветриваться. Электроустановки в таких помещениях (зонах) должны быть во взрывобезопасном исполнении. Кроме того, должны быть приняты меры, предотвращающие возникновение и накопление зарядов статического электричества. Рабочие места, опасные во взрыво- или пожарном отношении, укомплектованы первичными средствами пожаротушения и средствами контроля и оперативного оповещения об угрожающей ситуации. 11.3 Электробезопасность Для обеспечения электробезопасности необходимо ограждать токоведущие части установок во избежание случайного прикосновения к ним. Части электрооборудования, которые могут оказаться под напряжением, должны быть заземлены. В помещениях без повышенной опасности применять электроинструмент напряжением 42В и 12В. в помещениях с повышенной опасностью и особо опасных - 12В. Во время работы с электроинструментами пользоваться защитными резиновыми перчатками ботами или резиновыми ковриками. Работы с инструментом и установками, находящимися под напряжением следует выполнять в присутствии второго лица. К обслуживанию электроустановок допускаются лица, обученные правилами техники безопасности, сдавшие экзамен с последующей проверкой знаний. При эксплуатации машин, приборов, аппаратов, инструмента необходимо соблюдать требования правил устройства электроустановок и соответствующих конструкций. Одно из главных условий безопасности электроустановок - надежная изоляция. Сопротивление изоляции на участке между двумя смежными предохранителями должно составлять не менее 0.5 МОм. а также между любым проводом и землей. Для защиты от опасности прикосновения к токоведущим частям установки применяют автоматические устройства отключения. Потребность электроснабжение па производственные нужды (сварочные трансформаторы и др.), технологические нужды (электропрогрев бетона, грунта) и освещение (наружное и внутреннее), количество прожекторов для наружного освещения рассчитано и запроектировано в пункте электроснабжение строительной площадки организационно-технологической части дипломного проекта (смотри п.9). Временное наружное освещение при строительстве завода располагают на высоте: 2,5 м над рабочим местом; 3,5 м над проходом 6,0 м над проездом Все выключатели, рубильники, а также токоведущие части электроустановок изолируются и ограждаются. Металлические части строительных машин и оборудования с электроприводом имеют защитное заземление. Предусмотрено обеспечение обслуживающего персонала средствами индивидуальной защиты. Устройство и эксплуатация электроустановок соответствует требованиям ГОСТ 12.1.038-82, правилам устройства электроустановок, правилам эксплуатации электроустановок потребителей. К обслуживанию электроустановок допускаются лица, обученные правилам техники безопасности, сдавшим экзамен с последующей проверкой знаний. При эксплуатации машин, приборов, аппаратов, инструмента соблюдать требования правил устройства электроустановок и соответствующих конструкций. 11.4 Расчёт устойчивости крана Расчет производится для гусеничного крана СКГ-25 L=25м,l=5м. Безопасная эксплуатация грузоподъёмных механизмов при выполнении монтажных работ обеспечивается правильным выбором параметров кранов и их устойчивостью. Грузовая устойчивость крана обеспечивается при условии К1 Мг МII Где К1 – коэффициент грузовой устойчивости принимаемый для горизонтального пути – 1,4; Мг – момент, создаваемый рабочим грузом относительно ребра опрокидывания. Грузовой момент: Мг=Q(a-b)=7,9(17.5-6,0)=90,9кНм, где Q – вес наибольшего рабочего груза (кН); а – расстояние от оси вращения крана до центра тяжести максимального рабочего груза (м); b – расстояние от оси вращения до ребра опрокидывания (м). Удерживающий момент, возникающий от действия основных и дополнительных нагрузок: МII = Мв’ - Mу - Мц.с .- Ми - Мв, где Мв’ – восстанавливающий момент от действия собственного веса крана: Мв’= G (b+c) cos Где G – вес крана СКГ-25, G=30т; с – расстояние от оси вращения крана до его центра тяжести, с=0,5м; - угол наклона пути крана, =5; Мв’ = 30 (6,0+0,5)cos5 = 194,3 кНм. Мy – момент возникающий от действия собственного веса крана при уклоне пути, My = Gh1sin = 304sin5 = 8,7 кНм h1 – расстояние от центра тяжести до плоскости, проходящей через точки опорного контура – 4м; Мц.с. – момент от действия цетробежных сил, Мц.с.= Qn2ah / (900-n2H) = 50,6217,525 / (900-0,6223,7) = 0,88кНм, n – частота вращения крана вокруг вертикальной оси – 0,6 об/мин; Н – расстояние от оголовка стрелы до центра тяжести подвешенного груза – 23,7м; h – расстояние от оголовка стрелы до плоскости, проходящей через точку опорного контура – 25м. Ми – момент от силы инерции при торможении опускающегося груза, Ми = QU(a-b)/gt = 50,06(17,5-6)/9,810,05 = 8,3 кНм, где U – скорость опускания груза – 0,06 м/с; g – ускорение свободного падения; t – время неустановившегося режима работы механизма подъёма – 3м/мин, 0,05м/сек. Мв – ветровой момент, Мв = Мв.к.+Мв.г.= W + W11, где Мв.к. – момент от действия ветровой нагрузки на подвешенный груз; W – ветровая нагрузка, действующая параллельно плоскости, на которой установлен кран, на наветренную площадь крана, W=100Па; W1 – ветровая нагрузка, действующая параллельно плоскости, на которую установлен кран, на подветренную площадь груза, W1=50Па; =h1; 1=h – расстояние от плоскости, проходящей через точки опорного контура, до центра приложения ветровой нагрузки. Давление ветра на кран W = qнсF, Где F – наветренная поверхность крана; qнс – статическая составляющая ветровой нагрузки, qнс=qокс; qо – скоростной напор; кс – коэффициент, учитывающий изменение скоростного напора по высоте. Мв=10020+5040 = 4000 Нм = 4 кНм. МII = Мв’ - Mу - Мц.с. - Ми - Мв = 194,3 – 8,7 – 0,88 – 8,3 - 4 = 172,4 кНм К1Мг = 1,490,9 = 127,3 кНм МII = 172,4 кНм. Вывод: устойчивость крана обеспечена. 11.5 Техника безопасности на строительной площадке при выполнении работ Земляные работы. Строительно-монтажные работы нулевого цикла должны производиться в соответствии со СНиП 12-03-2001 ч. 1, СНиП 12-04-2002 ч. 2, ППБ-01-03, ПБ 10-382-00. До начала производства земляных работ в местах расположения действующих подземных коммуникаций разработать и согласовать с организациями, эксплуатирующими эти коммуникации, мероприятия по безопасным условиям труда, а расположение подземных коммуникаций на местности обозначено соответствующими знаками или надписями. Место работ очистить от валунов и деревьев, принять меры по отводу поверхностных вод Производство земляных работ в зоне действующих подземных коммуникаций осуществляться под непосредственным руководством прораба или мастера, а в охранной зоне кабелей, находящихся под напряжением, или действующего газопровода, кроме того, под наблюдением работников электро- или газового хозяйства. При обнаружении взрывоопасных материалов земляные работы в этих местах следует немедленно прекратить до получения разрешения от соответствующих органов. Выемки под ростверки огорожены защитными ограждениями. На ограждении необходимо установлены предупредительные надписи и знаки, а в ночное время — сигнальное освещение. Грунт, извлеченный из котлована, следует размещать на расстоянии не менее 0,5 м от бровки выемки. Валуны и камни, а также отслоения грунта, обнаруженные на откосах, должны быть удалены. При производстве работ принять крутизну откосов 1:1 при глубине разработке до 3 м. Проход людей на рабочие места (в котлован) оборудовать приставными деревянными лестницами шириной не менее 0,6 м. При работе экскаватора не разрешается производить другие работы со стороны забоя и находиться работникам в радиусе действия экскаватора +5 м. Автомобили-самосвалы при разгрузке и обратной засыпке котлованов устанавливать не ближе 1 м от бровки естественного откоса, разгрузка с эстакад, не имеющих защитных брусьев запрещается Погрузка грунта на автосамосвалы должна производиться со стороны заднего или бокового борта. Безопасность при производстве бетонных работ. При подаче, укладке и уходе за бетоном, установке арматуры, а также установке и разборке опалубки (далее - выполнении бетонных работ) необходимо предусматривать мероприятия по предупреждению воздействия на работников опасных и вредных производственных факторов, связанных с характером работы: расположение рабочих мест вблизи перепада по высоте 1,3 м и более; движущиеся машины и передвигаемые ими предметы; обрушение элементов конструкций; шум и вибрация; повышенное напряжение в электрической цепи, замыкание которой может произойти через тело человека. Размещение на опалубке оборудования и материалов, не предусмотренных ППР, а также нахождение людей, непосредственно не участвующих в производстве работ на установленных конструкциях опалубки, не допускаются. Ходить по уложенной арматуре допускается только по специальным настилам шириной не менее 0,6 м, уложенным на арматурный каркас. Элементы каркасов арматуры необходимо пакетировать с учетом условий их подъема, складирования и транспортирования к месту монтажа. Ежедневно перед началом укладки бетона в опалубку необходимо проверять состояние тары, опалубки и средств подмащивания. Обнаруженные неисправности следует незамедлительно устранять. При подаче бетона с помощью бетононасоса необходимо: - осуществлять работы по монтажу, демонтажу и ремонту бетоноводов, а также удалению из них пробок только после снижения давления до атмосферного; - удалять всех работающих от бетоновода на время продувки на расстояние не менее 10 м; - укладывать бетоноводы на прокладки для снижения воздействия динамической нагрузки на арматурный каркас и опалубку при подаче бетона. Удаление пробки в бетоноводе сжатым воздухом допускается при условии: - наличия защитного щита у выходного отверстия бетоновода; - нахождения работающих на расстоянии не менее 10 м от выходного отверстия бетоновода; - осуществления подачи воздуха в бетоновод равномерно, не превышая допустимого давления. При невозможности удаления пробки следует снять давление в бетоноводе, простукиванием найти место нахождения пробки в бетоноводе, расстыковать бетоновод и удалить пробку или заменить засоренное звено. При уплотнении бетонной смеси электровибраторами перемещать вибратор за токоведущие кабели не допускается, а при перерывах в работе и при переходе с одного места на другое электровибраторы необходимо выключать. Изоляционные работы. При выполнении изоляционных работ с применением огнеопасных материалов, а также выделяющих вредные вещества следует обеспечить защиту работающих от этих факторов. Рабочие имеют специальную обувь, предохраняющую от ожогов. Для подогрева битумных составов внутри помещений не применять устройства с открытым огнем. При выполнении работ с применением горячего битума несколькими рабочими звеньями расстояние между ними должно быть не меньше 10м. Не допускается использовать в работе битумные мастики температурой выше 180°С. Котлы для варки и разогрева битумных мастик должны быть оборудованы приборами для замера температуры мастики и плотно закрывающимися крышками. Загружаемый в котел наполнитель должен быть сухим. Возле варочного котла должны быть средства пожаротушения. При приготовлении грунтовки, состоящей из растворителя и битума, следует расправленный битум вливать в растворитель. Не допускается вливать растворитель в расплавленный битум. При выполнение работ по гидроизоляции и приготовление грунтовки запрещается курить, разводить огонь, проводить сварочные работы в радиусе 25 м Меры безопасности при производстве монтажных работ. При производстве строительно-монтажных работ должны выполняться правила техники безопасности и производственной санитарии, предусмотренные СНиП 12-03-2001 часть 1 и СНиП 12-03-2002 часть 2 «Безопасность труда в строительстве», стандартами, организация охраны труда, предусмотренная пунктом 6,7 СНиП 3.01.01-85* и другими нормативными документами. Перед началом работ ответственному производителю работ проинструктировать монтажников о мерах безопасности, сделать запись в специальном журнале под подпись всех членов бригады. Эксплуатацию грузоподъемных кранов, механизмов и средств малой механизации осуществлять в соответствии с требованиями ГОСТ 12.3.033-84. Строительные машины. Общие требования безопасности при эксплуатации; Правил устройства и безопасной эксплуатации грузоподъемных кранов ПБ 10-382-00,утвержденных Госгортехнадзором России 31.12.99 г. Производителю работ назначить ИТР, ответственного за безопасное производство работ кранами, из числа лиц, прошедших проверку знаний правил ПБ 10-382-00 и производственных инструкций для крановщиков и стропальщиков. Отклонение грузового полиспаста крана от плоскости подвеса стрелы при подъеме и перемещении конструкций не должно превышать значений, указанных в инструкции завода-изготовителя. Стропальщик может находиться возле груза во время его подъема и перемещения, если последний расположен на высоте не более 1м от уровня площадки (земли, перекрытия, и пр.), где находится стропальщик. При монтаже конструкция или монтажный блок наводится монтажником на место ее установки при нахождении груза на высоте не более 30см от его проектного положения. Съемные грузозахватные приспособления в процессе эксплуатации Строповку грузов производить инвентарными стропами. При перемещении конструкций расстояние между ними и выступающими частями ранее установленных конструкций должно быть по горизонтали не менее 1м, по вертикали- 0,5м. Элементы монтируемых конструкций во время перемещения должны удерживаться от раскачивания и вращения оттяжками из капронового каната. Не допускается пребывание людей на элементах конструкций или блоках во время их подъема и перемещения. Не допускается нахождение людей под монтируемыми конструкциями до установки их в проектное положение и закрепление. Работу на высоте выполнять с использованием предохранительных поясов по ГОСТ Р 50 849-96, стропами которых крепиться к надежно закрепленным конструкциям здания. Подачу материалов и строительных конструкций к рабочим местам осуществлять в технологической последовательности их установки, обеспечивающей безопасность проведения монтажных работ. При работе на высоте монтажники имеют предохранительные пояса и каски. Конструкции поднимают плавно, без рывков и раскачивания, применяя оттяжки (при установке длинномерных и громоздких элементов). При перемещении сборных конструкций монтажники находятся вне контура устанавливаемых элементов или с противоположной стороны подачи конструкции краном. Расстроповку установленных элементов выполнять только после прочного и надёжного их закрепления Перемещение уложенной конструкции после снятия крепления запрещено. В темное время суток строительная площадка и рабочие места освещены. Монтажные работы прекращать при гололёде, сильном снегопаде, дожде, при ветре более 6 баллов. На всех стадиях монтажа предусматривать меры по обеспечению устойчивости, неизменяемости и прочности, как отдельных смонтированных элементов, так и всего здания в целом. На участке, где ведутся монтажные работы, не допускается выполнение других работ и нахождение посторонних лиц. Способы строповки элементов конструкций и оборудования обеспечивают их подачу к месту установки в положении, близком к проектному. Установленные в проектное положение элементы конструкций или оборудование закреплены так, что обеспечивается их устойчивость и геометрическую неизменяемость. Очистку подлежащих монтажу элементов конструкций от грязи производить до их подъема. Во время перерывов в работе не допускается оставлять поднятые элементы конструкций и оборудования на весу. Не допускается выполнять монтажные работы на высоте в открытых местах при скорости ветра 15 м/с и более, при грозе или тумане, исключающем видимость в пределах фронта работ. Работы по перемещению и установке вертикальных панелей и подобных конструкций с большой парусностью следует прекращать при скорости ветра 10м/с и более. До выполнения монтажных работ установлен порядок обмена условными сигналами между лицом, руководящим монтажом, и машинистом (мотористом). Все сигналы подаются только одним лицом (бригадиром монтажной бригады, звеньевым, такелажником-стропальщиком), кроме сигнала «Стоп», который может быть подан любым работником, заметившим явную опасность. При перемещении конструкций расстояние между ними и другими конструкциями должно быть по горизонтали не менее 1м, по вертикали — 0,5м. Углы отклонения от вертикали грузовых канатов и полиспастов крана в процессе монтажа не должны превышать величину, указанную в паспорте крана. Навесные монтажные площадки, лестницы и другие приспособления, необходимые для работы монтажников на высоте, следует устанавливать и закреплять на монтируемых конструкциях до их подъема. Меры безопасности при погрузочно-разгрузочных работах. При погрузочно-разгрузочных работах запрещается: поднимать или отрывать примёрзшие или засыпанные конструкции; подтаскивать сборные элементы поворотом крана или косым натяжением грузового каната; оставлять конструкции в подвешенном состоянии даже на короткое время; проходить и находиться под грузом и стрелой крана. Погрузку на транспортные средства выполнять в соответствии с разработанными схемами укладки сборных изделий. При этом укладываемые штучные грузы в кузов машин и прицепов должны находиться от края бортов не ближе 50 – 100мм. Для подъёма в кузова автомобилей и на штабеля конструкции использовать приставные лестницы. Спрыгивать со штабелей и кузовов автомобилей запрещено. Для подъёма грузов используют грузозахватные устройства и стропы, имеющие клеймо или бирку, в которых указывается предельная грузоподъёмность и дата освидетельствования. Способы строповки должны исключать возможность падения или скольжения застропованного груза. При выполнении погрузочно-разгрузочных работ не допускается строповка груза, находящегося в неустойчивом положении, а также смещение строповочных приспособлений на приподнятом грузе. Грузы строповать в соответствии с утвержденными схемами строповки, обеспечивающими безопасность работ. При загрузке или погрузке транспортных средства запрещается перемещение стрелы или крюка крана над кабиной водителя. Крюк подъёмного механизма подавать вертикально над поднимаемым грузом. До подъёма груза проверять исправность строповки, затем выходить из опасной зоны и после этого подавать сигнал машинисту крана. Подаваемый к месту укладки груз запрещается перемещать над работающими людьми. При подъёме груза находиться вне опасной зоны, со стороны, противоположной подаче (на расстоянии 7 – 10м от места приёмки). Разрешается подходить к опускаемому грузу, когда он опущен на высоту 0,5 1,0м над местом установки. Перед разгрузкой панелей, блоков и других сборных железобетонных конструкций монтажные петли должны быть осмотрены, очищены от раствора или бетона и при необходимости выправлены без повреждения конструкции. При загрузке автомобилей экскаваторами или кранами шоферу и другим лицам запрещается находиться в кабине автомобиля, не защищенного козырьками. Площадки для разгрузо–погрузочных работ, должны быть спланированы и, иметь уклон не более 5%. Каменные работы. При перемещении и подаче на рабочее место грузоподъемными кранами кирпича, керамических камней и мелких блоков применять поддоны, контейнеры и грузозахватные устройства, исключающие падение груза при подъеме. При кладке стен зданий на высоту до 0,7м от рабочего настила и расстоянии от его уровня за возводимой стеной до поверхности земли (перекрытия) более 1,3м необходимо применять средства коллективной защиты (ограждающие или улавливающие устройства) или предохранительные пояса. При кладке стены на уровне более 7м необходимо применять защитные козырьки по периметру здания, удовлетворяющие следующим требованиям: ширина защитных козырьков не менее 1,5м, и они установлены с уклоном к стене так, чтобы угол, образуемый между нижней частью стены здания и поверхностью козырька, был 110°, а зазор между стеной здания и настилом козырька не превышал 50мм; защитные козырьки должны выдерживать сосредоточенную нагрузку не менее 1600 Н (160 кгс), приложенную в середине пролета; первый ряд защитных козырьков имеет сплошной настил на высоте не более 6м от земли и сохраняться до полного окончания кладки стен, а второй ряд, изготовленный сплошным или из сетчатых материалов с ячейкой не более 50х50мм, — устанавливаться на высоте 6-7м над первым рядом, а затем по ходу кладки переставляться через каждые 6-7м. Рабочие, занятые на установке, очистке или снятии защитных козырьков, должны работать с предохранительными поясами. Ходить по козырькам, использовать их в качестве подмостей, а также складывать на них материалы не допускается. Кровельные работы. Допуск рабочих к выполнению кровельных работ разрешается после осмотра прорабом или мастером совместно с бригадиром исправности несущих конструкций крыши и ограждений. Размещать на крыше материалы только в местах, предусмотренных проектом производства работ, с принятием мер против их падения, в том числе от действия ветра. Не допускается проведение кровельных работ во время гололеда, тумана, исключающего видимость в а пределах фронта работ, грозы и ветра со скоростью 15 м/с и более. Отделочные работы. Средства подмащивания, применяемые при отделочных работах, в местах, под которыми ведутся работы или есть проход, имеют настил без зазоров. При производстве штукатурных работ с применением растворонасосных установок обеспечена двустороннюю связь оператора с машинистом установки. Для просушивания помещений строящихся зданий и сооружений при невозможности использования системы отопления применять воздухонагреватели (электрические или работающие на жидком топливе). При их установке выполнять требования Правил пожарной безопасности. Запрещается обогревать и сушить помещение жаровнями и другими устройствами, выделяющими в помещение продукты сгорания топлива. Малярные составы следует готовить централизованно. При их приготовлении на строительной площадке использовать для этих целей помещения, оборудованные вентиляцией, не допускающей предельных концентраций вредных веществ в воздухе рабочей зоны. Запрещается приготовление малярные составы, нарушая требования инструкции завода-изготовителя, краски, а также применять растворители, на которых нет сертификата с указанием о наличии и характере вредных веществ. Тару с взрывоопасными материалами (лаками, нитрокрасками и т.п.) во время перерывов в работе следует закрывать пробками или крышками и открывать инструментом, не вызывающим искрообразования. Электропроводка в этих местах должна быть обесточена или выполнена во взрывобезопасном исполнении. Места, над которыми производятся стекольные работы ограждать. До начала стекольных работ необходимо визуально проверить прочность и исправность оконных переплетов. Подъем и переноску стекол к месту их установки следует производить с применением соответствующих безопасных приспособлений или в специальной таре. 11.6 Определение опасных зон При организации строительной площадки, размещении участков работ транспортных средств следует установить опасные для людей зоны, в пределах которых постоянно действуют или могут действовать опасные производственные факторы. К зонам постоянно действующих опасных производственных факторов относятся: места, над которыми происходит перемещение грузов грузоподъемными кранами; места перемещения машин и оборудования или их рабочих органов и открытых двигающихся или вращающихся частей. К зонам потенциально действующих опасных производственных факторов относятся: монтажные зоны, участки территории вблизи строящегося здания или сооружения; этажи (ярусы) здании и сооружений в одной захватке, над которыми происходит монтаж ( демонтаж) конструкций или оборудования. Зоны постоянно действующих опасных производственных факторов во избежание доступа посторонних лиц должны быть выделены ограждениями (ГОСТ 23407-78). Производство строительно-монтажных работ в них зонах, как правило, не допускается. Зоны потенциально действующих опасных производственных факторов выделяются сигнальными ограждениями. При производстве строительно-монтажных работ в указанных опасных зонах осуществляется организационно-технические мероприятия, обеспечивающие безопасность работающих. Граница опасных зон вблизи движущихся частей и рабочих органов, определяется расстояниям в пределах 5м. если другие повышенные требования отсутствуют в паспорте и инструкции завода изготовителя. Граница опасных зон работы вертикального охватываем пространство возможного падения груза. Опасную зону следует принимать для зданий до 20м - не менее 5м от конструкции подъемника. Граница опасных зон в местах прохождения временных электрических сетей определяется пространством, в пределах которого рабочий может коснутся проводом монтируемых длинномерными деталями. Опасная зона в этом случае определяется максимальной длинной детали плюс 1метр. Расчет опасных зон работы крана рассчитано и запроектировано в пункте определение зон влияния крана организационно-технологической части дипломного проекта (смотри п.9). 11.7 Охрана окружающей среды Снижение воздействия па окружающую среду осуществляется путем рассеивания вредностей через трубы с факельными выбросами. Для создания санитарно-гигиенических условий на застраиваемой территории выполняются работы по благоустройству и озеленению. В состав работ входит: строительство и восстановление проездов и тротуаров, посадка деревьев - саженцев и устройство газона. Все автодороги и тротуары запроектированы с асфальтобетонным покрытием, что значительно уменьшает запыленность воздуха. Для предотвращения заболачиваемости территории выполнена вертикальная планировка с нормативными продольными уклонами к проектируемым дождеприемникам и дальнейшим сбросом воды в очистные сооружения и ливневую канализацию. В соответствии с СанПиН 2.2.1/2.1.1 1031-01 по санитарной классификации завод относится к III классу. Размер санитарно-защитной зоны составляет 300м. Санитарно-защитная зона максимально озеленяется на площади 50% от ее территории. Озеленение выполняется смешанными древесно-кустарниковыми насаждениями, чередующимися с газонной посадкой. При посадке деревьев (50%) используется главная древесная порода, обладающая наибольшей санитарно-гигиенической эффективностью, жизнеспобностью и устойчивостью по отношению к выбросам завода. При проектировании данного объекта были учтены все требования СНиП 11-01-95, а именно: при проведении вертикальной планировки проектные отметки территории назначены исходя из условий максимального сохранения естественного рельефа, почвенного покрова и существующих древесных насаждений, отвода поверхностных вод со скоростями, исключающими возможность эрозии почвы, минимального объема земляных работ с учетом использования вытесняемых грунтов на площадке строительства; все строительные материалы, используемые при строительстве, имеют сертификат качества и экологической безопасности для применения на территории России; накопленный строительный мусор и отходы будут в обязательном порядке утилизироваться или вывозиться на территорию городской свалки; в связи с небольшим количеством строительно-монтажных работ негативные воздействия на жизнь городского населения будут минимальны; количество вредных веществ, выбрасываемых автомобильным транспортом и строительными машинами, не превышает предельно допустимых; после завершения строительства вся окружающая территория будет благоустроенна, озеленена, правильно (в соответствии с проектом) подобран набор пород деревьев, зеленых насаждений. Производство работ будет вестись с обеспечением максимальной сохранности зеленых насаждений. Зеленые насаждения, не подлежащие вырубке на строительной площадке, должны выгораживаться оградой. Стволы отдельно стоящих деревьев предохраняются от повреждения путем обшивки пиломатериалами высотой не менее 2метров. В период свертывания строительных работ все строительные отходы необходимо вывезти с благоустраиваемой территории для дальнейшей утилизации. Использование переработанного строительного мусора и вторичного щебня допускается при условии его сертификации на предмет соответствия СНиПам и ГОСТам на инертные материалы и части гранулометрического состава и содержания органических и вредных веществ. После вывоза отсортированных отходов строительства осуществляется механизированная уборка территории строительной площадки с применением бульдозеров и поливочно-уборочной техники. Образовавшийся в процессе уборки территории смёт загружается в отдельный бункер-накопитель, который в последствии вывозится на захоронение. Все автотранспортные средства (самосвалы и контейнеровозы, перевозящие открытые бункер накопители с отходами) должны перед выездом оснащаться брезентовым тентом, а также подвергаться мойке колес. Сжигание горючих отходов и строительного мусора на участке в пределах городской застройки запрещается. В проекте предусматривается мойка колес автомашин. Мойка колес производится на посту (ж.б. плите) одновременно с двух сторон по отдельным осям автомобиля. Автомобиль заезжает на пост мойки по аппарели. По команде операторов моечной установки автомобиль продвигается вперед для обмыва следующей оси. При мойке колес и в момент прохождения автомобиля по аппарели с колес падают на аппарель и ж.б. плиту комья глины (грязи). После рабочей смены требуется обязательная уборка от грязи поста мойки и аппарели. Потребность в воде для мойки автомашин – 0,2 л/сек или 720 л/час. За 1 час мойку колес могут пройти 4 машины. 12. Список использованной литературы ГЕСН Сборники 2,4,6,7,8,10. Нормы времени и расценки на строительно-монтажные работы. – М.: Стройиздат, 2001 г. ГОСТ 21.101-97. СПДС. Основные требования к рабочей документации. ГОСТ 21.501-93. СПДС. Правила выполнения архитектурно-строительных рабочих чертежей. ЕНиР, 1987. Сборники 1-8,11,19,22,25. Кузин Н.Я. Проектирование и расчёт стальных ферм покрытий промышленных зданий: Учебное пособие. – М.: изд-во АСВ, 1998. – 184 с. Металлические конструкции. Общий курс: Учебник для вузов / Е. И. Беленя, В. А. Балдин, Г. С. Ведеников и др..; Под общ. ред. Е. И. Беленя. – 6-е изд., перераб. и доп. – М.: Стройиздат, 1985. – 560с., ил. Организация и планирование строительного производства: Учеб. Для вузов по спец. «пром. и гражд. стр-во»/Под ред. А.К.Шрейбера. – М.:Высш.шк.,1987.-368с.: ил. Пособие по проектированию стальных конструкций (к СНиП II-23-81*). – М.: ЦИТП Госстроя СССР, 1986. – 148 с. Проектирование фундаментов зданий и подземных сооружений: Учеб. пособие / Под ред. Б. И. Далматова; 2-е изд. – М.: Изд-во АСВ; СПб.: СПбГАСУ, 2001.-440с.; ил. Проектирование элементов балочной клетки: Учеб. пособие / Г. А. Нехаев: Тул. гос. ун-т. Тула. 1996. – 76с. СНиП 1.04.03-85* Нормы продолжительности строительства и задела в строительстве предприятий, зданий и сооружений.–М.: Стройиздат, 1986 г. СНиП 2.01.07-85 Нагрузки и воздействия / Госстрой СССР. – М.: ЦИТП Госстроя СССР, 1987. 36 с. СНиП 2.09.02-85. Производственные здания. СНиП 3.01.01-85. Организация строительного производства.–М.: Стройиздат, 1986 г. СНиП23-01-99. Строительная климатология. М.: Стройиздат.2000. СНиП II-3-79*. Строительная теплотехника. М.: Стройиздат.1998. СНиП II-23.81* Стальные конструкции / Госстрой России. – М.: ГУП ЦПП, 2002. – 90 с. СНиП II-89-80* Генеральные планы промышленных предприятий. СНиП III-4-80 Техника безопасности в строительстве. – М.: Стройиздат, 1987. Составление смет в строительстве на основе сметно-нормативной базы 2001 года (практическое пособие)/ П.В. Горячкин – Москва, Санкт-Петербург, 2003г.- 560с. ФЕР-2001г. Сборники
==1,5 - коэффициент учитывающий действие момента;
;
;
==1,5 - коэффициент учитывающий действие момента;
= Rпов+
=4+1=5м.
труда и пожарной безопасности.
(1К1,8)
;
– общие трудозатраты выполнения работ;
- коэффициент использования машин и механизмов, где
-плановые машинозатраты;
-время, которое техника находится на объекте.
= Rпов+
=4+1=5м.
,
- коэффициент, учитывающий площадь склада, занятую проходами и проездами ( обычно принимают 1,2-1,4).
– норма складирования материалов на 1м2 площади склада, определяют из таблицы;
- средне расчетный коэффициент использования мощности ( 0,4-1).
- средне расчетные коэффициенты использования мощности.
л/с
, л/с, определяют по формуле:
=7м
, угол рассеяния в горизонтальной плоскости
м
Вт/м2.
=180.
должны подвергаться техническому осмотру лицом, ответственным за их исправное состояние, в сроки, установленные ПУ и БЭГК (ПБ 10-382-00 п. 9.3.25).















