126211 (593206), страница 3
Текст из файла (страница 3)
2.1 Открытые водооборотные системы охлаждения
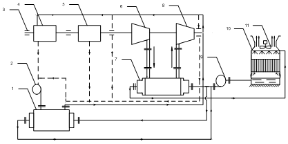
Промежуточным теплоносителем в таких системах является вода. На рис. 2.1 представлена открытая водооборотная система охлаждения многоступенчатого компрессора.
Рис. 2.1. Открытая водооборотная система охлаждения
Газ из ступени сжатия 6 поступает в газоводяной охладитель 7 и далее в ступень 8. Циркуляцию масла в компрессорной установке обеспечивает маслонасос 2. Теплота трения от редуктора 4, муфты 5 и подшипников 3 отводится водой в маслоохладителе 1. После охладителей компрессора вода поступает в открытую градирню 10. В градирне происходит контактный теплообмен воды с окружающим воздухом и одновременно испарительное охлаждение. Воздух в градирне перемещается естественной тягой (башенные градирни) или вентилятором 11 (вентиляторные градирни). Стекающая в нижнюю часть градирни охлаждённая вода возвращается насосом 9 в охладители 1, 7. В установках небольшой мощности вместо градирен иногда используют брызгальные бассейны.
Основные преимущества открытых водооборотных систем связаны с высоким коэффициентом теплоотдачи со стороны воды, определяющем сравнительно небольшие размеры газо- и маслоохладителей, возможность их размещения в непосредственной близости от машин и соответственно малую протяжённость газоводов.
К недостаткам открытых водооборотных систем можно отнести:
-
высокую стоимость охлаждающей воды;
-
нестабильность характеристик компрессоров, оснащённых открытыми во- дооборотными системами охлаждения;
-
нерентабельность утилизации низкотемпературной теплоты, характерной для открытых водооборотных систем.
2.2 Системы непосредственного воздушного охлаждения
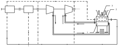
Система непосредственного воздушного охлаждения компрессорной установки представлена на рис. 2.2.
Хладагентом в газоохладителе 1 и маслоохладителе 2 является окружающий воздух, прокачиваемый через теплообменники вентилятором 3. На рис. 2.2. масло- и газоохладитель объединены в блок охладителей с общим вентилятором. В крупных компрессорных установках таких блоков несколько, каждый с автономным вентилятором.
Рис.2.2. Системы непосредственного воздушного охлаждения
Основной причиной, длительное время препятствующей широкому использованию систем воздушного охлаждения в компрессорных установках (КУ), является низкий уровень теплоотдачи со стороны воздуха, приводящий к резкому увеличению теплопередающей поверхности, т.е. металлоёмкости и размеров аппаратов воздушного охлаждения (АВО). Если последствия роста металлоёмкости очевидны, то рост их размеров в силу специфики компоновки теплообменников с компрессорной установкой требует отдельного рассмотрения.
Перевод КУ с водяного на воздушное охлаждение на ряду с ростом размеров ставит проблему подвода и отвода охлаждающего воздуха. Для КУ малой и
средней производительности сравнительно небольшие расходы охлаждающего воздуха не препятствуют размещению АВО непосредственно в машинном зале. Однако крупногабаритные трубчатые АВО с трубами большого диаметра в сочетании с развитыми диффузорами и конфузорами требуют значительного увеличения площади машинного зала и соответственно капитальных вложений на установку. Не решает проблему уменьшения габаритных размеров АВО использование пучков высокооребрённых труб, поскольку при росте компактности за счёт оребрения, со стороны охлаждающего воздуха компактность внутритрубных поверхностей остаётся без изменения. Более того, нередко габаритные размеры АВО с оребрёнными трубами оказываются больше гладкотрубных АВО в связи с увеличением шагов между трубами.
Особые преимущества перевода на непосредственное воздушное охлаждение имеют воздушные КУ, составляющие основу компрессорного парка.
Реализация систем непосредственного воздушного охлаждения КУ потребовала решения двух задач, связанных с диапазоном температур окружающего воздуха. Первая - удаление инея и льда в каналах ПРТ в условиях отрицательных температур. Эта задача решается автоматическим отключением вентилятора при некотором обмерзании каналов и соответствующем росте их сопротивления. Отметим, что скорость таяния льда в потоке горячего воздуха во много раз превышает скорость льдообразования. Вторая задача - обеспечение параметров, обусловленных техническими условиями КУ при температуре наружного воздуха выше +40°С. Поскольку период таких температур даже в самых жарких районах (Ташкент, Красноводск, Ферган) не превышает 1,5 — 2 % общего времени, влияние этих режимов на уровень энергопотребления КУ несущественно. Основная опасность связанна с превышением допустимых в КУ температур, поскольку иногда остановка компрессора приводит к остановке всего технологического процесса. Эта задача решается предварительным испарительным охлаждением атмосферного воздуха.
Заканчивая анализ систем непосредственного воздушного охлаждения, остановимся на двух основных недостатках. Первый - ограниченные возможности утилизации теплоты, отводимой от КУ. В отличии от открытых водооборотных систем теплота может быть использована для отопления компрессорной станции. Этим, однако, приходится ограничиться, поскольку передача нагретого в АВО воздуха даже на относительно небольшие расстояния требует изолированных трубопроводов большого диаметра и мощных центробежных вентиляторов.
Как правило, такая утилизация оказывается нерентабельной. Второй недостаток систем непосредственного воздушного охлаждения связан с протяжённостью газоводов. Дело в том, что ПРТ решили проблему размеров и размещение АВО в машинном зале лишь для КУ малой и средней производительности. Для осевых, центробежных и крупных поршневых компрессоров, смонтированных в машинных залах, размещение АВО в непосредственной близости от компрессоров невозможно из-за больших расходов охлаждающего воздуха, больших габаритных размеров аппаратов и сложности консольной установки колеса вентилятора большого диаметра. Единственно возможная компоновка — вынесение аппарата за пределы компрессорной станции. При этом толстостенные газоводы большого диаметра существенно увеличивают капитальные вложения, а уменьшение их диаметра и соответственно стоимости ведёт к недопустимому росту потерь.
2.3 Системы воздушного охлаждения с промежуточным
теплоносителем в закрытом контуре
Закрытый контур с промежуточным теплоносителем позволяет устранить основные недостатки не только открытых водооборотных систем, но и систем непосредственного воздушного охлаждения. Схема той системы представлена на рис.2.3. Газ охлаждается в жидкостном охладителе 2, масло — в маслоохладителе 1, а охлаждающая жидкость, циркулирующая с помощью насоса 5 по закрытому контуру, отдаёт теплоту компрессорной установки охлаждающему воздуху в рекуперативном теплообменнике 4 с вентилятором 3.
Рис. 2.3. Система охлаждения с промежуточным теплоносителем в закрытом контуре
Большинство преимуществ закрытого контура связанно с возможностью использования в качестве промежуточного теплоносителя любой очищенной жидкости: дистиллированной воды, антифриза, масла и т.д. Отсутствие опасности солеотлажения и загрязнения теплоперерабатывающей поверхности стабилизирует характеристики КУ, [1] допускает использование высококомпактных поверхностей и снимает ограничения по нагреву теплоносителя (см. п. 2.2.). Как показывают расчёты, оптимальные (по приведенным затратам) перепады температур в закрытом водооборотном контуре лежат в диапазоне от 40 до 100°С. При этом пропорционально перепаду сокращается расход промежуточного теплоносителя и соответственно затраты на его заливку, подпитку и прокачку. В правильно спроектированной системе расход энергии на привод насоса не превышает 0,5% энергии на привод КУ. В итоге, одна из главных статей расхода на охлаждение КУ с открытыми водооборотными системами - затраты на промежуточный теплоноситель (охлаждающую воду) - в системах с закрытым контуром сводится к минимуму. Другим важнейшим следствием высокого уровня температур промежуточного теплоносителя в закрытом контуре является возможность утилизации теплоты КУ. Наиболее целесообразно утилизировать теплоту на отопление зданий. В отличии от системы непосредственного воздушного охлаждения промежуточный теплоноситель позволяет отапливать не только помещение компрессорной станции, но и объекты, расположенные на значительном удалении от станции, поскольку транспортировка жидкого теплоносителя не связанна с большими расходами. Такими объектами могу быть жилые и промышленные здания, теплицы.
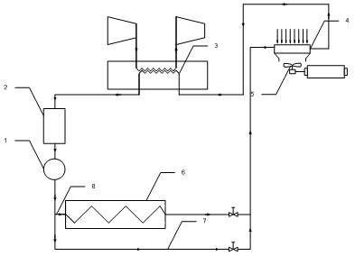
Схема системы охлаждения с утилизацией представлена на рис. 2.4
Рис. 2.4. Система охлаждения с утилизацией теплоты КУ
Промежуточный теплоноситель после газоохладителя 3 поступает в ёмкость 2, откуда либо полностью (зимой), либо частично (весной, осенью) подаётся насосом 1 через трубопровод 8 в отопительную систему 6. Отдав часть теплоты отопительной системе, промежуточный теплоноситель поступает в теплообменник 4, где охлаждается воздухом, подаваемым вентилятором 5. Тепловой поток в теплообменнике 4 в зависимости от температуры окружающего воздуха и соответственно нагрузки отопительной сети можно регулировать поворотам лопастей вентилятора. Для случаев критических нагрузок (резко отрицательные температуры) вентилятор 5 может быть отключён. При этом, естественно, характеристики компрессора ухудшаются. Летом, при отсутствии необходимости в отоплении, промежуточный теплоноситель из коллектора 2 по трубопроводу 7 подаётся прямо в аппарат воздушного охлаждения 4.
Одно из основных достоинств систем охлаждения с закрытой циркуляцией промежуточного теплоносителя - отсутствие протяжённых газоводов. Газожидкостные теплообменники устанавливаются в непосредственной близости от компрессора. Транспортировка теплоносителя, как указывалось, требует минимума затрат.
3. КОНСТРУКЦИЯ ЭЛЕМЕНТОВ СИСТЕМ ОХЛАЖДЕНИЯ
Основными элементами систем охлаждения компрессорных установок являются:
-
теплообменные аппараты различного назначения (газо-, маслоохладители и др.);
-
вентиляторы с приводами;
-
устройства для сепарации влаги;
-
увлажнители;
-
насосы и ёмкости.
Широта диапазона рабочих параметров КУ, специфика их изменения в процессе сжатия, тенденции развития КУ и масштабы их выпуска в сочетании с условием унификации и специализации производства предъявляют к конструкциям элементов систем охлаждения вполне определенные требования.
В настоящее время максимальный расход сжатого газа через газоохладитель приблизительно равен 3000 м3/мин., а максимальное давление составляет примерно 250 МПа.
Анализ тенденций развития техники даёт основание предположить, что в ближайшие годы максимальные значения объёмного расхода и рабочего давления газоохладителей вырастут соответственно до 5000 м3/мин. и 700МПа. Большая часть аппаратов работает при объёмном расходе 250 м3/мин. и р<4,0МПа, причём особенно многочисленна группа с расходами менее 10 м3/мин. и давлением до 12МПа[1].
Различие параметров и серийность, естественно, приводят к различным конструктивным решениям газоохладителей и других элементов систем охлаждения. Ниже даётся описание и анализ основных вариантов возможных конструктивных решений различных элементов, используемых в инженерной практике.
3.1 Теплообменники компрессорных установок
Все охладители компрессоров по диапазону давлений и типу можно разбить на три группы:
-
газоохладители низкого (до 1,2 МПа) и среднего (до 4,0МПа) давлений;
-
газоохладители высокого давления (свыше 4,0 МПа);
-
охладители жидкости (масла, воды, промежуточного теплоносителя).
Конструкции теплообменников решающим образом зависят от выбора типа их основного элемента — теплопередающей поверхности, которая может быть выполнена или из труб, или из листового материала. Одной из важнейших характеристик теплопередающей поверхности является её компактность — площадь поверхности в единице объёма пространства, занятого соответствующим теплоносителем или объёма аппарата в целом. Для трубчатых аппаратов минимальные диаметры труб ограниченны значением 8-10 мм, что соответствует компактности поверхности 400-500 м2/м3. Переход на трубы меньшего диаметра ограничен как ростом гидравлических сопротивлений, так и технологическими особенностями заделки труб в трубные решётки [1].
Наиболее эффективным и распространённым способом повышения компактности трубчатых поверхностей является оребрение труб. Наружные рёбра в зависимости от технологии изготовления могут быть цельнокатаными, насадными, ленточными, литыми и т.д. Цельнокатаные рёбра просты в изготовлении, не имеют контактных сопротивлений, неограниченны по материальному исполнению. Стальные цельнокатаные трубы изготавливаются лишь низкорёберными из-за сложности прокатки твёрдых материалов, низкой теплопроводности и низкой эффективности стальных рёбер. Алюминиевые цельнокатаные трубы свободны от этих недостатков. Однако сложность заделки таких труб в трубные решётки резко ограничивает область их применения.
Трубы с насадными рёбрами требуют дорогостоящего припоя, а также не очень стойки с вибрации. Цельнокатаные медные трубы просты в изготовлении, хорошо вальцуются в трубные решётки, надёжны в эксплуатации, однако, дефицитность меди ограничивает широкое применение таких труб. Во многом от этих недостатков свободны литые алюминиевые рёбра (материал несущей трубы - сталь), но производительность этого перспективного метода оребрения пока существенно уступает накатке.
4>














