125000 (593052), страница 3
Текст из файла (страница 3)
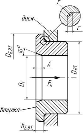
r = 2 мм,
A = 1 мм.
Расчет втулки аналогичен расчету гайки в силу схожести конструкций.
Материал втулки – сталь 20:
[Р] = 95 МПа; [СМ] = 175 МПа; [ИЗ] = 95 МПа; [СР] = 45 МПа.
При выборе допускаемых напряжений учитывался знакопеременный характер нагрузки. Термообработка – нормализация.
Проверим втулку на растяжение:
где kКР = 1,25 – коэффициент кручения.
Т.к. втулка изготавливается путем отливки, необходимо выполнение условие
DВТ DГ +18 мм,
DВТ 68 мм. Но, учитывая применение сварки, примем DВТ = 90 мм.
По диаметру DГ втулка растачивается (чистовое растачивание).
Буртик втулка проверим на срез и изгиб. В качестве нагрузки на буртик берется расчетная нагрузка на винтовую пару. Торцовая поверхность втулки имеет форму кольца и проверяются на смятие.
На смятие:
Примем:
= 100 мм.
На изгиб:
На срез:
Из расчета на изгиб и срез принимаем: hб = 2 мм.
2.4 Расчет на неподвижность гайки относительно втулки
Неподвижность гайки-вкладыша относительно корпуса (см. рис. ниже) обеспечивают выбором посадки с натягом или посадки переходной и применением одновременно стопорного устройства в виде винта или штифта с последующей их проверкой на прочность от момента
Т = TРЕЗ – TБ
где TБ - момент трения бурта гайки или её торца о корпус механизма, определяемый по формуле
,
A = 1 мм (см. п.1.1.7);
Т.к. TРЕЗ = 137,6968 Н·м > > TБ = 28,464 Н·м, т.е. трение бурта гайки о втулку не обеспечивает неподвижность гайки относительно втулки, то необходимо рассчитать посадку с натягом или переходную посадку с применением одновременно стопорного устройства в виде винта или штифта.
Произведем выбор посадки с натягом.
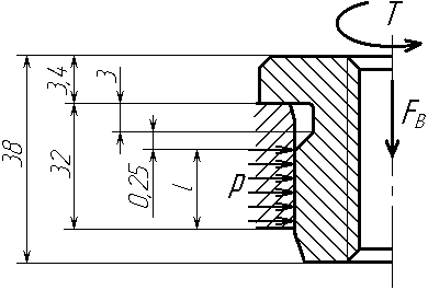
Посадочный диаметр d = DГ = 50 мм, посадочная длина l = 32 – 3 – 0,25 = = 28,75 мм.
На соединение действует момент Т = TРЕЗ – TБ = 137,6968 Н·м – 28,464 Н·м = 109,2328 Н·м.
Определим давление на посадочной поверхности p. Давление p должно быть таким, чтобы силы трения оказались больше внешних сдвигающих сил.
При одновременном нагружении вращающим моментом Т и сдвигающей силой FВ, (см. рис.) расчет ведут по равнодействующей окружной Ft и осевой силе FX:
откуда
Номинальный натяг NР связан с посадочным давлением р зависимостью Ляме, выводимой в курсе «Сопротивление материалов» (см. рис.).
где d – посадочный диаметр; d1 – диаметр отверстия охватываемой детали (для сплошного вала d1 = 0); d2 – наружный диаметр охватывающей детали (ступицы); Е1 и Е2 – модули упругости материала соответственно охватываемой и охватывающей деталей; 1 и 2 – коэффициенты Пуассона материалов соответственно охватываемой и охватывающей деталей; для стали принимают = 0,3, для чугуна = 0,25, для бронзы = 0,32 – 0,35.
Натяг посадки, измеряемый по вершинам микронеровностей, должен быть больше номинального натяга на величину обмятия микронеровностей (см. рис.) U = 1,2 (Rz1 + Rz2) 5,5 (Ra1 + Ra2):
N = NР + U,
где Ra1, Ra2 – средние арифметические отклонения профилей; Rz1, Rz2 – высота микронеровностей (мкм).
Произведем вычисления:
| Данные для расчета | ||||||
| d | d1 | d2 | E1 | E2 | 1 | 2 |
| DГ | D4 | DВТ | ||||
| мм | МПа | |||||
| 50 | 33 | 90 | 2·105 | 1·105 | 0,3 | 0,34 |
Для наружного диаметра гайки назначается шлифование круглое чистовое (шероховатость Ra1 = 0,32 мкм). Для внутреннего диаметра втулки назначается растачивание чистовое (шероховатость Ra2 = 1,25 мкм).
U = 5,5 (0,32 мкм + 1,25 мкм) = 8,635 мкм 9 мкм;
N = NР + U = 79 мкм + 9 мкм = 88 мкм.
Выбор посадки. Рекомендуемые посадки
| Номинальный размер, мм | мкм | ||||||
| H7 | p6 | r6 | s6 | u7 | |||
| 50 | +25 | +42 | +50 | +59 | +95 | ES(es) | |
| 0 | +26 | +34 | +43 | +70 | EJ(ei) | ||
| Натяг | Nmax = es - EJ | - | 42 | 50 | 59 | 95 | |
| Nmin = ei - ES | - | 1 | 9 | 18 | 45 | ||
Выберем посадку с натягом
по 7-му квалитету, т.к. она соответствует расчетной.
2.5 Расчет сварных швов соединения втулки и верхнего диска
Основными напряжениями являются касательные напряжения
Т.к. W1 < W2, шов 2 определяющий для расчета на срез.
Упрощенно можно считать, что
d = DВТ = 90 мм (см. п.1.2.3).
T = 109,2328 Н·м (см. п.1.2.4).
Материал втулки диска сталь 20 ([Р] = = 140 МПа), т.к. она хорошо сваривается.
Тип технологического процесса сварки: ручная дуговая электродами Э42 и Э50;
Определим катет:
Проверим шов 1:
где
D = DБ.ВТ = 100 мм,
Условие СР1 [’СР] выполняется.
Определим необходимость прерывистого шва. Длина окружности радиуса D / 2:
Т.к. разность
невелика (59,68 мм), то шов 1 нет смысла делать прерывистым, он выполняется сплошным, т.е. принимаем
.
2.6 Конструирование и расчет ограничительного устройства
Болт проверяется на растяжение
где FР – расчетная нагрузка на болт, kКР – коэффициент кручения, [Р] – допускаемое напряжение материала болта.
Расчетная нагрузка на болт FР определяется по формуле
FР = FЗАТ + ·F,
где FЗАТ – усилие затяжки, – коэффициент внешней нагрузки, F – внешняя нагрузка.
Усилие затяжки FЗАТ определяется как
FЗАТ = kЗАТ·F,
здесь kЗАТ – коэффициент затяжки; по условию нераскрытия стыка при постоянной нагрузке kЗАТ = 1,25..2. Примем kЗАТ = 1,25.
Расчеты и испытания конструкций показывают, что коэффициент внешней нагрузки невелик и не превышает обычно 0,2..0,3. Примем = 0,2.
Максимальную нагрузку болтовое соединение испытывает, когда винт находится в крайнем верхнем положении и к рукоятке приложено расчетное усилие. Внешняя нагрузка F равна заданной FВ.
Коэффициент кручения kКР учитывает кручение в соединение, для метрической резьбы kКР = 1,3.
Допускаемое напряжение материала болта [Р] определим по формуле
где S - запас прочности; затяжка не контролируется – запас прочности S = 3..5. Примем S = 3.
Предел текучести определяем табличным методом: Т = 360 МПа.
Произведем вычисления: kЗАТ = 1,25; F = FВ = 12 кН;
FЗАТ = kЗАТ·F = 1,25·12 кН = 15 кН;
= 0,2
FР = FЗАТ + ·F = 15 кН + 0,2·12 кН = 17,4 кН;
По ГОСТ 24705-81 подбираем резьбу, пользуясь следующими соотношениями:
Крупный шаг предпочтителен, т.к. обеспечивает более эффективное самоторможение.
Выбранная резьба: М20.
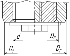
Размеры на рисунке:
D1 = DГ – 2·0,5·tg 10 = 50 – 0,176 = 49,824 мм;
D2 = D4 + 2·3,5 = 33 + 7 = 40 мм;
Шайбу выбираем по ГОСТ 6958-68 (увеличенные шайбы). При выборе руководствуемся условием DШ > D2.
Диаметру стержня крепежной детали (болта) 20 мм соответствует DШ = 60 мм > 40 мм.
В технически обоснованных случаях допускается применение шайб с наружными диаметрами по ГОСТ – 6958-68 14, 22, 28, 34, 38, 45, 50 и 52 мм вместо 16, 24, 30, 36, 42, 48, 55 и 60 мм.
Применим шайбу (исполнение 2) с наружным диаметром 52 мм вместо 60 мм. В данном случае техническим обоснованием является снижение массы всего механизма.
Параметры шайбы:
DШ = 55 мм,
hШ = 5 мм,
с = 1,2 мм
Масса 0,0974 кг.
Параметры отверстия:
глубина завинчивания H = 20 мм;
глубина полной резьбы H1 = 25 мм;
глубина сверления H2 = 36 мм.
2.7 Расчет ножен на прочность и устойчивость
Каждая ножна нагружена изгибающим M и крутящим T моментами, сжимающей F и срезающей F’ силами (см. рис.).
Продольная сила F является результатом распределения усилия FВ по ножнам:
F = FВ / 3.
Поперечная сила F’ – результатом распределения крутящего момента T по ножнам
, T = 109,2328 Н·м (см. п.1.2.4).
Изгибающий момент M возникает в результате действия поперечной силы F’:
M = F’·hНОЖ.
Обозначим dНОЖ1 = dНОЖ2 = dНОЖ1,2.
Напряжения в опасных сечениях:
Расчетные формулы:
Допускаемые напряжения определяем табличным методом, принимая во внимание знакопеременность нагрузки при изгибе, кручении и срезе, и при сжатии нагрузка пульсирующая.
Материал ножен сталь 20.
Допускаемые напряжения:
[ИЗ] = 95 МПа, [СЖ] = 115 МПа, [КР] = 55 МПа, [СР] = 45 МПа.
Зададимся значениями: hНОЖ = 240,6 мм (определяется прорисовкой), D = 140 мм (конструкторское решение). Произведем вычисления:
– изгиб















