124996 (593050), страница 6
Текст из файла (страница 6)
Рисунок 4.3 - Виникнення похибки первинного перетворення
Похибка, обумовлена цим фактором проявляється біля мінімумів імпульсів напруги на виході фотоприймача. На рисунку 4.3, в показано мінімум вихідної напруги фотоприймача. Суцільною лінією показано реальний випадок, пунктирною — ідеальний.
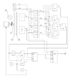
В розробленому ПВПКК використовується два фотоприймача на основі пари фотодіод - операційний підсилювач, а знімання вимірювальної інформації, з метою виключення проявлення двох вище вказаних факторів, здійснюється з виходу того фотоприймача, вихідний сигнал якого не знаходиться біля свого максимуму чи мінімуму. На рисунку 4.4 наведено функціональну схему ПВПКК, а на рисунку 4.5 наведено часові діаграми його роботи у точках, вказаних на рисунку 4.4.
Перед початком вимірювання, модулятор розташовується відносно діафрагми випадково. При відповідному підборі значень напруг джерел опорної напруги Р1 та Р2, які визначають коломінімумну та коломаксимумну область вихідних сигналів фотоприймачів 1 та 2, можливі їх слідуючи два стани перед початком вимірювань - жоден з вихідних сигналів фотоприймачів не знаходиться на рівні, який відповідає знаходженню його біля свого максимуму чи мінімуму або навпаки.
Рисунок 4.4 - Схема електрична функціональна ПВПКК з зменшенням похибки, що обумовлена частотними властивостями фотоприймача.
Рисунок 4.5 – Часові діаграми роботи ПВПКК
В таблиці 4.1. наведено всі можливі значення вихідних напруг всіх компараторів (В — високий рівень, Н — низький рівень) перед початком роботи. Високий рівень свідчить про знаходження вихідного сигналу відповідного фотоприймача у своїй коломаксимумній чи коломінімумній області. У двох нижніх строках таблиці 4.1 знаком "+" відмічено той фотоприймач, вихідний сигнал якого при наведеному стані компараторів не знаходиться у своїй коломаксимумній чи коломінімумній області. Після включення джерела освітлення, формувачем сигналу "Скид" S (рисунок 4.4) формується сигнал "Скид", який уявляє собою імпульс напруги рівня логічної одиниці, який подається на входи елементів І-НІ, D2 та D3. За заднім фронтом сигналу "Скид" спрацьовує схема запуску об’єкту Р.
Таблиця 4.1 - Початкові значення вихідних напруг компараторів
| Компаратори та їх вихідні напруги | Номер стану | |||||
| Компаратор | Напруга | 1 | 2 | 3 | 4 | 5 |
| C1 | Uk1 | Н | В | Н | Н | Н |
| C2 | Uk2 | Н | Н | Н | Н | В |
| C3 | Uk3 | Н | Н | В | Н | Н |
| C4 | Uk4 | Н | Н | Н | В | Н |
| Фотоприймач 1 | + | - | + | - | + | |
| Фотоприймач 2 | + | + | - | + | - | |
Перед початком вимірювань необхідно на вихід ПВПКК подати сигнал з виходу того фотоприймача, вихідний сигнал якого не знаходиться у своїй коломаксимумній чи коломінімумній області. Для цієї передустановки служать логічні елементи АБО-НІ D5 — D8, елемент НІ D1, елементи І-НІ D2-D3. Коли компаратори знаходяться у станах 1, 3 або 5 (таблиці 4.1), на виході елементу D8 АБО-НІ з’являється рівень логічного нуля. При цьому, під час дії сигналу "Скид", на виході елементу D2 І-НІ з’явиться рівень логічного нуля, а на виході елементу D3 І-НІ — рівень логічної одиниці. Лічильний тригер Т встановиться в одиницю і до виходу перетворювача буде підключено вихідний сигнал фотоприймача 1. При любих інших станах на компараторі до виходу перетворювача буде підключено вихідний сигнал фотоприймача 2. По задньому фронту сигналу "Скид" спрацьовує схема запуску об’єкту дослідження Р і запускається об’єкт, кутову швидкість якого треба виміряти. Коли сигнал "Скид" відсутній, напруга на установочному вході та вході скиду тригера Т завжди буде рівня логічної одиниці і не буде впливати на його стан. При обертанні вала об’єкта дослідження, трикутні імпульси напруги, які формуються на виході фотоприймачів (рисунок 4.5, a, b), зрівнюються з напругами джерел опорної напруги Р1 та Р2, відповідно Uп1 та Uп2. При співпаданні, на виході одного з компараторів з’являється імпульс позитивної полярності (рисунок 4.5, c, d, f, g). Його тривалість дорівнює тривалості знаходження рівня вихідної напруги фотоприймача вище рівня Uп1 чи Uп2. Вихідні імпульси кожного з компараторів подаються на входи елементу D4 АБО, з виходу якого (рисунок 4.5, h) вони поступають на тактовий вхід лічильного тригеру Т, який змінює свій стан по передньому фронту цих імпульсів, відповідно керуючи аналоговим мультиплексором МХ, підключаючи до виходу датчика вихідний сигнал того фотоприймача, який не знаходиться у своїй коломінімумній чи коломаксимуній області. На виході датчика формується сигнал, який на рисунку 4.5, j показано жирною лінією. Знаходимо рівняння перетворення ПВПКК з зменшенням похибки, що обумовлена частотними властивостями фотоприймача. Залежність вихідної напруги першого фотоприймача від кута повороту описується виразом (4.8). Другий фотоприймач зсунутий відносно першого на кут 1,5
. Його вихідна напруга:
, (4.10)
Вирази (4.8) та (4.10) описують рівняння перетворення цього ПВПКК.
В якості операційного підсилювача у складі лінійних фотоприймачів доцільно використати мікросхему операційного підсилювача К544УД2. Обрана мікросхема операційного підсилювача К544УД2 має наступні електричні параметри [10]:
- напруги живлення +/-15 В;
- опір навантаження 2 кОм;
- вхідна напруга 10 В;
- струм споживання 3,5 мА;
- коефіцієнт підсилення 35 106;
- частота одиничного підсилення 1 Мгц;
- вхідний опір 10 106 Ом;
- вхідний струм 0, 15 мА;
- ємність навантаження 500 пФ.
Фотодіод VD1 повинен відповідати наступним вимогам :
- мати велику площину фоточутливого слою, що значно спростить конструкцію перетворювача;
- мати малу постійну часу, що буде обумовлювати широкий частотний
діапазон.
Цим вимогам відповідає фотодіод ФД-155К який має наступні параметри:
- площина фоточутливого слою - 30 мм2;
- постійна часу - 10-6 с.
До складу ПВПКК, як було вказано вище, входить компаратор напруг. Обираємо компаратор К521СА3, який має наступні характеристики:
- час переключення 30 нс;
- струм споживання 3,5 мА;
- коефіцієнт підсилення 35 106;
- частота одиничного підсилення 1 МГц;
- вхідний опір 10 106 Ом;
Тому як на його виході треба формувати імпульси ТТЛ рівня, використовуємо для нього однополярне джерело живлення +5В. Опорну напругу точно виставити можна тільки при настройці фотоприймача, тому для цього використовується резистор змінного опору.
У графічній частині дипломного проекту наведено електричну принципову схему ПВПКК та його збірне креслення.
4.2 Розробка пристрою спряження перетворювача з ПЕОМ
Схему спряження реалізовано на базі 12-розрядного АЦП AD1671 фірми Analog Devices, яка має вбудований пристрій вибірки зберігання та час перетворення 800 нс, порту уведення-виведення КР580ВВ55А.
Мікросхема КР580ВВ55 уявляє собою програмований порт, який включає в себе три двунаправлених порти. Генератор з кварцевою стабілізацією частоти, що запускає АЦП, запускається програмно через порт С, коли в нього записується керуюче слово «початок». Вихідний сигнал генератору блокується керуючим словом «кінець».
Для ініціалізації порту уведення-виведення використовуються виводи
системної шини ЕОМ А2-А9 та системний сигнал AEN, який свідчить про те, що відбувається звернення до зовнішнього пристрою, а не до пам’яті. Виводи А0-А1 використовуються для вибору напрямку передачі чи зчитування інформації.
Для завдання режимів роботи порту - режиму програмування, режиму запису в порт, режиму уведення в порт, використовуються системні сигнали RD та WR. Порт уведення-виведення ініціалізується при появі на системній шині адрес $100-$103. Призначення цих адресів наведено у таблиці 4.2.
Сигнал готовності АЦП є запитом на переривання IRQ10, під час обробки якого зчитується перший та другий байт вихідного коду АЦП і записується в оперативну пам’ять.
Таблиця 4.2 - Адреси портів
| Адреса | Порт |
| $100 | порт А |
| $101 | порт В |
| $102 | порт С |
| $103 | Програмування порту |
Через порт уведення-виведення здійснюється передавання першого байту вихідного коду АЦП (порт А), передавання другого байту вихідного коду АЦП та сигналу наявності заднього фронту вихідного сигналу ТП (порт В), сигналів початку та закінчення вимірювань (порт С). Дані під час роботи безперервно записуються в оперативну пам’ять персональної ЕОМ.
Схему керування портом уведення-виведення реалізована на мікросхемах DD1, DD2, DD3, DD5. Це мікросхеми 555 серії : DD1 - К555ЛН1; DD2 - К555ЛН1; DD3 - К555ЛА3; DD5 - К555ЛА2.
Електрична принципова схема блоку спряження з ПЕОМ наведена у графічній частині дипломного проекту.
5. Електричні розрахунки
5.1 Розрахунок компаратора напруг
Компаратор напруг реалізовано на мікросхемі К521СА3, яка має вихід з відкритим колектором, що обумовлює використання зовнішнього опору навантаження. Його електричну принципову схему наведено на рисунку 5.1.
Рисунок 5.1 - Компаратор напруг
При використанні однополярного живлення +5 В та для отримання на виході сигналів ТТЛ рівня при роботі на високоомне навантаження, необхідно використати резистор опором 1 кОм [11]. Обираємо резистор С2-23 - 1 кОм.
Елементи R7 C3 є елементами фільтру за джерелом живлення. Стандартні значення цих елементів R7 = 100 Ом, C3 1 мкФ. Обираємо резистор С2-23 - 100 Ом та конденсатор К-42-П-5-1 мкФ.
Для встановлення значення опорної напруги обираємо резистор СП5 - 10 кОм.
Резистори R8 та R10 служать для узгодження вхідних опорів попереднього пристрою з послідуючим. Обираємо С2-23 - 100 кОм.
5.2 Електричний розрахунок генератора прямокутних імпульсів, що запускає АЦП
Схема електрична принципова генератора прямокутних імпульсів з кварцевою стабілізацією частоти наведена на рисунку 5.2.
Рисунок 5.2 - Схема електрична принципова генератора прямокутних імпульсів з кварцевою стабілізацією частоти
У відповідності з [12], для того, щоб вивести в лінійний режим логічні елементи К555ЛН1 необхідно використати резистори опором 500 Ом. Тому обираємо резистори R1 та R2 С2-23 - 520 Ом.
Для того, забезпечити стійку роботу пристрою, щоб АЦП міг перетворити миттєве значення напруги не раніш ніж з’явиться наступний імпульс його запуску, необхідно частоту генератору вибрати на порядок менше ніж частота дискретизації АЦП. Тому обираємо кварцевий резонатор РК86 - 100 кГц.
5.3 Електричний розрахунок лінійних фотоприймачів















