123812 (592860), страница 6
Текст из файла (страница 6)
Таблица 2.1 - Основные показатели характеристики печи-ванны СВС 3,5.8.3,5/13
| Параметры | Размерность | Показатель |
| Мощность установленная Число фаз Размеры: длинна, ширина, высота Температура Масса электрованны | кВт - м оС т | 275 3 0,8; 0,35; 0,35 1300 2,6 |
Закалочный бак выполнен из теплоизоляционного материала в виде минераловатных плит. В закалочном баке предусмотрен подогрев масла с помощью ТЭНов с целью уменьшения коробления деталей при охлаждении. Также в баке предусмотрено охлаждение масла с помощью змеевика.
Все контрольно-измерительные приборы находятся на торцевой стенке печи, а на лицевой стенке кнопки управления механизмами.
Для процесса отпуска была выбрана печь СШО 4.4/7.
В таблице 2.2 приведены основные показатели характеристики шахтной печи СШО 4.4/7:
Таблица 2.2 - Основные показатели характеристики шахтной печи СШО 4.4/7
| Наименование параметра | Норма |
| Установочная мощность, кВт | 240 |
| Номинальная температура | 700 |
| Напряжение питающей сети, В | 380 |
| Частота тока, Гц | 50 |
| Число фаз | 3 |
| Мощность холостого хода, кВт | 7,2 |
| Среда в рабочем пространстве | окислительная |
| Размеры рабочего пространства, мм диаметр высота | 400 400 |
| Масса электропечи, т | 1,69 |
| Масса футеровки, т | 0,8 |
Шахтная печь СШО 4.4/7 состоит из следующих узлов: кожуха (толщина более 4 мм), крышки, футеровки, механизма подъема и отката крышки, нагревательных элементов. Кожух и крышка печи выполнены сварными в герметичном исполнении из листового и профильного проката. В верхней части кожуха имеется песочный затвор, позволяющий производить уплотнение камеры печи с крышкой. Крышка теплоизолирована. Для открывания печи перед загрузкой или выгрузкой садки применяется механизм подъема и отката крышки. Этот механизм представляет собой портальную сварную конструкцию, одной стороной установленную на неподвижной трубе, а другой передвигающуюся на двух опорных катках, катящихся по подкрановому рельсу. Подъем крышки осуществляется тремя цепными подвесками, которые через траверсу соединяются с ходовым винтом механизма подъема. После подъема крышки производится откат (поворот) ее на угол 90° специальным электромеханическим приводом.
Печь оборудована автоматической блокировкой. В рабочем положении (крышка лежит на кожухе) заблокировано включение механизма поворота крышки. При подъеме крышки на 200 мм происходит автоматическое выключение нагревательных элементов печи и снимается блокировка привода отката.
Нагревательные элементы размещены на боковой стенке и поде. В крышке печи имеется специальное отверстие для контрольной термопары.
2.3 Выбор и описание вспомогательного и дополнительного оборудования
Кроме основного оборудования в термических цехах есть вспомогательное и дополнительное оборудование.
В качестве вспомогательного оборудования применяется оборудование оборудование для очистки – моечные машины, очистка дробью.
Для данного технологического процесса в качестве вспомогательного оборудования следует использовать моечную машину конвейерного типа ММК-4.20.1/1. Она предназначена для промывки деталей после закалки их в масле.
Кожух моечной машины сварной конструкции, выполнен из листовой и профильной стали. Сверху моечная машина закрывается одной съемной крышкой и одной плитой с отверстием для вытяжной трубы, на ней же установлены электродвигатель и редуктор.
Насосом раствор пропускается через три фильтра, расположенных в баке, а остуда по трубам через разбрызгиватели подается на детали. На боковых стенках моечной машины сделано по два оконных проема для ремонта и чистки разбрызгивателей. Ниже проемов расположены отверстия для слива раствора, для подачи пара и воды. Для сбора смываемого слоя с поверхности раствора в бачке находится карман, уровень которого должен быть выше уровня раствора.
В качестве дополнительно оборудования в термическом цехе могут применяться:
-
оборудование для получения контролируемых атмосфер – эндотермические и экзотермические установки;
-
вентиляторы и воздуходувки;
-
маслоохладительные системы;
-
средства механизации – конвейеры, толкатели, подъемники и другие.
Для разгрузки и загрузки приспособлений с деталями в печи, ремонта печей, для внутрицеховой транспортировки используются однобалочные мостовые краны, у которых управление тельфером и передвижением крана производится подъемно-кнопочным механизмом – электрокранбалки (ЭКБ-3,2).
2.4 Расчет необходимого количества основного, вспомогательного и дополнительного оборудования
Для расчета потребного количества основного вспомогательного оборудования следующие данные:
– расчет объема годового производства по данной операции;
– часовая производительность оборудования;
– действительный фонд времени работы оборудования в течение года.
2.4.1 Расчет основного оборудования
Для данного типа оборудования (соляной печи-ванны) рассчитываем производительность Р. За один час работы делается 1 садка. Учитывая вес приспособления и 21 дет. за 1 садку, получим Р = 66,7 кг/ч.
Годовой фонд эффективного времени работы оборудования зависит от установленного режима работы, продолжительности смены, потерь времени на ремонт и переналадку оборудования и рассчитывается по формуле:
Фд = (365 - В – П)·С·t·Кр,
где Фд – действительный фонд времени работы оборудования, ч;
В – количество выходных дней в году (за вычетом выходных, совпадающих с праздничными днями);
П – количество праздничных дней в году;
С — количество смен в сутках;
t – средняя длительность одной смены;
Кр – коэффициент использования номинального времени работы оборудования, учитывающий потери времени, составляет 6% от номинального времени, то
;
Фд = (365 – 96 – 11)·3·8·0,94 = 5820,48 ч.
Определение потребного количества часов работы (Е) производятся по формуле:
Е = Аг/Р,
где Аг – годовая программа, в т;
Р – производительность, кг/ч.
Аг = Np·P·Фд·кр,
где Np – количество оборудования; принимаем 1(×2) печи-ванны;
Фд – действительный фонд времени работы оборудования, ч.
Аг = 1·0,0667·5820,48 ·0,94 = 364,93 т
Тогда
Е = 364930/66,7 = 5471,2 ч
Истинное количество оборудования Nр рассчитываем по формуле:
Np = E/Фд
Nр = 5471,2/5820,48 = 0,94 шт.
Принимаем Nпр = 1(×2) печи-ванны СВС.
Коэффициент загрузки рассчитывается по следующей формуле:
Кз = Np/Nпр
Кз = 0,94/1 = 0,94.
Производительность печи СШО 4.4/7 составляет: Р = 14 кг/ч.
Определение потребного количества часов работы (Е) производятся по формуле:
Е = Аг/Р,
где Аг – годовая программа, в т;
Р – производительность, кг/ч.
Аг = Np·P·Фд·кр,
где Np – количество оборудования; принимаем 2 печи СШО 4.4/7;
Фд – действительный фонд времени работы оборудования, ч.
Аг = 2·0,014·5820,48 ·0,94 = 153,195 т 76,5975
Тогда
Е = 153195/14 = 10942,5 ч 54712,5
Истинное количество оборудования Nр рассчитываем по формуле:
Np = E/Фд
Nр = 10942,5/5820,48 = 1,88 шт.
Принимаем Nпр = 1(×3) печи СШО 4.4/7.
По результатам расчетов для обработки 42 дисковых фрез принимаем для закалки 2(×3) СВС печи-ванны и отпуска 3 печи СШО.
2.4.2 Расчет вспомогательного оборудования
В качестве вспомагательного оборудования применяется моечная машина типа ММК-4.20.1/1.
Принимаем одну моечную машину.
2.2 Механизация и автоматизация производства
При проектировании участка термической обработки необходимо предусматривать комплексную механизацию всех основных и вспомогательных операций:
-
механизация и автоматизация технологических операций путем применения специального оборудования, оснащенного автоматическим регулированием, и управлением параметров температуры, времени нагрева, и среды обработки;
-
механизация и автоматизация вспомогательных, контрольно-приемочных и подъемно-транспортных операций путем, применения механизированных средств перемещения изделий, оборудования и оснастки;
-
автоматизация управления производственным потоком с помощью сложных систем регулирования и управления в соответствии с заданной программой;
-
агрегатирование средств механизации и автоматизации, т. е. совмещение выполнения в одном агрегате всех последовательных операций по обработке заданных изделий.
При массовом крупносерийном производстве, где используется специальное оборудование, следует применять узкоспециализированные средства механизации и автоматизации.
Для регулирования температуры используются потенциометры; для регулирования среды обработки и интенсивности ее циркуляции в рабочем пространстве применяют газоанализаторы прямого и косвенного действия и расходомеры, для продолжительности операции – реле времени.
Контроль температуры заключается в том, что сигнал вырабатывается датчиком, который находится в печи, автоматически поступает на измерительный прибор, который фиксирует текущие значения температуры (рисунок 2.1). Автоматическое регулирование температуры используется для поддержания требуемого значения температуры на определенном уровне.
В качестве измерительных приборов используется потенциометры (рисунок 2.2). Особенностью потенциометров является то, что в них используется компенсационный (нулевой) метод измерения, при котором полностью исключается ошибки измерения, связанные с изменением сопротивления измерительного контура.
Рисунок 2.1. — Схема автоматизированного регулирования температуры.
ОР — объект регулирования; ИП — измерительный прибор;
ДР — датчик регулирования; Р — регулятор; ЗУ — задающее устройство;
ИМ — исполнительный механизм; РО — регулирующий орган;
Х1 — величина соответствующая текущему значению температуры;
Х2 — сигнал подаваемый в регулятор.
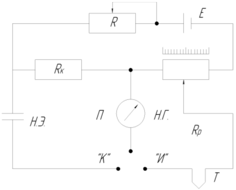
Принцип действия потенциометра основан на том, что развиваемая термопарой термо-ЭДС, компенсируется равным по величине напряжением от дополнительного источника, который затем измеряется с высокой точностью.
Рисунок 2. 2. — Схема потенциометра.
Е — источник напряжения; R — реостат;
Rк — контрольное сопротивление; Rp — реохорд (переменное калиброванное сопротивление);
Н. Э. — нормальный элемент (гальванический элемент, который при 20 С дает строго постоянную Э. Д. С.). Е = 1,0186В;
НГ — нуль гальванометр (прибор с нулевой отметкой по середине шкалы);
П — переключатель (в положении "К" или измерение "Н").
3. Строительная часть
3.1 Разработка плана расположения оборудования на проектируемом участке
В основу расстановки оборудования на плане и разрезах цеха должны быть положены:
-
намеченная компонованная схема технологического грузопотока, не допускающая пересечения путей движения обрабатываемых деталей. Исключение может быть только для цехов индивидуального и мелкосерийного производства, но при этом общий грузопоток дожжен идти в одном направлении;
-
возможность обслуживания и ремонта оборудования;
-
организация межоперационного транспорта обрабатываемых изделий [4].
При установлении схемы расположения оборудования необходимо учесть, что печи не должны располагаться вдоль наружных остекленных стен.
Участки с токсическим, шумопроизводящим оборудованием должны располагаться в обособленных помещениях, изолированных от печного зала. К такому оборудованию относятся установки для приготовления защитных атмосфер, воздуходувки высокого давления, установки для очистки дробью.
Проезды и походы желательно размещать по периметру с обязательным расположением ворот и дверей у наружных стен.
Все элементы здания термического цеха относятся к категории Г по признаку пожароопасности и должны выполняться из несгораемых материалов, отвечающих І и ІІ ступеням огнеопасности.
Для термического участка, который характеризуется значительным избытком и не требует утепления покрытия, проектируем его из асбоцементных листов.
На участке применяем светоаэрационные фонари П-образного профиля.
;















